
А 2N2219 Транзистор - это универсальный транзистор NPN, широко используемый в электронных цепях.Когда в основании нет сигнала, транзистор остается в состоянии вне раскрытия, при этом коллекционер и излучатель отключен.Как только сигнал применяется к основанию, транзистор включает в себя, позволяя току течь между коллекционером и эмиттером.Эта способность переключения является основой того, как работает транзистор, независимо от того, используется для усиления сигналов или схем переключения.С значением усиления (HFE) 50, 2N2219 способен обрабатывать различные приложения, которые требуют как усиления сигнала, так и управления переключением.Его производительность определяется его способностью эффективно управлять потоком тока, что делает его практическим выбором во многих конструкциях схемы.



Центральный полупроводник 2N2219 Технические характеристики, атрибуты, параметры и части с аналогичными спецификациями с центральным полупроводником 2N2219.
| Тип | Параметр |
| Время выполнения завода | 8 недель |
| Устанавливать | Через дыру |
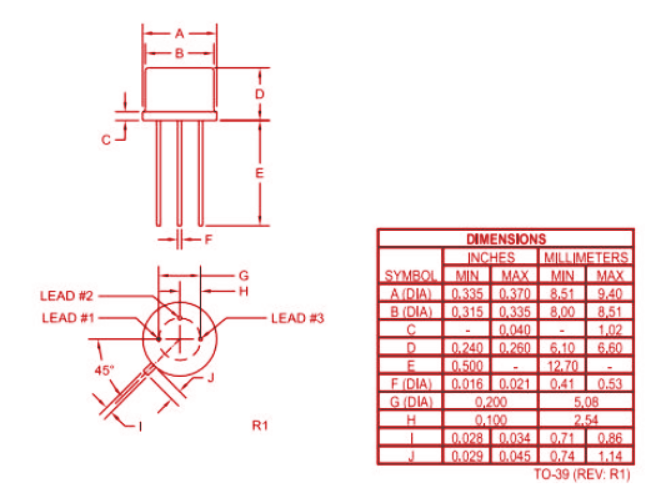
| Пакет / корпус | На 39 |
| Напряжение разбивки коллекционера-эмиттер | 30 В |
| Количество элементов | 1 |
| Рассеяние власти (макс) | 800 МВт |
| Hfe Min | 35 |
| Опубликовано | 2012 |
| Код JESD-609 | E0 |
| PBFREE CODE | Нет |
| Статус частично | Активный |
| Количество терминаций | 3 |
| Код ECCN | Ear99 |
| Терминальная отделка | Олово/свинец (SN/PB) |
| Максимальная рабочая температура | 150 ° C. |
| МИН рабочая температура | -65 ° C. |
| HTS -код | 8541.21.00.75 |
| Терминальная позиция | Нижний |
| Терминальная форма | Проволока |
| Пиковая температура отвоз (° C) | Не указан |
| Время @ | Не указан |
| Подсчет штифтов | 3 |
| Код JESD-30 | O-MBCY-W3 |
| Квалификационный статус | Не квалифицирован |
| Полярность | Npn |
| Конфигурация элемента | Одинокий |
| Приложение транзистора | Переключение |
| Получить продукт полосы пропускания | 250 МГц |
| Напряжение излучателя коллекционера (VCEO) | 1,6 В. |
| Макс Коллекторный ток | 800 мА |
| Частота перехода | 250 МГц |
| Частота - переход | 250 МГц |
| Базовое напряжение коллекционера (VCBO) | 60 В |
| Напряжение базового излучения (Vebo) | 5 В |
| DC ток-увеличение (HFE) | 30 |
| Выключите время-макс (Toff) | 285ns |
| Статус ROHS | ROHS COMPARINT |
2N2219 представляет собой небольшой сигнальный транзистор NPN, что означает, что он предназначен для обработки сигналов с низкой мощью.Он переключает или усиливает эти небольшие сигналы в различных цепях, что делает его универсальным для различных задач в электронике.
Транзистор имеет типичное усиление тока (HFE) 50. Это усиление указывает на то, сколько транзистор может усилить базовый сигнал, что полезно, когда вам необходимо управлять или повысить поток тока в вашей цепи.
Этот транзистор может обрабатывать до 800 мА непрерывного тока коллектора.Это позволяет вам управлять более высокими нагрузками тока, что делает его хорошим выбором для цепей, которые требуют постоянного потока тока.
2N2219 может работать с напряжением коллекционера-эмиттера до 50 В.Эта более высокая способность обработки напряжения обеспечивает большую гибкость для использования в цепях с немного более высокими требованиями напряжения.
С рейтингом напряжения базы коллекционера 75 В, 2N2219 предлагает более высокую маржу для цепей, которые работают с повышенными напряжениями.Эта функция обеспечивает надежную производительность даже в цепях с различными уровнями напряжения.
Напряжение базы излучателя оценивается при 6 В, что указывает на максимально допустимое напряжение между эмиттером и базовыми терминалами.Это помогает защитить транзистор от повреждений в ваших цепях.
Время включения 40NS и время отключения 250NS означают, что транзистор может быстро переключаться.Этот быстрый ответ полезен для приложений, которые нуждаются в быстром велосипеде, например, в схемах переключения.
2N2219 поставляется в пакетировании металла TO-39, который обеспечивает долговечность и лучшую рассеяние тепла.Эта функция помогает поддерживать производительность транзистора, особенно в среде высокого стресса.
2N2219 часто используется в цепях, которые управляют реле.Он переключает ток, чтобы управлять реле, позволяя ему включать и выключать большие нагрузки, что делает его идеальным для задач автоматизации и удаленно управлять устройствами.
Этот транзистор эффективен в вождении светодиодов.Он управляет током, протекающим через светодиод, обеспечивая безопасную и эффективную работу в системах освещения или отображения, где необходимо точное управление током.
В аудио-усилителях 2N2219 может усиливать низкоуровневые аудиосигналы.Это помогает повысить сигнал для управления динамиками или наушниками, обеспечивая четкий выход звука в различных аудиосистемах.
2N2219 хорошо работает в задачах усиления сигнала, например, в системах связи.Это усиливает слабые сигналы, улучшая прочность и ясность передаваемых или полученных сигналов в цепи.
Вы можете соединить 2N2219 с другим транзистором, чтобы сформировать пару Дарлингтона.Эта настройка обеспечивает большую амплификацию тока, что делает ее полезным, когда в ваших приложениях для схемы требуется более высокое усиление.
• 2N2905
Транзистор 2N2219 можно найти в многочисленных приложениях, аналогично его более распространенному аналогу, 2N2222.Это особенно полезно в ситуациях, когда участвуют немного более высокие напряжения, благодаря своему металлу, который может обрабатывать повышенное напряжение.Независимо от того, строите ли вы цепи переключения или усилители, 2N2219 выполняет надежную работу.При переключении схем он часто используется для управления нагрузками, такими как двигатели или реле, в то время как в усилении это помогает повысить более слабые сигналы.Простота его дизайна и способность управлять более высокими напряжениями делают 2N2219 выбором для ряда задач, независимо от того, переключаете ли вы нагрузки или усиливаете небольшие сигналы.
Транзистор 2N2219 обычно используется в качестве переключателя в различных цепях.При настройке транзистора вы подключите нагрузку к коллекционеру, в то время как эмиттер заземлен.Этот транзистор NPN работает, контролируя ток потока через базовый штифт.Когда к основанию применяется небольшой ток, он активирует транзистор, позволяя большему току переходить от коллекционера к излучающему излучанию, включив подключенную нагрузку.

Ключевой частью использования 2N2219 эффективно является выбор правильного базового резистора, который ограничивает ток, идущий в основание.Значение этого резистора рассчитывается на основе требуемого базового тока (IB), который привязан к текущему спросу нагрузки (IC).Формула для расчета IB:
IB = IC / HFE
В этом случае HFE (тока усиления) составляет около 50. Давайте предположим, что ваша нагрузка тянет до 800 мА, поэтому ток коллекционера (IC) составляет 800 мА.Исходя из этого, необходимый базовый ток (IB) будет 16 мА.
Далее вам нужно будет рассчитать базовый резистор (RB), используя эту формулу:
Rb = (vcc - vbe) / ib
Здесь VCC является напряжением питания, а VBE-напряжение базового эмиттера, обычно 1,3 В для 2N2219.Используя эти значения, вы можете определить правильный резистор, чтобы убедиться, что база получает достаточно тока, чтобы включить транзистор, не перегружая его.
Этот процесс делает 2N2219 надежным переключателем в цепях, где необходим управление более высокими токами с небольшими базовыми сигналами.Хотя формула обеспечивает оценку, точная настройка значения резистора через эксперименты иногда может потребоваться, чтобы получить наилучшие результаты от транзистора.

Центральный полупроводник является надежным именем в мире полупроводников с 1974 года. Известно, что они производят высококачественные дискретные полупроводники, продукты компании используются в электронных устройствах по всему миру.За прошедшие годы Central Semiconductor разработал широкий ассортимент продукции, в том числе MOSFET, выпрямители, кремниевые карбидные устройства и многое другое.Они создали репутацию надежности, последовательно предоставляя компоненты, которые отвечают требованиям современной электроники.Этот давний опыт гарантирует, что их продукты, такие как 2N2219, продолжают оставаться твердым выбором для инженеров и дизайнеров, ищущих надежные полупроводниковые решения.
Да, 2N2219 очень похож на популярный транзистор NPN, 2N2222.Однако основное отличие заключается в упаковке.2N2219 поставляется в упаковке металла, что позволяет ему обрабатывать немного более высокие напряжения по сравнению со 2N2222.
2N2219 предназначен для небольших сигнальных приложений и задач переключения.Он обычно используется в цепях, где требуется переключение и усиление сигнала.
2N2219 поставляется в пакетировании металла TO-39, что обеспечивает лучшую тепловой рассеяние и долговечность в различных приложениях схемы.
Пожалуйста, отправьте запрос, мы ответим немедленно.
на 2024/10/24
на 2024/10/24
на 8000/04/18 147758
на 2000/04/18 111958
на 1600/04/18 111349
на 0400/04/18 83726
на 1970/01/1 79510
на 1970/01/1 66929
на 1970/01/1 63078
на 1970/01/1 63019
на 1970/01/1 54086
на 1970/01/1 52155