
А L7809CV является универсальным трехместным регулятором линейного напряжения, чтобы обеспечить стабильный выход 9 В при поддержке токов до 1,5А.Он легко работает с входными напряжениями в диапазоне от 11 В до 35 В.Отмеченная за устойчивый дизайн, он включает в себя такие функции, как ограничение тока, тепловое отключение и безопасная защита площади, обеспечивая непрерывную производительность, даже при превышении 1А, применяется надлежащее охлаждение.Несмотря на то, что он по своей природе фиксированный регулятор, он может быть изменен для переменного напряжения и выходов тока путем интеграции дополнительных компонентов.Простота его трехместного дизайна сводит к минимуму необходимые компоненты и снижает затраты, что делает его популярным выбором.
• LM78M06CH
• MC7809act
• KA78M18R
• L7805CV
• L78M05CV

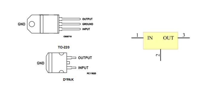
Подключите свой источник питания здесь.Стабильность при входе мощности может напрямую влиять на эффективность регулятора.Убедитесь, что напряжение находится в пределах указанного диапазона для предотвращения перегрева, что потенциально влияет на функциональность и безопасность.
Этот штифт требует подключения к общему заземлению цепи.Внимание к заземлению помогает поддерживать целостность цепи.Безопасные соединения на этом контакте играют роль в минимизации электрического шума и нарушений.
Получить регулируемый выход 9 В с этого вывода.Его согласованность напряжения может питать различные устройства, требуя точного регулирования.Работая с L7809CV, рассмотрите, как взаимодействие уровней напряжения, заземления и факторов окружающей среды влияет на эффективность и долговечность цепи.
|
Атрибут продукта |
Значение атрибута |
|
Производитель |
ST Microelectronics |
|
Пакет / корпус |
До-220 |
|
Упаковка |
Трубка |
|
Длина |
10,4 мм |
|
Ширина |
4,6 мм |
|
Высота |
14,9 мм |
|
Входное напряжение |
11 В ~ 35 В |
|
Выходное напряжение |
9 В |
|
Выходной ток |
1,5 а |
|
Крыжительный ток |
4,3 мА |
|
Рабочая температура |
0 ° C ~ 125 ° C. |
|
Регулирование нагрузки |
100 мВ |
|
Линейное регулирование |
90 мВ |
|
Вывод типа |
Зафиксированный |
|
Монтажный стиль |
Через дыру |
|
Количество булавок |
3 |
|
Количество выходов |
1 вывод |
|
Тип продукта |
Линейные регуляторы напряжения |
Регулятор напряжения L7809CV может похвастаться впечатляющей точностью выходного напряжения ± 2%.Эта точность вдохновляет уверенность в его надежности в широком диапазоне температур, идеально подходит для сценариев, где необходим стабильный источник питания на фоне различных условий окружающей среды.Например, в потребительской электронике поддержание постоянного напряжения поддерживает бесшовную функционирование тонких компонентов, обеспечивая удовлетворенность пользователями.
С возможностью доставлять до 1,5А, L7809CV искусно обеспечивает широкий спектр устройств.Эта мощность находит применение в таких областях, как домашняя автоматизация и системы промышленного управления.Оценить его умелое управление переходными нагрузками, минимизировать неожиданные колебания напряжения и способствовать созданию устойчивых систем.Такие возможности приглашают исследование в инновационные проекты.
Оборудованные с обширными мерами защиты, охранники L7809CV от термической перегрузки и коротких замыканий.Эти функции укрепляют надежность устройства, исключая повреждения во время сбоев.Включение защиты безопасной рабочей зоны (SOA) обеспечивает долговечность в сложных и динамических настройках, включая требование автомобильной электроники.Эта надежность питается в доверие к созданию стойких решений.
L7809CV впечатляюще сохраняет постоянную мощность в диапазоне электронных сред.Его надежная конструкция обеспечивает надежную стабилизацию напряжения, адаптируется как к потребительским гаджетам, так и к промышленным механизмам.Он процветает в различных условиях, показывая его адаптивность и надежность в приложениях, которые требуют точности.
Включенные функции, такие как тепловое отключение и ограничение тока, играют роль в защитных цепях.Эти механизмы приносят душевное спокойствие в приложениях, где необходима надежность, такие как медицинские инструменты или коммуникационные технологии.Тепловая защита способствует расширению долговечности устройства, обеспечивая плавную и непрерывную работу.
Возможность настроить выходное напряжение и ток с помощью внешних компонентов открывает различные возможности.От стандартных источников питания до сложных систем, его адаптивность оказалась ценной в индивидуальных приложениях с особыми потребностями напряжения.Эта функция ремесленных систем, которые соответствуют уникальным требованиям, повышают как эффективность, так и эффективность.

Чтобы использовать весь потенциал L7809CV, подключите входное напряжение к выводу «VIN», поддерживая его между 11 В до 35 В.Этот диапазон способствует целостности выходного напряжения стабильности и защиты.На практике выберите источник питания, который последовательно поставляет в этом диапазоне, избегая колебаний, которые могут повлиять на функциональность регулятора.
Стабильность зависит от правильного заземления.Подключите входной источник к контакту «GND», чтобы завершить цепь.Практически, надежное подключение к наземному соединению сводит к минимуму шум и повышает эффективность устройства, что приводит к более плавной работе.
Свяжите штифт «Vout» с нагрузкой и стабилизируйте цепь, добавив развязки конденсаторов (около 0,1 мкф) между «VIN» и «GND» и «Vout» и «GND».Эти конденсаторы фильтруют переходные пики напряжения, обеспечивая более чистый выход.
Тесно следите за температурой, если возникает чрезмерная тепло, используйте подходящую радиатора для дисперсии.Эффективное тепловое управление продлевает срок службы устройства и предотвращает повреждение.Выберите соответствующие материалы и конструкции для радиаторов на основе условий окружающей среды.
Активируйте систему, чтобы проверить стабильный выход 9 В.Если появляются отклонения, перекалибруйте соединения или осмотрите компоненты.Регулярный мониторинг и корректировки могут предотвратить проблемы, согласовывая теоретические спецификации с практическими приложениями.
Пожалуйста, отправьте запрос, мы ответим немедленно.
на 2024/10/1
на 2024/10/1
на 8000/04/18 147758
на 2000/04/18 111958
на 1600/04/18 111349
на 0400/04/18 83726
на 1970/01/1 79510
на 1970/01/1 66929
на 1970/01/1 63078
на 1970/01/1 63019
на 1970/01/1 54086
на 1970/01/1 52155