
А TDA7377 является универсальным усилителем класса AB уникально создан для автомобильных радиосистем.Он вмещает разнообразные потребности в аудио через двойные мостики и квадратные односторонние режимы.Благодаря дополнительной стадии выхода и фиксированным усилением он обеспечивает надежный звук, требующий минимальных дополнительных компонентов, упрощающих конструкцию схемы.Детектор отсечения не только помогает получить контроль, но и повышает верность звука, даже в повышенных объемах.Кроме того, его встроенная диагностика разломов способствует определению ошибок сборки во время производства и надежности поддержки.Этот дизайн способствует легкой интеграции, расширяя свое приложение в автомобильных аудио -решениях.
Отражение TDA7377, TDA7379 Стоит в качестве аудио-усилителя AB с твердым классом, предназначенным для односторонних режимов с двойным мостом или квадроциклами.Его дополнительная стадия выхода и предустановленное усиление обеспечивают заметные преимущества производительности с меньшим количеством компонентов, что облегчает процесс сборки, особенно в том случае, если пространство или бюджет являются проблемами.Возможность обнаружения клипов используется для поддержания качества звука и обнаружения вас сосредоточено на вашем опыте.Интегрированные диагностические особенности облегчают идентификацию и коррекцию ошибок, повышая эффективность работы.Такие структурные преимущества делают его привлекательным вариантом для разнообразного использования, от автомобильной до домашней аудио.
|
Особенность |
Подробности |
|
Высокая выходная мощность @ VCC = 14,4 В, F = 1 кГц, RL = 4 Ом |
- 2 x 35W Макс. |
|
- 2 x 20w @ thd = 10% |
|
|
- 4 х 6 Вт при 10% |
|
|
- 4 x 10 Вт / 2 Ом при 10% |
|
|
- 2 x 30w / eiaj @ vcc = 13,7 В, RL = 4 Ом |
|
|
CMOS совместима с функцией |
Низкий ICC |
|
Нет слышимого поп |
Во время резервных операций |
|
Внутренне фиксированное усиление |
26 дБ BTL и 20 дБ. |
|
Без конденсаторов начальной загрузки и клетки Boucherot |
Интегрированный дизайн устраняет необходимость в них
компоненты |
|
Диагностика объекта на PIN 10 |
Обеспечивает выходной отсечение, закрепленное на VCC или GND, Thermal
выключение и мягкий шорт при включении |
|
Выходные качели железной дороги |
Максимизирует выходной диапазон |
|
Абсолютная стабильность |
Внешняя компенсация не требуется |
|
Особенность
Категория |
Подробности |
|
Эффективность и точность |
Усовершенствованная 20-битная цифровая обработка для точного звука |
|
Высокая эффективность |
Замечательная эффективность мощности 90% |
|
Продолжительность жизни |
Расширенная жизнь усилителя |
|
Временный ответ |
Усовершенствованное воспроизведение звуковой детали |
|
Нулевой фазовый сдвиг |
Точное звуковое позиционирование |
|
Вмешательство сопротивления |
Чистый, прозрачный аудио |
|
Возможность высокой выходной мощности |
- 2 х 38 Вт при 4 Ом, 18 В, 1 кГц, 10% |
|
- 4 х 11 Вт при 4 Ом, 18 В, 1 кГц, 10% |
|
|
- 2 х 20 Вт при 8 Ом, 18 В, 1 кГц, 10% |
|
|
- 4 х 13 Вт при 2 Ом, 15 В, 1 кГц, 10% |
|
|
- 2 x 34W при 8 Ом, 22 В, 1 кГц, 10% |
|
|
Минимальные внешние компоненты |
- Нет конденсаторов начальной загрузки |
|
- Нет ячеек баушерота |
|
|
- внутренне фиксированное усиление (26 дБ BTL) |
|
|
Функция St-by |
CMOS совместимы |
|
Нет слышимого поп |
Во время операций ST-BY |
|
Диагностические учреждения |
- Детектор клипа |
|
- Вывод на грудь короткий |
|
|
- Выход для подачи напряжения короткий |
|
|
- мягкий короткий при включении |
|
|
- Термическая близость отключения |
Усилитель TDA7377 подходит для интеграции аудиосистем в автомобилях, портативных динамиков, домашнего аудиоустройства и мини-систем HI-Fi исключительно хорошо благодаря ее универсальности.Для вас он обращается через его адаптируемый характер.В мире автомобильного звука усилитель TDA7377 повышает качество звука, предлагая кристально чистый слуховой опыт, который обогащает эмоции вождение.Он оптимизирует переносные динамики, гармонизируя энергоэффективность с превосходной верностью аудио.При вплетении в домашние аудиосистемы, компактность усилителя и обильная мощность обеспечивают плавное объединение с существующими настройками, усиливая слуховую атмосферу.Специально для вас, дорожая компактностью и превосходством, TDA7377 выпустил особое место в системах публичных адресов, где ценятся последовательная производительность в множестве акустических условий.
TDA7379 закрепил репутацию в рамках автомобильных звуковых средств и настройки усилителей дома, отмеченных своей образцовой обработкой звука и способностями обработки нескольких каналов.Для вас жаждут высокого калибра через разнообразные средства массовой информации, он становится любимым компаньоном.Его использование выходит за рамки жилых доменов, разветвляясь в многоканальные аудиосистемы, предназначенные для кинематографической акустики, удовлетворяя ожиданиям тех, у кого утонченные звуковые предпочтения.Механизмы публичного выступления в значительной степени извлекают выгоду из его разумного энергопотребления в сочетании с акустической ясностью, обеспечивая тщательную доставку объявлений в различных местах, как закрытых, так и под открытым небом.Кроме того, в портативных технологиях TDA7379 уважается за свое мастерство в том, чтобы сделать великолепные слуховые характеристики, сохраняя при этом срок службы батареи, согласуясь с желаниями, которые ищут подвижность наряду с бескомпромиссным удержанием звука.

|
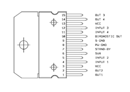
Штифт № |
Название вывода |
Описание |
|
1 |
Выезд 1 |
Вывод 1 |
|
2 |
2 |
Вывод 2 |
|
3 |
Венчурной |
Напряжение подачи коллекционера |
|
4 |
В 1 |
Вход 1 |
|
5 |
В 2 |
Вход 2 |
|
6 |
SVR |
Отказ от напряжения подачи |
|
7 |
Святой |
Поддерживать |
|
8 |
PW-GND |
Силовая земля |
|
9 |
S-GND |
Сигнал земля |
|
10 |
Диаг |
Диагностика |
|
11 |
В 4 |
Вход 4 |
|
12 |
В 3 |
Вход 3 |
|
13 |
Венчурной |
Напряжение подачи коллекционера |
|
14 |
Выпуск 4 |
Вывод 4 |
|
15 |
Вне 3 |
Вывод 3 |

|
Штифт № |
Название вывода |
Описание |
|
1 |
Выезд 1 |
Вывод 1 |
|
2 |
2 |
Вывод 2 |
|
3 |
Венчурной |
Напряжение подачи коллекционера |
|
4 |
В 1 |
Вход 1 |
|
5 |
В 2 |
Вход 2 |
|
6 |
SVR |
Отказ от напряжения подачи |
|
7 |
Святой |
Поддерживать |
|
8 |
PW-GND |
Силовая земля |
|
9 |
S-GND |
Сигнал земля |
|
10 |
Диаг |
Диагностика |
|
11 |
В 4 |
Вход 4 |
|
12 |
В 3 |
Вход 3 |
|
13 |
Венчурной |
Напряжение подачи коллекционера |
|
14 |
Выпуск 4 |
Вывод 4 |
|
15 |
Вне 3 |
Вывод 3 |
• TDA7375
• TDA7379
• TDA7560
• TDA7384
• TDA7386
• TDA7388
|
Система защиты |
Описание |
|
Защита напряжения нагрузки нагрузку |
Защищает IC от пиков напряжения во время нагрузки
событие. |
|
Обратите вспять защита аккумулятора |
Предотвращает повреждение IC, если полярность аккумулятора
перевернулся. |
|
Выходная защита коротких замыканий постоянного тока |
Обеспечивает низкий поток тока в случае короткого до земли
(GND) или VCC. |
|
Выходная защита короткого замыкания переменного тока |
Защищает IC, когда короткий концерт происходит по всей нагрузке. |
|
Молчаливый включен/выключен |
Избегать звуковых всплесков во время включения в электроснабжение
цикл. |
|
Тепловое отключение |
Автоматически отключает IC, чтобы предотвратить перегрев. |
|
Индуктивная защита нагрузки |
Обеспечивает защиту при вождении очень индуктивной
докладчики. |
|
Открытая земля защита |
Гарантировать IC от случайного отключения
земля (GND). |
|
Электростатический разряд (ESD) защита |
Защищает IC от повреждения из -за электростатического
разряды. |
|
Система защиты |
Описание |
|
Выходная защита AC/DC коротких замыканий |
- к GND (землю) |
|
- до VS (напряжение питания) |
|
|
- По всему грузу |
|
|
Мягкий шорт при включении |
Обеспечивает защиту от мягких шорт во время питания. |
|
Переопределение температуры чипа с помощью мягкого термического ограничителя |
Мониторирует температуру чипа, чтобы предотвратить перегрев. |
|
Гарантия от случайного открытого GND |
Защищает усилитель в случаях случайного открытого земли
соединения. |
|
Обратите вспять защита аккумулятора |
Обеспечивает безопасную работу, даже если аккумулятор
Непреднамеренно подключен в обратном направлении. |
|
Защита от электростатического разряда (ESD)
|
Охранники от повреждения от электростатических разрядов. |
Пожалуйста, отправьте запрос, мы ответим немедленно.
TDA7377 идеально подходит для приложений, требующих более низких выходных сигналов и меньше аудиоканалов, что делает его подходящим для более простых настройки.В отличие от этого, TDA7388 предназначен для более высоких потребностей в мощности и поддерживает многоканальные конфигурации, часто превосходящие в передовых автомобильных аудиосистемах.При выборе между ними рассмотрите конкретные потребности в аудио -выводе, доступное пространство и тепловые ограничения.Практическое тестирование и анализ предполагаемого использования могут помочь достичь лучшей ясности и производительности звука.
TDA7379 представляет собой двойной/квадроцикл Усилитель мощности, обычно используемый в автомобильных радиостанциях.Он обеспечивает выходную мощность 2x30 Вт.
TDA7379-это усилитель мощности, предназначенный для высокопроизводительных аудио-приложений.
TDA7379 работает на источнике питания в диапазоне от 8 до 20 вольт постоянного тока или трансформатора с входным диапазоном от 6 до 15 вольт.
на 2024/11/29
на 2024/11/29
на 8000/04/18 147758
на 2000/04/18 111958
на 1600/04/18 111349
на 0400/04/18 83726
на 1970/01/1 79510
на 1970/01/1 66929
на 1970/01/1 63078
на 1970/01/1 63019
на 1970/01/1 54086
на 1970/01/1 52155