
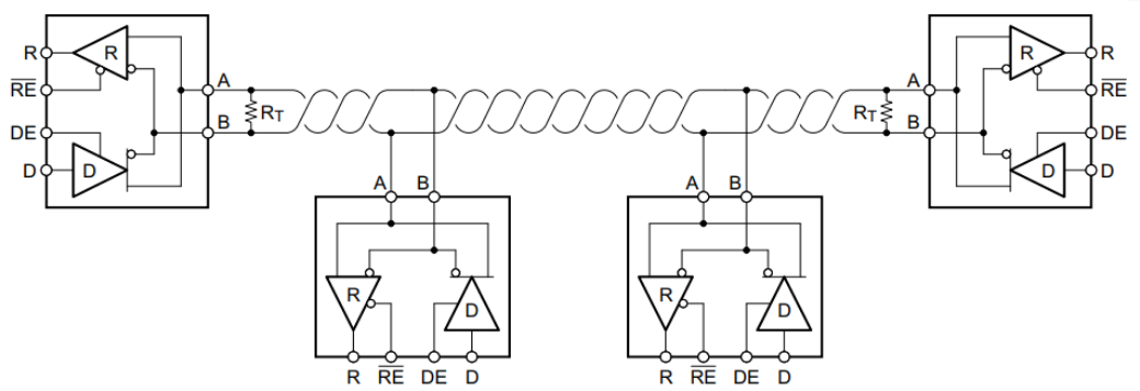
А SN65HVD1781DR Приемопередатчик создан для стабильной связи в настройках, где надежность является ключевой.Он функционирует как полумуплексный трансивер RS-485 с гибкими скоростями передачи данных-115 кбит / с, 1 Мбит / с и 10 Мбит / с, что делает его подходящим для различных применений.Его широкий общий диапазон поддерживает стабильность сигнала, даже с различиями в уровнях земли, что позволяет ему справляться с подключениями к дальним расстояниям или шумными средами.Со встроенной защитой на автобусах до 70 В, он хорошо защищен от электрических разломов.Как его драйвер, так и приемник могут быть отключены, чтобы минимизировать резервный ток, сохраняя энергию в настройках с низкой мощью.



Приемопередатчик SN65HVD1781DR включает защиту от неисправностей на шине, которая может выдержать до ± 70 В. Эта функция обеспечивает дополнительную долговечность, поддерживая устройство от внезапных роскошных сил, что делает его идеальным для требовательных сред.
Работая в пределах диапазона питания от 3,3 до 5 В, SN65HVD1781DR легко адаптируется к различным условиям питания, что позволяет эффективно работать в разных системах без необходимости дополнительных корректировок.
При защите ± 16 кВ HBM (модель тела человека) на булавках шины устройство сопротивляется электростатическому разряду, помогая предотвратить повреждение во время обработки или в средах, подверженных статическим.
Разработанный для эффективности, этот трансивер работает с минимальной мощностью.Его резервный ток может составлять до 1 мкА, что полезно для применений, где сохранение мощности является приоритетом.
SN65HVD1781DR совместим с SN75176, что облегчает интеграцию в существующие системы, которые используют этот популярный трансивер без необходимости редизайн.
При поддержке скорости сигналов 115 кбит / с, 1 Мбит / с и до 10 Мбит / с, этот трансивер может адаптироваться как к низкоскоростным, так и к высокоскоростным требованиям связи, охватывая широкий спектр приложений.
Этот приемопередатчик имеет сборный приемник, который поддерживает стабильный выход, когда есть разомкнутая цепь, короткая замыкания или простоя.Эта функция обеспечивает надежную работу даже в необычных условиях сети, предотвращая системные ошибки.
Для тех, кто хочет адаптировать трансивер к конкретным требованиям, Power Designer Ti Webench® предлагает пользовательские варианты проектирования, что облегчает интеграцию SN65HVD1781DR в специализированные приложения.

| Параметр | Описание | Мин | Номинальный | Максимум | ЕДИНИЦА |
| Венчурной | Напряжение снабжения | 3.15 | 5 | 5.5 | V. |
| VI | Входное напряжение на любом автобусном терминале (отдельно или общий режим) | -7 | 12 | V. | |
| VIH | Входное напряжение высокого уровня (драйвер, включение драйвера и входы приемника) | 2 | Венчурной | V. | |
| Виль | Низкоуровневое входное напряжение (драйвер, включение драйвера и приемник включает входы) | 0 | 0,8 | V. | |
| Видео | Дифференциальное входное напряжение | -12 | 12 | V. | |
| Io | Выходной ток, драйвер | -60 | 60 | магистр | |
| Ior | Выходной ток, приемник | -8 | 8 | магистр | |
| Рит | Дифференциальная нагрузка сопротивления | 54 | 60 | Ω | |
| Калькуляция | Дифференциальная нагрузка емкость | 50 | пф | ||
| 1/tui | Скорость сигнализации | ||||
| SN65HVD1780 | 115 | кбитч | |||
| SN65HVD1781 | 1 | Мбит / с | |||
| SN65HVD1782 | 10 | Мбит / с | |||
| ТА | Эксплуатационная температура свободного воздуха | -40 | ° C. | ||
| 5-v Supply | -40 |
105 | ° C. | ||
| 3,3-V предложение | -40 | 125 | ° C. | ||
| TJ. | Температура соединения | -40 | 150 | ° C. |
| Номер части | Описание | Производитель |
| SN65HVD1781DR | Защита от разлома 70 В RS-485 с -20 до +25 Common Mode 8-Soic -40 до 105 | Техасские инструменты |
| ISL32435EIBZ | ± 40 В, защищенная от 3,3 В до 5 В, ± 15 В CMR, 1 Мбит/с полудуплексного RS-485/RS-422, ± 15 кВ;MSOP8, SOIC8;Диапазон температуры: от -40 ° до 85 ° C | Intersil Corporation |
| ISL32435EIUZ | ± 40 В. | Renesas Electronics Corporation |
| SN65HVD1786D | Защита от разлома 70 В RS-485 с -20 до +25 Common Mode 8-Soic -40 до 105 | Техасские инструменты |
| ILX3485DT | Приемопередатчик | Iksemicon Co Ltd |
| ISL32435EIBZ-T7 | Приемопередатчик | Intersil Corporation |
| ISL32435EIUZ-T | ± 40 В, защищенная от 3,3 В до 5 В, ± 15 В CMR, 1 Мбит/с полудуплексного RS-485/RS-422, ± 15 кВ;MSOP8, SOIC8;Диапазон температуры: от -40 ° до 85 ° C | Intersil Corporation |
| ILX3485D | Приемопередатчик | Iksemicon Co Ltd |
| ISL32435EIBZ-T7A | ± 40 В, защищенная от 3,3 В до 5 В, ± 15 В CMR, 1 Мбит/с полудуплексного RS-485/RS-422, ± 15 кВ;MSOP8, SOIC8;Диапазон температуры: от -40 ° до 85 ° C | Intersil Corporation |
| SN65HVD1781D | 70-В. | Техасские инструменты |
Технические характеристики, характеристики, характеристики и компоненты с сопоставимыми спецификациями Texas Instruments SN65HVD1781DR
| Тип | Параметр |
| Статус жизненного цикла | Активный (последний обновлен: 1 день назад) |
| Время выполнения завода | 6 недель |
| Устанавливать | Поверхностное крепление |
| Монтажный тип | Поверхностное крепление |
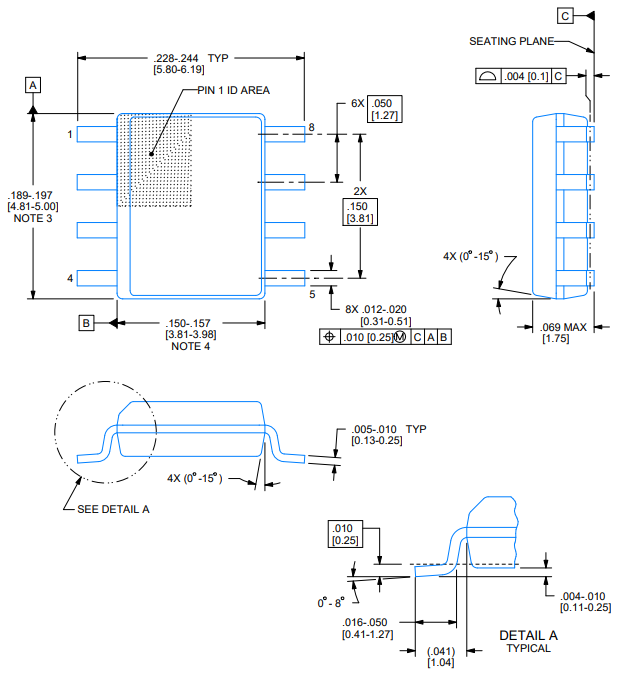
| Пакет / корпус | 8 SOIC (0,154, ширина 3,90 мм) |
| Количество булавок | 8 |
| Масса | 75,891673 мг |
| Рабочая температура | -40 ° C ~ 125 ° C. |
| Упаковка | Лента и катушка (TR) |
| Код JESD-609 | E4 |
| PBFREE CODE | Да |
| Статус частично | Активный |
| Уровень чувствительности влаги (MSL) | 1 (неограниченный) |
| Количество терминаций | 8 |
| Код ECCN | Ear99 |
| Тип | Трансивер |
| Терминальная отделка | Никель/палладий/золото (Ni/pd/au) |
| Максимальная диссипация власти | 905 МВт |
| Напряжение - поставка | 3,15 В ~ 5,5 В. |
| Терминальная позиция | Двойной |
| Терминальная форма | Крыло Печата |
| Пиковая температура отвоз (CEL) | 260 |
| Количество функций | 1 |
| Напряжение снабжения | 5 В |
| Время@Пиковой температуру (я) | НЕ УКАЗАН |
| Базовый номер детали | 65HVD1781 |
| Подсчет штифтов | 8 |
| Квалификационный статус | Не квалифицирован |
| Выходное напряжение | 2,75 В. |
| Операционное напряжение питания | 5 В |
| Интерфейс | RS-422, RS-485 |
| Эксплуатационный ток снабжения | 6ma |
| Номинальный ток снабжения | 6ma |
| Задержка распространения | 200 нс |
| Скорость передачи данных | 1 Мбит / с |
| Выходные характеристики | Дифференциал |
| Дифференциальный выход | ДА |
| Выходная полярность | Дифференциал |
| Протокол | RS422, RS485 |
| Входные характеристики | Дифференциальный триггер Шмитта |
| Количество водителей/приемников | 1/1 |
| Количество битов водителя | 1 |
| Номер приемника | 1 |
| Дуплекс | Половина |
| Приемник гистерезис | 50 мВ |
| Количество трансиверов | 1 |
| Simplex/duplex | Половина дуплекса |
| Поставка напряжения1-нома | 5 В |
| Максимальная температура соединения (TJ) | 150 ° C. |
| Диапазон температуры окружающей среды высокий | 125 ° C. |
| Высота | 1,75 мм |
| Длина | 4,9 мм |
| Ширина | 3,91 мм |
| Толщина | 1,58 мм |
| Достичь SVHC | Нет SVHC |
| Статус ROHS | ROHS3 соответствует |
| Свободно привести | Свободно привести |
| 4. | ROHS3 соответствует |
| Свободно привести | Свободно привести |
В системах HVAC (отопление, вентиляция и кондиционирование воздуха) приемопередатчик SN65HVD1781DR обеспечивает надежную связь между контроллерами и датчиками.Он обрабатывает температуру, воздушный поток и другие данные окружающей среды, поддерживая плавную работу в этих сетях.
Для систем безопасности этот трансивер облегчает передачу данных между такими устройствами, как камеры, аварийные сигналы и панели управления.Его долговечность и устойчивость к электрическому шуму обеспечивают непрерывный мониторинг даже в сложных условиях.
Приемопередатчик SN65HVD1781DR используется для автоматизации здания для освещения, контроля доступа и управления энергией.Это обеспечивает плавное взаимодействие между различными устройствами, помогая системам работать беспрепятственно и снижать общее использование энергии.
Этот трансивер играет роль в телекоммуникационном оборудовании, поддерживая высокоскоростную передачу данных по сетевым линиям.Его сильная защита от неисправностей гарантирует, что передача данных остается устойчивой, даже во время неожиданных нарушений электричества.
В системах управления движением, используемых в промышленной автоматизации, приемопередатчик SN65HVD1781DR помогает управлять точными движениями и позиционированием.Его стабильность и скорость делают его идеальным для обработки обмена данными, необходимым в таких приложениях.
Для промышленных сетей SN65HVD1781DR обеспечивает безопасное обмен данными между машинами и системами управления.Его надежный дизайн выдерживает требовательную среду, типичную для промышленных условий, обеспечивая постоянную производительность и эффективную связь по всей сети.


Texas Instruments (TI) является основным поставщиком полупроводников и интегрированных цепей, поддерживая широкий спектр электронных конструкций по всему миру.Сосредоточенный на аналоговой и встроенной обработке, TI поставляет надежные высокопроизводительные продукты в отрасли от промышленности до личной электроники.Известный своими инновациями, TI имеет большой патентный портфель и остается лидером в разработке технологий, которая позволяет инженерам создавать эффективные и передовые системы.
| Номер части | Производитель | Пакет / корпус | Количество булавок | Интерфейс | Количество битов водителя | Номер приемника | Скорость передачи данных | Приемник гистерезис | Simplex/duplex | Напряжение снабжения |
| SN65HVD1781DR | Техасские инструменты | 8 SOIC (0,154, ширина 3,90 мм) | 8 | RS-422, RS-485 | 1 | 1 | 1 Мбит / с | 50 мВ | Половина дуплекса | 5 В |
| SN75HVD08DR | Техасские инструменты | 8 SOIC (0,154, ширина 3,90 мм) | 8 | RS-485 | 1 | 1 | 10 Мбит / с | 35 мВ | Половина дуплекса | 5 В |
| SN65HVD07d | Техасские инструменты | 8 SOIC (0,154, ширина 3,90 мм) | 8 | RS-485 | 1 | 1 | 1 Мбит / с | 35 мВ | Половина дуплекса | 5 В |
| SN65HVD3085EDR | Техасские инструменты | 8 SOIC (0,154, ширина 3,90 мм) | 8 | RS-485 | 1 | 1 | 250 кбит / с | 70 мВ | Половина дуплекса | 5 В |
| ADM483EARZ-REEL | Analog Devices Inc. | 8 SOIC (0,154, ширина 3,90 мм) | 8 | RS-485 | 1 | 1 | 1 Мбит / с | 30 мВ | Половина дуплекса | 5 В |
Пожалуйста, отправьте запрос, мы ответим немедленно.
SN65HVD1781DR представляет собой приемопередатчик RS-485 с полумуплексом, предназначенный для надежная передача данных на трех выбираемых скоростях: 115 кбит / с, 1 Мбит / с, и 10 Мбит / с.Его широкий общий диапазон рабочих данных позволяет стабильно связь в средах с различиями в напряжении между соединения.Кроме того, он предлагает защиту от неисправностей на автобусах до 70 V, обеспечение устойчивости к электрическим скачкам.С активным драйвер и активный приемник, он может войти в режим ожидания, уменьшая Вспомогательный ток до менее чем 1 мкА для эффективности экономии энергии.
Этот трансивер эффективно работает по широкой температуре диапазон от -40 ° C до 125 ° C, что делает его хорошо подходящим для различных Приложения, в том числе в условиях экстремальной температуры.
SN65HVD1781DR доступен в 8 SOIC (0,154 дюйма, 3,90 мм Ширина), предлагая компактный размер, подходящий для ограниченного пространства Проекты при сохранении простоты интеграции.
Устройство имеет в общей сложности 8 контактов, обеспечивая необходимые Соединения для эффективной передачи данных RS-485 в режиме полудуплекса.
на 2024/11/1
на 2024/11/1
на 8000/04/18 147758
на 2000/04/18 111960
на 1600/04/18 111351
на 0400/04/18 83727
на 1970/01/1 79513
на 1970/01/1 66930
на 1970/01/1 63078
на 1970/01/1 63019
на 1970/01/1 54086
на 1970/01/1 52160