
Типичный однозначный 7-сегментный дисплей имеет 10 контактов.Каждый вывод контролирует конкретный сегмент, за исключением двух контактов, которые действуют как общие терминалы для власти.Например, контакт 1 подключается к сегменту «e» (внизу слева), в то время как вывод 2 управляет сегментом «d» (внизу).Контакты 3 и 8 являются общими терминалами либо все, подключенные к земле (общий катод) или мощность (общий анод).Остальные булавки освещают сегменты «C», «B», «A», «F», «G» и десятичная точка.

Рисунок 2. Конфигурация выпуска вывода 7-сегмента.
| PIN -код | Название вывода | Описание |
| 1 | эн | Управляет светодиодом левого нижнего нижнего дисплея 7-сегмента |
| 2 | дюймовый | Управляет наиболее светодиодом 7-сегментного дисплея |
| 3 | Компонент | Подключено к земле/VCC на основе типа дисплея |
| 4 | в | Управляет правым нижним светодиодом 7-сегмента дисплея |
| 5 | Дп | Управляет светодиодом десятичной точки 7-сегмента дисплея |
| 6 | беременный | Управляет верхним правым светодиодом 7-сегмента дисплея |
| 7 | а | Управляет наиболее светодиодом 7-сегмента дисплея |
| 8 | Компонент | Подключено к земле/VCC на основе типа дисплея |
| 9 | фон | Управляет верхним левым светодиодом 7-сегмента дисплея |
| 10 | глин | Управляет средним светодиодом 7-сегмента дисплея |
• Структура сегмента: 7-сегментный дисплей включает в себя семь легких стержней, расположенных для формирования чисел, напоминающих форму «8.»Эти сегменты помечены «А» через «G», с дополнительным восьмым сегментом, десятичной точкой (DP), обычно расположенной в правом нижнем углу.Объединяя эти сегменты в разных шаблонах, дисплей может представлять цифры 0–9 и несколько простых букв, таких как A - F.Этот простой макет делает его идеальным для числовых дисплеев из -за простоты использования.
• Технология отображения: Эти дисплеи обычно используют светодиоды, где каждый сегмент загорается, когда электрический ток протекает через него.Светодиодные модели яркие, энергоэффективные и видимы в различных условиях освещения.В некоторых версиях используется ЖК-технология, которая потребляет меньше мощности и хорошо подходит для устройств с батарейным питанием, хотя ЖК-дисплеев, как правило, чуднее и менее заметны в ярких настройках.
• Типы конфигурации: Существуют два основных метода проводки: общий катод (CC) и общий анод (CA).На дисплеях CC все отрицательные клеммы соединены вместе, а сегменты активируются путем обеспечения положительного напряжения.На дисплеях CA все положительные терминалы соединены, а сегменты включаются путем заземления отдельных катодов.Выбор зависит от конструкции схемы и того, как дисплей приводится.
• Представление персонажа : Несмотря на то, что в основном предназначены для чисел, эти дисплеи также могут показывать ограниченный диапазон букв, особенно A до F, который полезен для шестнадцатеричных выходов.Из -за наличия только семи сегментов они не могут точно сформировать большинство букв или сложных символов, но их достаточно для основных буквенно -цифровых потребностей.
• Управление и взаимодействие: Каждый сегмент может быть включен или выключен по отдельности, часто контролируемый микроконтроллером GPIO.Чтобы упростить управление, декодеры/драйверы IC, такие как 7447 или CD4511, могут преобразовать двоичные входы в соответствующие комбинации сегментов, уменьшая количество необходимых соединений.
• Преимущества: Их основные силы включают низкую стоимость, простоту контроля и читаемость.Типы светодиодов яркие и долговечные, в то время как ЖК -варианты сохраняют мощность.Эти черты делают их популярными для многих электронных устройств, особенно там, где достаточно простого численного вывода.
• Ограничения: Самый большой недостаток - ограниченный набор символов, они не могут отображать полный текст или сложную графику.Светодиодные модели могут иметь узкие углы просмотра, в то время как ЖК -дисплей могут бороться с видимостью в ярком свете.Эти ограничения следует учитывать при выборе типа дисплея для проекта.
|
Отображать
Тип |
Описание |
Преимущества |
Ограничения |
|
7-сегментные дисплеи |
Семь светодиодных сегментов для цифр
и несколько персонажей. |
Очень прост в использовании |
Только отображает цифры и ограниченные символы |
|
Dot Matrix отображает |
Сетка светодиодов (например, 5x7 или 8x8), образуя настраиваемое
персонажи и анимация. |
Недорогой и широко доступный |
Не подходит для текста или графики |
|
Низкое энергопотребление |
Более сложный для программы |
||
|
Используется в вывесках, часах и т. Д. |
|||
|
Буквенно -цифровые ЖКД |
Преформатированные ЖКД (например, 16x2, 20x4), показывающие ряды
Символы фиксированного размера (обычно 5x8 точечный формат). |
Простой интерфейс (стандартные протоколы) |
Символы фиксированного размера |
|
Отлично подходит для меню/статус дисплеев |
Ограниченные графические возможности |
||
|
Читается в различных освещениях |
Более медленное обновление, чем графические дисплеи |
||
|
OLED -экраны |
Самоуправление дисплеи с высоким контрастом;Доступно в
монохромный или полный цвет. |
Высокий контрастный и широкий обзор |
Более высокая стоимость |
|
Тонкий и легкий |
Более короткая продолжительность жизни (особенно синие пиксели) |
||
|
Низкая мощность при демонстрации темного содержания |
Нужно больше памяти и обработки |
||
|
ТФТ -экраны |
Полноцветные ЖКБ с высоким разрешением с активной матрицей,
часто с поддержкой. |
Богатый цвет и детали |
Высокое энергопотребление |
|
Может включать в себя прикосновение |
Требуется больше оперативной памяти/обработки |
||
|
Идеально подходит для видео, GUI, мониторинга |
Дорогое и сложное для интеграции |
Работа 7-сегмента дисплея основана на прямом направлении, смещении световых излучающих диодов (светодиодов) внутри каждого сегмента.Когда напряжение применяется в правильном направлении, от анода до катода, сегмент загорается.Каждый сегмент может контролироваться независимо, обычно через цифровые выводы микроконтроллера или специализированный IC -драйвер дисплея.Эти контроллеры определяют, какие сегменты активируются в любой момент времени на основе желаемого характера.
Чтобы предотвратить повреждение светодиодов от чрезмерного тока, резистор, ограничивающий ток, подключен последовательно с каждым сегментом.Этот резистор гарантирует, что ток, протекающий через каждый светодиод, останется в безопасном диапазоне, который обычно составляет от 20 до 30 миллиамперов (MA).Однако точное значение может варьироваться в зависимости от типа используемого светодиода и требуемой яркости.Есть два основных режима эксплуатации для 7-сегментных дисплеев:
1. Статический режим: В этом режиме каждая цифра и соответствующие сегменты включаются непрерывно.Эта настройка требует отдельной линии управления для каждого сегмента каждой цифры, которая может стать неэффективной, если используется много цифр.Тем не менее, он предлагает простоту и постоянную яркость.
2. Мультиплексированный режим : Чтобы уменьшить количество линий управления и энергопотребления, дисплеи часто запускаются в мультиплексированном режиме.В этом режиме только одна цифра освещается за раз, но система быстро переключается между цифрами на достаточно высокой скорости, чтобы воспринимать все цифры как непрерывно освещенные.Это переключение часто обрабатывается с использованием таймеров микроконтроллера или регистров переключения, которые позволяют точно использовать время и управление.

Рисунок 3. Отображение сегмента на 7-сегментом светодиодном дисплее
Рисунок выше иллюстрирует структуру и маркировку 7-сегмента дисплея.Он показывает прямоугольное расположение семи сегментов (A, B, C, D, E, F и G) в десяти различных видах дисплея.На каждом изображении разные сегменты затенены зелеными, чтобы представлять их активацию.Это помогает визуализировать, как каждый отдельный сегмент способствует формированию цифр.Фигура систематически подчеркивает различные комбинации, помогая понять, как включение конкретных сегментов создает узнаваемые символы.
Чтобы показать цифру, микроконтроллер отправляет двоичный код, который включает правильную комбинацию сегментов.Например, для отображения «0», сегменты A, B, C, D, E и F включены, и G выключен.Для общего катодного дисплея это двоичный 0B001111111111 (или 0x3f в HEX).Для общего анода логика инвертирована 0b11000000 (0xc0).Код должен соответствовать типу дисплея, иначе неверные сегменты будут освещены.Использование таблиц бинарного поиска сохраняет время обработки и обеспечивает быстрые, точные обновления, особенно в динамических приложениях, таких как счетчики или таймеры.
Таблица ниже показывает, как номера появляются на 7-сегментом дисплее с общей конфигурацией анода:
|
Число |
G F E D C B A |
Шестнадцатеричный код |
|
0 |
1000000 |
C0 |
|
1 |
1111001 |
F9 |
|
2 |
0100100 |
A4 |
|
3 |
0110000 |
B0 |
|
4 |
0011001 |
99 |
|
5 |
0010010 |
92 |
|
6 |
0000010 |
82 |
|
7 |
1111000 |
F8 |
|
8 |
0000000 |
80 |
|
9 |
0010000 |
90 |
В таблице ниже отображаются цифры, так как они отображаются на 7-сегментом дисплеи с использованием общей конфигурации катода:
|
Число |
G F E D C B A |
Шестнадцатеричный код |
|
0 |
0111111 |
3F |
|
1 |
0000110 |
06 |
|
2 |
1011011 |
5b |
|
3 |
1001111 |
4F |
|
4 |
1100110 |
66 |
|
5 |
1101101 |
6d |
|
6 |
1111101 |
7d |
|
7 |
0000111 |
07 |
|
8 |
1111111 |
7f |
|
9 |
1001111 |
4F |
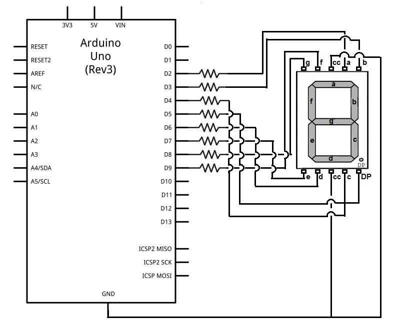
В этой настройке каждый сегмент двухзначного 7-сегмента дисплея подключен к Arduino UNO через резистор с ограниченным током (обычно от 220 Ом до 330 Ом).Сегменты, помеченные от A до G (и необязательная десятичная точка DP), подключены параллельно обеими цифрами и подключены к цифровым контактам D2 до D9 на Arduino.Например, сегмент «A» подключен к D2, «B» к D3 и т. Д.Каждая цифра имеет свой собственный общий катодный контакт (CC), который контролирует, включена ли эта цифра.Эти общие булавки связаны с Arduino Pins D10 и D11 и используются для мультиплексирования: только одна цифра активируется за раз, но переключение между ними достаточно быстро (обычно> 50 Гц) делает обе цифры одновременно.Используйте DigitalWrite (), чтобы контролировать, какие сегменты включены, а какие цифры активны.Таблица поиска в номерах карт вашего эскиза (0–9) для соответствующих комбинаций сегментов.Чтобы эффективно обрабатывать несколько цифр, используйте мультиплексирование в вашем коде или библиотеку, которая поддерживает его.Это уменьшает количество необходимых контактов ввода/вывода Arduino, включив динамические обновления дисплея.

Рисунок 4. 7 Схема отображения сегмента с Arduino
На общем катодном (CC) 7-сегментом дисплее все катодные клеммы отдельных светодиодов, которые образуют сегменты дисплея, внутренне подключены и направляются с одним или несколькими внешними общими катодными контактами.Эти общие катодные штифты обычно подключены к земле (GND) в цепи.Каждый из отдельных сегментов, помеченных от «a» через «G», а также необязательную десятичную точку (DP), имеет свой собственный анодный вывод, который контролируется независимо.
Чтобы осветить конкретный сегмент на этом типе дисплея, высокое напряжение (обычно +5 В или +3,3 В, в зависимости от системы) должно быть применено к соответствующему штифту анода.Поскольку катоды заземлены, ток будет течь от анода к катоду, позволяя освещению светодиодного сегмента.Использование общего катода упрощает взаимодействие с микроконтроллерами, так как контроллер может активно поставлять ток в отдельные штифты сегмента, а не тонут его.
Эта конфигурация популярна в проектах по электронике для начинающих из -за своей простой логики проводки и программирования.Это позволяет создавать числовые или ограниченные алфавитные символы, объединяя различные сегменты.Например, чтобы отобразить число «2», сегменты A, B, D, E и G включены.Микроконтроллер активирует каждый сегмент, устанавливая высокий уровень соответствующего штифта.
Тем не менее, при попытке отображать персонажей, таких как «8», возникает рассмотрение, которые требуют, чтобы все семь сегментов были одновременно.Каждый светодиодный сегмент привлекает определенное количество тока (обычно около 10-20 млн. Лет), а освещение всех сегментов может составлять до 140 мА или более.Большинство контактов ввода/вывода микроконтроллера не предназначены для одновременного поиска такого большого общего тока на нескольких булавках.Если нарисовано слишком много тока, он может повредить микроконтроллер или привести к неисправности.Чтобы смягчить это, многие используют внешние водители ICS (например, ULN2003A), транзисторные массивы или резисторы, ограничивающие ток, чтобы безопасно обрабатывать нагрузку без перегрузки микроконтроллера.

Рисунок 5. Обычная схема отображения катода 7 сегмента
На рисунке показана внутренняя и внешняя проводка общего катода 7-сегмента.Дисплей помечен сегментами A до G и десятичной точкой (DP).Каждый сегмент подключен к символу диода (от D1 до D8), представляющий отдельные светодиодные сегменты.Все катоды соединены вместе и связаны с землей, что указывает на общую конфигурацию катода.Применение высокого сигнала к аноду любого сегмента позволяет току проходить через сегмент, освещая его.
На общем аноде (CA) 7-сегментный дисплей все терминалы анодных сегментов внутренне соединены вместе и выводятся к общему выводу, помеченному как общий анод (CA).Этот общий вывод подключен к положительному подаче напряжения, часто +5 В.Каждый отдельный сегмент дисплея, помеченный A -G -G (с необязательной десятичной точкой, помеченной DP), имеет свой катод, подвергаемый воздействию для внешнего соединения и управления.
Чтобы осветить конкретный сегмент, его катод должен быть подключен к земле (низким), в то время как общий анод остается при +5 В (высокий).Это подразумевает, что логика для управления сегментами инвертируется в отличие от общего катодного дисплея, где сегменты включаются с высоким сигналом, на общем дисплее анод они включаются с низким сигналом.В результате ваш код управления должен инвертировать двоичный шаблон, используемый для общего катодного дисплея.Например, шаблон, который освещает цифру «0» на общем катодном дисплее, может использовать шестнадцатеричное значение, например 0x3f;Тот же шаблон для общего анодного отображения будет 0xc0, который является обратным.
Микроконтроллеры, которые способны к току, (т. Е. Потягивание выходного штифта на землю) лучше подходят для вождения CA -дисплеев, поскольку они могут эффективно завершить цепь для любого сегмента, который необходимо включить.Эти дисплеи также выгодны в системах, где другие компоненты работают с логикой активного низкого уровня, например, при использовании транзисторов NPN или определенных типов логических ворот.Тем не менее, вы должны убедиться, что прошивка или логика драйверов правильно настроены для учета этого инвертированного поведения, чтобы избежать ошибок отображения.

Рисунок 6. Общий анод 7-сегмент схема отображения
Фигура состоит из двух частей.Слева имеется диаграмма общего анода 7-сегмента отображения, показывающего внутренние метки сегмента (от G, G и DP), и как они расположены для формирования цифр.Один общий анодный штифт отображается вверху.Справа упрощенная схема схемы иллюстрирует, как каждый сегмент (от A до G, DP) подключен к соответствующему диоду (D1 до D8), со всеми анодами, связанными с общим высоким напряжением (CA).Каждый катод может контролироваться индивидуально заземляющимся для включения соответствующего сегмента.

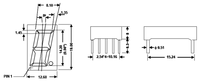
Рисунок 7. 7-сегмент.
Приведенная выше диаграмма иллюстрирует стандартные размеры для 7-сегмента дисплея в формате двойного встроенного пакета (DIP), обычно используемого для установки печатной платы.Дисплей высотой 19,00 мм от основания наверх, с цифрами, размером 14,20 мм (0,56 дюйма) высотой, широко используемый размер, который обеспечивает хорошую видимость как в внутреннем, так и в наружных настройках.Сегменты наклонены внутрь при 8 °, что повышает читаемость с точки зрения накладных расходов.
Корпус дисплея имеет ширину около 12,60 мм и имеет толщину, оптимизированную для стандартных макетов печатной платы.Расстояние между контактами следует за обычным шагом 2,54 мм, причем каждый строк содержит четыре булавки и размером 10,16 мм в общей длине.Ряды расположены на расстоянии 15,24 мм друг от друга.Каждый штифт имеет диаметр 0,51 мм, совместимый со стандартными гнездами или размерами сквозной отверстия.Противостояние между поверхностью печатной платы и базой дисплея колеблется от 6,3 мм до 8,0 мм, что обеспечивает достаточное разрешение для пайки и воздушного потока.
Чтобы выбрать правильный 7-сегмент дисплея, начните с решения правильного размера.Меньшие работают хорошо для портативных устройств, в то время как более крупные улучшают читабельность в счетчиках или общественных дисплеях.Далее подумайте о цвете.Красные светодиоды распространены, потому что они энергоэффективны и нуждаются в более низком напряжении.Другие цвета, такие как зеленый или синий, используют больше мощности и требуют более высокого напряжения.
Вам также необходимо сопоставить тип дисплея (общий анод или общий катод) с вашей схемой.Например, если ваш микроконтроллер может подавать ток (источник), общий катодный дисплей лучше подходит.Если он может только тонуть ток, перейдите с общим анодом.Всегда проверяйте таблицу данных на предмет текущих рейтингов, яркости и назначений PIN -кода.Это гарантирует, что ваш дисплей работает, как и ожидалось, и избегает ущерба от неправильных напряжений или токов.
Одним из наиболее распространенных видов использования 7-сегментных дисплеев является цифровые часы и наручные часы.Эти дисплеи идеально подходят для демонстрации времени в часах, минутах и секундах из -за их ясности и простоты.Будь то будильник на тумбочке или на стену офисных часов, 7-сегментные дисплеи обеспечивают быстрый и простой способ прочитать время на расстоянии.Их яркое освещение также делает их видимыми в низкой или темной среде.
Как в домашних, так и в медицинских средах цифровые термометры часто используют 7-сегментные дисплеи для демонстрации показаний температуры.Они используются в термометрах для погодных условий в помещении/на открытом воздухе, термометрах тела и систем HVAC.Поскольку им нужно только отображать числа, обычно две или три цифры, 7-сегментные дисплеи идеально подходят, предлагая быстрый, простой для чтения выход, не требуя полного графического дисплея.
7-сегментные дисплеи являются стандартной функцией в цифровых вольтметрах и мультиметрах, которые являются инструментами, используемыми для измерения напряжения, тока и сопротивления.Эти дисплеи позволяют мгновенно видеть точные численные показания.Их быстрое время и разборчивость делают их хорошо для тестирования электроники и устранения неполадок.
На газовых станциях топливные дозаторы используют большие, надежные 7-сегментные дисплеи, чтобы показать количество распределенного топлива, стоимость за галлон/литр и общую стоимость.Их способность оставаться читаемым в солнечном свете и суровых условиях на открытом воздухе делает их идеальными для этой среды.Они также прочные и долговечные, что снижает потребности в техническом обслуживании.
Многие кухонные приборы, особенно микроволновые печи, используют 7-сегментные дисплеи, чтобы показать время приготовления, обратные отсчета или настройки питания.Дисплей интуитивно понятный и прост в интерпретации, даже вы не будете технологически склонны.Поскольку они требуют минимальной мощности и места, они являются экономически эффективными решениями для производителей приборов.
Как домашние весы, так и системы взвешивания промышленного уровня используют 7-сегментные дисплеи для представления значений веса.Эти дисплеи часто выбираются для их надежности и читаемости.В промышленных контекстах дисплеи могут быть достаточно большими, чтобы их можно было увидеть на расстоянии на складах или производственных этажах.
В профессиональных условиях 7-сегментные дисплеи часто встречаются на приборах измерения, расходных материалах и системах мониторинга.Они используются, чтобы показать ключевые цифровые данные, такие как частота, давление, напряжение или время работы.Эти дисплеи предлагают долговечность, точность и простоту интеграции в панельные системы.
Во многих встроенных приложениях, где требуются только числа, такие как счетчики, таймеры, баллы или базовые диагностические инструменты, 7-сегментные дисплеи предлагают недорогую альтернативу более сложным графическим интерфейсам.Они потребляют небольшую мощность и легко программируют, что делает их подходящими для систем с батарейным батарейным батарейным батарейным батарейным батарейным батарейным батарейным аккумулем или с ограниченными ресурсами.
Один простой способ управления 7-сегментным дисплеем-поставить резистор перед каждым сегментом.Это помогает защитить крошечные огни внутри дисплея, называемые светодиодами, от получения слишком большого количества электричества.Слишком много тока может сделать светодиоды перегреться или перестать работать.Эти резисторы также помогают поддерживать уровень освещения даже во всех сегментах.Значение каждого резистора обычно составляет между 220 Ом (ω) до 470 Ом (ω).Точное число зависит от двух вещей: напряжение питания и то, насколько ярким вы хотите, чтобы дисплей был.Например, если вы используете 5-вольтовый источник питания, и каждый сегмент использует около 2 вольт, то резистор 150 Ом пропустит около 20 миллиампер с тока.Это хорошее количество тока, чтобы сделать дисплей достаточно ярким, но все же безопасным для светодиодов.
Если вы используете большие резисторы, меньше тока будет течь, а дисплей будет выглядеть тускне.Но это может помочь светодиодам длиться дольше и использовать меньше энергии.Если вы используете меньшие резисторы, больше текущих потоков, а дисплей выглядит ярче, но он может изнашиваться быстрее и становиться горячим.В более продвинутых настройках, например, когда один резистор распределяется между несколькими сегментами (называемым мультиплексированием), яркости может выглядеть неровной.Это потому, что разные сегменты могут наносить различные количества тока.В этих случаях лучше использовать один резистор для каждого сегмента или использовать специальные чипы, которые автоматически управляют током.Эти методы делают дисплей лучше выглядеть и работать более надежно.

Рисунок 8. Основная диаграмма отображения на основе резистора на основе резистора
Рисунок иллюстрирует основную схему схемы для управления одним 7-сегментным светодиодным дисплеем с использованием отдельных резисторов для каждого сегмента.Каждый из сегментов дисплея (помеченные A, B, C, D, E, F, G и DP (десятичная точка)) соединен последовательно с резистором 220 Ом, который ограничивает ток до безопасных уровней.Эти резисторы контролируются через переключатели, которые переключают вход между логикой «высокой» и логикой «низкий», что позволяет включать или выключать каждый сегмент независимо.Общий вывод на дисплее 7-сегмента подключен к источнику общего напряжения, что обеспечивает работу отдельных светодиодов на дисплее на основе сигналов входной логики.Эта конфигурация иллюстрирует самый простой и самый прямой способ тестирования и управления 7-сегментным дисплеем вручную.
Транзисторы похожи на крошечные электронные переключатели, которые помогают контролировать, какие части 7-сегментного дисплея освещают.В настройке «общего катода» все отрицательные концы (катоды) светодиодов соединены вместе и соединены с землей.Чтобы осветить сегмент, микроконтроллер отправляет сигнал на положительный конец (анод).Поскольку земля необходимо включать и выключать для управления каждой цифрой, используются транзисторы NPN.Микроконтроллер посылает небольшой сигнал в основание (средняя нога) транзистора, и это позволяет току протекать через него, освещая сегмент.
В настройке «общего анода» все положительные концы (аноды) соединены вместе и подключены к мощности (обычно 5 В).Здесь вы можете использовать PNP-транзисторы или специальные переключатели, такие как N-канальные MOSFET для управления отрицательными концами (катоды).Дисплей загорается, когда микроконтроллер посылает сигнал для вытягивания катода на низком уровне (около 0 В).Для дисплеев с более чем одной цифрой используется мультиплексирование.Это означает, что микроконтроллер очень быстро включает одну цифру за раз, так быстро, что выглядит так, как все цифры включены одновременно.Каждая цифра использует свой собственный транзистор, который микроконтроллер включает и выключает и выключает при этом правильные сигналы на сегменты.
Чтобы защитить микроконтроллер и убедиться, что транзисторы работают должным образом, небольшой резистор (обычно около 1000 Ом) расположен между микроконтроллером и основанием транзистора.Это ограничивает, сколько текутся. Кроме того, важно выбрать транзисторы, которые могут обрабатывать количество тока, необходимого для светодиодов.Если транзисторы слишком слабы, они могут перегреться или перестать работать, и дисплей может выглядеть не правильно.Выбор правильных частей и тщательное управление тепло, помогает дисплею хорошо работать и длиться дольше.

Рисунок 9. Управление на основе транзистора 7-сегментной диаграммы отображения
Диаграмма иллюстрирует простой метод управления однозначным семьюсегментным дисплеем с использованием восемь переключателей (СВ1 на СВ8), каждый из которых подключен через резистор 220 Ом с отдельными сегментами дисплея.Линии управления сегментом направляются на входы дисплея, которые питаются через переключатель транзистора (Q1).Резистор 1 кОм (R9) соединяет базу транзистора к линии управления 5V, позволяя активировать дисплей при включении транзистора.Эта настройка обеспечивает правильное управление током и эффективную работу дисплея.
7-сегментные дисплеи-это простой и полезный способ показать цифры в электронных устройствах.Каждый сегмент похож на небольшой свет, и, включив правильные, вы можете показать любую цифру от 0 до 9. Вы можете использовать либо общий катод, либо общий дисплей анода, в зависимости от вашей схемы.Чтобы защитить дисплей и микроконтроллер, вам необходимо использовать резисторы или транзисторы.Если у вас более одной цифры, вы можете использовать метод, называемый мультиплексирование, чтобы зажечь их по одному очень быстро, так что все они выглядят освещенными.Эти дисплеи используются во многих вещах, таких как цифровые часы, весы, счетчики и кухонные приборы, потому что они дешевые, просты в использовании и ясны для чтения.С помощью советов этого руководства вы можете безопасно и легко добавить 7-сегментные дисплеи в свои собственные проекты.
Пожалуйста, отправьте запрос, мы ответим немедленно.
Наиболее распространенными ICS, используемыми для управления 7-сегментными дисплеями, являются ICS Decoder/Driver Decoder/7-сегмент, такие как 74LS47 (для общего анода) или CD4511 (для общего катода).Эти ICS принимают 4-битный бинарный кодированный десятичный (BCD) вход и автоматически освещают правильные сегменты, чтобы показать числа 0–9.Это спасает контакты микроконтроллера и упрощает проводку.Для расширенного управления регистры Shift, такие как 74HC595, или драйверы отображения, такие как MAX7219, можно использовать для многозначных или мультиплексированных дисплеев.
Настройка дисплея от BCD-7-сегмента означает, что вы используете бинарное кодированное десятичное значение (BCD) (четыре цифровых бита, представляющих число от 0 до 9) и преобразование его в правильный шаблон, чтобы осветить дисплей 7-сегмента.Специальный IC, такой как CD4511, считывает значение BCD и автоматически включает правильные сегменты.Например, вход BCD 0100 (десятичный десятичный 4) будет освещать сегменты, которые отображают номер 4 на 7-сегменте.
Для подключения 7-сегментного декодера, такого как CD4511:
Подключите входные контакты BCD (обычно помеченные A, B, C, D) к четырем цифровым выходам из вашего микроконтроллера.
Подключите выходы сегмента (от A до G) от декодера к контактам сопоставления сегмента на дисплее.
Прикрепите резисторы, ограничивающие ток (обычно от 220 Ом до 470 Ом) между выходами декодера и сегментами отображения для защиты светодиодов.
Обязательно соответствуют декодеру с типом дисплея: CD4511 предназначен для общего катода, а 74LS47 - для общего анода.
Предоставьте мощность (+5V и GND) в IC и включите его вывод, установив правильно любые контрольные контакты (например, BI или LE).
Каждый из семи сегментов (за исключением десятичной точки) может быть независимо на или выключен, поэтому общее количество комбинаций составляет 2⁷ = 128. Однако не все эти комбинации представляют собой значимые цифры или буквы.В большинстве практических вариантов использования (например, BCD) используются только комбинации для от 0 до 9, а иногда и от A до F для шестнадцатеричной.Это означает, что около 16 стандартных шаблонов символов используются регулярно в повседневной электронике.
Большинство 7-сегментных светодиодов работают при 2 В на сегмент, что представляет собой перепад напряжения типичного красного светодиодного сегмента.Тем не менее, необходимое напряжение питания зависит от конструкции схемы.Если питается непосредственно из микроконтроллера или через резисторы, дисплей обычно работает на системах +5 В или +3,3 В, а резисторы используются для сброса дополнительного напряжения и предельного тока.Для типов ЖК -дисплея напряжение может быть ниже, часто от 1,5 до 3 В и контролируется с использованием различных методов.
на 2025/05/6
на 2025/05/6
на 8000/04/18 147757
на 2000/04/18 111931
на 1600/04/18 111349
на 0400/04/18 83718
на 1970/01/1 79506
на 1970/01/1 66875
на 1970/01/1 63010
на 1970/01/1 62960
на 1970/01/1 54080
на 1970/01/1 52101