
Защелка - это тип схемы в цифровых системах, в которой хранится один бит информации без необходимости тактового сигнала, в отличие от других цепей.Он сохраняет стабильный бит данных на основе входных сигналов, что делает его основной частью цифровой памяти.Когда несколько защелок работают вместе, они могут хранить больше битов, как в «4-битной защелке» или «8-битной защелке», которые хранят четыре и восемь битов соответственно.Защелки полезны в таких приложениях, как предотвращение ошибок, вызванных отскакиванием механических переключателей и строительных блоков для более сложных систем памяти.Существует несколько видов защелок, таких как защелки SR, которые устанавливают и сбрасывают выходы с двумя входами, и D -защелки, которые содержат данные с использованием управляющего сигнала.Выбор правильной защелки зависит от того, что вам нужно, и где она будет использоваться.
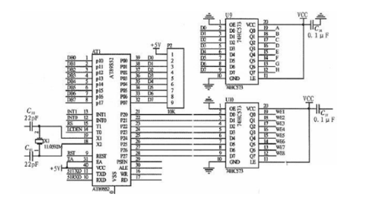
А 74HC573 является высокопроизводительным устройством CMOS, которое включает в себя восемь защелков D-типа, каждая из которых со своим входным и трех государственным выходом.Вы можете управлять этими защелками, используя клеммы защелкивания (LE) и выходных сигналов (OE), обеспечивая гибкость в различных операциях.Это устройство обычно используется для вычислений для хранения и обработки данных, в связи с обменом информацией и в системах управления промышленностью.При использовании 74HC573 подумайте и подумайте, как каждая защелка влияет на всю систему.Например, в вычислениях вам необходимо сбалансировать скорость обработки с надежностью хранения.В связи с коммуникациями основное внимание уделяется бесшовному обмену данными, поддерживаемым архитектурой 74HC573.В промышленных условиях его точность обеспечивает надежную производительность в различных условиях.
CD4099: CD4099 - хорошая альтернатива с уникальными функциями.Несмотря на то, что на поверхности он может выглядеть одинаково, но тестирование показывает различия в использовании мощности и времени отклика.
Sn74ahct573dwr: SN74AHCT573DWR-еще один подходящий вариант, известный своей высокоскоростной работой и идеальным для чувствительных ко времени задач.Сравнение этой части с оригиналом может помочь улучшить или настраивать конструкции, балансировать скорость, использование мощности и управление теплом.

• OE (выход вывода)
Этот вывод контролирует, являются ли выходные контакты (Q) активными.Когда он включен, данные могут вытекать через контакты Q.Это полезно, когда несколько устройств имеют одну и ту же строку данных, помогая управлять потоком данных.
• LE (защелка включена)
PIN управляет LE, когда данные из входных контактов (D) хранятся в защелке.При активации он блокируется в данных, сохраняя выход устойчиво, пока контакт снова не будет активирован.Это помогает стабилизировать данные в быстрых цифровых системах.
• D0 ~ D7 (входные контакты данных)
Эти контакты, где двоичные данные входят в защелку и используют для точного времени данных в сложных схемах.
• Q0 ~ Q7 (выводы данных)
Эти контакты выводят защелкиваемые данные.Они гарантируют, что данные выпускаются вовремя, как в микропроцессорах.
• GND (наземный терминал)
Этот штифт подключается к земле, обеспечивая эталонное напряжение, которое сохраняет конюшню.
• VCC (напряжение питания)
Этот PIN -код обеспечивает мощность, необходимую для работы защелки.Напряжение должно соответствовать требованиям устройства, чтобы он был должным образом функционировать.
Защелка 74HC573 содержит в общей сложности восемь 3-проводных булавок, разделенных на два различных 4-битных порта.Каждый порт имеет свой собственный набор входных и выходных контактов, что позволяет эффективно обрабатывать 8-битные данные.Основной функцией является его двунаправленный входной порт, который способствует универсальному и динамическому управлению данными.Кроме того, внутренняя восьмибирная память эффективно сохраняет полную 8-разрядную бинарную последовательность.
74HC573 отлично подходит для быстрого обработки данных.Он хорошо работает с различными логическими уровнями, приводящих к его TTL-совместимым входам.Эта защелка может обрабатывать импульсы до 25 МГц, эффективно для высокоскоростных задач данных, таких как приложения с тяжелыми производительность.Его сильная пропускная способность обеспечивает надежную передачу данных.
74HC573 отлично подходит для быстрого преобразования данных.Это быстро обрабатывает сигналы, поэтому вы получаете обновления без каких -либо задержек.Он обладает встроенной защитой от электроэнергии, что означает, что она более надежна и длится дольше в важных приложениях.
Защелка 74HC573 использует восемь прозрачных защелок D-типа для управления потоком данных.Вот как это работает:
• При включении (G High): выход (Q) непосредственно соответствует входу (D) сразу.
• При отключении (G Low): защелка удерживается на последнем входном значении, «блокируя» его на месте.
Эта защелка может хранить данные даже при изменении сигнала включения, что важно для сохранения стабильных данных.Он работает независимо, поэтому он может собирать новые данные, в то же время удерживая старые данные.Если вы новичок в этом, подумайте о каждой защелке как о небольшом блоке памяти, который может либо немедленно передавать данные, либо удерживать его, в зависимости от сигнала управления, называемого входом включения, помеченного «G».Когда сигнал включения высокий (высокий), защелка является «прозрачной», то есть он позволяет тому, что данные присутствуют на входе (d), непосредственно передавать выход (Q) без задержки, как открытый затвор.Однако, когда сигнал включения низкий (g низкий), затворы закрываются, а защелка прекращает передачу новых данных.Вместо этого он блокируется и содержит последний кусок данных, который был на входе перед закрытым затвором, поддерживая этот выход, пока сигнал включения снова не станет высоким.Даже если входные данные изменяются, выход остается стабильным, если сигнал включения является низким, обеспечивая целостность данных и позволяет системе надежно обрабатывать или хранить информацию.
Во-первых, убедитесь, что вы надежно подключили входные контакты (D0-D7) к выводам вашего процессора или контроллера.Эти соединения необходимы для потока данных, поэтому используйте короткие высококачественные кабели, чтобы предотвратить любую потерю сигнала.Затем подключите выходные контакты (Q0-Q7) к вашему вторичному устройству.Данные остаются стабильными до тех пор, пока вы не активируете вывод включения (OE) и не позволят вам передавать данные точно, когда вам это нужно.
ЦП берет на себя ответственность, записывая данные на входные (D0-D7), затем манипулируя выводами включения (OE) и защелкивания (LE) выводов для управления потоком данных.Это обеспечивает точную защелку и своевременную передачу.PIN -код OE контролирует, видны ли защелкиваемые данные на выводах;Когда он низкий, данные присутствуют в Q0-Q7, но когда они высоки, выходы входят в состояние с высоким импедансом, эффективно изолируя защелку.С другой стороны, LE PIN определяет, когда входные данные зафиксируются: когда он высокий, входные данные непрерывно фиксируются, отражая состояние D0-D7, в то время как при низком уровне, защелка содержит последние входные данные,обеспечение стабильного вывода.
Для передовых задач данных, включающих несколько периферийных устройств, могут быть каскадные чипы 74HC573.Точное время включения и контрольных сигналов каждого чипа требуется, чтобы избежать конфликтов и обеспечения бесшовного обмена данных.Эффективное планирование контрольных сигналов поддерживает целостность сигнала в каскадных чипах.
Резисторы и конденсаторы фильтруют шум, стабилизируют линии питания и минимизируют отражения сигналов, которые могут нарушить поток данных.Тесное размещение защелки 74HC573 в процессоре и периферийные устройства сводят к минимуму задержку и помехи сигнала, повышая как скорость передачи, так и надежность.Использование плоскостей замывания и экранированных трассов в конструкции печатных плат дополнительно повышает целостность сигнала, обеспечивая плавную и эффективную обработку данных.
Прежде чем использовать новые данные, очистите текущие данные в защелке 74HC573.Реализуйте процедуру сброса на этапе инициализации, чтобы поддержать точность данных.Благодаря тщательной обработке, точной конфигурации и увлеченному вниманию к качеству сигнала и макете, можно достичь пиковой производительности в задачах передачи данных и хранения.

74HC245 является популярным 8-битным трансивером с трех государственными выходами, предназначенным для асинхронной связи.Он часто используется для управления двунаправленным потоком данных между двумя шинами.Устройство имеет управление направлением, которое позволяет гибко перемещаться в обоих направлениях.74HC573, с другой стороны, представляет собой восьмиугольную прозрачную защелку D-типа с трех государственными выходами.Он используется для временного хранения данных и хранения информации до необходимости.Функция защелки обеспечивает постоянный поток данных при работе с асинхронными сигналами.
74HC245 превосходит в эффективном управлении передачами данных между шинами, обеспечивая направленную контроль.В то время как 74HC573 предлагает стабильные средства для защелкивания данных, удерживая их до тех пор, пока система не потребует ее использования.Отчетливый фокус на хранении данных делает 74HC573 подходящим для приложений, где непрерывность данных является приоритетом.74HC245, с его двунаправленными возможностями, вводит динамический подход обработки данных.В отличие от 74HC573, который обеспечивает долговечность в поддержании целостности данных во время обработки, 74HC245 склоняется к гибкости в эксплуатационной динамике.
При замене 74HC573 на конструкции 74HC245 в схеме важно отметить их различия.Двунаправленное управление данных 74HC245 может охватить некоторые функции 74HC573.Однако, поскольку 74HC245 не имеет функции защелки, он не может хранить стабильные данные сама по себе без дополнительных компонентов.Это означает, что замена 74HC573 74HC245 может повлиять на способность цепи постоянно сохранять данные.С другой стороны, если основное внимание уделяется быстрому обмену данных и плавной связи между автобусами, 74HC245 может быть лучшим выбором, улучшая отзывчивость системы.
74HC573 представляет собой 8-разрядную прозрачную защелку D-типа с 3-такими государственными выходами, с включением защелкивания (LE) и вывода включить (OE) входы.Когда LE высок, данные на входах входят в защелки.Он играет важную роль в сценариях, требующих промежуточного хранения и постановки данных, обеспечивая регулируемую и эффективную активность шины данных.Этот компонент обычно используется в системах микроконтроллеров для буферизации данных и адресных шин.
74HC573 представляет собой восьмиугольную прозрачную защелку D-типа, активируемая высокой выходом LE.74HC574, с другой стороны, представляет собой восьмиугольный триггер D-типа, активированный положительным краем его выхода LE.74HC573 допускает проход данных в реальном времени, в то время как LE высок, облегчая поток информации по мере необходимости.74HC574 захватывает и содержит данные на переходе LE, обеспечивая стабильный цикл удержания данных после затопления.Эта функция полезна в приложениях передачи данных синхронизированных данных.
Типичный диапазон напряжений питания для 74HC573 охватывает от 2,0 в до 6,0 В.Эта изменчивость обеспечивает существенную гибкость, что позволяет интегрировать 74HC573 в различные системы с минимальной потребностью в корректировке питания.Такая адаптивность доказывает выгодным в оптимизации эффективности энергоэффективности в различных конструкциях схемы, что делает ее предпочтительным выбором для чувствительных к энергосистеме.
74HC573 служит восьмировной прозрачной защелкой с 3-государственными выходами, способными хранить и выводить восемь бит данных в цифровых электронных схемах.Его роль в качестве посреднического держателя данных отлично подходит в управлении потоком данных между различными компонентами.Эта функциональность широко используется в приложениях, требующих точного контроля над доступностью данных и управлением задержкой.Защелки помогают обеспечить точность данных и стабильность системы.
Пожалуйста, отправьте запрос, мы ответим немедленно.
на 2024/09/24
на 2024/09/24
на 8000/04/17 147713
на 2000/04/17 111742
на 1600/04/17 111324
на 0400/04/17 83636
на 1970/01/1 79285
на 1970/01/1 66789
на 1970/01/1 62953
на 1970/01/1 62838
на 1970/01/1 54038
на 1970/01/1 52007