
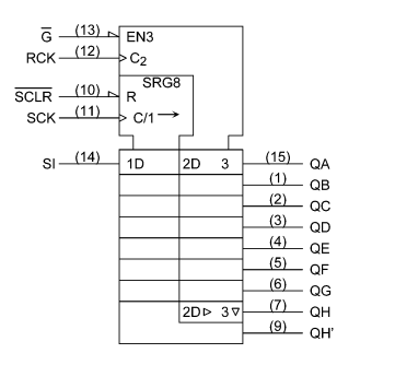
А 74HC595D это 8-битный регистр смены/защелка, которая тщательно спланирована с использованием технологии расширенного кремниевого затвора C2MOS.Этот сложный дизайн гарантирует, что он работает на скоростях, похожих на схемы LSTTL, сочетая эффективность мощности, типичную для технологии CMOS.Его основные компоненты включают 8-битный реестр статического сдвига и 8-битный регистр хранения.Когда вход SCK подвергается положительному переходу, данные плавно перемещаются через регистр.Кроме того, при положительном переходе на входе RCK эти данные плавно передают в регистр хранения.
Примечательной особенностью 74HC595D является разделение сигналов RCK и SCK, которое значительно стабилизирует и поддерживает параллельные выходы на протяжении всего процесса смещения.Это особенно полезно в контекстах, нуждающихся в минимальной коррупции данных и высокой выработке.Устройство оснащена 3-тематическими параллельными выходами, которые обеспечивают простые соединения с 8-разрядной шиной, повышая его утилиту в различных задачах конверсии последовательных в параллельно.
Вы часто можете обратиться к 74HC595D для множества практических применений, в основном при серийном конверсии и приеме данных.Конструкция включает защитные механизмы против статического разряда и переходных пиков напряжения.Это обеспечивает надежную производительность в разных средах.При проектировании и реализации схемы 74HC595D восхваляется за ее эффективность и надежность, качества, которые стремятся к снижению энергопотребления при сохранении высокоскоростных возможностей обработки данных.Этот аспект все больше актуальна в современной электронике, где как экономия энергии, так и производительность высоко ценятся.




|
Особенность |
Описание |
|
Высокоскоростной |
Fmax = 55 МГц (тип.) При VCC = 5 В |
|
Низкая мощность рассеяния |
ICC = 4,0 мкА (макс) при TA = 25 ° C |
|
Сбалансированные задержки распространения |
tplh ≈ tphl |
|
Широкий диапазон рабочих напряжений |
VCC (OPR) = 2,0 В до 6,0 В |
|
Тип |
Параметр |
|
Время выполнения завода |
12 недель |
|
Монтажный тип |
Поверхностное крепление |
|
Пакет / корпус |
16 Soic (0,154, ширина 3,90 мм) |
|
Количество элементов |
1 |
|
Рабочая температура |
-40 ° C ~ 125 ° C. |
|
Упаковка |
Вырезать ленту (CT) |
|
Ряд |
74HC |
|
Статус частично |
Активный |
|
Уровень чувствительности влаги (MSL) |
1 (неограниченный) |
|
Напряжение - поставка |
2 В ~ 6 В. |
|
Функция |
Сериал, чтобы параллельно |
|
Вывод типа |
Три-государство |
|
Логический тип |
Сдвиг регистр |
|
Количество битов на элемент |
8 |
|
Статус ROHS |
ROHS COMPARINT |


|
Часть |
Сравнивать |
Производители |
Категория |
Описание |
|
74HC595D |
Текущая часть |
Nxp |
Регистры смены |
NXP 74HC595D Shift Register, HC Family, 74HC595, сериал
Параллельно, серийный к серийному, 1 -м, 8 -битный, SOIC |
|
74HC595D, 118 |
74HC595D против 74HC595D, 118 |
Nxp |
Регистры смены |
NXP 74HC595D, 118 Shift Register, HC Family, 74HC595,
Серийный или параллельный, серийный и серийный, 8 -элементный, 8 -битный, SOIC |
|
74HC595D-Q100,118
|
74HC595D против 74HC595D-Q100,118 |
Nxp |
Регистры смены |
IC Shift Register 8bt 16soic |
|
SN74HC595N |
74HC595D против SN74HC595N |
Тип |
Регистры смены |
Shift Register, HC Family, 74HC595, сериал на параллель,
1 -й элемент, 8 -бит, падение, 16pins |
74HC595D в идеале подходит для управления светодиодными платами, особенно когда ему поручено управлять большим количеством светодиодов с использованием микроконтроллера.Этот регистр сдвига упростит процесс мультиплексирования, что значительно снижает количество выводов ввода/вывода, необходимого на микроконтроллере.Например, в сложных системах отображения, таких как табло или динамические информационные платы, интеграция 74HC595D может упростить общую конструкцию схемы, что делает его более эффективным и управляемым.
74HC595D эффективно взаимодействует с ЖК -экранами, поставляя основные биты данных, устанавливая бесшовный канал связи между микроконтроллером и дисплеем.Эта функция допускает более плавные обновления контента дисплея.В основном это выгодно в панелях управления промышленных машин и потребительской электроники, где активен четкий и своевременный информационный дисплей.Эта интеграция поощряет более компактные и экономически эффективные конструкции.
74HC595D способен контролировать нагрузки 5 В, такие как реле, через микроконтроллер 3,3 В из-за возможности высокого уровня 3,15 В.Этот атрибут в основном полезен в средах, которые требуют надежных механизмов переключения в пределах ограниченных энергосистемы.Практические применения включают системы домашней автоматизации и робототехнику, где управление компонентами более высокого напряжения из схемы логики с более низким напряжением полезно для плавных и эффективных операций.Включение 74HC595D обеспечивает более плавные переходы между различными доменами напряжения, тем самым сохраняя целостность всей системы.
Одной из заметной силы 74HC595D является его роль в повышении надежности и масштабируемости электронных цепей.Опыт показывает, что сдвиги, такие как 74HC595D, помогают поддерживать целостность сигнала на более длительных расстояниях, что является общим требованием в крупномасштабных светодиодных установках, таких как архитектурные системы освещения или обширные дисплеи общественной информации.Они также упрощают архитектуру проектирования, что облегчает расширение количества контролируемых выходов с минимальными изменениями аппаратного обеспечения, что обеспечивает адаптируемость системы к будущим потребностям.
Интеграция 74HC595D в конструкции схемы повышает общую эффективность проектирования и управление питанием.Его способность централизовать управление облегчает организованное распределение мощности, что имеет решающее значение для устройств с батарейным питанием, где сохранение энергии является приоритетом.Эта выгода соответствует современной философии дизайна, которые подчеркивают минимальное потребление мощности при максимизации производительности, как видно из носимых технологий и портативных медицинских устройств.
74HC595D часто используется в сценариях, когда данные необходимо переходить от серийного формата к параллельному формату.Эта возможность является серьезной в различных цифровых приложениях, которые требуют эффективного управления и обработки данных.Системы на основе микроконтроллеров часто сталкиваются с проблемой ограниченных булавок GPIO.Используя 74HC595D, эти системы могут эффективно контролировать большее количество выходов с меньшим количеством входных контактов, оптимизируя доступные ресурсы.
В практических приложениях вы можете часто использовать этот IC для управления светодиодными матрицами или управлять несколькими устройствами, такими как реле или отображение сегментов.Отправка данных последовательно, а затем расширение их на параллельные выходы упрощает проводку и уменьшает количество выводов, необходимых для сложных операций.Использование 74HC595D было показано с помощью опыта для оптимизации дизайна оборудования, что приводит к более компактным и эффективным платам круговой промышленности.
Еще одним выдающимся применением 74HC595D является его роль в регистрах с удержанием дистанционного управления, что в основном полезно в программируемых логических контроллерах (ПЛК) и других системах промышленной автоматизации.Это устройство может хранить контрольные сигналы, даже если они не передаются активно.Вы часто можете обнаружить, что использование 74HC595D с системами дистанционного управления повышает надежность и снижает частоту ручных вмешательств.Более того, регистры удержания функционируют как промежуточные буферы, повышая целостность данных по сравнению с расстояниями.Сокращение необходимости непрерывной передачи данных косвенно приводит к снижению энергопотребления и повышает общую эффективность системы.

Toshiba Semiconductor & Storage представляет собой различные технологические решения, которые заряжают производителей оригинального оборудования (OEM -производителей), оригинальных производителей дизайна (ODMS), производителей контрактов (CMS) и компаний Fabless Chip.Эти решения способствуют разработке сложных интегрированных продуктов на нескольких рынках, включая вычисления, сеть, коммуникации, цифровую потребительскую электронику и автомобильные приложения.
Мастерство Toshiba в области полупроводниковых и технологий хранения очевидно в его различных вкладах.При вычислениях их микропроцессоры и решения памяти соответствуют растущей потребности в более мощных и эффективных вычислительных возможностях.В сети и связи компоненты Toshiba обеспечивают надежную и высокоскоростную передачу данных, используемая для опасных приложений современной инфраструктуры.Цифровой потребительский рынок процветает с инновациями Toshiba, улучшая ваш опыт за счет превосходной производительности устройства и энергоэффективности.В автомобильной промышленности полупроводники Toshiba управляют переходом к более интеллектуальным и энергоэффективным транспортным средствам.Их технологии прокладывают путь для достижения в области электромобилей (EV), автономных систем вождения и автомобильных развлечений.Практический опыт демонстрирует, что использование оптимизированных IC и датчиков Toshiba для управления энергетикой значительно расширяет диапазон и надежность EV, что делает их более привлекательными для потребителей и производителей.
Влияние Toshiba особенно глубоко в сети и коммуникациях.Их высокоскоростные и низкие компоненты задержки полезны для создания сетей следующего поколения, в основном в стремлении к технологии 5G.Они также предоставляют используемые компоненты, которые обеспечивают бесшовную подключение и высокую пропускную способность данных.Обратная связь отрасли подчеркивает, что интеграция решений Toshiba заметно повышает эффективность и надежность сети, поддерживая разнообразные приложения от улучшенной широкополосной широкополосной связи до устройств Интернета вещей (IoT).
Цилиндрические держатели батареи.pdf
74HC595D-это интегрированная схема, которая объединяет 8-этажную реестр последовательного сдвига с реестрой хранения и выходами Tri-State.Он использует отдельные часы для регистров смены и хранения, с переходом данных по положительному краю ввода часов Shift Register Clock (SHCP).Отображение данных из регистра хранения происходит, когда вывод включает вход (OE) низкий.
74HC595D работает с использованием последовательного параллельного (SIPO) протокола.Микроконтроллер отправляет данные последовательно в регистр сдвига, впоследствии выводимый через параллельные контакты.Каждый чип предоставляет восемь дополнительных выводов, что позволяет расширять возможности ввода -вывода при использовании вместе.Несколько чипов 74HC595D могут подключаться в конфигурации цепочки DAISY, что значительно увеличивает потенциальные выводы.Эта адаптивность в основном полезна в проектах, требующих многочисленных выходных сигналов, таких как управление несколькими светодиодами или управление сложными цифровыми дисплеями.Понимание синхронизации между вводом последовательных данных и тактовыми сигналами подходит для надежной производительности.Во многих встроенных системах точное время обеспечивает целостность данных во время смен.
Основное различие заключается в специфике для брендинга и упаковки.Суффикс 74HC595D 'D' указывает на определенную упаковку (небольшая контурная интегрированная цепь - SOIC) или диапазон рабочих температур, подходящих для конкретных условий производства или окружающей среды.В то время как 74HC595 служит общим названием, такие производители, как Texas Instruments, обозначают свою версию с префиксом 'sn'.Выбор соответствующей упаковки, такой как 74HC595D, может улучшить производительность системы и долговечность, особенно с учетом ограничений проектирования, таких как пространство или операционная среда.Это решение часто использует свой опыт, сбалансируя технические характеристики с практическими сценариями сборки для наиболее эффективных результатов.
Пожалуйста, отправьте запрос, мы ответим немедленно.
на 2024/10/17
на 2024/10/17
на 8000/04/18 147758
на 2000/04/18 111948
на 1600/04/18 111349
на 0400/04/18 83722
на 1970/01/1 79508
на 1970/01/1 66916
на 1970/01/1 63075
на 1970/01/1 63012
на 1970/01/1 54081
на 1970/01/1 52144