
А 74LS08 Интегрированная схема охватывает четыре отдельных и ворота, каждый с двумя входами, используя транзисторы Шоттки для облегчения быстрого логического операций.Многие часто выбирают 74LS08 для цифровых систем, где быстрый отклик и эффективность способствуют инновациям.Его конструкция поддерживает логические функции в вычислениях и связи, позволяя оптимизировать производительность в спектре сложностей схемы.Интеграция 74LS08 требует нюансированного планирования.Вы должны убедиться, что он хорошо сочетается с другими компонентами, учитывая такие элементы, как целостность сигнала и эффективность питания.Проблемы часто освещают эти аспекты, при этом искусственная настраиваемая настройка их подходов для эффективного решения их.74LS08 обогащает логическую обработку с его скоростью и надежной функциональностью.Его продуманная интеграция может способствовать повышению возможностей цепи, воплощая в действие технологический дизайн.Понимания из связанных моделей еще больше улучшают результаты, демонстрируя взаимосвязь этих технологий.
• 74LS73
• 74LS00
• 74LS02
• 74LS04
• 74LS138
• SN54LS08
• IC 7408
• HEF4081

|
PIN -код |
Описание |
|
И ворота 1 |
|
|
1 |
A1-input1 затвора 1 |
|
2 |
B1-input2 затвора 1 |
|
3 |
Y1-letput of Gate1 |
|
И ворота 2 |
|
|
4 |
A2-input1 от Gate 2 |
|
5 |
B2-Input2 GATE 2 |
|
6 |
Y2-output of Gate2 |
|
И ворота 3 |
|
|
9 |
A3-input1 от Gate 3 |
|
10 |
B3-Input2 GATE 3 |
|
8 |
Y3-выпуск GATE3 |
|
И ворота 4 |
|
|
12 |
A4-input1 из Gate 4 |
|
13 |
B4-input2 gate 4 |
|
11 |
Y4-output of Gate4 |
|
Общие терминалы |
|
|
7 |
GND- подключен к земле |
|
14 |
VCC подключен к положительному напряжению, чтобы обеспечить питание
Все четыре ворота |


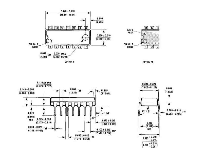
Технические спецификации, атрибуты и параметры Signetics Corp 74LS08, включая части со сопоставимыми спецификациями с 74LS08N.
|
Тип |
Параметр |
|
Поверхностное крепление |
НЕТ |
|
HTS -код |
8542.39.00.01 |
|
Терминальная форма |
Сквозь дыру |
|
Напряжение снабжения |
5 В |
|
Квалификационный статус |
Не квалифицирован |
|
Поставка напряжения-макс (VSUP) |
5,25 В. |
|
Поставка напряжения мимин (VSUP) |
4,75 В. |
|
Количество входов |
2 |
|
Задержка распространения (TPD) |
20 нс |
|
Количество терминалов |
14 |
|
Терминальная позиция |
Двойной |
|
Количество функций |
4 |
|
Код JESD-30 |
R-PDIP-T14 |
|
Рабочая температура (макс) |
70 ° C. |
|
Температура |
Коммерческий |
|
Семья |
Лауреат |
|
Логический тип IC |
И ворота |
74LS08 беспрепятственно работает на подаче 5 В, рисуя минимальную мощность.Эта черта улучшает его привлекательность для схемы с батареей, где сохранение энергии является ключом к продлению срока службы устройства.Кроме того, ограниченное рисование мощности помогает поддерживать более низкие температуры, полезные в расположении компактных схем.
Каждое ворота может доставлять до 8 мА, адекватно питает различные логические цепи TTL.Эта текущая емкость обеспечивает совместимость с различными цифровыми компонентами.В проектировании системы хорошо управлять каждым воротом в этом текущем пороге, чтобы избежать ненужного износа и защищать долговечность IC.
Представляя время подъема и падения около 18NS, 74LS08 подходит для применений, нуждающихся в умеренной скорости.Эти функции времени обслуживают цифровые проекты, где требуется быстрое время реакции без налогообложения высокоскоростных мощностей.Этот баланс приобретает признательность, поскольку он дает стабильную функциональность, не перегружая другие части.
IC достаточно надежна, чтобы выдержать температуру хранения от -65 ° C до 150 ° C.Этот обширный диапазон означает устойчивость 74LS08 во время хранения и транзита в различных средах, снижая риск повреждения.Это приносит пользу производителям и дистрибьюторам, занимающимся глобальной логистикой, ослабляя проблемы хранения в разных климатах.
74LS08 оказывается в основе конструкции цифровых цепей, часто служит компонентом в сложных логических системах.Его постоянная достоверность и скорость делают его хорошо для таких приложений, как схемы синхронизации, шлепанцы и различные конфигурации логического затвора.Эта надежная производительность в практических сценариях повышает эффективность проектирования и выполнения цепи.
В серверных средах 74LS08 играет роль в направлении потока данных и управления контрольными сигналами.Его мастерство в выполнении и логике облегчает бесшовную обработку и связь между компонентами, подчеркивая ее роль в поддержании оперативной целостности и устойчивости к систему во время тяжелых нагрузок.
В архитектурах памяти 74LS08 поручено контролировать доступ для обеспечения согласованности данных.Его надежные логические возможности управляют операциями чтения/записи, формируя стабильную базу для адресации памяти и проверки данных.Эти приложения демонстрируют свою роль в повышении целостности данных и эффективности системы.
В сфере ALUS 74LS08 помогает в выполнении математических операций и манипуляции с данными.Благодаря быстрому переключению, это обеспечивает быстрые логические операции, способствуя эффективной арифметической обработке.Эти функции иллюстрируют его вклад в оптимизацию вычислительных задач и повышения скорости обработки.
74LS08 часто используется для простых и логических задач по различным электронным цепям.Его дизайн Schottky сводит к минимуму задержки с переключением, что делает его подходящим для высокоскоростных применений, требующих быстрой логической обработки.Эта универсальность показывает свою адаптивность в разных электронных приложениях.
Обширные применения 74LS08 IC подчеркивают его универсальность в современных технологиях.Без беспрепятственной интеграции в различные системы, он облегчает эффективные и надежные операции в нескольких секторах.Его устойчивая производительность в разнообразных условиях отражает глубокое понимание принципов электронного дизайна.

IC 74LS08 играет роль в цифровых логических системах, превосходящих выполнение и операции.С возможностью питания нескольких ворот одновременно, он высоко ценится в условиях, где быстрый отклик и надежность глубоко резонируют.Используя технологию Transistor Schottky, 74LS08 сияет в доставке Swift обработки, которая является ядром современной цифровой схемы.Транзисторы Шоттки приносят усиление за счет сокращения задержки распространения.Системы, требующие быстрых операций, процветают в этой конструкции, поскольку он ловко снижает задержку, типичную для традиционных логических ворот.Этот быстрый ответ обращается к приложениям, охватывающим вычислительные задачи для обработки данных.
74LS08 находит широкое использование в секторах вычислений и автоматизации.Он заметно представлен в маршрутизаторах данных и подразделениях по обработке сигналов, что является свидетельством его надежного характера.Многие выбирают этот IC при создании цепей, которые процветают при стабильной производительности, обеспечивая эффективность, даже при борьбе с требовательными рабочими нагрузками.Бесплатная интеграция 74LS08 в сложные схемы подчеркивает его универсальность.Модульные системы существенно получают, так как IC поддерживает расширение, не осушая чрезмерную мощность.Эта адаптируемость способствует инновационным схемам, позволяя изменениям в спецификациях проектирования без усилий, без необходимости замены существующих компонентов.
Хорошо продуманный подход к использованию 74LS08 включает в себя факторинг в стратегиях теплового управления.Учитывая рассеяние тепла, привязанное к высокоскоростным операциям, внедрение подходящих механизмов охлаждения для поддержки долгосрочной надежности.Такое предвидение в дизайне повышает производительность и продлевает срок службы системы, согласуясь с мудростью цепи.74LS08 и Gate отличаются в цифровой логике с его скоростью и адаптивностью.Установка его возможностей усиливает его применение, что делает его предпочтительным выбором в многочисленных расширенных технологических условиях.

Основанная в 1961 году, компания начала как Signetics, первопроходца в комплексной революции, вызванной непоколебимым стремлением к инновациям.Этот смелый подход вызвал их приобретение Philips, отметив фазу динамического роста.Интеграция в Philips расширила свой технологический охват и укрепила их положение в качестве пионеров в электронных достижениях, что позволило им исследовать новые горизонты.Вклад компании подчеркивает яркую эволюцию поля электроники.Их инновационные шаги оказывают обширные последствия в разных секторах, что указывает на будущее технологии, переплетенные с их достижениями.Способствуя культуре непрерывного улучшения, они не только адаптируются, но и активно формируют изменяющийся электронический ландшафт.Эта устойчивая приверженность прогрессу выступает в качестве катализатора для глубоких сдвигов в отрасли.Преобразование от подписи в их нынешнюю форму в NXP представляет собой необычайную одиссею творчества и устойчивости.
74LS08 работает как процессор цифрового и логического затвора, работая с двумя входными состояниями: высоким (3-5 В) и низким (0-2,6 В).Он играет роль в выполнении логических соединений в цифровых цепях, плавно проводя логические операции в вычислительных задачах.Его стойкое присутствие в цифровой электронике демонстрирует глубокую надежность в ситуациях, требующих точных логических результатов.
Чип имеет четыре 2-в-входных и ворота, работающие на одном питании, созданном для обработки разнообразных функций.Эта структура обеспечивает бесшовную адаптивность к различным потребностям схемы, упрощение конструкций и снижение использования мощности.Включение множества ворот в одну чип отражает вдумчивую стратегию для оптимизации создания цепи, избегая препятствий интеграции.
Серия 74LS00 обеспечивает повышенную скорость и утонченную эффективность, хотя она обеспечивает более низкую выпуску тока по сравнению с серией 7400.Эта разница играет роль в сценариях, где сохранение власти и повышение производительности.Тонкие, но значимые различия между этими рядами подчеркивают вдумчивые соображения при выборе подходящих логических компонентов для различных целей.
74LS08 использует логику TTL со стабильным источником 5 В, в то время как 74HC08 использует технологию CMOS, в которой можно было бы использовать диапазон напряжений от 2 В до 6 В.Эта разница в технологии обслуживает более широкий спектр приложений и условий питания.Гибкость технологии CMOS в 74HC08 подчеркивает его полезность в ситуациях, требующих эксплуатационной универсальности без жертва эффективности производительности.
Пожалуйста, отправьте запрос, мы ответим немедленно.
на 2024/10/24
на 2024/10/24
на 8000/04/18 147758
на 2000/04/18 111946
на 1600/04/18 111349
на 0400/04/18 83722
на 1970/01/1 79508
на 1970/01/1 66916
на 1970/01/1 63072
на 1970/01/1 63012
на 1970/01/1 54081
на 1970/01/1 52142