
WS2813 это тип светодиода, который объединяет как цепь управления, так и чип RGB в один небольшой компонент.Этот светодиод обычно используется в проектах освещения, потому что он предлагает отличный контроль над цветами и яркости.WS2813 содержит технологию, которая позволяет им эффективно передавать сигналы без искажений, гарантируя, что свет остается последовательным.Он также имеет встроенную систему сброса, которая гарантирует, что она работает гладко даже после прерывания питания.Каждый пиксель в WS2813 может отображать широкий спектр цветов, и он поддерживает скорость обновления, которая сохраняет свет ярким и жидким.Он очень подходит для проектов, которые требуют яркого, красочного освещения и надежной производительности.

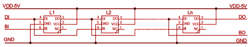
| НЕТ. | Символ | ПРИКОЛОТЬ | Описание функции |
| 1 | Северо -запад | Висящий | Приостановлено в макете печатной платы, схема будет вне работы при подключении к другим цепям |
| 2 | Vdd | Напряжение питания | Напряжение питания, подключитесь к «+5V» |
| 3 | ДЕЛАТЬ | Данные | Выход сигнала управления данными |
| 4 | Дин | Данные в | Вход сигнала управления данными |
| 5 | Гнездо | ЗЕМЛЯ | Заземление данных и питания |
| 6 | Бин | Данные резервного копирования в | Вход сигнала управления резервным копированием |


Технические характеристики, функции, параметры и сопоставимые части, связанные с WorldSemi WS2813C.
| Тип | Параметр |
| Монтажный тип | Поверхностное крепление |
| Пакет / корпус | SMD, 5x5 мм |
| Упаковка | Лента и катушка (TR) |
| Цвет освещения | RGB |
| Доминирующая длина волны / координат | 620625 нм красный, 515525 нм зеленый, 465 ~ 475 нм синий |
| Светящаяся интенсивность (если = 20 мА) | 60MCD@5MA RED, 245MCD@5MA Green, 60MCD@5MA Blue |
| Статус ROHS | ROHS COMPARINT |
Схема управления и светодиод в WS2813 имеют тот же источник питания.Это означает, что вам не нужны отдельные источники энергии для различных компонентов.Он упрощает вашу настройку, уменьшая объем требуемой проводки и управления питанием.
Схема управления и чип RGB объединяются в один компонент.Эта интеграция обеспечивает более плавную работу светодиодов, обеспечивая лучшее управление цветом и более постоянное освещение без необходимости отдельных компонентов.
WS2813 поставляется со встроенной схемой изменения сигнала.Это гарантирует, что по мере прохождения данных через каждый светодиод сигнал остается прочным и ясным, без каких -либо искажений.Таким образом, независимо от того, сколько светодиодов вы используете подряд, сигнал остается точным, что делает ваше освещение последовательным.
WS2813 имеет встроенные сбросы.Сброс включения обеспечивает правильное запуск светодиодов после того, как вы включаете их, в то время как сброс Brown-Out помогает им плавно восстанавливаться в случае каких-либо кратких падений мощности.Это сохраняет ваше освещение стабильным даже во время колебаний мощности.
Каждый пиксель в WS2813 может отображать до 16 777 216 различных цветов.Это возможно, потому что каждый пиксель имеет 256 уровней серого, что обеспечивает чрезвычайно точный контроль цвета.Эта функция позволяет создавать яркие и динамические осветительные дисплеи с широким спектром цветов.
Вам нужна только одна линия сигнала данных, чтобы подключить несколько светодиодов WS2813 в серии.Это означает меньшую проводку и более простую настройку, особенно в крупных проектах.Данные проходят через каждый светодиод в цепочке, позволяя управлять всеми светодиодами, используя одну линию.
WS2813 использует два сигнальных провода, которые позволяют ему сохранять передачу, даже если один сигнальный провод сломается.Это означает, что даже если один пиксель выходит из строя, остальные ваши светодиоды будут продолжать работать.Эта функция делает ваш проект более надежным, так как единственная точка отказа не снизит всю систему.
Вы можете разместить свои светодиоды WS2813 на расстоянии более 3 метров, не нуждаясь в каких -либо дополнительных цепях, чтобы повысить сигнал.Это отлично подходит для крупномасштабных проектов, где огни, возможно, должны быть далеко друг от друга, так как вам не нужно добавлять дополнительные компоненты, чтобы поддерживать сильный сигнал.
WS2813 поддерживает скорость обновления 2 кГц в секунду.Эта высокая частота обновления гарантирует, что ваше освещение изменяется плавно и быстро, без какого -либо заметного мерцания, что делает его идеальным для проектов, которые требуют быстрых или динамических эффектов освещения.
Скорость передачи данных для WS2813 составляет до 800 кбит / с.Эта быстрая передача позволяет быстро обновлять настройку освещения, что позволяет вам вносить изменения в цвета и узоры в реальном времени без задержек.
WS2813 предназначен для обеспечения надежной консистенции цвета во всех светодиодах.Это гарантирует, что все огни будут отображать одни и те же цвета одновременно, обеспечивая равномерный и визуально приятный результат в вашем проекте.
WS2813 часто используется в освещении трубки ограждения.Этот тип применения распространен при наружном освещении, особенно вдоль путей или архитектурных особенностей, где требуется последовательное и яркое освещение.Долговечность и простота настройки делают его подходящим выбором для этих сред.
WS2813 идеально подходит для дисплеев точечных светофоров, где каждый светодиод служит индивидуальной точкой света на более крупном дисплее.Это может быть использовано для декоративного освещения, вывесок или творческих инсталляций, где важны точный цветовой контроль и яркость.
WS2813 хорошо работает как в гибких, так и в жестких светодиодных полосках.Эти полосы могут использоваться в различных приложениях, от освещения под кабинотом в домах до крупномасштабных установок в коммерческих пространствах.Гибкость полос в сочетании с надежностью WS2813 дает вам много вариантов для дизайна.
WS2813 также обычно используется в светодиодных модулях, которые являются автономными единицами, которые включают светодиод и необходимую схему.Эти модули полезны в приложениях, где пространство ограничено, но надежное освещение все еще требуется, например, в небольших установках или на заказ светильников.
WS2813 может быть включена в костюмы освещения на сцене, добавляя динамические эффекты освещения в наряды производительности.Полноцветный дисплей и высокий уровень обновления делают его отличным выбором для костюмов, которые необходимо быстро изменить цвета и узоры во время производительности.
WS2813 может использоваться в различных инновационных гаджетах или электронных продуктах, которые требуют яркого, красочного освещения.Независимо от того, проектируете ли вы уникальный гаджет или добавляете освещение в существующий продукт, WS2813 предлагает вам контроль над цветом и яркости в компактном и простовом в использовании упаковке.
Когда вы работаете с WS2813, вам нужен только один источник питания, который поддерживает как цепь управления, так и светодиод.WS2813 предназначен для упрощения проводки путем объединения чипа RGB и схемы управления в один.Встроенная схема изменяет сигнал, гарантируя, что качество сигнала отсутствует, когда она проходит через каждый пиксель.Это важно, чтобы ваша система освещения работала правильно без мерцания и не зажигая.Проводка дополнительно упрощена, потому что WS2813 имеет встроенные сбросы, которые гарантируют, что свет возвращается в Интернете после сброса или падением мощности.

Чтобы использовать WS2813, передача данных обрабатывается с помощью одного метода связи, известного как NZR.Когда вы сначала включите пиксель, порт DIN (вход данных) будет получать информацию от вашего контроллера.Первый пиксель в цепочке будет захватывать первоначальные 24 бита данных и хранить их внутри.Затем он отправит измененный сигнал на следующий пиксель, и этот процесс будет продолжаться до тех пор, пока каждый пиксель не получит свои данные.
Одной из замечательных особенностей WS2813 является его способность автоматически решить сигналы.Это означает, что независимо от того, сколько светодиодов вы цепляете вместе, сигнал останется сильным, поскольку он переходит от одного пикселя к другому.Если какое -либо повреждение происходит для одного из пикселей, резервный вход (BIN) автоматически вступает во владение, гарантируя, что сигнал продолжается без перерыва.Эта настройка поддерживает функционирование вашего проекта освещения, даже если один пиксель выходит из строя.

Самая большая разница между WS2813 и WS2812B заключается в том, как они обрабатывают прерывания сигналов.С WS2812B, если кто -то светодиод в цепочке перестает работать, остальные светодиоды не будут функционировать, поскольку схема сломана.Тем не менее, WS2813 решает эту проблему с помощью своей системы с двойным сигналом.Это означает, что если один светодиод не удастся, другие будут продолжать работать до тех пор, пока сбой не в двух соседних светодиодах.Это делает WS2813 более надежным вариантом при работе над проектами, которые требуют более длинных цепочек светодиодов.
Вам не нужно беспокоиться о том, что весь ваш проект выключится только потому, что один светодиод не работает с WS2813.Система предназначена для обхода сломанного пикселя, что заставляет все работать гладко.Это улучшение по сравнению с WS2812B делает WS2813 предпочтительным выбором для людей, которые ищут более надежные настройки освещения.

WS2813 производится компанией под названием WorldSemi.С начала 2007 года WorldSemi стала известна своими опытом в области светодиодных технологий.Они разработали различные продукты за пределами светодиодов, включая контроллеры светодиодов и другие связанные компоненты.Их сосредоточение внимания на надежных, инновационных осветительных решениях сделало их сильным игроком на рынке.Независимо от того, хотите ли вы создать небольшой проект освещения или что -то более крупное, продукты WorldSemi, такие как WS2813, созданы, чтобы помочь вам достичь результатов с легкостью и уверенностью.
Вы можете управлять светодиодными полосками WS2813, используя библиотеку Fastled с Arduino.Выберите тип «WS2812» в библиотеке и укажите вывод данных для полосы.Подключите контакт DIN (вход данных) светодиодной полосы к контакту 6 Arduino, а для дополнительной защиты поместите дополнительный резистор 470-ом между ними.
WS2813 имеет время сброса 250 мкм, что позволяет им работать более эффективно на более низких частотах и на менее дорогих микроконтроллерах по сравнению с WS2812B.
Светодиоды WS2813 обычно используются в таких приложениях, как пробирки Guardrail, пиксельные дисплеи, гибкие и жесткие полоски, модульные системы освещения, сценическое освещение и инновационные электронные гаджеты.
Пожалуйста, отправьте запрос, мы ответим немедленно.
на 2024/10/18
на 2024/10/18
на 8000/04/18 147758
на 2000/04/18 111946
на 1600/04/18 111349
на 0400/04/18 83722
на 1970/01/1 79508
на 1970/01/1 66916
на 1970/01/1 63075
на 1970/01/1 63012
на 1970/01/1 54081
на 1970/01/1 52143