
А SN74HC14N занимает уважаемое место в цифровой электронике из-за его адаптации в предоставлении возможностей инвертора HEX в сочетании с входами с тригеном Schmitt.В этой интегрированной схеме содержится шесть различных инверторов на одном чипе, что облегчает широкий спектр применений в разных технологических аренах.Включение входов-порог Schmitt значительно помогает обеспечить согласованные и надежные переходы на логический уровень.Эти входные данные играют окончательную роль в снижении шума и повышении точности сигнала, что делает SN74HC14N очень выгодным в средах, подверженных помехи или колебаниям в входных напряжениях.
Преимущество наличия инверторов с атрибутами Schmitt-Trigger воплощена в их точке в сложных условиях.Например, в ситуациях, когда входные сигналы качаются из -за влияния окружающей среды, качество гистерезиса служит стабилизирующим буфером.Эта функция часто используется в устройствах, требующих постоянной ясности сигнала, таких как генераторы или схемы дебюра.Кроме того, вы часто можете зависеть от долговечности SN74HC14N для задач, где могут бороться другие инверторы.Фактический опыт показывает, что включение запуска Шмитта в архитектуры дизайна значительно снижает вероятность неправильного толкования сигнала, подчеркивая его эффективность в сложных цепях.
Успешная реализация SN74HC14N требует тщательного изучения его электрических параметров, чтобы реализовать его полные возможности.Это часто достигается путем эффективного использования своих сильных сторон, обычно принимаемой тактикой.Функция гистерезиса полезна для сглаживания процессов перехода, обеспечивая работу цепи без резких сдвигов, вызванных переходными нарушениями.Вы часто можете стремиться к этой функции, чтобы укрепить рабочую надежность их систем.




|
Особенность |
Описание |
|
Промытые входы |
Обеспечивает стабильные и надежные входные переходы. |
|
Рабочий диапазон напряжений |
Широкий диапазон от 2 В до 6 В для универсальных приложений. |
|
Диапазон рабочей температуры |
Поддерживает работу в экстремальных условиях: от -40 ° C до +85 ° C. |
|
Поддержка фанаута |
Может привести к 10 нагрузок LSTTL. |
|
Экономия энергии |
Предлагает значительную экономию мощности по сравнению с логикой LSTTL
ICS. |
|
Тип |
Параметр |
|
Статус жизненного цикла |
Активный (последний обновлен: 3 дня назад) |
|
Время выполнения завода |
12 недель |
|
Контакт |
Золото |
|
Устанавливать |
Через дыру |
|
Монтажный тип |
Через дыру |
|
Пакет / корпус |
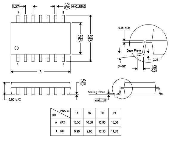
14-DIP (0,300, 7,62 мм) |
|
Количество булавок |
14 |
|
Масса |
927.99329 мг |
|
Логический уровень высокого уровня |
1,5 В ~ 4,2 В. |
|
Логический уровень уровня |
0,3 В ~ 1,2 В. |
|
Рабочая температура |
-40 ° C ~ 85 ° C. |
|
Упаковка |
Трубка |
|
Ряд |
74HC |
|
Код JESD-609 |
E3 |
|
Статус частично |
Активный |
|
Уровень чувствительности влаги (MSL) |
1 (неограниченный) |
|
Количество терминаций |
14 |
|
Код ECCN |
Ear99 |
|
Терминальная отделка |
Матовая олова (SN) |
|
HTS -код |
8542.39.00.01 |
|
Напряжение - поставка |
2 В ~ 6 В. |
|
Терминальная позиция |
Двойной |
|
Количество функций |
6 |
|
Напряжение снабжения |
5 В |
|
Терминал |
2,54 мм |
|
Базовый номер детали |
74HC14 |
|
Подсчет штифтов |
14 |
|
Максимальный выходной ток |
5,2 мА |
|
Операционное напряжение питания |
5 В |
|
Поставка напряжения-макс (VSUP) |
6 В |
|
Количество каналов |
6
|
|
Нагрузка емкость |
50pf |
|
Выходной ток |
5,2 мА |
|
Задержка распространения |
21 нс |
|
Крыжительный ток |
2 мкс |
|
Включить время задержки |
155 нс |
|
Семья |
HC/UH |
|
Логическая функция |
Буфер, инвертор, шмитт триггер |
|
Логический тип |
Инвертор |
|
Макс я (ол) |
0,004 а |
|
Максимальная задержка распространения @ v, max cl |
21ns @ 6V, 50pf |
|
PROP. DOLY @ NOM-SUP |
31 нс |
|
Ток питания ток-макс (ICC) |
0,02 мА |
|
Мин напряжения питания (DC) |
2 В |
|
Шмитт триггерный ввод |
Да |
|
Функции |
Шмитт триггер |
|
Высота |
5,08 мм |
|
Длина |
19,3 мм |
|
Ширина |
6,35 мм |
|
Толщина |
3,9 мм |
|
Достичь SVHC |
Нет SVHC |
|
Радиационное упрочнение |
Нет |
|
Статус ROHS |
ROHS3 соответствует |
|
Свободно привести |
Свободно привести |
|
Номер части |
Производитель |
Пакет / корпус |
Количество булавок |
Логическая функция |
Задержка распространения |
Мин напряжения питания |
Напряжение снабжения |
Крыжительный ток |
Технология |
|
SN74HC14N |
Техасские инструменты |
14-DIP (0,300, 7,62 мм) |
14 |
Буфер, инвертор, Шмитт |
21 нс |
2 V. |
5 В |
2 мкА |
CMOS |
|
SN74HC04N |
Техасские инструменты |
14-DIP (0,300, 7,62 мм) |
14 |
- |
16 нс |
2 V. |
5 В |
2 мкА |
CMOS |
|
CD74HCU04E |
Техасские инструменты |
14-DIP (0,300, 7,62 мм) |
14 |
- |
12 нс |
- |
4,5 В. |
2 мкА |
CMOS |
|
SN74AHC04N |
Техасские инструменты |
14-DIP (0,300, 7,62 мм) |
14 |
- |
13 нс |
- |
3.3 В |
2 мкА |
CMOS |
|
MC74HCU04ANG |
На полупроводнике |
14-DIP (0,300, 7,62 мм) |
14 |
- |
12 нс |
- |
3 В |
1 мкА |
CMOS |
В мире цифровых систем SN74HC14N служит краеугольным камнем для достижения точного управления часами, что повышает производительность в микроконтроллерах и вычислительных системах за счет стабилизации времени.Спечно синхронизирует цифровые схемы, которые помогают предотвратить расхождения в сроках, минимизируя риск ошибок данных.
Когда дело доходит до переключения управления, SN74HC14N сияет со своим быстрым временем отклика и способностью смягчить отскок сигнала, пресловутая проблема с механическими переключателями.Реализация этого IC в потребительских электронных цепях приводит к более надежным интерфейсам, обеспечивая эффективное распознавание ввода, которое резонирует с вашими ожиданиями.
Этот IC отмечается своими способностями инверсии цифровых сигналов, предлагая универсальность в сложных цепях путем инвертирования нежелательных логических состояний, методика, распространенного в системах связи, для соответствия потребностям сигнала.Например, в сетевом аппаратном обеспечении успешная инверсия сигнала повышает совместимость между различными компонентами, тем самым упрощая интеграцию и способствуя единству в различных настройках.
Употребление знания в кондиционировании сигнала, SN74HC14N обеспечивает целостность электронных коммуникаций путем уточнения входных сигналов, чтобы уменьшить джиттер и предотвратить скачки, которые в противном случае могли бы раскрыть передачу данных.Его мастерство в фильтрации шума оказывается выгодным в средах, страдающих от электромагнитных помех, в основном в промышленной автоматизации, где поддержание надежности является глубоким обязательством.
В цифровых логических структурах SN74HC14N облегчает смещение уровня, устраняя различия в напряжении между компонентами, что активно активно в системах смешанных напряжений для обеспечения плавного взаимодействия.Такое изменение уровня способствует робототехнике, где оно поддерживает бесшовную связь между датчиками и обработками, прокладывая путь для эффективной обработки данных и действенных идей.

Пожалуйста, отправьте запрос, мы ответим немедленно.
SN74HC14N работает плавно в рамках напряжения питания от 2 до 6 вольт.Он поддерживает выходной ток до 6 мА для каждого вывода, достигая комбинированной пакетной крышки 50 мА.Этот широкий диапазон напряжения обслуживает многочисленные цифровые системы, обеспечивая обширную адаптивность.Учитывая, что ограничения тока активны в сборе, чтобы избежать проблем с производительностью или аппаратного повреждения, в основном в ситуациях, требующих многочисленных выходов сигнала высокого уровня.
SN74HC14N находит свое место в цифровых настройках для кондиционирования сигнала, снижения шума, манипуляции с формой волны и задач перехода уровня.Эта интегрированная схема также играет роль в микроконтроллерах, настройках цифровой связи и робототехнике, а также в других компонентах цифровой логики.Вы часто можете использовать его входы-инициаторы Schmitt, чтобы противодействовать нестабильности сигнала в тяжелых условиях шума.Его вклад в поддержание надежности сигнала является примечательным в автоматических решениях.Опираясь на личное понимание в цифровой инженерии, понимание того, как спецификации IC соответствуют потребностям проекта, использует создание Adept Electronic Systems.
на 2024/11/16
на 2024/11/15
на 8000/04/18 147758
на 2000/04/18 111948
на 1600/04/18 111349
на 0400/04/18 83722
на 1970/01/1 79508
на 1970/01/1 66916
на 1970/01/1 63075
на 1970/01/1 63012
на 1970/01/1 54081
на 1970/01/1 52144