




А Atmega16u2 является 8-битным микроконтроллером, известным своим низким энергопотреблением и адаптивностью из-за улучшенной архитектуры RISC AVR.Эта конструкция позволяет обрабатывать сложные инструкции в пределах одного тактового цикла, что обеспечивает впечатляющую производительность, которая может достигать приблизительно 1 MIP на МГц.Этот баланс эффективности питания и скорости обработки облегчает различные приложения, особенно если минимизация использования энергии является приоритетом.
Изучая архитектуру, способность AVR для выполнения инструкций с одним циклом позволяет писать высокоэффективный код.Это доказывает в контекстах, которые требуют быстрого принятия решений, таких как встроенные автомобильные системы или фактические элементы управления.Простота набора инструкций не только повышает производительность, но и облегчает процесс программирования.Следовательно, вы можете часто испытывать более управляемую кривую обучения с ATMEGA16U2, ускоряя темпы инноваций и творения.
Вот таблица, представляющая технические характеристики, атрибуты и параметры для технологии микрочипа Atmega16u2-auПолем
|
Тип |
Параметр |
|
Время выполнения завода |
10 недель |
|
Контакт |
Олово |
|
Устанавливать |
Поверхностное крепление |
|
Монтажный тип |
Поверхностное крепление |
|
Пакет / корпус |
32-TQFP |
|
Количество булавок |
32 |
|
Количество I/OS |
22 |
|
Сторожевые таймеры |
Да |
|
Рабочая температура |
-40 ° C ~ 85 ° C (TA) |
|
Упаковка |
Поднос |
|
Ряд |
AVR® Atmega |
|
Опубликовано |
2007 |
|
Код JESD-609 |
E3 |
|
PBFREE CODE |
Да |
|
Статус частично |
Активный |
|
Уровень чувствительности влаги (MSL) |
3 (168 часов) |
|
Количество терминаций |
32 |
|
Терминальная позиция |
Квадратный |
|
Терминальная форма |
Крыло Печата |
|
Пиковая температура отвоз (° C) |
260 |
|
Напряжение снабжения |
5 В |
|
Терминал |
0,8 мм |
|
Частота |
16 МГц |
|
Время @ |
40 |
|
Базовый номер детали |
Atmega16u2 |
|
Квалификационный статус |
Не квалифицирован |
|
Интерфейс |
SPI, сериал, UART, USART, USB |
|
Размер памяти |
16 КБ |
|
Тип генератора |
Внутренний |
|
Размер оперативной памяти |
512 x 8 |
|
Напряжение - Поставка (VCC/VDD) |
2,7 В ~ 5,5 В. |
|
UPS/UCS/Периферический тип ICS |
Микроконтроллер, RISC |
|
Основной процессор |
Авр |
|
Периферийные устройства |
Brown-Out Detect/Reset, POR, PWM, WDT |
|
Тип памяти программы |
ВСПЫШКА |
|
Размер ядра |
8-битный |
|
Размер памяти программы |
16 КБ (8K x 16) |
|
Подключение |
SPI, UART/USART, USB |
|
Размер бита |
8 |
|
Имеет АЦП |
Нет |
|
Каналы DMA |
Нет |
|
Ширина шины данных |
8B |
|
Каналы ЦАП |
Нет |
|
Количество таймеров/счетчиков |
2 |
|
Eeprom размер |
512 x 8 |
|
Количество каналов ШИМ |
5 |
|
Количество каналов SPI |
1 |
|
Высота |
1,05 мм |
|
Длина |
7 мм |
|
Ширина |
7 мм |
|
Достичь SVHC |
Нет SVHC |
|
Статус ROHS |
ROHS3 соответствует |
|
Свободно привести |
Свободно привести |
|
Номер части |
Atmega16u2-au |
AT90USB162-16AUR |
Atmega8u2-au |
Atmega8u2-aur |
|
Производитель |
Технология микрочипа |
Технология микрочипа |
Технология микрочипа |
Технология микрочипа |
|
Пакет / корпус |
32-TQFP |
32-TQFP |
32-TQFP |
32-TQFP |
|
Количество булавок |
32 |
32 |
32 |
32 |
|
Ширина шины данных |
8 б |
8 б |
8 б |
8 б |
|
Номер в/вывода |
22 |
22 |
22 |
22 |
|
Интерфейс |
SPI, сериал, UART, USART, USB |
SPI, UART, USART, USB |
Ebi/emi, spi, uart, usart, usb |
Ebi/emi, spi, uart, usart, usb |
|
Размер памяти |
16 КБ |
8 кб |
16 КБ |
8 кб |
|
Напряжение снабжения |
5 В |
5 В |
4,5 В. |
- |
|
Периферийные устройства |
Brown-Out обнаруживает/сброс, сброс включения, программируемый ввод-вывод |
Brown-Out обнаруживает/сброс, сброс включения, программируемый ввод-вывод |
Brown-Out обнаруживает/сброс, сброс включения, программируемый ввод-вывод |
Brown-Out обнаруживает/сброс, сброс включения, программируемый ввод-вывод |
|
Особенность
Категория |
Подробности |
|
Основной
|
Высокая производительность, 8-битный микроконтроллер с низкой мощностью AVR® |
|
Архитектура |
Advanced RISC Architecture |
|
- 125 мощных инструкций - большинство одно тактовых циклов
Исполнение |
|
|
- 32 x 8 Рабочие регистры общего назначения |
|
|
- полностью статическая операция |
|
|
- До 16 MIPS пропускная способность при 16 МГц |
|
|
Память |
-8K/16K/32K байт в внутрисистемной самопрограммируемой вспышке |
|
- 512/512/1024 EEPROM |
|
|
- 512/512/1024 Внутренний SRAM |
|
|
- Циклы записи/стирания: 10 000 Flash/100 000 EEPROM |
|
|
- Удерживание данных: 20 лет при 85 ° C / 100 лет при 25 ° C |
|
|
- Необязательный раздел кода загрузки с независимыми битами блокировки |
|
|
-Программа программирования в системе по программе загрузки в четке |
|
|
-Истинная операция чтения, во время записи |
|
|
- Замок программирования для безопасности программного обеспечения |
|
|
USB -модуль |
- USB 2.0 модуль устройства USB 2.0 |
|
- Полностью соответствует универсальной спецификации последовательной шины
Rev 2,0 |
|
|
- 48 МГц PLL для полной скорости работы шины (12 Мбит/с) |
|
|
- 176 байт USB DPRAM для распределения памяти конечной точки |
|
|
- Конечная точка 0 для контрольных переводов (от 8 до 64 байтов) |
|
|
- 4 программируемые конечные точки |
|
|
- в направлениях или вне |
|
|
- объем, прерывание и изохронные трансферы |
|
|
- Программируемый максимальный размер пакета (от 8 до 64 байтов) |
|
|
- Программируемый сингл или двойной буфер |
|
|
- Приостановка/резюме прерывается |
|
|
- Сброс микроконтроллера на USB -шине сброс |
|
|
- Отключение шины USB по запросу микроконтроллера |
|
|
Периферийные особенности |
- один 8-битный таймер/счетчик с отдельным прескалером и
Сравните режим (два 8-битных ШИМ-канала) |
|
- один 16-битный таймер/счетчик с прескалером, сравните и
Режим захвата (три 8-битных ШИМ канала) |
|
|
- USART с режимом только для мастера SPI и аппаратным потоком
контроль (RTS/CTS) |
|
|
- Master/Slave SPI -серийный интерфейс |
|
|
- Программируемый таймер сторожевого пса с отдельным набережением
Генератор |
|
|
- Аналоговый компаратор в чипе |
|
|
- прерывать и пробудить при изменении булавки |
|
|
Отладка |
Интерфейс отладки в чипе (Debugwire) |
|
Специальные функции |
-Сброс мощности и программируемое обнаружение коричневого цвета |
|
- внутренний калиброванный генератор |
|
|
- Внешние и внутренние источники прерывания |
|
|
-Пять режимов сна: холостое, силовое, питание, вниз,
В режиме ожидания и расширенное резервное положение |
|
|
Ввод/вывод и пакеты |
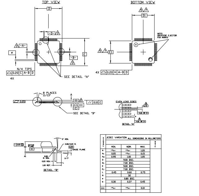
- 22 программируемые линии ввода/вывода |
|
- QFN32 (5x5mm) / TQFP32 |
|
|
Рабочее напряжение |
2.7 - 5,5 В. |
|
Рабочая температура |
Промышленность (от -40 ° C до +85 ° C) |
|
Максимальная частота |
- 8 МГц при 2,7 В (промышленный диапазон) |
|
- 16 МГц при 4,5 В (промышленный диапазон) |

Микроконтроллер ATMEGA16U2 выделяется благодаря своей замечательной эффективности мощности, обеспечивая высокую функциональность, потребляя минимальную энергию.Это качество делает его исключительно подходящим для портативных и аккумуляторных устройств, обслуживая тех, кто ценит долговечность и удобство.Построенный на передовой технологии памяти, микроконтроллер стремится к оптимальной производительности с акцентом на снижение ненужной потери мощности.Такая функция в основном привлекательна для приложений, которые требуют устойчивой операции, что позволяет устройствам функционировать в течение длительных периодов времени без хлопот частых перезарядки или изменения источников питания.
Поддержка развития, управляемого сообществом, добавляет еще один убедительный слой к преимуществам ATMEGA16U2.Система, оснащенный надежным загрузчиком, позволяет бесшовным обновлениям приложений, обеспечивая не разрушено текущие операции.Живое глобальное сообщество подпитывает обширную экосистему библиотек программного обеспечения и инструментов разработки, ускоряя процесс прототипирования и развертывание инновационных решений.Эта совместная среда воспитывает обмен знаниями и ресурсами, обеспечивая повседневные восприятия, которые обогащают и повышают разработку приложений.
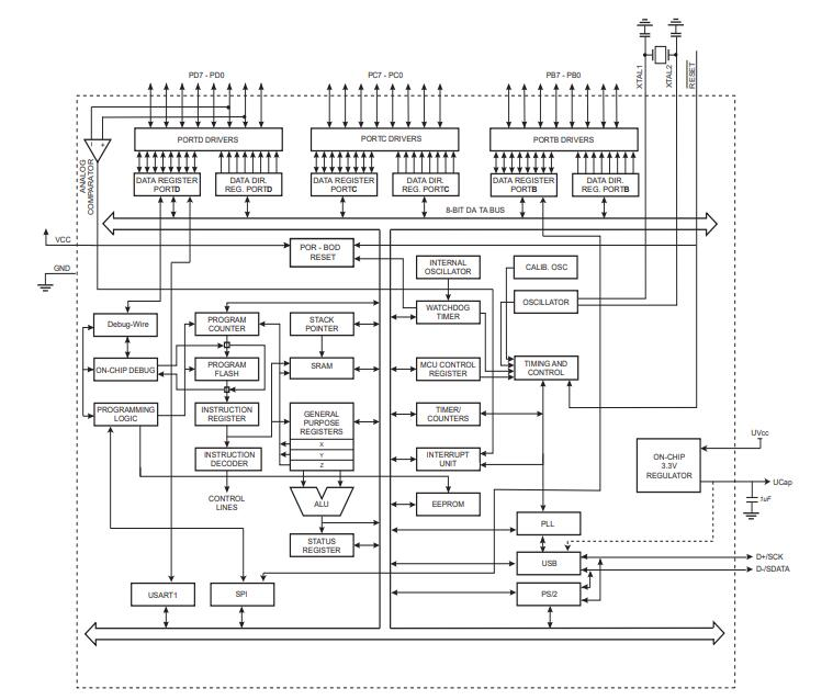
В основе ATMEGA16U2 лежит интегрированный процессор RISC наряду с флэш -памятью ISP, предоставляя ему непревзойденную универсальность, которая обслуживает широкий спектр встроенных систем.Эта интеграция дает микроконтроллеру выполнять сложные вычислительные задачи, обеспечивая при этом прямое программирование и выполнение.Архитектура специально предназначена для управления вычислительными операциями и многозадачностью, которые играют динамическую роль в различных приложениях - выступая от потребительской электроники, которая улучшает ежедневную работу до промышленной автоматизации, которая способствует эффективности и производительности в рабочей силе.

Microchip Technology Inc. появляется как выдающаяся сила в встроенных контрольных решениях, отражая посвящение инновациям, которое выходит за рамки его огромного выбора инструментов и предложений разработки.Организация может похвастаться прочной инфраструктурой, предназначенной для оптимизированных процессов проектирования, что эффективно облегчает реализацию продуктов в различных секторах.Работая из своей штаб -квартиры в Чендлере, штат Аризона, Microchip с гордостью обслуживает более 120 000 клиентов во всем мире, подчеркивая его существенное влияние и репутацию в многочисленных отраслях.
Ландшафт встроенного управления интенсивно трансформировался, поскольку инновационные предприятия, такие как Microchip, возглавляли заряд в этих технологических шагах.Их разнообразный портфель охватывает микроконтроллеры, а также обширный выбор периферийных устройств, которые были направлены на расширение общих системных возможностей.Эта богатая коллекция дает вам возможность настроить решения, адаптированные к их конкретным потребностям, проложив путь к разработке приложений, которые охватывают широкий спектр - от потребительской электроники до промышленной автоматизации.
Пожалуйста, отправьте запрос, мы ответим немедленно.
ATMEGA16U2 представляет собой 8-битный CMOS-микроконтроллер с низким энергопотреблением, построенный на AVR-усиленной архитектуре RISC.Эта конструкция точно изготовлена для максимизации эффективности питания и скорости обработки, достигая почти 1 MIP на МГц.Его архитектура поддается универсальным приложениям в различных областях, от встроенных систем до устройств IoT.Примечательно, что эффективное энергопотребление ATMEGA16U2 играет существенную роль в продлении срока службы устройств, управляемых аккумулятором.Взаимодействие между производительностью и эффективностью энергии отражает более широкие тенденции в технологии микроконтроллера, где цель состоит в том, чтобы уменьшить использование энергии без ущерба для скорости.Этот баланс может влиять на современные методы дизайна, особенно с точки зрения устойчивости.
Устройство оснащено 32 контактами, посвященными широкому диапазону функций ввода/вывода.Эти контакты являются активными интерфейсами для связывания микроконтроллера с другими компонентами, включая датчики и приводы.Наличие хорошо продуманной конфигурации PIN-кода может значительно улучшить конструкцию сложных систем, что приведет к повышению эффективности работы.Например, стратегическое распределение выводов обеспечивает бесшовную многозадачность и повышает общую реакцию системы.Опыт показывает, что сосредоточение внимания на назначении PIN -стимулов в начале процесса разработки может предотвратить потенциальные ограничения проектирования, подчеркивая вдумчивое планирование во время выполнения проекта.
ATMEGA16U2 поддерживается разнообразной коллекцией инструментов разработки, которые включают компиляторы C, отладчики, эмуляторы в цикле и наборы для оценки, которые помогают в разработке программы и системы.Использование этих ресурсов может значительно ускорить график разработки и повысить производительность, способствуя итеративному проектированию.Примечательно, что практическое использование этих инструментов при отладке и оптимизации кода, стратегия, которая доказала, что для управления тонкостями встроенного программирования.Синергия программных и аппаратных ресурсов подчеркивает комплексный подход к разработке, где использование обширных наборов инструментов приводит к инновационным и эффективным решениям.Принятие таких практик может углубить понимание производительности системы и проложить путь к будущим достижениям в области разработки технологий.
на 2024/11/15
на 2024/11/15
на 8000/04/18 147757
на 2000/04/18 111931
на 1600/04/18 111349
на 0400/04/18 83719
на 1970/01/1 79508
на 1970/01/1 66892
на 1970/01/1 63010
на 1970/01/1 62987
на 1970/01/1 54081
на 1970/01/1 52111