
А FQP30N06L это тип N-канального MOSFET, который полностью включается с входом низкого напряжения, например, сигналы от микроконтроллера, например, 3,3 В или 5 В.Это специально сделано для снижения потери мощности и улучшения, как быстро он может включать и выключаться.Вы найдете это полезным для таких вещей, как Car Systems, DC/DC Converters и управление мощностью в портативных устройствах.Он также построен для обработки пиков напряжения, что делает его хорошим выбором для цепей с двигателями или переключающими питаниями, где могут произойти скачки питания.

| Штифт № | Название вывода | Описание |
| 1 | Ворота | Контролирует основание MOSFET |
| 2 | Осушать | Где текущий течет в |
| 3 | Источник | Где текущий вытекает |



FQP30N06L имеет несколько функций, которые выделяют его, когда вы выбираете компоненты для вашей схемы.
Этот MOSFET использует пакет TO-220, который известен своей сильной конструкцией и хорошим рассеянием тепла.Металлическая вкладка помогает с охлаждением, позволяя тепло выходить из компонента легче.Это особенно полезно, когда компонент обрабатывает много тока или используется в приложениях, жаждущих мощности.
FQP30N06L представляет собой N-канальный MOSFET, что означает, что он позволяет току течь, когда к затвору применяется положительное напряжение.N-Channel Mosfets предпочтительнее для многих схем, потому что они обычно имеют более низкое сопротивление при включении, что делает их более эффективными в управлении властью.
FQP30N06L предназначен для установки через отверстия на плате.Этот сквозной монтаж обеспечивает сильную физическую связь и особенно полезно в среде высокого стресса, например, с вибрацией или движением, поскольку он гарантирует, что MOSFET остается на месте.
Этот MOSFET может обрабатывать до 32 ампер непрерывного тока.Это означает, что он может управлять большим количеством энергии, что делает его хорошим выбором для устройств, которые привлекают большое количество тока, такие как двигатели или большие расходные материалы.
FQP30N06L может обрабатывать напряжение до 60 вольт между его стоком и источником.Это делает его подходящим для цепей, которые необходимы для управления более высокими уровнями напряжения, например, в автомобильных системах или промышленном оборудовании.
Одной из ключевых особенностей является сопротивление с низким источником источника 45 МОм.Это низкое сопротивление помогает уменьшить количество тепла, генерируемого при включении MOSFET, что означает меньшую потраченную впустую энергию и более эффективную производительность в целом.
Веревка может обрабатывать широкий диапазон напряжений, до ± 20 вольт.Это дает вам гибкость при разработке цепей, потому что вы можете использовать различные напряжения затвора, не повреждая MOSFET.
FQP30N06L может рассеять до 79 Вт мощности без перегрева.Это означает, что он может справиться с большим количеством энергии, прежде чем вам нужно будет беспокоиться о перегреве, что делает его идеальным для приложений, где требуется высокая мощность, например, инверторы питания.
Он работает в широком диапазоне температур, от -55 ° C до +175 ° C.Независимо от того, используете ли вы его в холодных условиях или в промышленных приложениях с высоким уровнем нагревания, этот MOSFET будет продолжать функционировать надежно.
FQP30N06L предлагает несколько преимуществ, которые помогают ему хорошо работать в различных целях.
Сопротивление в штате составляет всего 0,035 Ом, что означает, что меньше мощности теряется как тепло.Это делает ваши схемы более энергоэффективными, особенно при работе с высокими токами.
С зарядом ворот всего 15 NC, FQP30N06L быстро включается и выключается.Этот быстрый отклик ценен в таких приложениях, как контроллеры двигателей модуляции ширины импульса (ШИМ), где быстрая скорость переключения повышала производительность.
Его выходная емкость 50 PF позволяет более быстрое переключение.Это особенно полезно в высокочастотных цепях, таких как преобразователи DC-DC и инверторы, где вы хотите быстро и эффективно производительность.
Он включается всего за 15 нс и выключен в 60 нс.Эти быстрое время переключения делают его идеальным для приложений, которые требуют быстрых ответов, таких как переключение питания.
FQP30N06L проверяется для выдержания высокоэнергетических импульсов, что делает его надежным в ситуациях, когда могут возникнуть шипы напряжения, например, в цепях управления двигателем или электросновь.
MOSFET построен для обработки быстрых изменений напряжения без повреждений.Это делает его идеальным для приложений, которые включают быстрое переключение или колеблющиеся напряжения.
| Тип | Параметр |
| Статус жизненного цикла | Активный (последний обновлен: 2 дня назад) |
| Время выполнения завода | 4 недели |
| Устанавливать | Через дыру |
| Монтажный тип | Через дыру |
| Пакет / корпус | До 220-3 |
| Количество булавок | 3 |
| Масса | 1,8 г |
| Материал транзистора | Кремний |
| Ток - непрерывная дренаж (ID) @ 25 ℃ | 32A TC |
| Напряжение привода (MAX RDS ON, MIN RDS ON) | 5 В 10 В. |
| Количество элементов | 1 |
| Рассеяние власти (макс) | 79 Вт TC |
| Отключить время задержки | 60 нс |
| Рабочая температура | -55 ° C ~ 175 ° C TJ |
| Упаковка | Трубка |
| Ряд | QFET® |
| Опубликовано | 2013 |
| Код JESD-609 | E3 |
| PBFREE CODE | да |
| Статус частично | Активный |
| Уровень чувствительности влаги (MSL) | 1 (неограниченный) |
| Количество терминаций | 3 |
| Код ECCN | Ear99 |
| Сопротивление | 35mohm |
| Терминальная отделка | Олово (SN) |
| Напряжение - рейтинг DC | 60 В |
| Текущий рейтинг | 32а |
| Конфигурация элемента | Одинокий |
| Операционный режим | Режим улучшения |
| Рассеяние власти | 79 Вт |
| Включить время задержки | 15 нс |
| Тип FET | N-канал |
| Приложение транзистора | Переключение |
| Rds on (max) @ id, vgs | 35 м ω @ 16a, 10 В |
| Vgs (th) (max) @ id | 2,5 В при 250 мкА |
| Входная емкость (ciss) (max) @ vds | 1040pf @ 25V |
| Заряд затвора (qg) (max) @ vgs | 20NC @ 5V |
| Время подъема | 210NS |
| VGS (макс) | ± 20 В. |
| Время падения (тип) | 110 нс |
| Непрерывный ток дренажа (ID) | 32а |
| Пороговое напряжение | 2,5 В. |
| Jedec-95 код | До-220AB |
| Веревка к источническому напряжению (VGS) | 20 В |
| Слив до источника напряжения разбивки | 60 В |
| Номинальные VGS | 2,5 В. |
| Высота | 16,3 мм |
| Длина | 10,67 мм |
| Ширина | 4,7 мм |
| Достичь SVHC | Нет SVHC |
| Радиационное упрочнение | Нет |
| Статус ROHS | ROHS3 соответствует |
| Свободно привести | Свободно привести |

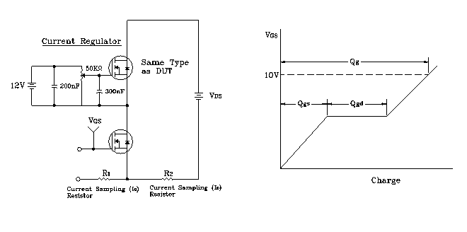
Схема тестирования заряда и форма волны для FQP30N06L

Резитивное переключение цепь и форма волны для FQP30N06L

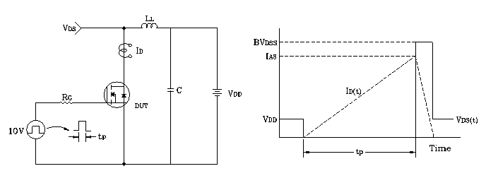
Схема тестирования индуктивного переключения и формы волны для FQP30N06L
| Номер части | Описание | Производитель |
| FQP30N06L Транзисторы | N-канальный QFET® MOSFET 60V, 32A, 35 МОм, 3LD, TO220, JEDEC, LONDED, 1000/RAIL | Fairchild Semiconductor Corporation |
| FQP30N06LJ69Z Транзисторы | Транзистор с энергопотреблением, 32A (ID), 60 В, 0,045Ω, 1-элементный, n-канал, кремний, металлический полупроводник FET, до 220, 3 кондиционера | Fairchild Semiconductor Corporation |
FQP30N06L работает в широком диапазоне цепей, включая питания переключателя, управление двигателями и аудио-усилители.Это отличный вариант для устройств, которые требуют как высокой обработки тока, так и быстрого переключения.
FQP30N06L является универсальным и может использоваться во многих различных типах цепей, предлагая вам гибкость при создании или ремонте электронных систем.
Этот MOSFET хорошо работает в схемах управления питанием, которые требуют эффективности и быстрых ответов.Он подходит для устройств и систем, которые необходимо сэкономить энергию.
FQP30N06L хорошо работает в приложениях управления двигателем, что дает вам точное управление скоростью и крутящим моментом двигателя.Это полезно для электромобилей, роботов и других устройств, которые нуждаются в моторном регулировании.
При управлении двигателями постоянного тока быстрый скорость переключения обеспечивает плавную и эффективную работу, что снижает шум и повышает производительность.
Этот MOSFET идеально подходит для питания переключателя, где его быстрое переключение и низкая тепловая обработка заставляют систему работать более эффективно и длиться дольше.
В аудио-усилителях, особенно усилителях класса D, FQP30N06L предлагает быстрое переключение и низкое искажение, что обеспечивает высококачественное звучание с низким использованием мощности.
Он хорошо работает в высокоскоростных цепях переключения, таких как инверторы, преобразователи и другие устройства, которые требуют быстрых переходов между состояниями включения и за ее пределами.
FQP30N06L обычно используется в преобразователях постоянного тока/постоянного тока, где его эффективность и быстрое переключение справится на ступенчатом напряжении вверх или вниз, не теряя энергии.

На полупроводнике производится высококачественные МСФЕТЫ, такие как FQP30N06L.Их продукция широко используется в различных отраслях, включая автомобильную, потребительскую электронику и промышленное оборудование.Они известны тем, что создают энергоэффективные компоненты, которые помогают вам строить цепи, которые работают гладко и сохраняют мощность.
FQP30N06L-это N-канальный режим улучшения мощности, часть семейства QFET®.Он построен с использованием передовой технологии MOSFET, такой как Planar Stripe и DMOS, которая помогает снизить сопротивление в штате и повысить производительность переключения.Он также обладает способностью обрабатывать импульсы с высокой энергией, что делает его подходящим для различных применений.
МОСФЕТ ЛОГИЧЕСКОГО УВЕДЕНИЯ предназначен для полного включения с более низкими уровнями напряжения, предоставленными микропроцессором.В отличие от обычных межфетов, которые обычно нуждаются в 10 В, логические mosfets работают при 5 В или 4,5 В.Если MOSFET указывает только операцию при 10 В, он не считается логическим уровнем.
Чтобы проверить MOSFET, выполните следующие действия: удерживайте MOSFET по корпусу или вкладке, избегая контакта с металлическими частями тестовых зондов.Во -первых, поместите положительный лидер измерителя на терминале «Врата».Затем переместите положительный зонд в терминал «дренаж».Низкий показатель указывает на то, что MOSFET работает.
Существует два основных типа МОП -апферов: режим истощения и режим улучшения.Оба эти типа доступны в вариациях N-канала и P-канала, что приводит к в общей сложности четыре типа МОП-трансфер.Каждый тип можно использовать в зависимости от конкретной конструкции схемы.
Пожалуйста, отправьте запрос, мы ответим немедленно.
на 2024/10/15
на 2024/10/14
на 8000/04/18 147758
на 2000/04/18 111958
на 1600/04/18 111349
на 0400/04/18 83726
на 1970/01/1 79510
на 1970/01/1 66929
на 1970/01/1 63078
на 1970/01/1 63017
на 1970/01/1 54086
на 1970/01/1 52153