
Функция каждого инвертора в 74LS04 это изменить логическое состояние входного сигнала, перемещая его с высокого до низкого или низкого до высокого.Эта операция играет динамическую роль в конструкции электронной схемы, влияя на как аналоговые, так и цифровые приложения, позволяя универсальному манипулированию сигналом и эффективной обработкой данных.
В электронных системах, в основном в цифровых цепях, инверторы 74LS04 поддерживают логические операции.Эти инверторы используются для строительства не ворота, облегчая реализацию сложных логических функций.Более того, они могут быть настроены для формирования передовых логических ворот, таких как NAND и NO, тем самым расширяя вычислительные возможности.В аналоговых системах 74LS04 значительно вносит вклад в то, чтобы сигнализировать целостность и формирование шума.Инвертируя сигналы, эти компоненты помогают в синхронизации и стимуляции в цепях связи.Это взаимодействие уменьшает расхождения времени и повышает ясность сигнала, повышая общую производительность.




|
Особенность |
Спецификация |
|
Диапазон подачи напряжения |
+4,75 В до +5,25 В. |
|
Максимальное поставляемое напряжение |
+7 В. |
|
Максимальный выходной ток на затвор |
8 мА |
|
Выходы TTL |
Без свинца |
|
Максимальное время нарастания |
15NS |
|
Максимальное время падения |
15NS |
|
Диапазон рабочей температуры |
0 ° C до 70 ° C. |

|
Параметр |
SN54S04 |
SN74S04 |
Единица |
||||
|
Мин |
Максимум |
Мин |
Максимум |
||||
|
VCC напряжение питания |
4.5 |
5 |
5.5 |
4.75 |
5 |
5.25 |
V. |
|
VIH высокого уровня вход
Напряжение |
2 |
2 |
V. |
||||
|
VIL низкоуровневый вход
Напряжение |
0,8 |
0,8 |
V. |
||||
|
IOH Высокий уровень
выходной ток |
-1 |
-1 |
магистр |
||||
|
ИОЛ Низкоуровневый выход
текущий |
20 |
20 |
магистр |
||||
|
ТА работает
температура |
-55 |
125 |
0 |
70 |
° C. |
||
|
Номер части |
Описание |
Производитель |
|
GD54LS04Logic |
Инвертор, серия LS, 6-фанк, 1 вход, TTL, PDIP14 |
Goldstar Electron Co Ltd |
|
Sn74ls04nlogic |
Инвертор, серия LS, 6-фунтовый, 1-в-вход, TTL, PDIP14, 646-06 |
Motorola полупроводниковые продукты |
|
Sn74ls04n-00logic |
LS Series, Hex 1-input invert Gate, PDIP14, пакет-14 |
Rochester Electronics LLC |
|
Sn74ls04jlogic |
HEX Inverters 14-CDIP от 0 до 70 |
Техасские инструменты |
|
M38510/30003Scalogic |
Инвертор, серия LS, 6-функ
Керамика, DIP-14 |
Signetics |
|
74LS04alogic |
IC LS Series, Hex 1-input Invert Gate, PDIP14, Gate |
NXP полупроводники |
|
GD74LS04Logic |
Инвертор, TTL, PDIP14 |
LG Semicon Co Ltd |
|
GD74LS04JLogic |
Инвертор, серия LS, 6-функ |
Goldstar Electron Co Ltd |
|
HD74LS04Plogic |
Инвертор, серия LS, 6-фунтовый, 1 вход, TTL, PDIP14, DP-14 |
Hitachi Ltd |
|
M38510/30003bcalogic |
Инвертор, серия LS, 6-функ
Керамика, DIP-14 |
Motorola полупроводниковые продукты |
Вот информация, представленная в формате таблицы для полупроводника Raytheon 74LS04NПолем
|
Тип |
Параметр |
|
Код JESD-609 |
E0 |
|
Терминальная отделка |
Олово/свинец (SN/PB) |
|
Пиковая температура отвоз (° C) |
НЕ УКАЗАН |
|
Время @ Пиковая температура отем (максимум) |
НЕ УКАЗАН |
|
Статус ROHS |
Не совместимый с ROHS |
74LS04, шестигранный инвертор, находит различные приложения в логических цепях, обеспечивая инверсию сигнала.Он используется для создания сложных логических функций, улучшения потока операций в цифровых цепях.Вы можете полагаться на этот компонент для управления уровнями сигнала, обеспечивая точное время и секвенирование, которые полезны в практических приложениях.
При разработке сервера 74LS04 используется для кондиционирования и модификации сигнала, обрабатывая цифровые сигналы для обеспечения плавной обработки данных и снижения задержки.Этот компонент полезен для схем управления питанием на серверах, особенно в центрах данных с высоким трафиком, где надежность и эффективность приоритет.
В цифровых инструментах 74LS04 полезен для стабилизирующих входов и выходов сигнала, что способствует точным и заслуживающим доверия измерениям.Он играет существенную роль в устройствах, требующих высокой точности, таких как осциллографы и мультиметры, поддерживая их постоянную производительность в реальных ситуациях.
В сетевых системах 74LS04 способствует повышению сигналов и снижению шума.Он интегрируется в протоколы передачи данных, чтобы поддержать целостность и эффективность данных, в частности, приносят пользу средам, где максимизация пропускной способности и минимизации ошибок вызывают высокую оценку.

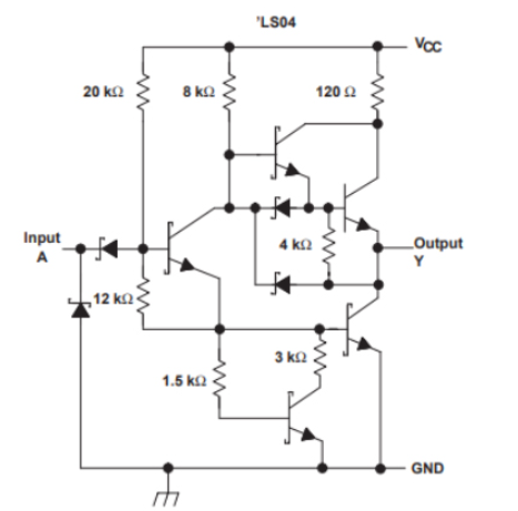
74LS04 содержит шесть отдельных ворот, каждый из которых выполняет функцию реверта логики.Выходные сигналы прямо противоположны их соответствующим входным сигналам.Инвертор реверсирует фазу входного сигнала на 180 градусов.Эта схема находит свое применение в различных аналоговых системах, включая аудио -усилители и тактовые генераторы.Инверторы широко используются в конструкции электронной схемы, формируя функциональность с точностью и адаптивностью.
Пожалуйста, отправьте запрос, мы ответим немедленно.
на 2024/10/24
на 2024/10/24
на 8000/04/18 147757
на 2000/04/18 111931
на 1600/04/18 111349
на 0400/04/18 83719
на 1970/01/1 79508
на 1970/01/1 66892
на 1970/01/1 63010
на 1970/01/1 62987
на 1970/01/1 54081
на 1970/01/1 52111