
AD8542AR представляет собой сдвоенный операционный усилитель общего назначения, созданный для работы с низким энергопотреблением и обеспечивающий высочайшие характеристики входного и выходного сигнала.Он работает от одного источника питания и поддерживает системы низкого напряжения, где требуется эффективная обработка сигналов.Устройство обеспечивает стабильное усиление небольших аналоговых сигналов, сохраняя при этом стабильное поведение во всем рабочем диапазоне.Его двухканальная конструкция обеспечивает компактную компоновку схемы и уменьшает количество компонентов.Обычное использование включает в себя преобразование сигнала датчиков, инструменты с батарейным питанием, портативные измерительные устройства и базовые этапы аналоговой обработки.Эта деталь сочетает в себе точность и энергоэффективность для повседневных аналоговых функций.Ищете AD8542AR?Свяжитесь с нами, чтобы проверить наличие на складе, сроки выполнения и цены.

| Номер контакта | Имя контакта | Описание |
| 1 | ВЫХОД А | Выход усилителя А |
| 2 | −ИН А | Инвертирующий вход усилителя А |
| 3 | +ИН А | Усилитель Неинвертирующий вход |
| 4 | В- | Отрицательное питание или земля |
| 5 | +В Б | Неинвертирующий вход усилителя B |
| 6 | −ИН Б | Инвертирующий вход усилителя B |
| 7 | ВЫХОД Б | Выход усилителя B |
| 8 | В+ | Положительное предложение |



AD8542AR содержит два независимых канала усилителя в одном устройстве.Это позволяет одному компоненту обрабатывать парные аналоговые сигналы, что помогает уменьшить пространство на плате и упрощает компоновку схемы.Оба канала работают с согласованным электрическим поведением, поддерживая сбалансированную и последовательную обработку сигналов.
Входные и выходные данные могут колебаться вблизи обоих уровней предложения.Это позволяет лучше использовать доступный диапазон напряжений, особенно в системах низкого напряжения.Сигналы могут обрабатываться с минимальной потерей динамического диапазона при работе от одного источника питания.
При нормальной работе устройство потребляет очень небольшой ток питания.Это способствует увеличению срока службы батареи и снижению общего энергопотребления.Он хорошо подходит для систем, которые остаются активными в течение длительного периода времени.
Небольшое входное напряжение смещения помогает поддерживать точность при усилении сигналов низкого уровня.Это уменьшает нежелательную ошибку напряжения на выходе.Стабильное поведение смещения обеспечивает повторяемость измерений.
Входной каскад потребляет лишь очень небольшой ток.Это сводит к минимуму взаимодействие с источниками сигналов с высоким импедансом.Это помогает сохранить целостность сигнала в чувствительных входных путях.
Полоса усиления поддерживает распространенные частоты аналоговых сигналов, используемые в схемах измерения и управления.Он обеспечивает стабильное усиление без чрезмерного искажения сигнала.Это делает устройство подходящим для широкого спектра повседневных аналоговых задач.
Скорость нарастания обеспечивает плавные переходы выходного сигнала при изменении входного сигнала.Это обеспечивает стабильное отслеживание сигнала без резких перепадов.Это помогает поддерживать предсказуемый временной отклик.
Выходной каскад может генерировать и потреблять ток умеренного уровня.Это позволяет напрямую подключать такие нагрузки, как фильтры или преобразователи.Во многих конструкциях дополнительный буферный каскад не требуется.
Усилитель работает в широком диапазоне напряжений питания.Это обеспечивает совместимость с различными уровнями мощности системы.Он поддерживает гибкую интеграцию в конструкции со смешанным напряжением.
Устройство предназначено для работы в широком диапазоне температур.Электрические характеристики остаются стабильными при различных температурных условиях.Это поддерживает использование в промышленных и наружных условиях.
| Атрибут продукта | Значение атрибута |
| Производитель | Аналоговые устройства, Inc. |
| Напряжение – диапазон питания (мин.) | 2,7 В |
| Напряжение – диапазон питания (макс.) | 5,5 В |
| Напряжение — входное смещение | 1 мВ |
| Продукт увеличения пропускной способности | 1 МГц |
| Скорость нарастания | 0,92 В/мкс |
| Тип выхода | Железнодорожный транспорт |
| Текущий - Поставка | 45 мкА (2 канала) |
| Ток — выход/канал | 30 мА |
| Ток – входное смещение | 4 Па |
| Рабочая температура | -40°С ~ 125°С |
| Количество цепей | 2 |
| Тип монтажа | Поверхностный монтаж |
| Пакет устройств поставщика | 8-СОИК |
| Пакет/кейс | 8-SOIC (ширина 0,154 дюйма, 3,90 мм) |
| Пакет | Трубка |
| Базовый номер продукта | AD8542 |

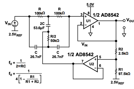
Активный режекторный фильтр Twin-T настроен на подавление помех частотой 60 Гц с использованием обоих каналов двойного операционного усилителя AD8542 в режиме однополярного питания.Схема сочетает в себе пассивную схему Twin-T, состоящую из согласованных резисторов и конденсаторов, с активным каскадом усилителя для увеличения глубины выреза и управления добротностью, которая устанавливается на 10 через определенное соотношение резисторов.Источник питания 5,0 В используется с опорным напряжением 2,5 В для смещения пути прохождения сигнала, что обеспечивает правильную работу без отрицательной шины.Одна секция усилителя обрабатывает отфильтрованный сигнал, а вторая буферизует опорный сигнал среднего напряжения, обеспечивая стабильное смещение.Значения компонентов выбираются для установления режекционной частоты в соответствии со стандартным соотношением RC, что делает конфигурацию подходящей для подавления шума линии электропередачи в трактах низкочастотных аналоговых сигналов.
AD8542AR обычно используется в портативной электронике, где требуется низкое напряжение питания и малая мощность.Он поддерживает стабильное усиление сигнала при минимальном потреблении тока, что помогает продлить время работы от батареи.Поведение от шины к шине позволяет точно обрабатывать сигналы даже при изменении напряжения батареи.
В системах на основе датчиков AD8542AR используется для усиления, буферизации или масштабирования сигналов низкого уровня перед дальнейшей обработкой.Низкий входной ток смещения помогает избежать нагрузки на чувствительные выходы датчиков.Это обеспечивает более чистую передачу сигнала от датчиков, таких как датчики температуры, давления или светочувствительные элементы.
Устройство хорошо вписывается в приборы, которые должны оставаться активными в течение длительного времени.Он обеспечивает стабильное усиление при низком энергопотреблении.Это делает его пригодным для мониторинга оборудования, где требуются стабильное поведение сигнала и эффективность.
AD8542AR используется в аналоговых входных каскадах для подготовки сигналов для блоков преобразования или управления.Это помогает стабилизировать уровни напряжения и сгладить переходы сигналов.Это улучшает согласованность аудиотрактов, цепей пользовательского ввода и низкоскоростных аналоговых интерфейсов.
В промышленных системах усилитель поддерживает преобразование сигнала для обратной связи управления и каналов мониторинга.Широкий диапазон рабочих температур позволяет ему надежно работать в изменяющихся условиях окружающей среды.Это обеспечивает предсказуемое поведение системы в долгосрочной перспективе.
AD8542AR часто выбирают для решения общих задач усиления встроенных платформ.Он может буферизовать сигналы между смешанными аналоговыми и цифровыми блоками.Такая гибкость позволяет ему поддерживать функции фильтрации, масштабирования и изоляции в компактных конструкциях.

Компактный корпус для поверхностного монтажа, состоящий из восьми выводов, расположенных симметрично вокруг узкого прямоугольного корпуса, размеры которого для справки указаны в миллиметрах и дюймовых эквивалентах.На схеме показана ширина корпуса примерно от 3,80 до 4,00 мм и общая длина примерно от 4,80 до 5,00 мм с номинальным шагом выводов 1,27 мм.Геометрия выводов включает в себя определенную ширину, толщину и высоту зазора для обеспечения правильной пайки и копланарности, которая составляет 0,10 мм.На чертеже указано выравнивание посадочной плоскости, углы подъема и детали фаски, а также отмечено соответствие стандарту JEDEC MS-012-AA, обеспечивающему постоянную механическую совместимость при сборке печатной платы.
• Двухканальная конструкция обеспечивает компактную схему схемы.
• Низкий ток питания поддерживает энергоэффективную работу.
• Rail-to-rail вход и выход позволяют лучше использовать низкое напряжение питания.
• Очень низкий входной ток смещения подходит для источников сигналов с высоким импедансом.
• Широкий диапазон рабочих температур позволяет работать в различных средах.
• Стабильное поведение соответствует обработке аналоговых сигналов общего назначения.
• Ограниченная полоса усиления ограничивает использование сигналов более высокой частоты.
• Умеренная скорость нарастания сигнала ограничивает реакцию на быстрые изменения сигнала.
• Диапазон напряжения питания не поддерживает системы с более высоким напряжением.
• Конструкция общего назначения может не подходить для приложений со сверхнизким уровнем шума.
| Номер детали | Производитель | Ключевые особенности | Вариант использования/примечания |
| AD8542ARM-КАТУШКА | Аналоговые устройства, Inc. | Двойной операционный усилитель малой мощности с размахом выходного сигнала, низким входным током смещения и стабильной работой в широком диапазоне температур.Поставляется в ленточной и катушечной упаковке для автоматизированной сборки. | Хорошо подходит для конструкций с батарейным питанием и ограниченным пространством, которые полагаются на автоматизированное производство поверхностного монтажа, включая портативные приборы и схемы формирования сигналов датчиков. |
| AD8542AR-REEL7 | Аналоговые устройства, Inc. | Двойной операционный усилитель общего назначения с размахом выходов, низким током покоя и стабильными электрическими характеристиками.Поставляется в рулонной упаковке большого объема. | Обычно используется в крупносерийном производстве для задач обработки аналоговых сигналов, таких как усиление, буферизация и преобразование в системах управления и мониторинга. |
| AD8542AR-КАТУШКА | Аналоговые устройства, Inc. | Двойной операционный усилитель малой мощности с размахом выходного сигнала, умеренной полосой пропускания и низким входным током смещения.Предназначен для поверхностного монтажа. | Подходит для обычных аналоговых схем, где требуется низкое энергопотребление и компактный корпус для поверхностного монтажа, таких как бытовая электроника и встраиваемые системы. |
Analog Devices, Inc. — технологическая компания, занимающаяся разработкой и производством компонентов для аналоговых, смешанных и цифровых сигналов.Портфель продуктов компании поддерживает измерение, преобразование сигналов, управление питанием и обработку данных в широком спектре электронных систем.Компания обслуживает такие рынки, как промышленное оборудование, средства связи, устройства для здравоохранения и бытовая электроника.Ее долгая история эксплуатации отражает ориентацию на стабильную работу, стабильное качество и долгосрочную поддержку продукции.Компоненты компании обычно используются в системах, требующих надежного поведения сигнала в различных электрических условиях и условиях окружающей среды.
AD8542AR предлагает сбалансированное сочетание низкого энергопотребления, стабильной производительности и гибкой обработки сигналов.Вы можете положиться на его двухканальную настройку, которая сэкономит место и уменьшит количество дополнительных деталей в вашей схеме.Его размах напряжения позволяет получить больше от низкого напряжения питания без сложных смещений.Благодаря низкому входному току смещения и напряжению смещения он четко обрабатывает малые сигналы.Устройство хорошо работает в широком диапазоне температур, что делает его надежным во многих средах.В целом, он прекрасно вписывается в повседневные аналоговые конструкции, где простота и эффективность имеют значение.
Пожалуйста, отправьте запрос, мы ответим немедленно.
AD8542AR — это сдвоенный операционный усилитель общего назначения, предназначенный для работы с низким энергопотреблением и однополярным питанием.
Да, он предназначен для работы от одного напряжения питания и поддерживает вход и выход с напряжением Rail-to-Rail.
Вы часто видите это в формировании сигнала датчиков, портативной электронике, контрольно-измерительных приборах и базовых схемах аналоговой обработки.
AD8542AR поставляется в 8-выводном корпусе SOIC для поверхностного монтажа в узком корпусе.
Да, очень низкий входной ток смещения делает его пригодным для схем, подключенных к источникам сигналов с высоким импедансом.
на 2026/01/13
на 2026/01/13
на 8000/04/18 147770
на 2000/04/18 112000
на 1600/04/18 111351
на 0400/04/18 83768
на 1970/01/1 79561
на 1970/01/1 66958
на 1970/01/1 63098
на 1970/01/1 63039
на 1970/01/1 54095
на 1970/01/1 52179