
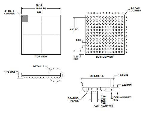
А AD9361 выделяется как универсальный RF -гибкий приемопередатчик, адаптированный для современных визитов на базовую станцию 3G и 4G.Охватывая широкий частотный спектр от 70 МГц до 6,0 ГГц, он демонстрирует свою универсальность и выравнивание с различными требованиями беспроводной связи.С интеграцией радиочастотного фронта наряду с гибкими базовыми полосами и частотными синтезаторами, дизайн оптимизируется, представляя цифровой интерфейс для процессоров.Этот эффективный пакет, заключенный в 10 мм × 10 мм, 144-мяча CSP_BGA, обслуживает приложения, где пространство находится на премии.Объединяя широкий частотный спектр, AD9361 поддерживает множество применений приемопередатчиков, включая базовые станции и передовые беспроводные системы.Его программируемая природа дает возможность настроить устройство для точных спецификаций, улучшения процесса разработки и повышения производительности.
Пропускания каналов охватывают от менее 200 кГц до 56 МГц, что делает AD9361 подходящим для широкого спектра применений.Эта гибкость полосы пропускания позволяет легко выравнивать с различными нормами связи, способствуя эффективному управлению ресурсами.Полевой тест подчеркивает, как эта адаптивность обеспечивает быстрые и точные реакции на динамические среды.Возможность AD9361 к цифровому взаимодействию с процессорами снимает обычные проблемы в дизайне радиочастотных рак.Объединяя несколько функций в единый блок, он уменьшает необходимость в дополнительных компонентах, оптимизируя общую конструкцию системы.Эта стратегия часто получает награды на промышленных форумах за его способность минимизировать затраты и повысить надежность за счет снижения точек отказа.



Технические характеристики, атрибуты и параметры аналоговых устройств Inc. AD9361, а также части, сопоставимые с аналоговыми устройствами Inc. AD9361BBCZПолем
|
Тип |
Параметр |
|
Статус жизненного цикла |
Производство (последнее обновление: 2 недели назад) |
|
Контакт |
Медь, серебро, олова |
|
Монтажный тип |
Поверхностное крепление |
|
Количество булавок |
144 |
|
Упаковка |
Поднос |
|
PBFREE CODE |
нет |
|
Уровень чувствительности влаги (MSL) |
3 (168 часов) |
|
Код ECCN |
5A991.B |
|
Терминальная отделка |
Олово/серебро/медь (sn/ag/cu0,5) |
|
Терминальная форма |
МЯЧ |
|
Количество функций |
1 |
|
Терминал |
0,8 мм |
|
Частота |
70 МГц - 6 ГГц |
|
Базовый номер детали |
AD9361 |
|
Операционное напряжение питания |
1,3 В. |
|
Питание - выход |
0,8 МВт |
|
Серийные интерфейсы |
SPI |
|
Ток - передача |
240 мА ~ 800 мА |
|
Шумовая фигура |
2,5 дБ |
|
Длина |
10 мм |
|
Достичь SVHC |
Нет SVHC |
|
Свободно привести |
Содержит свинец |
|
Время выполнения завода |
8 недель |
|
Устанавливать |
Поверхностное крепление |
|
Пакет / корпус |
144-LFBGA, CSPBGA |
|
Рабочая температура |
-40 ° C ~ 85 ° C. |
|
Код JESD-609 |
E1 |
|
Статус частично |
Активный |
|
Количество терминаций |
144 |
|
Тип |
Только TX-RX |
|
Терминальная позиция |
НИЖНИЙ |
|
Пиковая температура отвоз (CEL) |
260 |
|
Напряжение снабжения |
1,3 В. |
|
Глубина |
10 мм |
|
Время@Пиковой температуру (я) |
НЕ УКАЗАН |
|
Подсчет штифтов |
144 |
|
Протокол |
LTE |
|
РФ СЕМЬЯ/Стандарт |
Клеточный |
|
Ток - получение |
175 мА ~ 445 мА |
|
Количество приемников |
2 |
|
Высота |
1 мм |
|
Ширина |
10 мм |
|
Статус ROHS |
ROHS COMPARINT |

Приемопередатчик вмещает как дуплексные (TDD), так и дуплексные дуплексные (FDD) операции, предлагая универсальный двойной режим.Эта гибкость обеспечивает бесшовную интеграцию в различные системы связи.От телекоммуникаций до военных приложений эта адаптивность улучшает стратегии в различных сложных условиях.
Настройка канала охватывает от менее 200 кГц до 56 МГц, предлагая впечатляющую адаптивность.Это обеспечивает индивидуальную производительность в разных полосах частот: узкополосных приложений и широкополосных приложений.Технологии, такие как LTE и 5G, эффективно используют эту настроение для оптимизации эффективности спектра и минимизации интерференций, что значительно повышает эффективность работы.
Высокая чувствительность приемника играет роль в надежном обнаружении сигналов, особенно в сложных условиях.Эта функция используется в отдаленных районах и сельских районах.Такая чувствительность полезна для поддержания прочных связей, особенно для общения в таких секторах, как аварийные службы или удаленный мониторинг здравоохранения.
AD9361-это ядро в точках связи, отмечаемая своей замечательной адаптивностью.Его искусственность в управлении спектром частот и полосы пропускания делает его оптимальным выбором в этих системах.Другие часто используют свой потенциал интеграции, чтобы создать оптимизированные сети, повышая как надежность, так и производительность ссылок.Опытно оптимизируя ресурсы, вы можете свидетельствовать об улучшении в подключении к точке.
На базовых станциях AD9361 отличается своей устойчивостью и выдающимися показателями эффективности.Он плавно интегрируется с различными сетевыми стандартами, способствуя замечательной масштабируемости и гибкости, от двух аспектов, от которых зависит современная телекоммуникационная инфраструктура.Многие имеют прибыль в эксплуатационной эффективности и снижении расходов на развертывание за счет включения AD9361 в свои рамки.
Универсальность устройства также сияет в радиосистемах общего назначения, где спрос на настройку и адаптивность высок.Другие ценят способность AD9361 одновременно управлять несколькими сигнальными путями, прокладывая путь для инновационных радиоприемников.Такая интеграция играет роль в достижении превосходной ясности и эффективности сигнала в современной гиперсвязанной среде.

Модель передатчика AD9361 плавно интегрирует цифровые фильтры с повышением, аналоговые и радиочастотные фильтры для поддержки эффективной связи в различных приложениях, создавая мост между технологиями и потребностями в взаимодействии.Цифровая конверсия преобразует сигналы базовых полос в более высоких частотах, необходимых для эффективной передачи.Этот процесс сохраняет целостность сигнала, минимизируя искажение.Непрерывная эволюция цифровой обработки сигналов обусловлена потребностями промышленности, стремясь к точности и надежности в сложных системах связи.Аналоговые и радиочастотные фильтры очищают сигналы, исключая ненужные частоты и снижая шум.Они играют важную роль в обеспечении четкого общения на разных расстояниях, их эффективность неоднократно доказала в среде.Эти элементы улучшают точность сигнала и производительность системы.
Нелинейности и дисбаланс усиления вызывают проблемы при передаче сигнала.В модели передатчика AD9361 используется сложные алгоритмы для их решения, что обеспечивает пиковую производительность.Инновационные стратегии, основанные на эмпирической валидации и строгих полевых испытаниях, используются для постоянных корректировок параметров.
Регулируемое затухание обеспечивает точный контроль над уровнями мощности сигнала, что позволяет индивидуальным характеристикам передачи на основе конкретных потребностей.Эта адаптивность предотвращает потерю данных или помехи, уравновешивая силу сигнала.Этот подход, сформированный по обширной обратной связи, соответствует современным требованиям к устойчивым и гибким системам связи.Эффективное управление затуханием на различных коммуникационных платформах поддерживает целостность и эффективность системы.Настраиваемые настройки соответствуют различным условиям работы, в то время как полевые испытания в динамических настройках подчеркивают роль регулируемого затухания в современных системах.

Архитектура приемника AD9361 резонирует с архитекцией его аналога передатчика, фокусируясь на адептом контроле шума и поддержание широкого динамического диапазона.Эта гармония включает в себя применение сложных методов фильтрации и ослабления, направленных на защиту чистоты сигнала.Снижение шума повышает ясность полученных сигналов.Использование передовых фильтров помогает отличить желаемый сигнал от окружающего шума.Кроме того, стратегии адаптивной фильтрации обеспечивают гибкость для корректировки на лету в изменение шумовых сред, тем самым улучшая стабильность.Поддержание обширного динамического диапазона является неотъемлемой частью производительности приемника.Системы автоматического управления усилением (AGC) позволяют приемнику приспосабливаться к изменяющейся прочности сигнала, стремясь уменьшить искажение при повышении точности данных.Другие обычно внедряют AGC в сложных средах для поддержания превосходства сигналов.

Analog Devices получила распознавание за свой опыт в слиянии аналоговой и цифровой обработки сигналов.Он предлагает новаторские решения, которые переводят сложные явления в практические электрические данные, продвигая электронные приложения вперед.Преданность компании качественному и новаторским технологиям ставит ее на передний план эволюции отрасли, вызывая как уважение, так и чувство восхищения.Через AD9361 аналоговые устройства подчеркивают ее влиятельную роль в расширении возможностей технологий, которые превосходят обычные границы.По мере развития отраслей, жажда адаптируемых и эффективных решений для обработки сигналов неизбежно возрастет, причем AD9361 станет важным элементом для будущих инноваций, способствуя ощущению предвкушения и дальновидного исследования.
AD9361 создан для удовлетворения широкого спектра радиочастотных потребностей, предлагая сильные возможности как в модуляции, так и в адаптации сети.Благодаря своей высокой интеграции и превосходной производительности, он легко вписывается в современные рамки связи.С практической точки зрения, чип помогает консолидировать процессы проектирования, интегрируя различные функции в один пакет.Это снижение сложности способствует повышению надежности в таких устройствах, как программные радиоприемники и системы MIMO.Его гибкость становится особенно влиятельной в сценариях, требующих быстрых корректировок в развитие сетевых стандартов.
Агильный трансивер объединяет радиочастотную переднюю часть с программируемой базовой полосой, что значительно облегчает проектные процессы для современных цифровых процессоров или массивов затвора, программируемых на поле (FPGAS).Эти трансиверы обеспечивают широту в создании и развертывании систем связи благодаря их способности подвергаться динамической реконфигурации для удовлетворения требований различных протоколов связи.Например, производители сетевого оборудования обнаруживают, что они могут быстро вывести продукты на рынок, экономия, изменяя функции приемопередатчиков посредством обновлений программного обеспечения вместо изменения аппаратного обеспечения.
AD9361 функционирует в широком диапазоне частот, охватывающей от 70 МГц до 6 ГГц, создавая оптимизированный метод для создания РЧ -трансиверов.Он включает в себя смешанную сигнальную полосу с частотными синтезаторами, что позволяет ему охватывать разнообразный спектр полос частот.Эта консолидация помогает уменьшить количество необходимых внешних деталей, способствуя более компактным и энергосберегающим конструкциям.Учитывая его разнообразные возможности, AD9361 применяется в различных областях, таких как мобильные базовые станции и аэрокосмические технологии, где динамическая и стойкая беспроводная связь имеет ценность.Многие отмечают свое мастерство в быстрой адаптации к сдвигам по частоте и одновременно поддерживая несколько каналов, представляя заметные операционные преимущества в быстро прогрессирующих технологических областях.
Пожалуйста, отправьте запрос, мы ответим немедленно.
на 2024/10/29
на 2024/10/29
на 8000/04/18 147757
на 2000/04/18 111931
на 1600/04/18 111349
на 0400/04/18 83719
на 1970/01/1 79508
на 1970/01/1 66892
на 1970/01/1 63010
на 1970/01/1 62985
на 1970/01/1 54081
на 1970/01/1 52111