
А 1n5822 это диод Шоттки, известный своим исключительно низким падением напряжения вперед, что делает его благоприятном выбором для приложений, которые требуют быстрого переключения при снижении уровней тока.Это предлагает преимущество в расходных материалах режима переключения и высокочастотных преобразователях DC-DC, где эффективность может повлиять на общую производительность системы.Заключенный в пакет DO-201AD, этот диод часто используется в низковольтных и высокочастотных операциях, включая такие использование, как низковольтные инверторы, свободные приложения, защита от полярности и гладкие зарядные устройства для батареи.Его способность с легкостью переходить в переходные состояния обеспечивает минимизированную потерю энергии, тем самым повышая эффективность систем, полагающихся на нее.
В практическом применении дизайн 1N5822 превосходит свою способность управлять термическим рассеянием, что часто является проблемой в компактных системах, которые требуют высокой эффективности.Эта конструкция позволяет ему надежно функционировать в различных условиях, что делает его предпочтительным выбором для прототипов, которые требуют устойчивой производительности в изменяющихся средах.Низкое прямое напряжение диода способствует сохранению мощности, что в основном полезно для поддержания энергии в портативных электронных устройствах.
С аналитической точки зрения, в то время как 1N5822 сияет в сценариях низкого напряжения, является основным, чтобы гарантировать, что вся схема использует преимущества его низкого падения напряжения.Вдумчивое выравнивание атрибутов диода с другими компонентами системы может существенно повысить производительность и долговечность устройства.Глубное изучение эффективности проектирования может раскрыть дополнительные стратегии, чтобы полностью использовать потенциал этого компонента в передовых приложениях.

|
Название вывода |
Описание |
|
Анод |
Ток всегда входит через анод |
|
Катод |
Ток всегда выходит через катод |



|
Особенность |
Описание |
|
Очень маленькие потери проводимости |
Уменьшает потерю энергии во время проводимости |
|
Незначительные потери переключения |
Минимизирует потери во время переключения |
|
Чрезвычайно быстрое переключение |
Позволяет быстрые переходы |
|
Низкое падение напряжения вперед |
Обеспечивает более низкую потерю мощности |
|
Указана лавина |
Выдерживает высокое напряжение |
|
Охранять кольцо для защиты от перенапряжения |
Защищает от повреждения перенапряжения |
|
Высокие возможности скачки вперед |
Обрабатывает высокие скачки тока |
|
Высокочастотная работа |
Подходит для высокочастотных приложений |
|
Паяный падение 275 ° C Макс.10 с, за jesd 22-b106 |
Обеспечивает долговечность в процессах пайки |
|
Тип |
Параметр |
|
Время выполнения завода |
6 недель |
|
Устанавливать |
Через дыру |
|
Монтажный тип |
Через дыру |
|
Пакет / корпус |
Do-201ad, осевой |
|
Количество булавок |
2 |
|
Масса |
4.535924G |
|
Диодный элемент материал |
Кремний |
|
Количество элементов |
1 |
|
Упаковка |
Лента и коробка (TB) |
|
Код JESD-609 |
E3 |
|
Статус частично |
Активный |
|
Уровень чувствительности влаги (MSL) |
1 (неограниченный) |
|
Количество терминаций |
2 |
|
Код ECCN |
Ear99 |
|
Терминальная отделка |
Матовая олова (SN) - отожжен |
|
Максимальная рабочая температура |
150 ° C. |
|
МИН рабочая температура |
-65 ° C. |
|
Приложения |
ВЛАСТЬ |
|
Дополнительная функция
|
Бесплатный диод колеса |
|
HTS -код |
8541.10.00.80 |
|
Емкость |
190pf |
|
Напряжение - рейтинг DC |
40 В |
|
Терминальная форма |
ПРОВОЛОКА |
|
Текущий рейтинг |
3A |
|
Базовый номер детали |
1n58 |
|
Подсчет штифтов |
2 |
|
Полярность |
Стандартный |
|
Конфигурация элемента |
Одинокий |
|
Скорость |
Быстрое восстановление =< 500ns, > 200 мА (IO) |
|
Диод тип |
Шоткий |
|
Ток - обратная утечка @ vr |
2ma @ 40 В. |
|
Выходной ток |
3A |
|
Напряжение - вперед (vf) (max) @ if |
525MV @ 3A |
|
Случайный соединение |
Изолирован |
|
Вперед |
3A |
|
Макс обратный ток утечки |
2MA |
|
Рабочая температура - соединение |
150 ° C Макс |
|
Максимальный ток Surge |
80A |
|
Впередное напряжение |
525 мВ |
|
Максимальное обратное напряжение (DC) |
40 В |
|
Средний выпрямленный ток |
3A |
|
Количество этапов |
1 |
|
Пик обратный ток |
2MA |
|
Максимальное повторяющее обратное напряжение (VRRM) |
40 В |
|
Пик без повторного тока всплеска |
80A |
|
Максимальный переадресный ток (IFSM) |
80A |
|
Максимальная температура соединения (TJ) |
150 ° C. |
|
Высота |
5,3 мм |
|
Длина |
9,5 мм |
|
Ширина |
5,3 мм |
|
Достичь SVHC |
Нет SVHC |
|
Радиационное упрочнение |
Нет |
|
Статус ROHS |
ROHS3 соответствует |
|
Свободно привести |
Свободно привести |
|
Номер части |
Описание |
Производитель |
|
SR304HA0 Диоды |
Выпрямитель диод |
Taiwan Semiconductor Manufacturing Company Limited |
|
SR304HB0 Диоды |
Выпрямитель диод |
Taiwan Semiconductor Manufacturing Company Limited |
|
SR340 Diodes |
Выпрямитель диод |
Changzhou Starsea Electronics Co Ltd |
|
SR304A0 Диоды |
3A, 40V, кремний, выпрямитель диод, Do-201ad, ROHS
Соответствующий, пластиковый пакет-2 |
Taiwan Semiconductor Manufacturing Company Limited |
|
SR304HX0 Диоды |
Выпрямитель диод |
Taiwan Semiconductor Manufacturing Company Limited |
|
1N5822_R2_00001 |
Диод выпрямителя, Шоттки, 1 Фаза, 1 Элемент, 3A, 40V
(VRRM), кремний, Do-201ad |
Панджит полупроводник |
|
1n5822_ay_00001 |
Диод выпрямителя, Шоттки, 1 Фаза, 1 Элемент, 3A, 40V
(VRRM), кремний, Do-201ad |
Панджит полупроводник |
|
SR304X0G Диоды |
Диод выпрямителя, Шоттки, 1 Фаза, 1 Элемент, 3A, 40V
(VRRM), кремний, Do-201ad, зеленый, пластиковый пакет-2 |
Taiwan Semiconductor Manufacturing Company Limited |
|
1n5822_ay_10001 |
Диод выпрямителя, Шоттки, 1 Фаза, 1 Элемент, 3A, 40V
(VRRM), кремний, Do-201ad |
Панджит полупроводник |
|
1n5822-t3 |
Диод выпрямителя, Шоттки, 1 Фаза, 1 Элемент, 3A, 40V
(VRRM), кремний, Do-201ad, пластиковый пакет-2 |
Sangdest Microelectronics (Nanjing) Co Ltd |
В современных электронных рамках диод Шоттки 1N5822 играет динамические роли из-за своих характеристик, таких как низкое падение напряжения и быстрое переключение, формируя его пригодность для низковольтных и энергосберегающих задач.Эти функции вносят значительный вклад в приложения, включающие в себя выпрямление питания, зажим напряжения и защитные схемы путем минимизации потери мощности и генерации тепла.Обработка высокой плотности тока с минимальной потерей энергии может значительно повлиять на производительность цепи, что вызвало тщательные соображения в подходах к проектированию.
Следующая цепь иллюстрирует прямое смещение диода 1N5822 для активации светодиода, питаемого с помощью батареи 3,7 В, демонстрируя его эффективность в сценариях низкого напряжения.Диоды Шоттки предпочитают для поддержания уровней входного напряжения и снижения рассеяния энергии по всему диоду, что способствует более длительному сроку службы батареи и оптимальной производительности светодиодов.При использовании диодов Шоттки используются такие факторы, как тепловое управление и условия нагрузки.Адекватное рассеяние тепла управляется через подходящие радиаторы или тепловые прокладки.Выбор диода с текущим рейтингом, который соответствует требованиям схемы, помогает избежать преждевременных поломков и повышает надежность.Включение этих стратегий повышает устойчивость цепи и продлевает долговечность компонентов.

Максимизация преимуществ 1N5822 требует вдумчивой интеграции схемы с точностью.Расположение диода рядом с источником питания уменьшает потери линии, повышая эффективность цепи.Настройка механизмов обратной связи для адаптации условий смещения плавно может оптимизировать производительность в различных операционных сценариях.Диоды Шоттки играют важную роль в системах, требующих быстрого переключения и низкого напряжения вперед, таких как питания переключателя (SMP) и высокочастотные приложения, из-за их мастерства в борбинге потери переключения.
Инверторы, работающие при низком напряжении и высокой частоте, сильно зависят от эффективных компонентов для снижения потерь мощности.Диод 1N5822 выделяется из -за его низкого перепада напряжения и быстрого восстановления.Эти характеристики могут значительно повысить энергоэффективность и надежность, в основном ценные в портативных электронных устройствах, где сохранение энергии является приоритетом.
Свободные схемы направлены на то, чтобы предложить альтернативный путь тока, когда основной переключатель открыт.Диод 1N5822 отличается здесь, помогая смягчить потери энергии и подавлять шипы напряжения, что обеспечивает стабильность цепи.Вы можете обнаружить, что использование 1N5822 обеспечивает лучшую защиту от переходных напряжений и продлевает срок службы вашего оборудования при производстве ветряных турбин и других систем возобновляемых источников энергии.
Преобразователи постоянного тока/постоянного тока существенно получают значительные возможности быстрого переключения 1N5822 и низкого рассеяния мощности.Интеграция этого диода приводит к повышению эффективности и улучшению регуляции напряжения.Вы можете отметить, что его надежная производительность помогает свести к минимуму наращивание тепла - необходимая функция в плотно упакованных платах, обычно встречающихся в современных электронных устройствах.
В мире обнаружения сигналов, такие диоды, как 1N5822, ценятся за их отзывчивые характеристики, повышая точность обнаружения слабых сигналов в радиочастотах.Это улучшает цифровую связь, обеспечивая более надежный прием сигналов даже при колеблющихся прочности.
Защита полярности защищает электронное оборудование от случайных обратных полярных соединений.Диод 1N5822 предлагает простое и эффективное решение, что приводит к заметному снижению скорости отказов компонентов.Такие результаты подчеркивают его ценность в создании надежных конструкций схемы.
РЧ -приложения требуют уменьшения помех шума и повышенной ясности сигнала.Диод 1N5822 поддерживает эти требования, минимизируя искажение сигнала.Вы можете оценить, что включение этого диода приводит к повышению производительности в высококачественных системах аудио и коммуникации, где используется точное управление сигналами.
Логические схемы, требующие быстрого переключения компонентов, получают выгоду от быстрого переключения 1N5822.Используя этот диод, схемы достигают более быстрого времени отклика, опасно в высокоскоростных вычислениях и обработке данных.Лидеры отрасли предполагают, что включение 1N5822 может повысить общую скорость и эффективность вычислительных систем.
Поставки питания переключенного режима (SMP) требуют высокой эффективности и надежности.Диод 1N5822 значительно снижает потерю энергии во время работы и повышает тепловые характеристики, активные для долговечности компонентов питания.Вы можете рассматривать диод как инструментальный в повышении энергоэффективности SMPS, укрепляя его роль в современных решениях управления энергетикой.
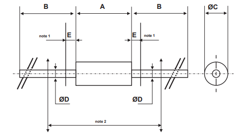
1N5822 Схема пакета

1n5822 Механические данные
|
Рефери |
РАЗМЕРЫ |
Примечания |
|||
|
Миллиметры |
Дюймы |
||||
|
Мин |
Максимум |
Мин |
Максимум |
1. Ведущий Диаметр ▲ D контролируется над зоной E. 2. минимальная осевая длина, в течение которой Устройство может быть размещено с его выводами, согнутыми под прямым углом, составляет 0,59 "(15 мм) |
|
|
А |
9.50 |
0,374 |
|||
|
Беременный |
25.40 |
1000 |
|||
|
▲ c |
5.30 |
0,209 |
|||
|
▲ D. |
1.30 |
0,051 |
|||
|
Эн |
1.25 |
0,049 |
|||
Stmicroelectronics позиционировала себя ведущим игроком на глобальной стадии полупроводника.Компания известна своей исключительной способностью создавать передовые кремниевые и системные решения.Подчеркнув достижения в технологии System-on-Chip (SOC), они внесли заметный вклад в эволюцию современной электроники.
Благодаря своей посвящению исследованиям и разработкам, Stmicroelectronics имеет рафинированные конструкции для системы на чипе путем интеграции различных функциональных компонентов в один чип.Это инновация предлагает не только повышение эффективности и снижения затрат, но и влияет на широкий спектр продуктов, охватывающих потребительскую электронику и автомобильные системы.Стательность, которое они демонстрируют на этой арене, указывает на их преданность делению технологических границ и изобретательности.
Пожалуйста, отправьте запрос, мы ответим немедленно.
Диод Шоттки 1N5822 отмечен своим приблизительным низким падением прямого напряжения на 0,525 В, что способствует его мастерству в цепях прямого смещения, обеспечивая эффективный поток электроэнергии.Этот диод сияет в настройках быстрого переключения, требующих более низких токов, таких как высокочастотные мощные цепи.В мире отраслевых норм диод часто выбирается для ролей, требующих минимизированной потери мощности и быстрой реакции на электрические колебания.Фактические приложения подчеркивают его искусственность при сохранении энергии во время изменений схемы, улучшая его привлекательность в современной конструкции электрических систем.
Обычно диоды Шоттки разработаны с тепловой площадкой на катоде, а не на аноде.Этот выбор основан на том, как эти диоды реагируют на тепловое напряжение, что может привести к неравномерным тепловым условиям.Стандартная практика влечет за собой защиту радиатора в катоде, чтобы обеспечить эффективное рассеяние тепла.Опыт с поля показывают, что эта установка стабилизирует работу диода и продлевает срок службы за счет опытного управления теплом.
Замена диода Schottky 1N5819 на 1N5822 зависит от их общего прямого напряжения (VF) и теплового сопротивления соединения к амбучке (rth-ja).Тем не менее, более высокий ток утечки 1N5822 может влиять на определенные применения, особенно в средах, чувствительных к утечке, такие как схемы мощности или схемы.Когда дело доходит до контекстов, таких как питания переключателя (SMP) или защита обратной полярности, замена их в основном подходит.Тем не менее, нужно учитывать физические измерения;Большая площадь 1N5822 падает диаметром около 1,5 мм, что требует подходящего монтажного жилья.Это практическое понимание подчеркивает необходимость выравнивания механических и электрических параметров для бесшовной замены компонентов.
на 2024/11/5
на 2024/11/5
на 8000/04/18 147758
на 2000/04/18 111946
на 1600/04/18 111349
на 0400/04/18 83722
на 1970/01/1 79508
на 1970/01/1 66916
на 1970/01/1 63072
на 1970/01/1 63012
на 1970/01/1 54081
на 1970/01/1 52142