
А BF245 в первую очередь используется для усиления сигналов в рамках VHF, UHF -полос и аудиочастотах.С высоким усилением и низкими атрибутами шума, он искусно усиливает небольшие сигналы при минимизации помех шума.
Серия, включая BF245, BF245A, BF245B и BF245C, показывают различные электрические характеристики, в основном в напряжении в затворе и токе дренажного напряжения с нулевым заградом.Эти различия обслуживают конкретные приложения, предлагая универсальность в оптимизации конструкций схемы для различных потребностей усиления сигнала.Эффективность в полосах VHF и UHF примечательна благодаря их способности управлять и усилить более слабые сигналы, повышая ясность и прочность сигнала, базовые для систем вещания и связи.
В приложениях аудиочастотных приложений BF245 превосходит целостность сигнала и минимизацию искажения, используемых в аудиооборудовании с высокой точностью.Его способность фильтровать шум обеспечивает более чистый аудиовыход.По сравнению с аналогичными транзисторами баланс BF245 между высоким усилением и низким шумом делает его популярным выбором.Вы часто можете предпочесть этот компонент своей надежности и надежности в требовательных средах.

|
ПРИКОЛОТЬ |
Символ |
ОПИСАНИЕ |
|
1 |
глин |
Ворота |
|
2 |
с |
Источник |
|
3 |
дюймовый |
Осушать |



|
Особенность |
Спецификация |
|
Тип пакета |
До 92 |
|
Тип транзистора |
N Channel JFET |
|
Напряжение дренажного источника |
30 В (максимум) |
|
Напряжение дренажного ворота |
30 В (максимум) |
|
Напряжение обратного затвора |
–30 В (максимум) |
|
Непрерывный канатный ток |
25 мА (максимум) |
|
Напряжение среза в затворе |
-0,5 В до -0 В. |
|
Рассеяние власти |
300 МВт (максимум) |
|
Хранение и рабочая температура |
-55 ° C до +150 ° C. |
|
Уровень шума и усиление |
Низкий шум и высокий прирост |
|
Рабочая частота |
До 700 МГц |
|
Слив и источник взаимозаменяемости |
Да |
Вот таблица технических спецификаций для полупроводника BF245B JFET.
|
Тип |
Параметр |
|
Статус жизненного цикла |
Устаревший |
|
Последние поставки |
Последнее обновление: 1 неделя назад |
|
Устанавливать |
Через дыру |
|
Пакет / корпус |
TO-226-3, TO-92-3 (TO-226AA) |
|
Количество булавок |
3 |
|
Масса |
200 мг |
|
Напряжение срыва / V |
-30 В. |
|
Количество элементов |
1 |
|
Упаковка |
Масса |
|
Опубликовано |
2009 |
|
Код JESD-609 |
E0 |
|
PBFREE CODE |
Нет |
|
Статус частично |
Устаревший |
|
Уровень чувствительности влаги (MSL) |
1 (неограниченный) |
|
Количество терминаций |
3 |
|
Код ECCN |
Ear99 |
|
Терминальная отделка |
Олово/свинец (SN/PB) |
|
Максимальная рабочая температура |
150 ° C. |
|
МИН рабочая температура |
-55 ° C. |
|
HTS -код |
8541.21.00.75 |
|
Напряжение - рейтинг DC |
30 В |
|
Текущий рейтинг (AMP) |
100 мА |
|
Максимальная диссипация власти |
350 МВт |
|
Терминальная позиция |
Нижний |
|
Пиковая температура отвоз (° C) |
240 |
|
Достичь кода соответствия |
Не соответствует |
|
Текущий рейтинг |
10 мА |
|
Время@Пиковое отбоя Temp-Max (ы) |
30 |
|
Базовый номер детали |
BF245 |
|
Подсчет штифтов |
3 |
|
Квалификационный статус |
Не квалифицирован |
|
Конфигурация элемента |
Одинокий |
|
Операционный режим |
Режим истощения |
|
Рассеяние власти |
350 МВт |
|
Приложение транзистора |
Усилитель |
|
Слейте до источника напряжения (VDS) |
15 В |
|
Тип транзистора |
N-канал JFET |
|
Непрерывный ток дренажа (ID) |
15 мА |
|
Веревка к источническому напряжению (VGS) |
-30 В. |
|
Дренажный ток-ток (ABS) (ID) |
0,1 а |
|
Слив до источника напряжения разбивки |
30 В |
|
Технология FET |
Перекресток |
|
Самая высокая частотная полоса |
Ультра высокая частота b |
|
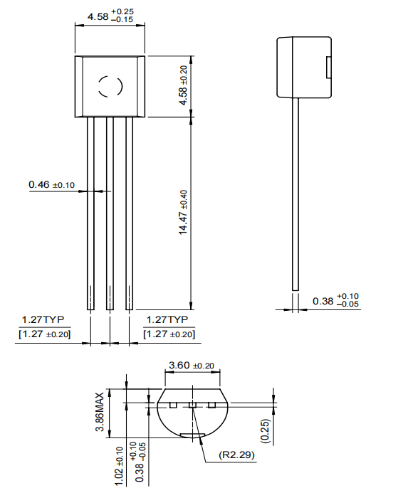
Высота |
4,58 мм |
|
Длина |
4,58 мм |
|
Ширина |
3,86 мм |
|
Статус ROHS |
Не совместимый с ROHS |
|
Свободно привести |
Свободно привести
|
• BF245C
• 2N5457
• 2SK117
• MPF102
• 2N5458
• BF244A
• BF256A
• J113
• 2N3819
• 2N4416
• 2N5638
• 2SK162
BF245 обнаруживает широкое использование в амплификационных сигналах VHF (очень высокая частота) и UHF (ультра -высокая частота).Эти частоты играют роль в радиосвязи, телевидения и беспроводных устройствах, требующих подробного усиления для поддержания ясности сигнала.Вы можете изучить сложные конфигурации для повышения производительности, рассматривая такие проблемы, как искажение сигнала и управление шумом.Это стремление часто соответствует эмоциональному удовлетворению достижения технического превосходства.
Этот транзистор играет роль в создании РФ осцилляторов, которые генерируют стабильные и точные частотные сигналы.Его низкий уровень шума обогащает качество выходных сигналов, фактор, заветный в телекоммуникационных и вещательных кругах.Вы можете инвестировать эмоциональные и интеллектуальные усилия, чтобы минимизировать гармонические искажения при сохранении стабильности частоты, черпает понимание практических переживаний для корректировки параметров цепи.
В области амплификации аудио, BF245 обеспечивает надежную поддержку аудиосигналов с низкой мощью.Его роль в аудиозаписи обеспечивает минимальное искажение, что делает его подходящим для аудиосистем с высокой точностью.Искусство балансировки энергопотребления с производительностью становится точной задачей, вы можете наслаждаться совершенствованием, чтобы улучшить опыт прослушивания, информированный на практическом опыте в правильном смещении транзистора.
Для обработки сигнала низкого уровня, часто наблюдаемой в аналитических и измерительных инструментах, BF245 демонстрирует ее ценность.Обработка слабых сигналов искусно обеспечивает целостность данных.Работа с этим транзистором в таких областях, как мониторинг окружающей среды и биомедицинская инженерия, становится исследованием настройки цепей для удовлетворения точных потребностей измерения, наслаждаясь интеллектуальным взаимодействием, которое влечет за собой.
BF245 усиливает схемы датчиков за счет усиления слабых сигналов от разнообразных датчиков.Будь то температура, давление или влажность, этот транзистор обеспечивает стабильное усиление, облегчая точную интерпретацию данных датчика.Вы можете попытаться уточнить схемы датчиков, сосредоточившись на минимизации времени отклика и повышении чувствительности, при этом оценивая постоянную производительность BF245 в разных условиях.

На полупроводнике обслуживает полупроводниковый сектор с разнообразным набором продуктов.Компания специализируется на управлении энергетикой и сигналами, логическими компонентами, а также дискретными и индивидуальными устройствами, такими как автомобильная, коммуникация, вычислительные, потребительские, промышленные, светодиодные освещения, медицинское, военное/аэрокосмическое и энергетическое приложения.На полупроводнике управляет обширная сеть в Северной Америке, Европе и Азиатско -Тихоокеанском регионе.Компания со штаб -квартирой в оживленном городе Феникс, штат Аризона, в центре, который подпитывает его инновационный дух.
Цилиндрические держатели батареи.pdf
Пожалуйста, отправьте запрос, мы ответим немедленно.
на 2024/10/29
на 2024/10/29
на 8000/04/18 147757
на 2000/04/18 111931
на 1600/04/18 111349
на 0400/04/18 83718
на 1970/01/1 79508
на 1970/01/1 66881
на 1970/01/1 63010
на 1970/01/1 62973
на 1970/01/1 54081
на 1970/01/1 52107