

|
Название вывода |
Штифт № |
Тип |
Описание |
|
Vdd |
16 |
Власть |
Напряжение подачи (от +3 до +15 В) |
|
Гнездо |
8 |
Власть |
Земля (0В) |
|
D0-D7 |
1, 4, 5, 6, 7, 13, 14, 15 |
Вход |
Параллельные входные контакты данных |
|
Q5, Q6, Q7 |
2, 3, 12 |
Выход |
Буферированные выходы из последних трех битов |
|
Финиш |
9 |
Вход |
Параллельно включить |
|
Сн |
10 |
Вход |
Clock Pin для синхронизации ввода |
|
Дюймовый |
11 |
Вход |
Серийный входной штифт |
Чтобы приступить к использованию IC 4014, начните с тщательного подключения VDD с положительным терминалом вашего источника питания и GND к негативному терминалу.Этот IC работает в пределах диапазона мощности от 3 В до 15 В, однако конкретные модели могут простираться до 20 В.Желательно изучить таблицу данных для точных электрических деталей, адаптации совместимости с вашей уникальной настройкой.Выбранный диапазон напряжений напрямую влияет на оперативную целостность устройства и устойчивую функциональность.
Инициировать параллельную загрузку данных, переключив параллельный вывод (PE) в высокое состояние.Подключите выбранные вами входы данных через параллельные контакты данных, отмеченные D0 к D7.Повышенный сигнал края, применяемый к контакту CLK, захватывает предполагаемые данные в регистр.Это подготовительное фазовое зеркала, устанавливающая команду на хорошо скоординированной практике, где роли и синхронизация имеют первостепенное значение.
Начало сдвигаются данные, переключая PE PIN -код в низкое состояние.Каждое восходящее импульс CLK сдвигает данные постепенно.В этом режиме PIN DS служит для ввода последовательных данных, способствуя гибкой обработке данных.Эта функция становится заметно полезной, когда необходим переход данных жидкости, обеспечивая эффективную организацию и категоризацию цифровых сигналов.

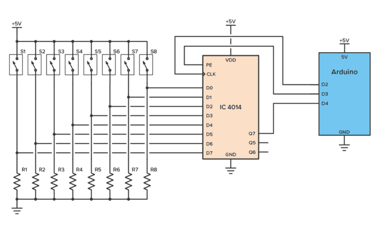
А CD4014 Shift Register - это практическое инструмент для чтения состояний до восьми переключателей, используя всего три контакта микроконтроллера, например, с Arduino.Это делает его идеальным для проектов, где доступность PIN -кода ограничена, поскольку он эффективно расширяет входную емкость без необходимости дополнительного оборудования.Схема работает, захватывая состояния всех подключенных коммутаторов и отправляя эти данные на микроконтроллер по одному биту за раз.CD4014 использует параллельное преобразование, что позволяет мониторировать несколько переключателей, сохраняя при этом проводку простым и компактным.
Чтобы настроить его, подключите штифт D3 Arduino к Parallel Enable (PE) PIN -контакту CD4014 (PE), D2 к PIN -контакту Clock (CLK) и D4 к выводу вывода данных (Q).D3 активирует защелку для захвата состояний коммутатора, D2 отправляет тактовые импульсы, чтобы перенести состояния в выход, а D4 считывает данные последовательно.Каждый тактовой импульс смещает следующее состояние переключателя на выходной штифт, позволяя Arduino читать все восемь переключателей по одному.Этот подход эффективен и экономит как пространство, так и ресурсы.Используя CD4014, вы можете управлять несколькими входами с минимальным использованием ввода -вывода, упростить ваш дизайн и уменьшить сложность проводки.Это компактное и надежное решение для проектов, которые требуют точного мониторинга состояний коммутатора.
• NTE4014
• MC14014
• HCF4014
• HEF4014
• CD4014BE
• 74HC165
• 74HC166
• 74HC198
Цилиндрические держатели батареи.pdf
Пожалуйста, отправьте запрос, мы ответим немедленно.
на 2024/12/9
на 2024/12/8
на 8000/04/17 147713
на 2000/04/17 111732
на 1600/04/17 111322
на 0400/04/17 83611
на 1970/01/1 79266
на 1970/01/1 66780
на 1970/01/1 62947
на 1970/01/1 62830
на 1970/01/1 54030
на 1970/01/1 51993