
А CD4052 Интегрированная схема, богатая адаптивностью, служит как 4-канальный мультиплексор, так и демольтиплекзер.Он искусно функционирует как мультиплексор 4: 1, выбирая один вывод из четырех доступных входов или в качестве демольтиплектора 1: 4, направляя входной сигнал одному из четырех возможных выходов.Его гармония как с аналоговыми, так и цифровыми сигналами делает ее универсальной по различным дизайнерским ландшафтам, от навигации сложных аудиосигнальных путей до усовершенствования систем управления.Двойные возможности CD4052 предлагают беспроблемный интерфейс с аналоговыми и цифровыми мирами, улучшая его диапазон использования.Эта адаптивность берется в средах, касающихся смешанных сигналов.

|
Приколоть
Нет. |
Название вывода |
Описание |
|
16 |
Vdd |
Положительный вход мощности, максимум 20 В |
|
7 |
Визит |
Негативная мощность, обычно подключенная к земле. |
|
8 |
VSS (земля) |
Подключено к земле цепи |
|
6 |
INH |
Включить штифт - должен быть вытянут на землю для нормального
операция |
|
9,10 |
А, б |
Канал выберите булавки |
|
112 |
Y0, x0 |
Вход / вывод канала 0 |
|
5,14 |
Y1, x1 |
Вход / вывод канала 1 |
|
2,15 |
Y2, x2 |
Вход / вывод канала 2 |
|
4,11 |
Y3, x3 |
Вход / вывод канала 3 |
|
3,13 |
Y, x |
Общий выход / вход |
|
Особенность |
Описание |
|
4-канальный Mux и Demux |
Поддерживает 4 канала для мультиплексирования и демоверсинга. |
|
4: 1 Мультиплексор |
Работает как мультиплексор от 4 входа в 1 выпуск. |
|
1: 4 Демольтиплекзер |
Работает в качестве демольтиплектора с 1 внедрением. |
|
Аналоговая и цифровая поддержка |
Обрабатывает как аналоговые, так и цифровые сигналы. |
|
Номинальное напряжение |
Работает при 5 В, 10 В или 15 В. |
|
Максимальное напряжение |
Управляет до 20 В. |
|
Задержка распространения |
400NS в 5 В. |
|
Параметры пакета |
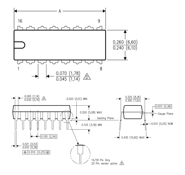
Доступно в PDIP, CDIP, SOIC и TSSOP (16-контакт). |
• 74HC4067
• 74HC157
• CD4016
• NTE4052
• 4017
CD4052 известен своей адаптируемостью как в рамках высоковольтных мультиплексоров и демольтиплектора, используя передовую технологию CMOS.Вы часто можете найти его в конфигурациях, в которых мультиплексор 4: 1 (MUX) или демольтиплексор 1: 4 (DeMux) играет роль, особенно в программируемых логических средах.Способность устройства профессионально ориентироваться как аналоговые, так и цифровые напряжения делает его мостом между аналоговым и цифровым и аналоговым переходами.
Мультиплексор, или «MUX», - это устройство, используемое для выбора одного из нескольких входных сигналов и передачи его на один выход.Эта возможность управляется линиями выбора, которые определяют, какой вход отправляется на выход.Мультиплекторы хороши для эффективного управления данными, особенно в системах, которые обрабатывают большие объемы информации, такие как телекоммуникации и компьютерные сети.В телекоммуникациях мультиплексоры позволяют нескольким сигналам, таким как голос, видео и данные, чтобы обмениваться одним каналом связи, используя большую часть доступной полосы пропускания.Аналогичным образом, в вычислениях они помогают управлять маршрутизацией и переключением данных, обеспечивая плавную и эффективную связь между устройствами.Мультиплекторы также играют роль в цифровых системах, таких как микроконтроллеры и логические схемы, путем расширения функциональности ограниченных аппаратных компонентов и обеспечения быстрого обработки данных и переключения сигналов.

|
А |
Беременный |
Выбран канал |
|
0 |
0 |
Канал 0 |
|
1 |
0 |
Канал 1 |
|
0 |
1 |
Канал 2 |
|
1 |
1 |
Канал 3
|
Рисунок и таблица вместе иллюстрируют работу IC CD4052 в качестве мультиплексора 4: 1, демонстрируя, как один входной канал выбирается по времена на основе значений выбранных контактов A и B. На рисунке есть четыре входаКаналы (x0 - x3), подключенные к мультиплексору, с определением линий выбора A и B, определяющий, какой вход направляется на выход (x).Например, на рисунке показана конфигурация, где a = 1 и b = 0, активируя канал 1 (x1), и его сигнал (двоичный 1) передается на выход.Таблица дополняет это, предоставляя четкое отображение состояний выбора PIN -контакта с соответствующими активными каналами: a = 0 и b = 0 выбирает канал 0 (x0), a = 1 и b = 0 выбирает канал 1 (x1), a =0 и B = 1 выбирает канал 2 (x2), а a = 1 и b = 1 выбирают канал 3 (x3).Вместе рисунок и таблица эффективно иллюстрируют функциональность мультиплексора, при этом рисунок визуально реализует выбор канала, определенную в таблице.
Демольтиплекзер, или «Demux», выполняет противоположную функцию мультиплексора.Он берет один входной сигнал и распределяет его на одну из нескольких выходных линий на основе управляющего сигнала.Это полезно в системах, которые необходимо направлять данные или сигналы в различные направления, например, в системах связи, где один источник отправляет данные на несколько приемников.Демольтиплекторы используются для обеспечения точного распределения данных в системах, которые обрабатывают несколько потоков информации.Например, в мультимедийных приложениях демольтиплекторы отделяют комбинированные аудио, видео и другие потоки данных для воспроизведения или обработки.В вычислениях они используются в системах памяти для маршрутизации данных в определенные местоположения или устройства.

На рисунке демонстрируется операция IC CD4052 в качестве демольтиплектора 1: 4, где один входной сигнал, применяемый к контактам x и yИз выбранных контактов A и B. На диаграмме входной сигнал (двоичный 1) направлен на вторую выходную пару (x2 и y2), потому что выборы конфиденциально настроены как a = 0 и b = 1, соответствующие описанию впредоставленный контент.Эта возможность маршрутизации достигается механизмом внутреннего переключения IC, что позволяет точно распределить сигналы по желаемому выходному каналу.Такая функциональность необходима в системах, требующих динамического распределения сигналов, таких как настройки связи и обработки сигналов, где способность направлять сигнал на многочисленные выходы эффективно поддерживает сложные рабочие требования.
Функционирует как мультиплексор и демольтиплекзер.Включает эффективный выбор и маршрутизацию нескольких входов или выходов сигналов в электронных системах.Широко используется в приложениях связи и управления данными.
Повышает точность и скорость конверсии в аналоговом и цифровом и цифровом анализе.Отлично подходит для обработки аудио и инструментации, требующих точного преобразования сигнала.
Облегчает бесшовную передачу данных в сетевых системах.Используется в телекоммуникационном и высокоскоростном вычислении для эффективного переключения и обнаружения неисправностей.
Поддерживает настраиваемые и быстрые решения для прототипирования во встроенных системах и IoT.Повышает адаптивность и эффективность разработки в программируемых логических устройствах.

Пожалуйста, отправьте запрос, мы ответим немедленно.
на 2024/12/19
на 2024/12/19
на 8000/04/18 147758
на 2000/04/18 111946
на 1600/04/18 111349
на 0400/04/18 83722
на 1970/01/1 79508
на 1970/01/1 66916
на 1970/01/1 63072
на 1970/01/1 63012
на 1970/01/1 54081
на 1970/01/1 52142