

|
Название вывода |
Штифт № |
Тип |
Описание |
|
Vdd |
14 |
Власть |
Напряжение подачи (от +3 до +15 В) |
|
Гнездо |
7 |
Власть |
Земля (0В) |
|
A1 до A3 |
1, 3, 13 |
Вход |
Ввода из трех и ворот |
|
B1 до B3 |
2, 4, 12 |
Вход |
Входы B из трех и ворот |
|
С1 до C3 |
5, 8, 11 |
Вход |
Входы C из трех и ворот |
|
Q1 - Q3 |
6, 9, 10 |
Выход |
Выходы из трех и ворот |
3-й вход и затвор дает высокий выход только тогда, когда все три входа, называемые A, B и C, установлены на высокие.Понимание этого требует изучения таблицы истины, которая предлагает подробный отображение входных комбинаций, иллюстрирующих логический поток, чтобы преимущественно производить низкий выход.Только со всеми входами на высоком уровне, схема генерирует высокий выход, воплощая сложную проверку, необходимую в сценариях, требующих строгого условия выполнения для желаемого результата.

|
Вход а |
Вход б |
Ввод C. |
Вывод q |
|
0 |
0 |
0 |
0 |
|
0 |
0 |
1 |
0 |
|
0 |
1 |
0 |
0 |
|
0 |
1 |
1 |
0 |
|
1 |
0 |
0 |
0 |
|
1 |
0 |
1 |
0 |
|
1 |
1 |
0 |
0 |
|
1 |
1 |
1 |
1 |
Чтобы инициировать развертывание CD4073Начните с подключения VDD с стабильным и положительным источником напряжения, обеспечивая, чтобы GND надежно связан с землей.Этот шаг служит основой для правильного функционирования интегрированной цепи.Желательно дважды проверить эти соединения, чтобы обойти любые потенциальные расхождения, которые могут возникнуть в результате проблем власти.
Входные данные, помеченные A, B и C, должны быть подключены к цифровым сигналам, которые точно отражают условия при изучении.Выбор цифровых сигналов оказывает влияние, поскольку он представляет логику и поведение, обрабатываемое CD4073.Пренебрежение или надзор, такие как бездомные соединения или шум, могут вводить ошибки, усложняя логические операции.
Выходные данные затвора, обычно представленные как Q, действуют как индикаторы логического пересечения входов A, B и C. Интеграция этих выходов в последующие операции схемы могут привести к огромному значению.Стратегическая интеграция часто руководствуется прошлыми сценариями, где оптимизация эффективности схемы привела к заметным повышениям производительности.

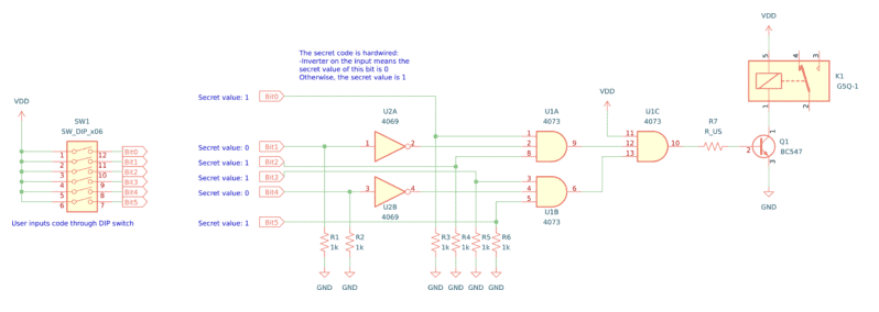
Интегрированная схема CD4073 является важным компонентом для создания системы безопасной блокировки кода, которая проверяет 6-битный двоичный код, такой как 101101. Эта система использует и ворота в CD4073 для подтверждения точности входного кода.Не ворота из IC, как CD4069BE, используются для регулировки логических уровней, что обеспечивает правильно интерпретируется вход.Правильное секвенирование и регулировка входной логики необходимы для надежной функционирования системы.
Несколько компонентов являются ключом к сборке цепи.Реле используется для управления внешними устройствами, в то время как CD4073BE обрабатывает операции и затвора, а CD4069BE не предоставляет операции затвора.Для ввода двоичного кода используется 6-позиционный DIP-переключатель, и резисторы включены для регулирования потока тока.Транзистор NPN, такой как BC547, используется для питания реле и обеспечения надлежащей работы.
Реле активируется транзистором, который усиливает небольшой ток от DIP -переключателя для привода реле.Это позволяет схеме регулировать внешние устройства, такие как сигнализация безопасности или дверные замки, повышая общую безопасность.Правильный выбор и смещение транзистора необходимы, чтобы избежать ошибок схемы.Это демонстрирует важность балансировки цифровой логики с аналоговым управлением, поскольку их тщательное взаимодействие определяет успех или сбой аппаратных приложений.
• Также помечен как NTE4073, MC14073В HCF4073В TC4073В HEF4073Полем
• Вариации, такие как "CD4073BE"Укажите производителя или технологические различия.
• 74HC11: Еще один тройной 3-входной и ворота IC.
Набор материалов 30/март/2017.pdf
Пожалуйста, отправьте запрос, мы ответим немедленно.
на 2024/12/7
на 2024/12/7
на 8000/04/18 147770
на 2000/04/18 112006
на 1600/04/18 111351
на 0400/04/18 83768
на 1970/01/1 79564
на 1970/01/1 66959
на 1970/01/1 63098
на 1970/01/1 63040
на 1970/01/1 54096
на 1970/01/1 52184