
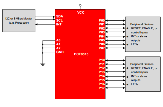
А PCF8575 служит универсальным удаленным расширителем ввода/вывода, обеспечивая бесшовную связь между микроконтроллерами через протокол I2C.Используя SCL (последовательную часовую линию) и SDA (последовательная линия данных) для передачи данных, упрощает конструкцию схемы, позволяя высокопроводному приводу, такие как светодиоды, не требуя дополнительных сигналов направления данных.После инициализации все контакты ввода/вывода по умолчанию в высокое состояние, активируя источник внутреннего тока, связанный с VCC.Эта функция не только оптимирует операции, но также сводит к минимуму необходимость вспомогательных компонентов, что делает PCF8575 ценным активом для различных электронных применений.
Одной из выдающихся особенностей PCF8575 является поддержка систем 3,3 В и 5 В, достигаемых с помощью интегрированного преобразователя уровня.Это расширяет его совместимость с различными архитектурами микроконтроллеров, предлагая вам большую гибкость и свободу в проектировании системы.Способность работать в разных стандартах напряжения устраняет общую проблему в многокомпонентных системах, что позволяет вам сосредоточиться на творческих реализациях без опасений по поводу несовместимости напряжения.
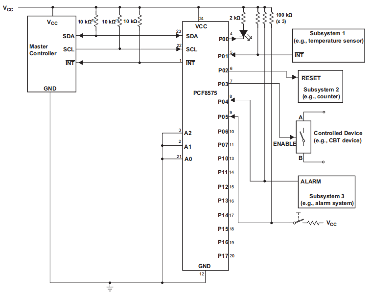
Основным аспектом PCF8575 является его настраиваемый интерфейс I2C, который усиливает подключение и адресность устройства в сложных настройках.С паяльными прыгунами вы можете настроить адрес I2C с базы 0x20, обеспечивая эффективную связь на нескольких устройствах.Эта адаптивность полезна для избежания решения конфликтов в сложных системах, детали, часто подчеркиваемой вами.Кроме того, устройство может быть проведено через VDD или VCC, удовлетворяя различные требования к логическому уровню.Эта гибкость упрощает интеграцию с системами, работающими при 3,3 В или 5 В, обеспечивая стабильность и надежность в различных приложениях.

|
ПРИКОЛОТЬ |
ТИП |
ОПИСАНИЕ |
||
|
ИМЯ |
DB, DBQ, DGV, DW и PW |
Rge |
||
|
А0 |
21 |
18 |
я |
Ввод адреса 0. Подключитесь непосредственно к Vскандал или земля.
Подтягивающие резисторы не нужны. |
|
А1 |
2 |
23 |
я |
Адрес ввода 1. Подключитесь непосредственно к Vскандал или земля.
Подтягивающие резисторы не нужны. |
|
A2 |
3 |
24 |
я |
Адрес ввода 2. Подключитесь непосредственно к Vскандал или земля.
Подтягивающие резисторы не нужны. |
|
Инт |
1 |
22 |
О |
Прерывание вывода.Подключиться к V.скандал через подтягивание
резистор. |
|
P00 |
4 |
1 |
Ввод |
P-порт вход/вывод.Структура конструкции толкания. |
|
P01 |
5 |
2 |
Ввод |
P-порт вход/вывод.Структура конструкции толкания. |
|
P02 |
6 |
3 |
Ввод |
P-порт вход/вывод.Структура конструкции толкания. |
|
P03 |
7 |
4 |
Ввод |
P-порт вход/вывод.Структура конструкции толкания. |
|
P04 |
8 |
5 |
Ввод |
P-порт вход/вывод.Структура конструкции толкания. |
|
P05 |
9 |
6 |
Ввод |
P-порт вход/вывод.Структура конструкции толкания. |
|
P06 |
10 |
7 |
Ввод |
P-порт вход/вывод.Структура конструкции толкания. |
|
P07 |
11 |
8 |
Ввод |
P-порт вход/вывод.Структура конструкции толкания. |
|
Гнездо |
12 |
9 |
- |
Земля |
|
P10 |
13 |
10 |
Ввод |
P-порт вход/вывод.Структура конструкции толкания. |
|
P11 |
14 |
11 |
Ввод |
P-порт вход/вывод.Структура конструкции толкания. |
|
P12 |
15 |
12 |
Ввод |
P-порт вход/вывод.Структура конструкции толкания. |
|
P13 |
16 |
13 |
Ввод |
P-порт вход/вывод.Структура конструкции толкания. |
|
P14 |
17 |
14 |
Ввод |
P-порт вход/вывод.Структура конструкции толкания. |
|
P15 |
18 |
15 |
Ввод |
P-порт вход/вывод.Структура конструкции толкания. |
|
P16 |
19 |
16 |
Ввод
|
P-порт вход/вывод.Структура конструкции толкания. |
|
P17 |
20 |
17 |
Ввод |
P-порт вход/вывод.Структура конструкции толкания. |
|
SCL |
22 |
19 |
я |
Серийная часовая линия.Подключиться к V.скандал через подтягивание
резистор. |
|
SDA |
23 |
20 |
Ввод |
Серийная линия данных.Подключиться к V.скандал через подтягивание
резистор. |
|
Венчурной |
24 |
21 |
- |
Напряжение снабжения |


|
Особенность |
Описание |
|
Низкое потребление резервного тока |
10 мкА макс |
|
I²C для эксперта по параллельному порту |
Позволяет легко расширить контакты ввода/вывода через интерфейс I²C. |
|
Выход прерывания с открытым дрэном |
Позволяет генерации внешнего прерывания для
Микроконтроллеры. |
|
Совместимость микроконтроллера |
Совместим с большинством микроконтроллеров. |
|
I²C скорость автобуса |
400 кГц быстрый i²c автобус. |
|
Адресация |
Адресом по трем аппаратным адресам, позволяя подготовить
до восьми устройств. |
|
Защелкиваемые выходы |
Возможность привода с высокой точкой для непосредственного вождения светодиодов. |
|
Текущий источник |
Обеспечивает ток для VCC для активного управления высоким уровнем
вывод. |
|
Производительность защелки |
Превышает 100 мА за jesd 78, класс II. |
|
Рабочее напряжение |
2.5 - 5,5 В. |
|
Рабочий ток |
100 мА (макс). |
|
I²C Адрес |
Адрес по умолчанию: 0x20, модифицируемый через пайку A1 и A2
Отборные прокладки. |
|
Адресуемые булавки |
16 индивидуально адресуемые булавки. |
|
Конфигурация PIN |
Каждый вывод настраивается как вход или выход;поддерживает вход
изменить прерывание. |
|
Ардуно библиотека |
Совместим с библиотекой Arduino: PCF8575. |
|
Приложение |
Подходит для Arduino Uno R3 и других MCU для
Контролирующие реле, зуммеры, кнопки и светодиоды. |
|
Защита ESD |
Соответствует модели JESD 22: 2000-V-тела (A114-A),
Модель машины с 200 v (A115-A), модель заряженного устройства 1000 В (C101). |
Эта таблица содержит четкое и краткое представление Технические характеристики и атрибуты для техасских инструментов PCF8575PWПолем
|
Тип |
Параметр |
|
Статус жизненного цикла |
Активный (последний обновлен: 5 дней назад) |
|
Время выполнения завода |
6 недель |
|
Монтажный тип |
Поверхностное крепление |
|
Пакет / корпус |
24-т. Д. (0,173, ширина 4,40 мм) |
|
Поверхностное крепление |
ДА |
|
Количество булавок |
24 |
|
Масса |
89,499445 мг |
|
Количество I/OS |
16 |
|
Рабочая температура |
-40 ° C ~ 85 ° C. |
|
Упаковка |
Трубка |
|
Код JESD-609 |
E4 |
|
PBFREE CODE |
Да |
|
Статус частично |
Активный |
|
Уровень чувствительности влаги (MSL) |
1 (неограниченный) |
|
Количество терминаций |
24 |
|
Код ECCN |
Ear99 |
|
Терминальная отделка |
Никель/палладий/золото (Ni/pd/au) |
|
HTS -код |
8542.39.00.01 |
|
Напряжение - поставка |
4,5 В ~ 5,5 В. |
|
Терминальная позиция |
Двойной |
|
Терминальная форма |
Крыло Печата |
|
Пиковая температура отвоз (° C) |
260 |
|
Напряжение снабжения |
3,3 В. |
|
Терминал |
0,65 мм |
|
Базовый номер детали |
PCF8575 |
|
Подсчет штифтов |
24 |
|
Количество выходов |
16 |
|
Вывод типа |
Толкать |
|
Операционное напряжение питания |
5,5 В. |
|
Питания |
3/5 В. |
|
Интерфейс |
I2c, Smbus |
|
Количество портов |
2 |
|
Количество битов |
16 |
|
Тактовая частота |
400 кГц |
|
Поставьте ток-макс |
0,2 мА |
|
Прерывание вывода |
Да |
|
Ток - источник вывода/раковина |
10 мА / 25 мА |
|
Функции |
Порт |
|
Высота |
1,2 мм |
|
Длина |
7,8 мм |
|
Ширина |
4,4 мм |
|
Толщина |
1 мм |
|
Радиационное упрочнение |
Нет |
|
Статус ROHS |
ROHS3 соответствует |
|
Свободно привести |
Свободно привести |




PCF8575, универсальный расширитель ввода/вывода, значительно влияет на различные технологические арены.Его разнообразные приложения охватывают телекоммуникации, персональные вычисления и за его пределами, демонстрируя свою компетентность в эффективном управлении множественными периферическими соединениями.
В телекоммуникационном секторе PCF8575 усиливает оборудование, такое как фильтровая единицы, путем расширения возможностей GPIO, что позволяет более точно управлять и точности в средах замысловатых сигналов.Его адаптируемость служит надежным партнером для вас, стремящихся уточнить системы, обеспечивая стабильную связь и точное управление сигналами.
Этот компонент облегчает оптимизированные операции в инфраструктурах серверов, предлагая адаптируемые соединения, которые активны для настройки с высоким спросом.Он предоставляет вам широту для оптимизации конструкций сервера с гибкостью и масштабируемостью, удовлетворяя развивающиеся требования с минимальными модификациями оборудования.
PCF8575 играет поддерживающую роль в сетевых маршрутизаторах путем расширения программируемости и подключения устройств.Получив помощь в разработке маршрутизаторов, ориентированных на надежность и адаптивность, это помогает создать сложные решения, которые эффективно управляют увеличением трафика данных.
В мире персональных вычислений этот расширитель ввода -вывода предлагает вам гибкость для инноваций периферийных устройств и улучшений, не будучи чрезмерно ограниченными ограничениями системной архитектуры.Он поощряет креативность в дизайне оборудования, продвигая доступные технологии на рынок с эффективностью.
На быстро развивающемся рынке потребительской электроники PCF8575 расширяет функции устройства без бремени крупных редизайнов.Эта возможность позволяет компаниям внедрить самые современные функции в компактных проектах, помогая поддерживать конкурентное присутствие в постоянно развивающейся отрасли.
PCF8575 играет важную роль в промышленной автоматизации, способствуя исключительному управлению и мониторингу процессов.Предлагая опасную связь, он поддерживает сложное управление операциями, повышая эффективность и сокращение времени простоя в условиях производства.
Для устройств, ограниченных дефицитной доступностью GPIO, PCF8575 представляет революционное решение путем расширения портов, что позволяет улучшить взаимодействие с периферийными устройствами.Эта гибкость предоставляет вашу творческую комнату для разработки инновационных решений, адаптированных к конкретным потребностям пользователей.

Texas Instruments (TI) со штаб -квартирой в Далласе, штат Техас, внес замечательный вклад в качестве первопроходца в полупроводниковой промышленности, в основном в интегрированных целях.Известный во всем мире своим инновационным духом, TI глубоко повлияло на многочисленные технологические достижения благодаря его прорывам в аналоговой и встроенной обработке.Со временем компания расширила свою обширную патентную коллекцию и обеспечила сильное присутствие на рынке, отражая его постоянное стремление к совершенству и инновациям.События в сфере образования и технологий были сформированы различной линейкой продуктов TI, включая такие устройства, как калькуляторы, микроконтроллеры и многоядерные процессоры.
Пожалуйста, отправьте запрос, мы ответим немедленно.
на 2024/11/22
на 2024/11/22
на 8000/04/18 147760
на 2000/04/18 111969
на 1600/04/18 111351
на 0400/04/18 83732
на 1970/01/1 79520
на 1970/01/1 66930
на 1970/01/1 63080
на 1970/01/1 63024
на 1970/01/1 54090
на 1970/01/1 52163