
А дифференциальный усилитель является основной частью многих аналоговых систем.Его основная функция состоит в том, чтобы усилить разность напряжений между двумя входными сигналами, игнорируя любое напряжение, которое является общим для обоих.Это выборочное усиление делает его таким полезным в шумных средах.Когда помехи, такие как электромагнитный шум или гул линии электропередачи, в равной степени влияют на оба входа, усилитель эффективно отменяет его.
Эта способность называется отклонением общего режима.Высокий коэффициент отклонений общего режима (CMRR) гарантирует, что усилитель фокусируется только на истинной разности сигналов, что помогает сохранить точность.Например, в медицинском оборудовании, как машины ЭКГ, электрические сигналы сердца крошечные и часто похоронены в шуме.Дифференциальный усилитель извлекает эти сигналы, что позволяет получить надежные показания.Тот же принцип применяется в промышленных или аудиосистемах, где важны точность и сопротивление шуму.
Когда сигналы проходят на большие расстояния, такие как через кабели с витой пары в системах сбора данных, оба провода получают одинаковые помехи.Дифференциальный усилитель отменяет этот общий шум и усиливает только полезную разность сигналов.Из-за этого это ключевой компонент в точной электронике, используемый во всем, от интерфейсов датчиков до аудио с высокой точки зрения.
Op-AMP, короткий для эксплуатационного усилителя, представляет собой электронную часть, которая может сделать небольшие сигналы напряжения намного больше.Он имеет два входных контакта: один называется не инвертирующим входом (отмечен «+»), а другой-инвертирующий вход (отмечен «--»).Op-AMP сравнивает напряжения на этих двух входах и дает выход, основанный на разнице между ними.Само по себе, Op-AMP имеет очень высокий усиление, что означает, что даже крошечная разница напряжений между двумя входами может подтолкнуть выход до его максимального или минимального уровня.Это делает его слишком чувствительным для большинства применений.Чтобы исправить это, мы добавляем что -то, называемое отрицательной обратной связью, это когда часть выхода отправляется обратно на инвертирующий вход через резисторы.Это помогает Op-AMP сохранить выход на устойчивом и полезном уровне.Резисторы контролируют, насколько Op-AMP усиливает разницу между двумя входами.

Рисунок 2. ОПЕТАМИ В ДЕЧАТЬ
На рисунке показана специальная настройка, называемая дифференциальным усилителем, иногда называемой Diff Amp для краткости.Он использует четыре резистора (R₁, R₂, R₃ и R₄) и два входных сигнала: V₁ и V₂.В Op-AMP рассматривается, насколько разные V₁ и V₂ дает выходное напряжение, которое основано на этой разнице.Этот вид схемы отлично подходит для того, чтобы поднять разницу между двумя сигналами, игнорируя любой шум или нежелательные сигналы, которые одинаковы на обоих входах.Вот почему он используется в таких вещах, как датчики, аудиосистемы и инструменты измерения, где вам нужны четкие и точные сигналы.
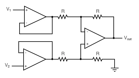
Чтобы сделать дифференциальный усилитель, который работает четким и надежным образом, используйте сбалансированную установку с четырьмя резисторами.Диаграмма показывает, как это делается с использованием OP-AMP (оперативный усилитель), два входных напряжения (V₁ и V₂) и четыре резистора: R1, R2, R3 и R4.

Рисунок 3. Схема дифференциального усилителя с симметричной сетью резисторов
В этой схеме первое входное напряжение, V₁, отправляется через резистор R1 на инвертирующий вход OP-AMP (отмеченной знак минус).Второе входное напряжение, v₂, проходит через резистор R3 к не инвертирующему входу (отмечено знаком плюс).Затем резистор R2 соединяет инвертирующий вход к земле, а резистор R4 соединяет выходной сигнал обратно к инвертирующему входу.Этот цикл обратной связи помогает Op-AMP управлять выходом и сохранять разницу между двумя входами устойчивой.
Основная идея этого усилителя состоит в том, чтобы измерить разницу между V₂ и V₁ и умножение этой разницы на определенную сумму, это называется усилением.Усиление устанавливается путем выбора правильных значений резистора.Если R1 и R3 имеют одинаковое значение, а R2 и R4 также имеют одинаковое значение, схема будет работать хорошо и даст чистый, точный выход.Наличие равных резисторов очень важно.Когда резисторы соответствуют, схема может игнорировать любой шум или помехи, которые одинаковы на обеих входных линиях.Это называется отклонением общего режима, и это помогает сохранить выходной сигнал в чистоте.Если резисторы не подходят хорошо, схема может позволить нежелательным сигналам, что может испортить выход.
Чтобы избежать этого, используйте резисторы с высокой степенью, которые очень близки по значению, часто в пределах 0,1% друг от друга.В более продвинутых конструкциях, таких как те, которые находятся в микрочипах, значения резистора тщательно регулируются с использованием лазерной обрезки, чтобы убедиться, что все сбалансировано.В других случаях также подумайте о температуре, потому что тепло может изменить то, как ведут себя резисторы.Таким образом, они пытаются выбрать резисторов, на которые не сильно влияет температура, или расположить их таким образом, чтобы все было стабильным.Этот простой тип дифференциального усилителя часто используется в качестве отправной точки для более сложных систем, таких как усилители приборов.Эти схемы используют дополнительные детали, чтобы повысить производительность еще больше, особенно при работе с очень небольшими сигналами в шумных условиях.
Усиление дифференциального усилителя является мерой того, насколько цепь увеличивает разницу между двумя входными напряжениями, V₁ и V₂.Другими словами, Gain говорит нам, насколько больше вывод будет сравниваться с разницей между входными сигналами.Это усиление устанавливается резисторами в схеме, в частности, путем сравнения значений входных резисторов и резисторов обратной связи.Если мы устанавливаем резисторы сбалансированным образом, расчет усиления становится очень простым.Допустим, R1 такой же, как R3, а R2 такой же, как R4.Этот вид настройки называется симметричной, и она помогает схеме работать более точно.В этом случае формула усиления усилителя выглядит так:

Эта формула означает, что усилитель принимает разницу между V₂ и V₁ и умножает ее на число, которое вы получаете, когда делите R2 на R1.Так что, если R2 в два раза больше R1, выход будет в два раза превышает разницу между V₂ и V₁.
Вот пример:
Если V₂ = 3 вольта и V₁ = 1 вольт, разница составляет 2 вольта.
Если R2 составляет 10 кОм, а R1 - 5 кОм, то усиление составляет 10K / 5K = 2.
Таким образом, выходное напряжение будет 2 × 2 = 4 вольт.
Если вы делаете все четыре резистора одинаковыми (r1 = r2 = r3 = r4), усиление становится 1. Это означает, что усилитель не изменяет размер разницы, он просто передает разницу в выходе, как есть.Это полезно, когда вы просто хотите измерить или передавать сигнал, не делая его сильнее.Иногда, однако, вам нужно, чтобы вывод был более сильным, особенно если входные сигналы очень малы.Для этого вы можете сделать R2 и R4 больше R1 и R3.Это увеличивает усиление и увеличивает выходной сигнал больше.Например, если R2 в десять раз больше R1, усиление составляет 10, а выход в десять раз превышает разницу в вводе.
Но увеличение прибыли также имеет недостатки.Высокий усиление также может сделать нежелательные сигналы, такие как шум или помехи, сильнее.Это может даже заставить крошечные ошибки напряжения выглядеть большими.Это может сделать выход усилителя шумным или неточным.Поэтому важно тщательно выбирать значения резистора, поэтому усиление достаточно высока, чтобы ясно видеть сигнал, но не настолько высокий, что вызывает проблемы.Кроме того, Op-AMPS не идеальны.У них могут быть небольшие встроенные ошибки, которые изменяют то, как работает схема.Например, Op-AMP может дать небольшой выход, даже когда входные данные точно такие же.Это вызвано напряжением смещения.Другой общей проблемой является ток смещения, который представляет собой крошечный ток, который попадает в входные контакты и может слегка изменять напряжение.Чтобы исправить или уменьшить эти проблемы, отрегулируйте схему после его построения (называемой обрезкой), добавьте дополнительные компоненты, чтобы отменить ошибки (смещение Nulling), или использовать специальные Op-AMP, которые предназначены для того, чтобы быть очень точными и стабильными.Полем
Основной дифференциальный усилитель - это простая и полезная схема.Он увеличивает (усиливает) разницу между двумя входными напряжениями и игнорирует все, что одинаково для обоих.Но этот простой дизайн имеет проблему, когда он подключается к слабым или высоким источникам сигналов или с высоким импедансом (например, некоторыми датчиками).Проблема происходит от инвертирующего ввода усилителя.Из -за того, как работает схема, этот вход действует как виртуальное заземление, что означает, что он может вытащить ток из источника сигнала.
Если источник сигнала не может дать много тока, как некоторые датчики или деликатные схемы, это может изменить сигнал.Сигнал может стать меньше (слабее) или искажены, что означает, что усилитель дает неправильный результат.Чтобы исправить это, используйте последователи напряжения, также называемые усилителями буфера, на каждом входе.Это специальные схемы усилителя, которые не увеличивают напряжение, но они имеют очень высокий входной импеданс и низкий выходной импеданс.Это означает, что они не получают много тока из источника сигнала, поэтому сигнал остается прежним.Буфер просто передает сигнал, не изменяя его.Когда вы добавляете эти последователи напряжения в дифференциальный усилитель, вы получаете лучшую схему, называемую трехоперационным усилителем инструментов.Эта новая версия имеет очень высокий входной импеданс, поэтому она хорошо работает со слабыми сигналами.
Вы также можете установить усиление (сколько усиливается сигнал) с помощью внешних резисторов.Он также хорошо блокирует шум и дает чистый, точный сигнал.Эти улучшенные усилители используются в точных заданиях, например, чтение крошечных сигналов из термисторов, деформационных датчиков или медицинских датчиков.Эти сигналы часто очень маленькие (например, микроволты) и должны быть четко усилены даже в шумных местах.Чтобы убедиться, что усилитель работает в лучшем виде, физический дизайн схемы также важен.Многие используют специальные уловки макета, такие как экранирующие части схемы, чтобы блокировать нежелательные сигналы и сохранить короткие провода, чтобы избежать проблем с нежелательной емкостью.Это помогает усилителю хорошо работать даже с очень маленькими или быстрыми сигналами.

Рисунок 4. Усилитель трехпольтизационного прибора с входными буферами
На рисунке отображается усилитель инструментальных приборов с тремя точками.Первые два Op-AMP действуют как буферы, получая входные сигналы v1 и v2 и пересылав их без тока из источников.Эти буферные сигналы затем проходят через резисторы и сходится на третьем OP-AMP, который служит дифференциальным усилителем.Этот последний этап вычитает один вход от другого, чтобы получить выходной напряжение Vout.Эта конфигурация повышает целостность сигнала и хорошо подходит для безопасной обработки слабых или чувствительных сигналов.
В некоторых схемах мы используем тип усилителя, называемый дифференциальным усилителем без каких -либо отзывов.Когда мы делаем это, это становится компаратором.Кораптор - это устройство, которое быстро проверяет, какое из двух напряжений больше.Как только он проведет сравнение, он изменяет свой выход на высокое или низкое напряжение, почти как простой переключатель.Этот вид поведения или поведения очень полезен в цифровых системах и автоматических схемах управления.Одним из примеров является детектор с нулевым пересечением.Он наблюдает за сигналом переменного тока (переменного тока) и меняет свой выход всякий раз, когда сигнал проходит через нулевые вольт.Это полезно при времени и управлении вещами, которые зависят от фазы сигнала.
Корамеры также важны в устройствах, называемых аналовыми в цифровыми преобразователями (ADC).Эти преобразователи меняют сигналы (например, звук или температура) на цифровые числа, которые могут понять компьютеры.Кораптор помогает, сравнивая изменяющийся сигнал с фиксированным эталонным напряжением.Несмотря на то, что регулярные операционные усилители (оперативные усилители) могут работать в качестве компараторов в простых схемах, есть специальные чипы компаратора, сделанные только для этой работы.Эти специальные фишки быстрее и точнее.Они также могут включать дополнительные функции, такие как гистерезис (что помогает избежать переключения слишком часто из-за небольших изменений или шума) и выходов с открытым корпольтором (что облегчает подключение к цифровым цепям).

Рисунок 5. Схема компаратора с использованием конфигурации моста Уитстоун -Стоун
Рисунок иллюстрирует схему компаратора с классической конфигурацией моста Wheatstone.Четыре равных резисторов R образуют мостовую сеть, создавая сбалансированное состояние, когда все компоненты симметричны, а вход составляет 0 вольт.Напряжения от рук моста, помеченные V1 и V2, подаются в инвертирующие и не инвертирующие входы компаратора, соответственно.В сбалансированных условиях V1 и V2 равны, что приводит к нулевой выходе.Любой дисбаланс в мосту, такой как изменение в одном резисторе из -за температуры или деформации, будет создавать разность напряжений между V1 и V2, что приводит к соответствующему переключению их вывода.
Светочувствительные переключатели-это применение дифференциальных усилителей, которые позволяют автоматическому управлению электрическими устройствами в ответ на различные уровни окружающей среды.Эти цепи обычно используют светозависимый резистор (LDR), компонент, сопротивление которого изменяется на основе интенсивности, падающего на него света.Интегрируя LDR в сеть разделителей напряжения, становится возможным преобразовать интенсивность света в соответствующий сигнал напряжения.Работа ядра такого переключателя зависит от дифференциального усилителя, который получает два входа: один от разделителя напряжения, содержащего LDR, а другой из эталонного напряжения.Опорное напряжение может быть сделано регулируемым с помощью переменного резистора (VR1) или потенциометра.Эта конфигурация позволяет точно установить порог интенсивности света, при котором переключатель будет активировать или деактивировать подключенную нагрузку.
По мере изменения окружающего света сопротивление LDR варьируется, изменяя напряжение при одном входе дифференциального усилителя.Когда это входное напряжение превосходит или падает ниже эталонного напряжения, выход усилителя переключается.Этот выход используется для привлечения транзисторного переключателя, который, в свою очередь, активирует подключенное устройство, такое как лампа, реле или вентилятор.Включение резистора обратной связи (RF) улучшает стабильность и отзывчивость схемы усилителя.Между тем, этапа транзистора, часто в сочетании с диодом обработки (D1), обеспечивает необходимое усиление тока и защищает от пиков напряжения, когда используются индуктивные нагрузки, такие как реле.

Рисунок 6. Светочувствительный переключатель с использованием дифференциального усилителя и LDR
На рисунке иллюстрирует светочувствительная цепь переключателя на основе дифференциального усилителя.Зависимый от света резистор (LDR) и фиксированный резистор (R1) образуют делитель напряжения, который обеспечивает вход переменного напряжения (V1) для инвертирующего терминала рабочего усилителя.Не инвертирующий вход получает опорное напряжение (V2), установленное с использованием переменного резистора (VR1) последовательно с резистором R2.Дифференциальный усилитель сравнивает эти входы с его выходом, подключенным к основанию транзистора через резистор (R3).Когда интенсивность света изменяется так, что V1 пересекает порог, установленную V2, выходной сигнал усилителя переключает состояния, включив или выключает транзистор.Это, в свою очередь, управляет подключенной ретрансляционной катушкой, указанной на диаграмме с выходным соединением.Диод (D1) помещается в параллельно с ретрансляционной катушкой для защиты от пиков напряжения.Резистор R4 служит раскрытием для базы транзистора.Общая схема обеспечивает автоматическое переключение на основе условий окружающего освещения.
• Отличный отказ шума: Дифференциальные усилители предназначены для усиления разницы между двумя входными сигналами, игнорируя любое напряжение, которое является общим для обоих.Это делает их высокоэффективными для отклонения электромагнитных помех и шума, которые в равной степени влияют на обе входные линии, что является ключевым преимуществом в средах с большим количеством электрического шума, таких как фабрики или вблизи линии электропередачи.
• Высокая точность: Эти усилители предлагают отличную линейность, что означает, что выход непосредственно пропорционален разнице входного напряжения с очень небольшим искажением.Это делает их идеальными для систем, которые требуют высокой точности, таких как аудио оборудование, системы сбора данных или научные инструменты, где даже небольшие неточности могут поставить под угрозу производительность.
• Универсальный дизайн: При простых модификациях конфигурации их схемы дифференциальные усилители могут использоваться в различных ролях, таких как базовые усилители, компараторы напряжения, подписчики напряжения (буферы) или в качестве строительных блоков в более продвинутых системах приборов.Эта гибкость делает их популярным выбором во многих аналоговых дизайнах.
• Улучшает качество сигнала на раннем этапе: Увеличив желаемый сигнал и отвергая шум в начале цепочки сигнала, дифференциальные усилители помогают обеспечить прохождение чистого сигнала через остальную часть системы.Это снижает необходимость в сложной фильтрации или цифровой коррекции вниз по течению, экономя мощность обработки и повышая общую надежность системы.
• Надежный в резких настройкахИз-за их отмены шума и точности дифференциальные усилители широко используются в средах высоких ставок, таких как аэрокосмические системы, медицинские устройства и лабораторное оборудование.В этих областях важны точные и стабильные измерения, а дифференциальные усилители помогают поддерживать целостность сигнала даже в сложных условиях.
Дифференциальные усилители являются важными инструментами в электронике, потому что они помогают вам усилить правильный сигнал и избавиться от нежелательного шума.Они работают, увеличивая разницу между двумя входными напряжениями и игнорируя все, что одинаковое для обоих.Вы узнали, как Op-AMPS используются для изготовления этих усилителей и как соответствующие значения резистора являются ключом к тому, чтобы схема была точной.Мы также объяснили, как увеличить входное сопротивление усилителя, используя буферы, что помогает, когда вы работаете с небольшими или слабыми сигналами.Эти усилители также могут использоваться в качестве компараторов и интеллектуальных выключателей, показывая, насколько они полезны и гибки.Знание того, как они работают, помогает вам построить лучше и более надежные схемы.
Пожалуйста, отправьте запрос, мы ответим немедленно.
Дифференциальный усилитель имеет OP-AMP и четыре резистора.Один вход переходит к инвертирующему терминалу через резистор, а другой вход отправляется в не инвертирующий терминал через другой резистор.Еще два резистора обеспечивают обратную связь и заземление.Схема усиливает разность напряжений между двумя входами, игнорируя любое напряжение, общее для обоих.
Его точность зависит от того, насколько хорошо резисторы соответствуют.Если значения резистора выключены, усилитель может пропустить шум.Он также борется с источниками с высоким импедансом, которые могут вызвать потерю или искажение сигнала.При высоком усилении даже небольшие внутренние ошибки, такие как напряжение смещения или ток смещения, могут повлиять на выход.Для точности могут потребоваться сложные макеты и дополнительные буферы.
У большинства основных дифференциальных усилителей есть один вывод, который показывает усиленную разницу между двумя входами.Некоторые продвинутые версии, такие как полностью дифференциальные усилители, имеют два выхода.Эти выходы равны по амплитуде, но противоположны фазе, что делает их полезными в системах, которые нуждаются в лучшем иммунитете шума.
Он усиливает разность напряжений между двумя входами и отклоняет любое напряжение, общее для обоих.Он имеет высокий общий режим отклонений, хорошую линейность и регулируемое усиление через значения резистора.С буферами это может иметь высокий входной импеданс.Это надежно в шумных средах и хорошо работает с небольшими сигналами от датчиков или источников аудио.
Вы увеличиваете усиление, регулируя значения резистора.Усиление равна соотношению резистора обратной связи к входному резистору, обычно усиление = R2 / R1.Использование более крупных резисторов обратной связи или меньших входных резисторов повышает усиление.Однако высокое усиление также может усилить шум или внутренние ошибки, поэтому значения резистора следует тщательно выбирать для хорошего баланса между силой сигнала и точностью.
на 2025/05/2
на 2025/05/2
на 8000/04/18 147757
на 2000/04/18 111931
на 1600/04/18 111349
на 0400/04/18 83718
на 1970/01/1 79508
на 1970/01/1 66881
на 1970/01/1 63010
на 1970/01/1 62973
на 1970/01/1 54081
на 1970/01/1 52107