
А EPM7256AETC144-10N является высокопроизводительным CPLD из серии Intel Max® 7000A, адаптированная для требования задач логической интеграции.Это устройство может похвастаться 256 макросолями и около 5000 полезных ворот, что облегчает существенную гибкость и полезность проектирования в сложных цифровых средах.Работая на максимальной частоте 172,4 МГц с задержкой распространения всего 5,5 нс, он спроектирован для быстрого работы.EPM7256AETC144-10N поддерживает операционное напряжение 3,3 В и упакованное в компактную 144-контактную плоскую плоскую упаковку (TQFP).EPM7256AETC144-10N использует память о нелетуальной конфигурации на основе EEPROM, что позволяет постоянно хранить данные программирования.Эта функция в сочетании с программируемостью внутри системы через интерфейс JTAG обеспечивает легкость в обновлениях и перепрограммировании поля, повышая долгосрочную удобство использования без необходимости физической реконфигурации или замены.
Закрепите свои проекты надежной, проверенной на поле технологии, разместив свой объемный заказ для EPM7256AETC144-10N с нами сегодня и убедитесь, что у вас есть твердое решение CPLD.

EPM7256AETC144-10N Символ

EPM7256AETC144-10N FOUTER

EPM7256AETC144-10N 3D модель
Макроселлы:Это устройство оснащено 256 макросол.Macrocells - это настраиваемые логические компоненты, которые позволяют CPLD выполнять различные логические функции.
Пригодные для использования ворот:Он обеспечивает приблизительно 5000 полезных ворот.Это относится к эквивалентному количеству основных логических ворот (например, или, или, не), которое может быть настроено на устройстве.
Булавки ввода/вывода:CPLD оснащен 120 входными/выводами, которые обеспечивают обширное взаимодействие с другими частями электронного дизайна пользователя.
Задержка распространения (TPD):Максимальная задержка распространения составляет 10 наносекунд, определяя, как быстро CPLD может обрабатывать входные сигналы и создавать выходы.
Рабочая частота:Он может работать на частотах до 95,2 МГц, что определяет скорость, с которой устройство может выполнять логические операции.
Напряжение подачи:Устройство работает при напряжении питания 3,3 В, что соответствует общим низковольтным уровням цифровой логики.
Упаковка:Он поставляется в 144-контактной тонкой квадочной плоской пакете (TQFP), компактном типе упаковки, который благоприятен для минимизации пространства, необходимого на печатных платах.
Диапазон рабочей температуры:Диапазон рабочей температуры составляет от 0 ° C до 70 ° C, что обеспечивает надежную производительность в широком диапазоне условий окружающей среды.
Программируемость внутри системы:CPLD поддерживает программируемость внутри системы через IEEE Std.1149.1 Интерфейс совместного тестового действия (JTAG), позволяющий программировать и перепрограммировать логическое устройство в конечной конфигурации аппаратного обеспечения.

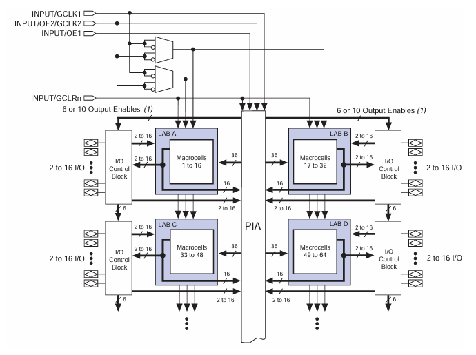
А EPM7256AETC144-10N является а Сложное программируемое логическое устройство (CPLD) с четырьмя Логические массивы блоки (лаборатории) , каждый содержит 16 макроселлов, в общей сложности 64 макросел.Эти макроцелл обрабатывают как комбинационную, так и последовательную логику, что делает устройство гибким для различных цифровых логических приложений.В центре CPLD находится Программируемый массив межконтактов (PIA), который соединяет все лаборатории, обеспечивая эффективную маршрутизацию сигнала.Каждая лаборатория общается с PIA, используя 36 линий взаимосвязей, позволяя эффективно обмен и обработаны сигналами.Устройство имеет блоки управления вводами/выводом с каждой стороны, поддерживая от 2 до 16 контактов ввода/вывода на лабораторию.Эти блоки помогают управлять функциями ввода и вывода, подключая CPLD к внешним цепям.Управляющие сигналы, такие как глобальные часы (GCLK1, GCLK2), выходные данные (OE1) и Global Reset (GCLRN) справляют синхронизировать логические операции по всему устройству.Кроме того, логические ворота управляют часами и сброшенными сигналами, обеспечивая плавную работу.Этот CPLD предназначен для высокоскоростной логической обработки, предложения программируемости, эффективной маршрутизации сигналов и надежного управления вводом/выводом, что делает его подходящим для встроенных систем, связи и промышленной автоматизации.
|
Тип |
Параметр |
|
Производитель |
Altera/Intel |
|
Ряд |
Max® 7000a |
|
Упаковка |
Поднос |
|
Статус частично |
Устаревший |
|
Программируемый тип |
В системном программируемом |
|
Время задержки TPD (1) Макс |
10 нс |
|
Поставка напряжения - внутреннее |
3 В ~ 3,6 В. |
|
Количество логических элементов/блоков |
16 |
|
Количество макросел |
256 |
|
Количество ворот |
5000 |
|
Номер в/вывода |
120 |
|
Рабочая температура |
0 ° C ~ 70 ° C (TA) |
|
Монтажный тип |
Поверхностное крепление |
|
Пакет / корпус |
144-LQFP |
|
Пакет устройства поставщика |
144-TQFP (20x20) |
|
Базовый номер продукта |
EPM7256 |
Искусственный интеллект
Этот CPLD используется в аппаратных ускорителях AI для обработки сложных вычислений, необходимых для эффективной обработки алгоритмов ИИ, повышения как скорости, так и надежности в приложениях ИИ.
5G технология
В сфере связи 5G EPM7256AETC144-10N лучше всего подходит для обработки сигналов и управления протоколами связи.Его высокоскоростные логические операции облегчают быструю обработку, необходимую в следующем поколении беспроводных систем.
Облачные вычисления
В центрах обработки данных это устройство улучшает возможности обработки, служат компонентом для управления большими объемами данных и сложными вычислениями, поддерживая инфраструктуру облачных сервисов.
Потребительская электроника
CPLD находит приложения в потребительской электронике, таких как телевизоры и игровые приставки, где выполняет пользовательские логические функции, которые улучшают функциональные возможности и опыт устройства.
Беспроводная технология
Он используется в устройствах беспроводной связи для модуляции и демодуляции сигналов, обеспечивая эффективную и эффективную связь в устройствах, таких как маршрутизаторы и сотовые модемы.
Промышленный контроль
Это устройство является неотъемлемой частью систем автоматизации в промышленных настройках, где оно управляет механизмом и управляет процессами, способствуя повышению производительности и безопасности.
Интернет вещей (IoT)
В устройствах IoT EPM7256AETC144-10N управляет задачами обработки данных и связи, отлично подходящих для бесшовной работы подключенных устройств в умных домах и отраслях.
Медицинское оборудование
CPLD применяется в медицинских устройствах для таких задач, как сборы данных и обработка сигналов, играя роль в надежности и эффективности медицинской диагностики и оборудования для лечения.
Высокая логическая плотность
В этом устройстве есть 256 макроэлементов и приблизительно 5000 полезных ворот, что позволяет реализовать сложные логические цепи в одном чипе.Эта высокая логическая плотность облегчает более интегрированные и компактные конструкции, снижая общее количество компонентов и упрощая макеты платы.
Программируемость внутри системы (ISP)
Показывая программируемость в системе через IEEE Std.1149.1 Интерфейс JTAG, EPM7256AETC144-10N позволяет легко программировать и перепрограммировать непосредственно в цепи.Эта возможность неоценима для быстрого прототипирования и итеративных проектных процессов, позволяющих вносить коррективы без необходимости замены чипа.
Быстрая задержка распространения
С максимальной задержкой распространения всего 10 нс этот CPLD обеспечивает быструю обработку входов и выходов для приложений, которые требуют высокоскоростной обработки данных и своевременных ответов, таких как обработка видео и высокочастотные торговые системы.
Низкое энергопотребление
Работая на напряжении питания 3,3 В, EPM7256AETC144-10N оптимизирован для энергоэффективности.Это низкое энергопотребление полезно на портативных и аккумуляторных устройствах, где управление питанием полезно для продления эксплуатационного срока службы.
Комплексные возможности ввода/вывода
Устройство оснащено 120 контактами ввода/вывода, обеспечивая обширные варианты подключения.Это позволяет гибко взаимодействовать с широким спектром периферийных устройств и других компонентов системы, что делает его очень адаптируемым к сложным многократным средам.
Нелетуальное хранилище конфигурации
Благодаря своей памяти на основе EEPROM, CPLD сохраняет свои настройки конфигурации даже после того, как питание отключено, что обеспечивает функциональность устройства остается согласованной в течение циклов питания.Эта функция необходима для приложений, требующих надежной долгосрочной производительности без необходимости частой реконфигурации.
Программирование устройства EPM7256AETC144-10N включает в себя шестиступенчатый процесс программирования (ISP).
1. Введите ISP: этот шаг гарантирует, что входные и выходные части устройства плавно переключаются с обычного использования в режим программирования.Это занимает около 1 миллисекунды.
2. Проверьте идентификатор: Перед началом программирования устройство проверяет свой собственный идентификатор.Этот шаг очень быстрый.
3. Основная стирания: это очищает все предыдущие данные с устройства.Это делает это, получив команду, чтобы стереть все, а затем ожидая 100 миллисекунд, чтобы убедиться, что все стирается.
4. Программа: Здесь новые данные помещаются в устройство.Для каждой части данных он отправляется на правильный адрес в устройстве, а затем специальный импульс гарантируется, что он хранится должным образом.
5. Проверьте: После программирования устройство проверяет, правильно ли хранятся все данные, прочитав его обратно и сравнивая его с тем, что должно быть.
6. Выйдите из ISP: этот шаг переключает устройство обратно из режима программирования в нормальный режим использования.Это также занимает около 1 миллисекунды.
Общее время, необходимое для программирования, зависит от того, как долго длится каждый импульс и как быстро могут перемещаться данные в устройство и за его пределами, на что влияет скорость часов программирования и сколько данных для обработки.Различные устройства могут занять различные объемы времени, потому что у них есть разные объемы памяти для программы.

Диаграмма показывает контур пакета EPM7256AETC144-10N и нумерацию выводов.Этот чип поставляется в TQFP-144 (тонкая Quad Flat Package с 144 контактами), то есть он имеет тонкие лиды с всех четырех сторон.Местоположение PIN 1 отмечено небольшой точкой, и номера штифтов увеличивают против часовой стрелки вокруг упаковки.Ключевые контактные контакты, такие как PIN 1, PIN 37, PIN 73 и PIN 109, помогают с ориентацией во время сборки печатной платы.Размеры схем определяют физический размер чипа, чтобы обеспечить правильную подгонку печатной платы.Расположение распиновки позволяет эффективно маршрутизировать сигнал, что делает ее подходящим для сложных логических приложений.EPM7256AE является частью серии CPLD MAX 7000A, в которой представлены 256 макропел и программируемости внутри системы.Суффикс -10N указывает на степень скорости 10 нс и упаковку без свинца.
EPM7256AETC144-10N-это сложное программируемое логическое устройство (CPLD), первоначально разработанное Altera Corporation, которое впоследствии было приобретено Intel Corporation В 2015 году. С момента приобретения Intel стала официальным производителем продуктов FPGA Altera и CPLD, включая серию Max® 7000A, к которой принадлежит это устройство.EPM7256AETC144-10N предназначена для высокопроизводительных, низкопроизводительных приложений, поддержки внутри системы программируемости (ISP) через JTAG (IEEE 1149.1).Хотя Intel унаследовала технологию CPLD Altera, это устройство с тех пор было прекращено и в настоящее время классифицируется как устаревшая, то есть Intel больше не производит и не поддерживает его в активном производстве.
EPM7256AETC144-10N-это мощный и гибкий CPLD, который используется в AI, 5G, облачных вычислениях, промышленных машинах, IoT и медицинских устройствах.Он быстро обрабатывает данные, использует небольшую мощность и позволяет легко перепрограммировать, не удаляя их из цепи.Это по -прежнему полезно для более старых дизайнов, которые нуждаются в программируемой логике со стабильной производительностью.Независимо от того, работаете ли вы с этим CPLD или ищете аналогичные альтернативы, понимание его дизайна, программирования и преимуществ может помочь вам наилучшим образом использовать его в высокоскоростных цифровых приложениях.
Пожалуйста, отправьте запрос, мы ответим немедленно.
EPM7256AETC144-10N предоставляет 256 макросол и приблизительно 5000 полезных ворот, что обеспечивает умеренно сложные логические реализации.
EPM7256AETC144-10N поддерживает программируемость внутри системы (ISP) через интерфейс JTAG (IEEE 1149.1).Вам понадобится программное обеспечение ALTERA USB-Blaster или Intel Quartus Prime, чтобы записать данные конфигурации в чип.
Основная разница - скорость.EPM7256AETC144-10N имеет максимальную задержку распространения 10 нс, в то время как EPM7256AETC144-7 имеет более высокую задержку 7 нс для более скорости применения.Оба устройства имеют один и тот же пакет, количество ввода/вывода и структуру макроселл.
Нет, сам CPLD не требует внешнего генератора, но он поддерживает внешние входы часов.Если ваш дизайн нуждается в точном времени, для управления его логическими операциями можно использовать внешний таксовый сигнал.
Этот CPLD выделяется из-за его высокоскоростной производительности (задержка распространения 10 нс), 256 макроэнкл и 5000 полезных ворот, что делает его идеальным для сложных логических конструкций.Он также поддерживает программируемость внутри системы (ISP) через JTAG, в отличие от некоторых старых моделей.
на 2025/03/13
на 2025/03/13
на 8000/04/18 147760
на 2000/04/18 111969
на 1600/04/18 111351
на 0400/04/18 83734
на 1970/01/1 79522
на 1970/01/1 66930
на 1970/01/1 63084
на 1970/01/1 63024
на 1970/01/1 54090
на 1970/01/1 52163