
А 74HC02 является интегрированной схемой, которая имеет четыре различных 2-в-входных или ворота.Каждый затвор оснащен входными диодами зажима, которые работают рука в руке с резисторами, ограничивающими ток, для управления экземплярами, когда входные значения превышают VCC.В ландшафте цифровой схемы затворы NOR стоят как начальный логический элемент.Его простота сияет через свою работу: он выводит высокий сигнал исключительно, когда оба входа низкие.Следовательно, 74HC02 становится необходимой частью создания различных логических функций.
С практической точки зрения 74HC02 часто может оптимизировать конструкции схемы, уменьшая количество компонентов, необходимые для сложных логических задач.Норт -затвор сияет, когда два или более условия должны быть выполнены исключительно для создания вывода.Потребительская электроника служит иллюстративным примером.Вы можете часто обращаться к этому IC, чтобы ориентироваться в элементах управления, которые должны вызывать только в определенных условиях, таких как автоматические режимы резервно, наблюдаемые на телевизорах.
Адаптируемость 74HC02 ветвет из элементарных применений, находя его место в сложных системах.Он служит ключевым элементом в строительстве шлепанцев и защелков.Эти компоненты используются в схемах синхронизации, присутствующих в чипах и процессорах памяти.Более того, 74HC02 оказывается тонким катализатором для инноваций в устранении неполадок и ремонта, где захват логических потоков прокладывает путь для более эффективной диагностики.
|
Особенность |
Описание |
|
Рабочий диапазон напряжений |
Широкий диапазон от 2,0 В до 6,0 В |
|
Рассеяние власти |
Низкое энергопотребление с технологией CMOS |
|
Шумовой иммунитет |
Иммунитет высокого шума |
|
Производительность защелки |
Надежная производительность превышает 100 мА (JESD 78
Уровень II класса B) |
|
Входные уровни |
- 74HC02: уровень CMOS |
|
- 74HCT02: уровень TTL |
|
|
Соответствие стандартам JEDEC |
- jesd8c: 2,7 В до 3,6 В |
|
- jesd7a: 2,0 В до 6,0 В |
|
|
Защита ESD |
- HBM JESD22-A114F: превышает 2000 В. |
|
-MM JESD22-A115-A: превышает 200 В |
|
|
Параметры пакета |
Доступны различные параметры пакета |
|
Технические характеристики температурного диапазона |
Предоставлено от -40 ° C до +85 ° C и от -40 ° C до +125 ° C |
|
Тип |
Параметр |
|
Максимальная диссипация власти |
500 МВт |
|
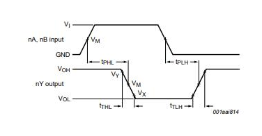
Задержка распространения |
15 нс |
|
Крыжительный ток |
2 мкс |
|
Включить время задержки |
7 нс |
|
Логический уровень - низкий |
0,5 В ~ 1,8 В. |
|
Логический уровень - высокий |
1,5 В ~ 4,2 В. |
|
Ток - выходной, низкий |
5,2 мА, 5,2 мА |
|
Выходной ток |
25 мА |
|
Количество функций |
4 |
74HC02 содержит четыре отдельных и ворота, каждый из которых настроен на сложные логические операции.Эти ворота однозначно излучают высокий сигнал только тогда, когда каждый вход регистрирует как низкие, как показано ее таблицей истины.Эта характеристика дает и не затрагивает начальные элементы в создании цифровых схем, лежащих в основе комплексных логических функций.Стратегическая настройка их, эти ворота искусно подражают другим логическим воротам, таким как и, или, а не.

В мире цифровых систем, ни ворота, иллюстрированные 74HC02, предлагают обширные возможности для разработки адаптируемых и надежных логических цепей.Они позволяют вам интегрировать основные функции и элементы управления в вычислительные устройства.Благодаря эффективным комбинациям эти ворота выполняют отрицание и соединение, которые являются основными аспектами вычислительных процессов.Вы можете часто зависеть от их способности оптимизировать архитектуру схемы, повышая общую эффективность работы и надежность системы.
•Память и хранилище: Широко распространенное применение NOR Gates может наблюдаться в технологиях памяти и хранения.Как основные компоненты в построении ячеек памяти, они облегчают процессы управления данными как в летучих, так и в нелетучих воспоминаниях.Их роль в основном заслуживает внимания в инновациях Flash Memory, где их включение поддерживает хранение данных высокой емкости с пониженными требованиями к мощности.Такие достижения подчеркивают, как и замечательный вклад Гейтса в развитие повседневных технологий электронной памяти.
Ни ворота в 74HC02 значительно укрепляют возможности безопасности цифровых конфигураций.Мастерное применение этих ворот позволяет выполнять замысловатые протоколы безопасности.Логические конфигурации, такие как те, которые используются в алгоритмах шифрования, используют эти ворота для защиты чувствительных данных от несанкционированного воздействия.Следовательно, сила NOR Gates является ключевой в формировании защищенных системных архитектур, которые полезны для поддержания целостности данных и защиты вашей конфиденциальности.
Кроме того, 74HC02 оказывает влияние на управление сигналом управления в многочисленных электронных системах.Ни ворота не являются важными в направлении сигнальных путей, облегчая точное контроль над временем и последовательное выполнение задач в микроконтроллерах и процессорах.Этот уровень контроля активен для максимизации производительности системы и обеспечения синхронности среди различных компонентов в цифровой структуре.
Интегрированная схема 74HC02 имеет заметное значение в рамках серии 7400, предлагая вдумчивое размышление о ее функциональных спецификациях и мыслимых применениях.Он играет роль в системах, которые превращаются в творческий потенциал и желания решения проблем в инновационные конструкции.

Схема требует устойчивости в своем источнике питания, работающего в рамках спектра VCC от 2 В до 6 В.Такая адаптивность предоставляет возможности для его интеграции в множестве систем, поддерживая полный спектр потребностей в электроэнергии.Обеспечение силовых штифтов с уверенностью обеспечивает эксплуатационную стабильность и избегает нежелательных сбоев.
Процесс 74HC02, состоящий из четырех отдельных нор.Вы можете часто использовать эти ворота в проектировании цифровой логики.
Пределы выходного тока, достигая пика при 4 мА за ворота при работе при 5 В, образуют границы приложения.Этот фактор поощряет тщательные оценки нагрузки, чтобы предотвратить переоценку результатов, достигая гармонии надежности.Вы можете внедрить буферные ворота в цепях, умело управлять течениями для защиты и продления жизнеспособности IC.
Ни ворота не служат типичными элементами в мире цифровой электроники.Настройка их удачно, можно создать любую логическую функцию, подчеркивая их исключительную гибкость.Вы можете покопаться в универсальных приложениях для этих ворот, таких как строительство защелок и осцилляторов, демонстрируя потенциал адаптации чипа для удовлетворения сложных потребностей уникальных и креативных дизайнов.
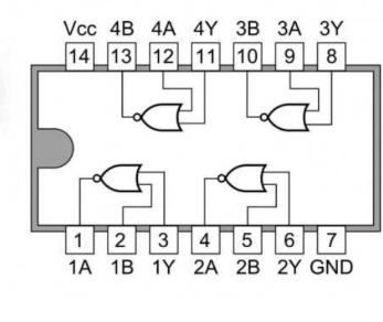
Интегрированная цепь 74HC02 имеет в общей сложности 14 штифтов и включает в себя четыре основных нор.

|
Штифт № |
Название вывода |
Тип |
Описание |
|
1 |
1y |
Выход
|
Вывод с первого ни затвора. |
|
2 |
1A |
Вход |
Ввод в первый нерат. |
|
3 |
1B |
Вход |
Ввод в первый нерат. |
|
4 |
2y |
Выход |
Вывод со второго ни втвора. |
|
5 |
2A |
Вход |
Ввод во второй или ворот. |
|
6 |
2B |
Вход |
Ввод во второй или ворот. |
|
7 |
Гнездо |
Власть |
Подключиться к земле. |
|
8 |
3A |
Вход |
Ввод в третий ни затвор. |
|
9 |
3B |
Вход |
Ввод в третий ни затвор. |
|
10 |
3Y |
Выход |
Вывод из третьего ни затвора. |
|
11 |
4а |
Вход |
Ввод в четвертый и ворота. |
|
12 |
4B |
Вход |
Ввод в четвертый и ворота. |
|
13 |
4y |
Выход |
Вывод из четвертого ни затвора. |
|
14 |
Венчурной |
Власть |
Положительный источник питания.Подключитесь к мощности +5V. |





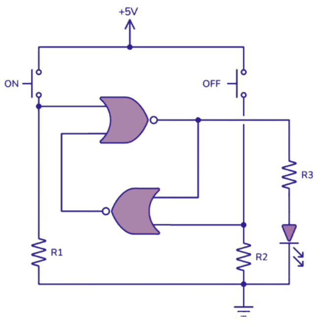
IC 74HC02 - это универсальный компонент, обычно используемый в простых, но важных проектах электроники.Одним из практических примеров является построение защелки SR (Set-Reset), схемы, которая позволяет вам управлять светодиодом, используя и не ворота IC.Этот дизайн демонстрирует функцию «память» SR -защелки, где светодиод остается освещенным даже после того, как начальное нажатие кнопки выпускается.

Чтобы построить эту цепь, соберите следующее:
• 1 x 74HC02 IC: основной компонент, обеспечивающий NOR Gates.
• 1 x светодиод (L1): отображает выходное состояние (включение или выключение).
• Резисторы 2 x 10 кОм (R1, R2): Регулируйте уровни напряжения для стабильной работы цепи.
• Резистор 1 x 1 кОм (R3): защищает светодиод, ограничивая ток, проходящий через него.
• 2 x pushbuttons (S1, S2): позвольте вам переключать состояние светодиода (включите или выключите).
IC 74HC02 предлагает ряд вариаций, каждый из которых поддерживает свои основные особенности, демонстрируя различия в напряжении и способностях обработки тока.Несколько примечательных вариантов включают в себя:
• 74HCT02
• 74LS02
• 74LVC02
• 74AC02
• 74ALS02
• 74F02
• 74C02
|
Символ |
Параметр |
Ценить |
Единица |
|
Венчурной |
Напряжение питания постоянного тока (ссылка на GND) |
- от 0,5 до +7,0 |
V. |
|
Вин |
Входное напряжение постоянного тока (ссылка на GND) |
- 0,5 до VCC + 0,5 |
V. |
|
Виды |
Выходное напряжение DC (ссылка на GND) |
- 0,5 до VCC + 0,5 |
V. |
|
линейный |
Входной ток постоянного тока, за вывод |
± 20 |
магистр |
|
IOUT |
Выходной ток постоянного тока, за вывод |
± 25 |
магистр |
|
ICC |
Ток подачи постоянного тока, контакты VCC и GND |
± 50 |
магистр |
|
ПД |
Рассеяние электроэнергии в неподвижном воздухе: |
||
|
- SOIC Package |
500 |
МВт |
|
|
- Tssop Package |
450 |
МВт |
|
|
TSTG |
Температура хранения |
- от 65 до +150 |
℃ |
|
TL |
Температура свинца, 1 мм от корпуса в течение 10 секунд: |
||
|
- SOIC или TSSOP Package |
260 |
℃ |
|
Символ |
Параметр |
Мин |
Максимум |
Единица |
|
Венчурной |
Напряжение питания постоянного тока (ссылка на GND) |
2 |
6 |
V. |
|
Вин, Vout |
Входное напряжение постоянного тока, выходное напряжение (ссылка на GND) |
0 |
Венчурной |
V. |
|
ТА |
Рабочая температура, все типы упаковки |
-55 |
125 |
℃ |
|
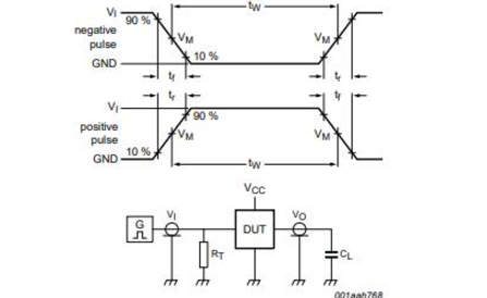
Tr, tf |
Вход вход и время падения (рисунок сигналов 74HC02). |
нс |
||
|
- VCC = 2,0 В |
0 |
1000 |
||
|
- VCC = 4,5 В |
0 |
500 |
||
|
- VCC = 6,0 В |
0 |
400 |

Пожалуйста, отправьте запрос, мы ответим немедленно.
NOR GATE объединяет функции или ворот или инвертор.Он создает истинный выход только тогда, когда оба входа являются ложными.Эта характеристика активна для упрощения цифровых логических цепей, поскольку она обеспечивает как отрицание, так и операции соединения.Использование NOR Gates повышает как надежность, так и эффективность различных применений за счет снижения сложности цепи.
IC 74HC02 работает в диапазоне напряжений от 2,7 В до 3,6 В. Этот диапазон в основном полезен в цифровой электронике, что обеспечивает легкую интеграцию с различными цифровыми системами при сохранении низкого энергопотребления.Этот атрибут особенно важен в устройствах с батарейным питанием и позволяет интегрировать различные логические семейства в средах смешанного напряжения.
Ни ворота не являются компактными и экономически эффективными, что делает их отличным выбором для снижения затрат на материалы.Их простой дизайн облегчает быстрое развитие и прототипирование, позволяя вам сосредоточиться на улучшении других аспектов их систем.Внедрение и ворота в конструкции схемы может упростить систему, потенциально повышая долговечность и производительность.
Выбор между Nor и Nand Gates зависит от конкретных потребностей, таких как скорость, энергопотребление, стоимость и сложность конструкции схемы.Ни ворота часто предпочтительнее в приложениях, требующих быстрой производительности и низкого использования мощности.С другой стороны, ворота Nand проще, что может привести к экономии средств и простоте дизайна в цепях крупномасштабной интеграции (VLSI).Решение должно основываться на тщательной оценке этих факторов относительно требований приложения.
на 2024/11/28
на 2024/11/28
на 8000/04/18 147758
на 2000/04/18 111948
на 1600/04/18 111349
на 0400/04/18 83722
на 1970/01/1 79508
на 1970/01/1 66916
на 1970/01/1 63075
на 1970/01/1 63012
на 1970/01/1 54081
на 1970/01/1 52144