
А 8255 Микропроцессор, также называемый чипом PPI (программируемый периферический интерфейс), играет роль в облегчении передачи данных в различных средах.Его поддержка как простых, так и для прерывавшихся операций ввода-вывода делает его очень привлекательной для различных приложений.Этот микропроцессор обеспечивает жидкие взаимодействия между процессором и внешними устройствами, такими как аналого-цифровые преобразователи (ADC), цифровые преобразователи (DAC) и клавиатуры.Его сложная, но экономически жизнеспособная архитектура обеспечивает совместимость с широким спектром микропроцессоров и внешних компонентов.Он поставляется с тремя 8-битными двунаправленными портами ввода-вывода, программируемыми для потребностей в приложении.Микропроцессор 8255 находит свое место в множестве отраслей, доказывая свою универсальность как в промышленной автоматизации, так и в потребительской электронике.В автоматизированной производственной среде 8255 служит ядром в системах сбора данных, взаимодействуя с датчиками и приводами.
Микропроцессор 8255 превосходит как программируемое устройство периферического интерфейса (PPI) с тремя программируемыми портами ввода -вывода.Эти порты облегчают соединение с различными устройствами, функционируя в трех рабочих режимах: Mode 0 (простой ввод -вывод), режим 1 (стробированный ввод -вывод) и режим 2 (двунаправленный жесткий ввод -вывод).
Три программируемых порта ввода -вывода предлагают разнообразные варианты подключения.Эта гибкость способствует управлению и координации множественных периферийных устройств, обогащая модульность и масштабируемость системы.
Режим 0 включает в себя прямые операции ввода и вывода.Его простота и скорость делают его очень надежным для задач, где необходима простая функциональность.
Режим 1 или стробированный ввод -вывод использует сигналы рукопожатия для обеспечения правильного времени и синхронизации передачи данных.Этот режим способствует целостности данных, снижая риск ошибок во время передачи.
Режим 2 поддерживает двунаправленную связь, повышая эффективность обмена данных.Эта возможность с двумя потоками хороша в системах, требующих динамической и надежной передачи данных.
Полная совместимость микропроцессора с процессорами Intel гарантирует бесшовную интеграцию и исключительное сотрудничество в системах Intel.Его совместимость с TTL облегчает прямое взаимодействие со стандартными логическими семействами, оптимизируя проектирование и реализацию электронных систем.
Одной из особенности 8255 является его функциональность прямого набора/сброса прямого бита.Это позволяет манипулировать отдельными битами в портах, предлагая точный контроль над периферийными операциями.Другие используют эту возможность повысить производительность и отзывчивость системы.
8255 предоставляет в общей сложности 24 программируемых контакта ввода/вывода, расположенных в 8-битные и 4-битные порты.Эта конфигурация дает значительную гибкость в проектировании периферийных интерфейсов, обслуживая как простые, так и сложные настройки.Эти программируемые контакты позволяют практикующим людям создавать индивидуальные решения, адаптированные к конкретным потребностям применения.Адаптивность и программируемость 8255 оказываются очень полезными.Например, в системах управления автомобильным управлением, управляющими несколькими датчиками и приводами, способность микропроцессора обрабатывать различные операции ввода/вывода обеспечивает надежную и эффективную производительность системы.

Микропроцессор 8255 выделяется как сложный программируемый периферический интерфейс, созданный 40 контактами, каждый из которых играет различные роли для своей функции.Расселение этих булавок выявляет их соответствующие функции и разнообразные приложения.
Пына PA0-PA7 и PB0-PB7 служат основными каналами обмена данных для порта A и порта B соответственно.Эти порты облегчают бесшовную связь между микропроцессором и периферийными устройствами.Они часто используются в параллельной связи с устройствами ввода/вывода, обеспечивая эффективную обработку данных.Эффективное управление этими линиями в сценариях, требующих параллельной обработки и передачи данных, повышая общую реакцию системы.
PIN-контакты Port C, PC0-PC7, разделены на верхние половины (PC4-PC7) и нижние (PC0-PC3).Эта сегментация обеспечивает гибкие конфигурации для различных режимов работы.Двойная природа порта C может функционировать как индивидуальные линии управления или как коллективную группу для ручной работы.Такая универсальность оказывается бесценной в сложных цепях взаимодействия, где необходимы точный контроль и обратная связь с состоянием, облегчая сложные системы системы.
Контакты D0-D7 представляют собой основную шину данных, что обеспечивает двунаправленный поток данных между микропроцессором и периферийными устройствами.Эти строки играют роль в передаче данных, командах и информации о состоянии.Понимание времени и синхронизации транзакций шин данных для оптимизации общей производительности системы, обеспечения плавного обмена данными и эксплуатационной эффективности.
Контакты A0 и A1 являются неотъемлемой частью выбора соответствующего порта для передачи данных или операций управления.Эти адресные линии позволяют микропроцессору точно ориентироваться на конкретные регистры, с точностью направлять операции.Основное использование этих контактов хорошо подходит для настройки микропроцессора для различных задач, таких как настройка режима и обработка прерываний, адаптирование его для удовлетворения разнообразных рабочих требований.
PIN CS активирует микропроцессор 8255.Когда этот вывод низкий, микропроцессор выбирается для последующих операций чтения или записи.Правильная реализация этого вывода важна для стабильности системы и предотвращения ошибочных обменов данных, обеспечивая надежную работу.
PIN -код RD инициирует операции чтения от микропроцессора.Этот сигнал используется для извлечения данных с устройства.Эффективная координация сигналов чтения с синхронизацией периферического устройства помогает для бесшовного сбора данных, повышая целостность данных.
PIN -контакт WR 'запускает операции записи, позволяя отправлять данные на периферийные устройства.Правильная синхронизация команд записи необходима для обеспечения целостности данных и предотвращения потери данных во время передачи, поддержания надежности системы.
Сброс контакта повторно ренициализирует микропроцессор.Это действие очищает данные и настройки, гарантируя, что система может быть перезапущена и доставлена в известное состояние.Это важно после того, как столкновение с ошибками обработки или во время запусков, поддержание согласованности системы.
Пына GND и VCC обеспечивают источник питания для микропроцессора.GND служит эталонной площадкой, в то время как VCC поставляет стабильный 5V.Правильная проводка этих булавок, чтобы избежать колебаний мощности, которые могут поставить под угрозу производительность микропроцессора и общую надежность системы.
Работа с микропроцессором 8255 выявляет интересный аспект: оптимизация его многофункциональных контактов для различных режимов эксплуатации.Использование этих булавок в приложениях, управляемых прерыванием, повышает эффективность, позволяя микропроцессору реагировать на события по мере их возникновения, без постоянного опроса периферийных устройств.Этот подход повышает производительность системы, делая его более адаптивным и отзывчивым к любым событиям.
Конфигурация PIN -кода 8255 микропроцессора основана на его гибкости и эффективности при периферическом взаимодействии.Понимание роли каждого PIN -кода и применение лучших практик в их использовании может значительно повысить производительность микропроцессора в сложных системах.

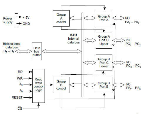
Архитектура микропроцессора 8255 является сложной, охватывающей несколько компонентов, которые обеспечивают операции жидкости ЦП.Сложный внутренний интерфейс шины интегрирует внутренние и системные шины, поддерживая бесшовные задачи чтения и записи ЦП, это опирается на свою роль в общей функциональности микропроцессора.
Внутренняя интерфейс шины служит мостом между внутренними механизмами микропроцессора и внешними системными шинами.Этот двунаправленный интерфейс хорош для эффективного выполнения операций чтения и записи.Например, аналогичные системы используются в современных вычислениях для облегчения обмена информацией между центральной обработкой и различными периферийными устройствами, обеспечивая плавную и эффективную производительность.
Логика управления является ядром архитектуры 8255, организации внутренних операций и управления передачами данных.Повышая координацию, логика управления оптимизирует эффективность обработки.Реализация передовых систем управления, аналогично моментам современным автоматизированным производственным линиям, может повысить производительность и надежность сложных систем.
Архитектура определяет контрольные группы A и B, которые управляются процессором.Эти группы передают команды в ассоциированные порты, аналогичные тем, как автоматизированные системы разделены на контролируемые единицы для улучшения управляемости и эффективности.Эта сегментация обеспечивает легкую уточнение и устранение неполадок в сложных сценариях.
Порты A и B имеют 8-битные входные защелки и выходные буферы.Порт A работает в трех уникальных режимах, в то время как порт B функционирует в двух.Этот сорт в режимах конфигурации позволяет использовать широкий массив приложений, очень похожий на конфигурируемые сетевые системы, которые могут адаптироваться к различным рабочим потребностям.Несколько режимов обеспечивают повышенную гибкость и полезность.
Порт C делится на верхние и нижние секции, для рукопожатия и сигналов состояния.Эта сегментация обеспечивает точную и надежную связь, как в микропроцессоре, так и в современных сетевых системах связи.Например, протоколы рукопожатия, используемые в обмене безопасными данными, демонстрируют необходимость такого сегментированного контроля в поддержании целостности и эффективности.
Архитектурная изощренность микропроцессора 8255, отмеченная его полной логикой управления, универсальными конфигурациями порта и эффективным интерфейсом шины, подчеркивает значение подробного модульного дизайна в достижении оптимизированной и надежной производительности в различных технологических доменах.
8255 работает в различных режимах, каждый из которых предлагает уникальные функции, адаптированные для различных приложений.Понимание этих режимов и выбор соответствующего, который часто можно привести к улучшению производительности и эффективности системы.
Режим настройки битов фокусируется на управлении отдельными битами в порту C. Он предлагает практическое решение для сценариев, требующих мелкозернистых манипуляций с конкретными контактами, позволяя точно управлять, не влияя на весь порт.Например, этот режим очень полезен при управлении периферийными устройствами, такими как светодиоды или небольшие двигатели, такие как точность и минимальные нарушения.Этот режим продемонстрировал свое значение в обеспечении контроля над конкретными компонентами, способствуя надежным и нюансированным операциям.
8255 включает в себя три различных режима ввода/вывода, каждый из которых обслуживает различные операционные требования.
Режим 0 обеспечивает простые операции ввода и вывода без участия прерываний или рукопожатия.Он облегчает прямую связь между процессором и периферийными устройствами, что делает его способным для разработки продуктов на ранней стадии и простых встроенных систем.Этот режим сияет в приложениях, где желательное прямое взаимодействие с минимальной сложностью, что позволяет выполнять функциональную проверку без добавленных слоев синхронизации.
Режим 1 вводит рукопожатие, чтобы обеспечить синхронизированную передачу данных между процессором и периферическими устройствами, используя управляющие сигналы для поддержания целостности данных и времени.Этот режим доказывает выгодным в системах связи и устройствах сбора данных, обеспечивая надежную квитанцию данных, где точность отличная.При наличии механизмов ручной работы, режим 1 предотвращает потерю и столкновения данных, что делает его надежным вариантом для сред, требующих обмена данными.
Режим 2 поддерживает двунаправленные операции ввода/вывода и использует булавки группы А для двунаправленной шины данных с более низким портом C BITS, обрабатывающей управление вводом/выводом.Этот режим идеально подходит для расширенных протоколов связи, эффективного обмена данными и интеллектуальных периферийных устройств, таких как определенные интерфейсы памяти и интеллектуальные датчики.Используя штифты группы A и нижние порты C -биты C, Mode 2 предлагает большую универсальность и эффективность, облегчая сложное и отзывчивое взаимодействие между устройствами.
Различные режимы работы 8255, включая подробные манипуляции в режиме настройки битов и различные конфигурации ввода/вывода, создают прочную основу для создания сложных и надежных цифровых систем.Выбор правильного режима на основе конкретных потребностей приложения может оптимизировать производительность и функциональность системы.
Функционирование микропроцессора 8255, универсального программируемого блока ввода/вывода, облегчает обмен данными между центральной обработкой (ЦП) и несколькими периферийными устройствами, такими как клавиатуры, аналого-цифровые преобразователи (ADC) и цифровые к цифровым ваналоговые преобразователи (ЦАП).Этот блок обеспечивает плавную обработку операций ввода и вывода, способствуя безупречной связи и эффективного обмена данными.
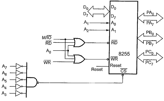
При взаимодействии 8255 с микропроцессором 8086, специфические управляющие контакты, такие как входные контакты считывания (RD) и записи (WR), полезны в транзакциях данных.Во время поиска данных RD -штифт активируется, позволяя микропроцессору получать данные из внешнего источника.И наоборот, штифт WR активируется для передачи данных из микропроцессора на внешнее устройство.Практический пример можно увидеть в автоматизированных системах тестирования, где важны своевременный поиск данных и запись.Беспланная работа данных чтения и написания между компонентами сводит к минимуму задержку, тем самым оптимизируя производительность.
Микропроцессор 8255 использует 8-битную шину данных для передачи данных, обеспечивая широкую совместимость и адаптивность в различных приложениях.Адресные линии A1 и A0 играют роль в регулировании внутренних конфигураций и функциональных режимов 8255, диктуя, как данные управляются и записаны.Обращаясь к строкам A1 и A0, можно сравнить с библиотекарем, организующим книги в библиотеке, они определяют, откуда должны быть считываются данные, поддерживая системный порядок и эффективность.Эта организация лучше всего подходит для систем, которые требуют высокой надежности, таких как медицинские инструменты, где точная обработка данных великолепна.
Понимание взаимодействия контрольных сигналов RD и WR для устранения неполадок и оптимизации производительности системы требуется.Например, в цифровых системах управления, используемых в производстве, обеспечение правильного времени и активации этих сигналов может повысить точность и надежность производственных процессов.
Очевидно, что искусственность микропроцессора 8255 в управлении передачей данных и периферической связи подчеркивает его значение в сложных вычислительных системах.Нюансированные манипуляции с адресными линиями и контрольные сигналы демонстрируют изобретательность, технологии движения вперед.Микропроцессор 8255 является свидетельством сложностей, связанных с цифровой коммуникацией и контролем.Его бесшовные возможности интеграции продолжают обеспечивать новаторские разработки в различных областях, от промышленной автоматизации до технологии здравоохранения.

Для начала порты 8255 устанавливаются в режим ввода.Эта конфигурация по умолчанию требует тщательной корректировки программного обеспечения, чтобы соответствовать желаемой функциональности.Переконфигурирование соответствующим образом для обеспечения плавного и надежного обмена данными в вашей настройке.
Выходные контакты на микропроцессоре 8255 не предназначены для питания внешних устройств непосредственно из -за их ограниченной емкости.Введение внешних усилителей или транзисторов становится практическим соображением для удовлетворения более высоких требований.Это часто наблюдается в сценариях, где усиление силы сигнала отлично подходит для поддержания эксплуатационных стандартов.
При взаимодействии с устройствами с высоким током или напряжением необходимо использовать правильное усиление или механизмы переключения.Развертывание транзисторов для переключения может обрабатывать более крупные токи без перегрузки 8255. Этот подход отражает практические применения, где нагрузкие переключатели эффективно способствуют управлению ресурсами, тем самым защищая микропроцессор от потенциального повреждения.
Взаимодействие с устройствами с двигателем переменного тока требует использования реле.Реле действует как посредники, обеспечивая безопасное управление потреблением энергии и поддерживается изоляция.Этот метод важен для многочисленных применений, обеспечивая как электрическую изоляцию, так и безопасное взаимодействие между цепками переменного тока и цифровыми цепями с низким энергопотреблением.
Поведение порта C изменяется в операциях режима 1 или режима 2.В соответствии с этими режимами он не может функционировать как стандартный порт ввода/вывода.Это ограничение подчеркивает необходимость тщательного планирования при разработке систем, которые требуют разнообразных функций порта.Адекватное рассмотрение эксплуатационных режимов в архитектуре системы помогает избежать непредвиденных ограничений.Управляя этими соображениями, взаимодействие с микропроцессором 8255 может быть точно настроено для размещения различных приложений, обеспечивая надежную и надежную производительность системы.
Микропроцессор 8255 отмечается для множества преимуществ, укрепляя свою роль в качестве желанного компонента в различных технологических ландшафтах.
Микропроцессор 8255 превосходит свою совместимость с обширным набором процессоров, облегчая его включение в многочисленные системы без необходимости обширных модификаций.Это бесшовное соединение с различными микрочипами упростит фазу проектирования, часто уменьшая временные рамки развития.
Продемонстрируя впечатляющую универсальность, микропроцессор 8255 адаптируется к множеству функциональности в технологических экосистемах.Он настраивается в нескольких режимах эксплуатации, что позволяет ему обрабатывать задачи от сбора данных для управления управлением систем.Такая гибкость видит свою интеграцию в целый ряд устройств, как простые гаджеты, так и сложный промышленный механизм.
Дизайн микропроцессора 8255 приоритет оптимальному использованию энергии, что делает его идеальным подходящим для таких приложений, как сохранение мощности.Устройства, использующие этот микропроцессор, пользуются расширенной рабочей продолжительностью и повышенной надежностью, атрибутами как в электронике, так и в промышленных средах.
Широкое признание микропроцессора 8255 подчеркивает его постоянную производительность и надежность.Он служит надежным компонентом в образовательных условиях для обучения, исследовательских лабораторий для экспериментальной работы и коммерческих продуктов для производственных систем.Это обширное использование подчеркивает его долговечность и эффективную функциональность, испытываемую по времени в различных приложениях.
Возможность облегчения параллельной передачи данных выделяется как ценная особенность микропроцессора 8255.Эта возможность выгодно в системах, требующих быстрой связи между микропроцессором и периферийными устройствами.Эффективное управление одновременным потоком данных с помощью 8255 повышает скорость и производительность сложных настройков.
Микропроцессор 8255 оказывается ценным в встроенных системах и автоматизации.Другие используют свою прямую интеграцию и настраиваемую природу, чтобы уточнить процессы разработки.Например, в производственных средах 8255 синхронизируют операции датчиков и приводов, обеспечивая как точность, так и эффективность.Совместимость, гибкость, гибкость, энергоэффективность 8255 микропроцессора и способность обрабатывать параллельную передачу данных повышает свой рост в микроэлектронике.Установка его практического применения предлагает более глубокое понимание своего вклада в технологическое развитие.
Микропроцессор 8255, давний, но постоянный компонент, находит свое место в множестве специализированных применений, обогащая как исторические, так и современные технологические ландшафты.Эта универсальность основана на его ловкостью в взаимодействии с множеством устройств и систем.
Когда дело доходит до приложений управления светодиодным управлением, 8255 превосходит в управлении сложными последовательностями освещения.Эта возможность высоко ценится в системах дисплея и индикаторах, где важен точный контроль над Multi-Led Marrys.Используя конфигурации портов, многие изысканные вывески в помещении и на открытом воздухе, которые не только служат функциональным целям, но и очаровывают его визуальную очарование.
В управлении реле 8255 демонстрирует свое мастерство в системах автоматизации и управления.Он обеспечивает точную и надежную работу машин, функцию, заверяемую в промышленных средах.Здесь 8255 играет роль в содействии применению, поддержанию оперативной целостности и обеспечении плавных переходов рабочего процесса.
Использование 8255 для управления двигателем шагового двигателя влечет за собой управление последовательностями импульсов, которое используется для достижения точного позиционирования двигателя.Эта точность находит свою стадию в машине ЧПУ, роботизированных системах и различных решениях автоматизации.Семинары и производственные подразделения получают существенные преимущества от такой технологии, в конечном итоге повышают производительность и повышая точность.
8255 упрощает обработку входных сигналов в приложениях взаимодействия клавиатуры, способствуя надежным системам ввода данных.Эта утилита мосты как исторических вычислительных сред, так и современных встроенных систем.Способность процессора адаптироваться и оставаться актуальной в течение разных эпох показывает ее устойчивую привлекательность и функциональность.
Развертывание 8255 в системах управления сигналом транспортного сигнала повышает управление городской инфраструктурой.Реализации показывают, насколько тщательно запрограммированы последовательности синхронизации оптимизируют поток трафика и безопасность.Таким образом, процессор влияет на повседневные общественные системы, обеспечивая более плавные и безопасные поездка на работу.
При управлении подъемными системами программируемая природа 8255 показывает точную работу механики лифта.Это приложение является ядро в технологиях управления зданиями, где надежные микропроцессорные системы обеспечивают безопасную и эффективную вертикальную транспортировку.
Гибкие порты ввода/вывода 8255 являются бонусом в современных системах микроконтроллеров, улучшая периферические обработки.Практическая интеграция упрощает расширение системы и обеспечивает пользовательский периферический контроль, что делает его решением для разработки индивидуальных технологических применений в различных секторах.Его адаптивность облегчает процесс создания бесшовного создания инновационных решений.
8255 также преодолевает разрыв между винтажными домашними компьютерами и современными периферийными устройствами.Многие дорожат этой возможностью, поскольку она сохраняет и оживляет устаревшие системы.Включая взаимодействие с современными устройствами, 8255 подчеркивает его адаптивность и постоянную актуальность в быстро развивающейся технологическом ландшафте.
Микропроцессор 8255 является свидетельством надежности и универсальности, укрепляя свое место как в исторических, так и в современных условиях.Широкий спектр приложений подтверждает его длительную полезность и актуальность в постоянно меняющемся технологическом мире.
8255 интерфейсы с основным процессором через адресную шину и шину данных.Этот интерфейс облегчает передачу данных двунаправленной передачи, обеспечивая эффективную связь и управление в системах микропроцессора.В практических приложениях другие часто отображают порты 8255 с конкретными диапазонами адресов, чтобы обеспечить бесшовный обмен данными, оптимизируя общую производительность системы.
8255 имеет три различных режима работы:
Режим 0 (Основной ввод -вывод): позволяет простые данные и вывод данных, что делает его идеальным подходящим для простых задач.
Режим 1 (контролируемый ввод/вывод): включает в себя ручную работу для более контролируемых процессов передачи данных, повышения надежности.
Режим 2 (двух направляющая шина): поддерживает двунаправленные потоки данных, подходящие для сложных потребностей в связи.
Современные системы часто эмулируют эти режимы, используя обновленное оборудование для обратной совместимости, гарантируя, что существующие рабочие процессы и приложения продолжают функционировать плавно.
8255 ручки прерывания, запуская их в определенных условиях и выполняя предопределенные подпрограммы службы прерывания.Этот механизм отдает приоритет немедленному вниманию к высокоприоритетным задачам, что позволяет провести быстрые ответы на любые события.Практический пример включает в себя мониторинг входного порта для внешнего изменения сигнала и запуск прерывания для его мгновенного обработки.Некоторые используют прерывание векторов для определения подпрограммы обслуживания, обеспечивая точные и своевременные ответы на такие прерывания.
В течение 1980 -х годов 8255 широко использовался для обеспечения параллельных возможностей ввода/вывода в сборе данных, управлении процессами и промышленной автоматизации.Эти приложения выиграли от способности чипа выполнять несколько операций ввода/вывода одновременно.Например, 8255 был использован в ранних компьютерных производственных системах для взаимодействия датчиков и приводов эффективно.Его универсальность и надежность сделали его ядро в автоматизации различных отраслей, поддерживая ряд задач от простых сбора данных до сложных процессов управления.
8255 управляет сигналами рукопожатия посредством встроенных функций, которые регулируют поток данных между основным процессором и 8255. Это включает в себя признание приема данных и обеспечение правильного секвенирования связи, что приводит к улучшению синхронизации между компонентами системы.На практике, рукопожатие гарантирует, что данные датчика точно прочитаны, прежде чем перейти к следующему шагу процесса, защиты точности и эффективности системы.
Микропроцессор 8255, хотя в значительной степени заменен расширенными периферическими чипами интерфейса, такими как микроконтроллеры и чипы ввода-вывода общего назначения, все еще иногда используется в устаревших системах, где необходимы параллельные возможности ввода/вывода.Эти системы сохраняют свою функциональность из-за надежного и хорошо понятого дизайна 8255.Понимание характеристик 8255 обеспечивает эффективное обслуживание и случайную интеграцию в существующие настройки, требующие параллельной обработки данных.Это устойчивое присутствие говорит о надежном исполнении чипа даже перед лицом современных альтернатив.
Пожалуйста, отправьте запрос, мы ответим немедленно.
на 2024/10/8
на 2024/10/7
на 8000/04/18 147757
на 2000/04/18 111931
на 1600/04/18 111349
на 0400/04/18 83719
на 1970/01/1 79508
на 1970/01/1 66892
на 1970/01/1 63010
на 1970/01/1 62985
на 1970/01/1 54081
на 1970/01/1 52111