




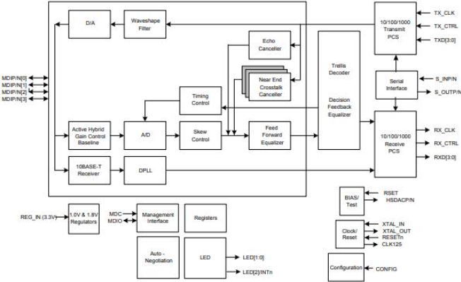
А 88E1512 это очень адаптируемый гигабитный приемопередатчик Ethernet.Он поддерживает широко используемые стандарты 1000BASE-T, 100Base-TX и 10BASE-T, обеспечивая эффективную передачу данных.Это разнообразие в стандартах позволяет ему удовлетворить требования современных сетевых систем, предлагая надежность в разных интерфейсах.
С соединениями, доступными как через интерфейсы GMII, так и RGMII, трансивер облегчает плавную интеграцию в различные сетевые инфраструктуры.Эта двойная совместимость обслуживает разнообразные сетевые архитектуры, предоставляя вам гибкость, необходимую для плавного повышения производительности системы.Простота включения в существующие системы часто ценится, повышает как масштабируемость, так и эффективность.Поддержка форматов меди, волокна и SGMII, 88E1512 готов адаптироваться к ряду сетевых сценариев.В средах, где сеть требует колебания, эта возможность может быть в основном выгодной.Автоматическое обнаружение типа медиайвера снижает сложность настройки, оптимизируя управление сетью.
Интегрированные резисторы MDI завершают эффективную конструкцию 88E1512, упрощающую схемы схемы и снижение затрат, связанных с материалами и производством.Этот вдумчивый дизайн согласуется со стандартами IEEE, обеспечивая постоянную производительность.Такая эффективность помогает в доставке систем, которые являются надежными, но простыми для развертывания.Часто ищет баланс точности и управления затратами, предлагаемых 88E1512.Предоставляя качественные решения, которые уважают бюджетные ограничения, проекты могут достичь как устойчивости, так и масштабируемости.Это равновесие обычно наблюдается в успешных реализациях, что способствует долгосрочному развитию сети.
|
Особенность |
Описание |
|
Соблюдение IEEE |
10/100/1000 база-T IEEE 802,3. |
|
Несколько режимов эксплуатации |
- rgmii к меди |
|
- только SGMII в медь (88E1512/88E1514) |
|
|
- rgmii к волокну/sgmii (только 88E1512) |
|
|
- rgmii к меди/волокна/sgmii с автоматическим обнаружением
(Только 88E1512) |
|
|
- Медон-волокно (1000BASE-X) (88E1512/88E1514) |
|
|
RGMII Режимы времени |
Четыре режима синхронизации RGMII с интегрированными задержками,
Устранение необходимости задержек трассировки печатной платы |
|
Поддержка интерфейса волокна |
Поддерживает 1000BASE-X и 100Base-FX с SGMII (88E1512
только) |
|
RGMII LVCMOS Стандарты |
Поддерживает LVCMOS/0 на RGMII |
|
Энергоэффективный Ethernet (EEE) |
IEEE 802.3az-2010, соответствующий буферизации EEE для
Legacy Macs |
|
Эффективность электроэнергии |
Ультра-низкая мощность, с интегрированным прекращением MDI
резисторы |
|
Регуляторы напряжения |
Интегрированные регуляторы напряжения переключения |
|
Зеленая поддержка Ethernet |
- Режим активного сохранения питания |
|
- обнаружение энергии и обнаружение энергии+ режимы низкой мощности |
|
|
IEEE1588 V2 |
Поддержка маркировки времени |
|
Синхронная Ethernet (синчевая) |
Восстановление часов |
|
Режимы петли |
Три режима диагностических петли |
|
Режим переключения |
Поддержка установки кабеля с двумя парками
|
|
Адаптивные эквалайзеры |
Полностью интегрированные цифровые адаптивные эквалайзеры, эхо
Cancellers и Crosstalk Cancellers |
|
Базовая коррекция блуждания |
Усовершенствованная цифровая базовая коррекция блуждания |
|
MDI/MDIX |
Автоматический кроссовер MDI/MDIX на всех скоростях |
|
Коррекция полярности |
Автоматическая коррекция полярности |
|
Автооценка |
IEEE 802.3 |
|
Светодиодные режимы |
Программные программные светодиодные режимы, включая светодиодное тестирование |
|
Управление интерфейсом |
Интерфейс MDC/Xmdio Management |
|
Диагностические инструменты |
CRC Checker, Packet Counter, Generation Packet |
|
Пробуждение на локальной сети (WOL) |
Возможность обнаружения событий |
|
Виртуальный кабельный тестер (VCT) |
Усовершенствованный виртуальный кабельный тестер для диагностики |
|
Автокалибровка |
Для выходов интерфейса Mac |
|
Датчик температуры |
Интегрированный |
|
Поставка напряжения |
Одиночный питание 3,3 В с внутренним регулятором переключения
поддерживать |
|
Параметры напряжения ввода/вывода |
1,8 В, 2,5 В или 3,3 В для прокладки ввода/вывода |
|
Варианты оценки |
Коммерческие и промышленные оценки (88E1510 и 88E1512
только) |
|
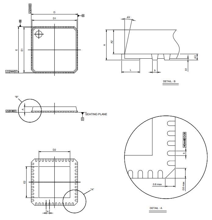
Упаковка |
- 48-контактный QFN 7 мм x 7 мм зеленый с EPAD (88E1510 и
88E1518) |
|
- 56-контактный QFN 8 мм х 8 мм зеленый с EPAD (88E1512/88E1514) |
88E1512 Ethernet Phy предлагает гибкую основу для быстрых достижений в цифровых ландшафтах.Этот компонент поддерживает гигабитные системы в различных секторах, такие как предприятие, встроенные решения, потребительская электроника и сети метро/сервис.
• Улучшение сетевой инфраструктуры: в корпоративных сетях 88E1512 усиливает подключение и повышает скорость передачи данных.Он процветает в средах, требующих быстрого и плавного обмена данными, таких как центры обработки данных и корпоративные сети.
• Интеграция центра обработки данных: центры обработки данных получают выгоду от стабильной производительности 88E1512 и высокоскоростных возможностей, обеспечивая плавный поток данных, необходимый для хранения и обработки.Он достигает гармоничного баланса между скоростью и надежностью, становясь ключевым элементом в современных конструкциях центра обработки данных.
В встроенных системах компонент обеспечивает компактные и эффективные макеты, серьезные для IoT и автоматизации.Эта интеграция способствует более умным и более отзывчивым приложениям, внедряя инновации в технологиях Smart Home и промышленной автоматизации.
88E1512 удовлетворяет растущий спрос на высокоскоростный интернет в потребительских устройствах.Например, интеллектуальные телевизоры и игровые приставки используют свои возможности для превосходного потокового и игрового опыта, повышая ваше удовлетворение и конкурентное преимущество.
• Поддержание подключения: в сетях Metro и среди поставщиков услуг 88E1512 обеспечивает стабильные и последовательные соединения.Его развертывание позволяет поставщикам услуг предоставлять качественный доступ в Интернет с минимальными перерывами, принося пользу как предприятиям, так и домам.
• Улучшение сетевой основы: его роль в сетях Metro поддерживает надежную инфраструктуру, облегчая эффективные каналы связи и приспособление к высокой нагрузке данных.Это главное в поддержании сети городских коммуникаций, обеспечивая их эффективность и устойчивость.
• 88E1512-A0-NNP2I000
• 88E1512-A0-NNP-2I000
• 88E1512-A0NNP2I000
• 88E1512A0NNP2I000


Марвелл, известный тем, что продвигал конверт в цифровом хранилище, последовательно ломает новую почву в различных секторах.Их передовые полупроводниковые решения играют важную роль в определении будущего хранения данных и оказывают далеко идущие эффекты на предприятия, облачные, автомобильные, промышленные и потребительские рынки.Эта целостная стратегия показывает их преданность повышению эффективности управления данными и масштабируемости.
Как в настройках предприятия, так и в облаке Марвелл повышает поток данных и эффективность хранения.Растущий акцент на облачных вычислениях требует надежных, масштабируемых инноваций.Используя передовые алгоритмы наряду с энергоэффективными проектами, Марвелл решает проблемы задержки, обеспечивая плавный доступ к данным для удовлетворения требований к скорости, необходимым для современного бизнеса.Для автомобильного и промышленного использования Марвелл предлагает долговечные решения, предназначенные для вынесения жестких условий.Их полупроводники предлагают надежную обработку данных - активную для эволюции и производственной автоматизации интеллектуальных транспортных средств.Включение возможностей ИИ поддерживает интеллектуальное принятие решений и прогнозирующее обслуживание, оба используются для преобразований этих секторов.
Вот таблица для Marvell Semiconductor, Inc. 88E1512-A0-NNP2I000 Технические характеристики и атрибуты.
|
Тип |
Параметр |
|
Время выполнения завода |
16 недель |
|
Устанавливать |
Поверхностное крепление |
|
Монтажный тип |
Поверхностное крепление |
|
Пакет / корпус |
56-VFQFN PAD |
|
Уровень использования |
Промышленная оценка |
|
Рабочая температура |
-40 ° C ~ 85 ° C (TA) |
|
Ряд |
Аляска® |
|
Опубликовано |
2011 год |
|
Статус частично |
Активный |
|
Уровень чувствительности влаги (MSL) |
3 (168 часов) |
|
Количество терминаций |
56 |
|
Тип |
Трансивер |
|
Напряжение - поставка |
1,71 В ~ 1,89 В, 2,38 В ~ 2,62 В, 3,14 В ~ 3,46 В |
|
Терминальная позиция |
Квадратный |
|
Терминальная форма |
Нет лидерства |
|
Количество функций |
1 |
|
Напряжение снабжения |
3,3 В. |
|
Код JESD-30 |
S-XQCC-N56 |
|
Количество каналов |
4 |
|
Интерфейс |
Ethernet |
|
Скорость передачи данных |
10 Мбит / с, 100 Мбит / с, 1 Гбит / с |
|
Протокол |
IEEE 802.3, IEEE 1588 |
|
Количество водителей/приемников |
4 апреля |
|
Дуплекс |
Полный, половина |
|
Количество трансивер |
1 |
|
Simplex/duplex |
Дуплекс |
|
Максимальная температура соединения (TJ) |
125 ° C. |
|
Диапазон температуры окружающей среды высокий |
85 ° C. |
|
Высота |
1 мм |
|
Статус ROHS |
ROHS COMPARINT |
Трансивер 88E1512 Разработано для универсальных настройки сети, поддерживая пять режимов работы в соответствии с конкретные потребности.Rgmii, которая улучшает цифровое общение Между Mac и PHY, оптимизируя передачи данных и снижение конструкции Сложность идеально подходит для меди в различных установках.SGMII это компактный протокол с дифференциальными парами для высокой целостности сигнала и низкое количество выводов, поддержка меди и волокна, широко используемые для его низкая мощность и адаптивность.RGMII к SGMII Переходные предложения Гибкая связь, включив переходы RGMII к SGMII с конфигурацией Параметры для обеспечения совместимости в разных настройках.Медь и волокно Поддержка SGMII Поддерживает оба медь (долговечность, рентабельные) и волокно (высокоскоростные, длинные) соединения, с Автоодащение для упрощенной настройки.Переход волокна (1000BASE-X) облегчает бесшовные переходы между медными и волоконными режимами, адаптируемые к жилую и коммерческие среды на основе требований задержки и сигналов.
Приемопередатчик оснащен встроенным регулятором напряжения, работающий плавным образом на источнике питания 3,3 В при поддержке нескольких напряжений LVCMOS: 1,8 В, 2,5 В и 3,3 В.Эта адаптивность обеспечивает бесшовную интеграцию в системы с различными энергетическими рамками.Преднамеренный выбор стандартов напряжения напрямую влияет на тепловое управление и эффективность энергетики, играя заметную роль в инженерных задачах.Установив эти аспекты, вы можете поддержать долговечность производительности и устойчивую работу устройства.
Затраченные в компактный 56-контактный пакет QFN, размеры приемопередатчика составляют 8 мм х 8 мм.Эта конструкция используется для максимизации пространства на плотных кругах, что делает его подходящим для применений высокой плотности.По мере того, как электроника продолжает тенденцию к меньшим размерам, выбор компактных компонентов без потери функциональности становится все более важным.Пакет QFN не только улучшает тепловые характеристики, но и снижает след, влияя на универсальность продукта и напрямую реагированию на рынок.
Пожалуйста, отправьте запрос, мы ответим немедленно.
на 2024/10/29
на 2024/10/29
на 8000/04/18 147758
на 2000/04/18 111947
на 1600/04/18 111349
на 0400/04/18 83722
на 1970/01/1 79508
на 1970/01/1 66916
на 1970/01/1 63075
на 1970/01/1 63012
на 1970/01/1 54081
на 1970/01/1 52143