
А Bav70Праздновается за его быстрость и надежность, инкапсулируется в компактном пластиковом пакете ST23 (TO-236AB) SMD.Этот двойной диод быстро переключает утилиту в множестве электронных применений.Его роль охватывает схемы переключения, системы обнаружения, высокочастотные схемы выпрямления и управления автоматизацией.
BAV70 превосходит в управлении и направлении электрических сигналов с точностью.Его низкое прямое напряжение в сочетании с высоким напряжением обратного расщепления делает его эффективным для систем обнаружения, которые требуют чувствительности и непоколебимой надежности.Многие используют его в высокочастотных схемах выпрямления из-за его быстрого времени отклика и минимального искажения сигнала, обеспечивая пиковую производительность в динамических электронных средах.
В рамках управления автоматизацией BAV70 играет роль в защите чувствительных компонентов от колебаний напряжения, тем самым поддерживая устойчивость и долговечность электронных систем.Его дизайн демонстрирует надежность, очевидную как в лабораторных прототипах, так и в полномасштабных реализациях.В средах, характеризующихся частыми изменениями сигнала, такие компоненты используются для поддержания целостности системы и предотвращения неисправностей.

|
PIN -код |
Название вывода |
Описание |
|
1 |
Диод 1 анод |
Анодные булавки 1 -го диода |
|
2 |
Диод 2 Катод |
Катодный штифт 2 -го диода |
|
3 |
Диод 1 катодный диод 2 анод |
Катодный контакт 1 -го диода и анодного штифта 2 -го диода |



|
Тип |
Параметр |
|
Статус жизненного цикла |
Последние поставки (последнее обновление: 1 неделя назад) |
|
Контакт |
Олово |
|
Монтажный тип |
Поверхностное крепление |
|
Количество булавок |
3 |
|
Упаковка |
Лента и катушка (TR) |
|
Статус частично |
Устаревший |
|
Максимальная рабочая температура |
150 ° C. |
|
Емкость |
1,5 пт |
|
Текущий рейтинг |
200 мА |
|
Напряжение |
75 В. |
|
Скорость |
Небольшой сигнал <= 200mA (Io), Any Speed |
|
Диод тип |
Стандартный |
|
Рассеяние власти |
350 МВт |
|
Вперед |
200 мА |
|
Время выполнения завода |
42 недели |
|
Устанавливать |
Поверхностное крепление |
|
Пакет / корпус |
До 236-3, SC-59, SOT-23-3 |
|
Пакет устройства поставщика |
SOT-23-3 (TO-236) |
|
Опубликовано |
2004 |
|
Уровень чувствительности влаги (MSL) |
1 (неограниченный) |
|
МИН рабочая температура |
-55 ° C. |
|
Напряжение - рейтинг DC |
70В |
|
Базовый номер детали |
Bav70 |
|
Конфигурация элемента |
Общий катод |
|
Текущий |
2A |
|
Ток - обратная утечка @ vr |
5 мкА @ 70V |
|
Напряжение - вперед (vf) (max) @ if |
1,25 В @ 150 мА |
|
Рабочая температура - соединение |
150 ° C Макс |
|
Максимальный ток Surge |
2A |
|
Ток - средний исправление (IO) |
200 мА |
|
Максимальное обратное напряжение (DC) |
70В |
|
Время восстановления обратного восстановления |
6 нс |
|
Максимальное повторяющее обратное напряжение (VRRM) |
70В |
|
Обратное напряжение |
70В |
|
Максимальный переадресный ток (IFSM) |
2A |
|
Максимальная температура соединения (TJ) |
150 ° C. |
|
Длина |
2,92 мм |
|
Достичь SVHC |
Нет SVHC |
|
Статус ROHS |
ROHS COMPARINT |
|
Напряжение - DC Reverse (VR) (MAX) |
70В |
|
Впередное напряжение |
1V |
|
Средний выпрямленный ток |
200 мА |
|
Пик обратный ток |
100 мкА |
|
Пик без повторного тока всплеска |
2A |
|
Конфигурация диода |
1 пара общий катод |
|
Время восстановления |
6 нс |
|
Высота |
1,2 мм |
|
Ширина |
1,3 мм |
|
Радиационное упрочнение |
Нет |
|
Свободно привести |
Свободно привести |

BAV70 элегантно размещен в упаковке SOT-23 с деликатной массой приблизительно 8,8 миллиграмма.Эта компактная структура создается, чтобы максимизировать использование ограниченного пространства на печатных платах.Сегодняшние производственные ландшафтные компоненты, такие как BAV70, которые являются искусственными для поддержки автоматизированных сборочных линий, что объясняет разнообразие вариантов объемной упаковки, адаптированные для таких процессов, управляемых эффективностью.Эта вдумчивая стратегия проектирования не только оптимирует производство, но и снижает риски ошибки во время сборки, что имеет вес, который имеет вес при производстве электроники с высокой объемом, где требуется точность и надежность.
В основе конструкции Bav70 лежит его заметная механическая устойчивость, когда сталкивается с тепловыми проблемами, часто встречающимися на электронных устройствах.Возможности теплового управления вплетены в саму конструкцию пакета SOT-23, что обеспечивает производительность в течение длительных периодов.Основное представление здесь заключается в том, что долговечность - это такой же принцип дизайна, как и предпосылка для производства.
Этот диод создан для превосходной производительности, причем его быстрое скорость переключения выгодна в средах, чувствительных к изменениям частоты.Высокоскоростное переключение способствует повышению эффективности и обеспечивает повышенную точность в обработке сигналов, что является неотъемлемой частью сохранения целостности системы в сложных электронных структурах.
Снижение емкости обеспечивает заметное преимущество, снижая риск непреднамеренного связи сигнала, частая задача в конструкциях радиочастотных схем.Уничтожая эту проблему, точность передачи сигнала повышается, повышая надежность системы.Телеметрия или дистанционное зондирование часто предпочитают компоненты с низкой непристойностью для поддержания высокого качества данных, достигая баланса между компактностью и способностями.
Отслеживание утечки ток хорошего для достижения эффективности энергоэффективности, особенно в системах, работающих в ограниченных запасах питания.Эта функция полезна для портативных и носимых технологий, направленных на продление времени автономной работы.Минимизируя утечку, этот диод помогает в продлкой работой устройства, предлагая расширенное использование между платами, что является выгодой, оцениваемым производителями, стремящимися к повышению удовлетворения.
Компактная архитектура BAV70, установленная на поверхности, сохраняет ценное пространство платы, что становится все более важным, поскольку электронные устройства становятся более компактными.Это качество поддерживает прогресс отрасли в направлении миниатюризации, что позволяет более продвинутым конструкциям в ограниченных пространствах.
Высокоскоростные переключения требуют диодов, способных к быстрым переходам состояния, сокращают задержку и сохранение энергии.Характеристики быстрого восстановления BAV70 делают его предпочтительным выбором в цепях, где точность времени является критическим фактором.Он широко используется в телекоммуникациях и вычислительных устройствах, повышая скорость обработки данных и времени отклика, где необходима эффективность и операции SWIFT.
В цепях, выполняющих широкий спектр функций, переключение общего назначения играет существенную роль.Способность BAV70 поддерживать надежность и эффективность в течение обширных диапазонов напряжения позволяет использовать его в различных областях, от электроники до промышленной автоматизации.Его постоянная производительность в разных условиях демонстрирует важность наличия адаптируемых компонентов в современной электронике.
Когда обратная полярность представляет угрозу для целостности цепи, BAV70 предлагает жизнеспособное решение, выступая в качестве защитной меры в системах питания.Эта профилактическая мера не только повышает безопасность, но и продлевает продолжительность жизни цепей.Обширное использование в автомобильных электронных гарантиях от ошибок установки, демонстрируя его способность предотвратить проблемы и сосредоточиться на безопасности схемы.
BAV70 эффективен в операциях по отсечке и зажимам для поддержания чистоты сигналов.Эти функции хороши в аудио и видео системах, где необходимо предотвращение искажения сигнала.Использование BAV70 гарантирует, что сигналы остаются в пределах предполагаемых пределов, сохраняя таким образом как качество, так и операционную надежность.
Защитные цепи выполняют функцию в защите чувствительных компонентов от пиков напряжения и скачков.Bav70, часто часть этих цепей, способствует сильной стратегии защиты.Эта роль особенно заметна в системах возобновляемых источников энергии, где частые колебания напряжения, подчеркивая роль диода в продвижении устойчивых технологических решений.
• Bav99
• BAW56
• MMBD1503

Onsemi занимает выдающуюся позицию на полупроводниковой арене, похвалив за ее инновации в создании управления питанием и сигнальными устройствами.Каждый из этих секторов представляет свои собственные проблемы и требования.Роль Onsemi в автомобильной промышленности выделяется, особенно в современных системах помощи водителям (ADA) и эффективных энергетических решениях, разработанных для электромобилей (EVS).Их компоненты являются неотъемлемой частью систем, которые определяют приоритетные меры безопасности и непоколебимую надежность.Приоритет в этих элементах может значительно повысить производительность транспортных средств, воспитание доверия и удовлетворения.Стратегический выбор Onsemi, такой как использование устойчивых практик и новаторских технологий, отражает ее преданность делу для эффективного решения будущих проблем и глобальных требований.
Пожалуйста, отправьте запрос, мы ответим немедленно.
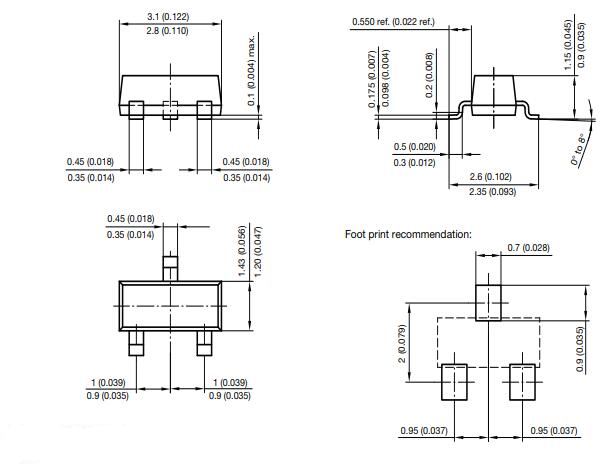
BAV70 заключен в поверхностное устройство SOT23 (TO-236AB).Этот формат берется за его компактный размер, обеспечивая бесшовную интеграцию в современные электронные схемы.
BAV70 находит свое место в множестве электронных систем.Он выполняет функции в схемах переключения и цепях обнаружения, обеспечивая эффективное преобразование сигнала.В высокочастотном выпрямлении он превосходит быстрое переключение и управление напряжением для превосходной производительности.Автоматические системы управления также получают преимущество от BAV70, поскольку он обрабатывает электрические переменные, увеличивая возможности интеллектуальных устройств.
BAV70 предназначен для управления до 75 В, обслуживающим приложения, где выдерживающие изменения напряжения являются приоритетом.Он воплощает в себе надежность, которая привлекательна для цепей, зависящих от согласованного регулирования напряжения.
BAV70 функционирует эффективно в диапазоне температур от -55 ° C до 150 ° C.Эта гибкость обеспечивает надежность в разных условиях окружающей среды, повышая ее долговечность в устройствах, работающих при экстремальных температурах.Он поддерживает как электронику, так и промышленное оборудование, вмещая обычные температурные сдвиги в этих областях.
Благодаря трем контактам, BAV70 создан для оптимизации подключения и функциональности в компактных электронных рамках.Этот вдумчивый дизайн поддерживает гармоничный баланс между сложностью и легкостью во время интеграции, сглаживая процесс сборки производства.
на 2024/11/8
на 2024/11/8
на 8000/04/18 147757
на 2000/04/18 111931
на 1600/04/18 111349
на 0400/04/18 83718
на 1970/01/1 79508
на 1970/01/1 66881
на 1970/01/1 63010
на 1970/01/1 62973
на 1970/01/1 54081
на 1970/01/1 52107