



А LM833DT является двумя оперативным усилителем, настраиваемым для звуковых приложений.Он выделяется с низким уровнем шума 4,5 нВ/√hz, привлекательной особенностью для тех, кто увлечен звуковой ясностью.Это, в сочетании с высокочастотной характеристикой, продуктом усиления пропускания 15 МГц и скоростью рола 7 В/мкс, делает его способным предоставить точный аудио-опыт.
Низкий уровень шума усилителя 4,5 нВ/√hz минимизирует помехи, обеспечивая воспроизведение чистого звука.Благодаря продукту увеличения пропускания 15 МГц, он поддерживает свою эффективность на различных частотах, привлекая тех, кто требует точной звуковой производительности.Получая скорость нажатия 7 В/мкс, LM8333DT быстро реагирует на изменения входного сигнала, сохраняя верность звука во время быстрых переходов сигнала.Эта отзывчивость ценится в системах с высокой точностью, где лелеяется оригинальность звука.
При впечатляюще низком уровне искажений в 0,002%этот операционный усилитель гарантирует, что аудиосигналы усиливаются без изменений, поддерживая звуковую подлинность.Такая точность желательна как в потребительской электронике, так и в профессиональном оборудовании, где точность является приоритетом.Его надежная фаза и стабильность усиления повышают надежность в разных приложениях.Эта стабильность становится очевидной при интеграции LM833DT в сложные звуковые настройки, обеспечивая постоянную производительность независимо от условий.Обеспечение обеспечения этих параметров значительно повышает эффективность аудиосистем.
|
Особенность |
Описание |
|
Низкий напряжение шум |
4,5 NV/√hz |
|
Продукт с высокой пропускной способностью |
15 МГц |
|
Высокая скорость |
7 В/мкс |
|
Низкое искажение |
0,00% |
|
Отличная частотная стабильность |
Да |
|
Защита ESD |
2 кВ |
LM833DT хорошо подходит для аудиосистем, превосходных в предварительнике и фильтрации, которые вместе обогащают ясность и верность обработки аудиосигналов.Усипив слабые аудиосигналы до полезных уровней, предварительная деятельность поддерживает благоприятное соотношение сигнал / шум.Этот компонент предпочитается в аудиооборудовании с высокой точностью, где точные гарантии звучат подлинности.Результатом является более богатый, более точный слуховой опыт, который говорит о влиянии компонента на качество звука.Фильтрация селективно передает конкретные частоты, эффективно устраняя нежелательный шум и улучшая аудиовыход.LM833DT выделяется в этой области, что позволяет вам создавать системы, ориентированные на чистоту звука.Это приложение предлагает захватывающий опыт в домашних театрах и настройках аудио.
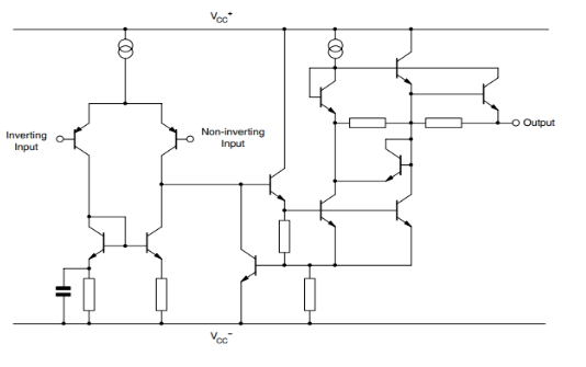
LM83333DT, основанный на сложной конструкции, способствует плавной звуковой обработке без искажений.Его вклады активны в средах, требующих звуковой точности, таких как звукозаписывающие студии и живые выступления, где сущность звука остается непреклонной.
|
Тип |
Параметр |
|
Статус жизненного цикла |
Активный (последний обновлен: 6 месяцев назад) |
|
Время выполнения завода |
10 недель |
|
Контакт |
Олово |
|
Устанавливать |
Поверхностное крепление |
|
Монтажный тип |
Поверхностное крепление |
|
Пакет / корпус
|
8 SOIC (0,154, ширина 3,90 мм) |
|
Количество булавок |
8 |
|
Рабочая температура |
-40 ° C ~ 105 ° C. |
|
Упаковка |
Лента и катушка (TR) |
|
Код JESD-609 |
E4 |
|
Статус частично |
Активный |
|
Уровень чувствительности влаги (MSL) |
1 (неограниченный) |
|
Количество терминаций |
8 |
|
Код ECCN |
Ear99 |
|
Терминальная отделка |
Никель/палладий/золото (Ni/pd/au) |
|
Максимальная диссипация власти |
500 МВт |
|
Терминальная форма |
Крыло Печата |
|
Пиковая температура отвоз (° C) |
260 |
|
Количество функций |
2 |
|
Время @ |
30 секунд |
|
Базовый номер детали |
LM833 |
|
Подсчет штифтов |
8 |
|
Операционное напряжение питания |
28 В |
|
Количество каналов |
2 |
|
Эксплуатационный ток снабжения |
4 мА |
|
Номинальный ток снабжения |
8 мА |
|
Рассеяние власти |
500 МВт |
|
Максимальный ток снабжения |
8 мА |
|
Степень скорости |
7 В/мкс |
|
Тип усилителя |
Аудио |
|
Общий коэффициент отклонения режима |
80 дБ |
|
Ток - входной смещение |
300NA |
|
Напряжение - подача, одно/двойной (±) |
5 В ~ 30 В ± 2,5 В ~ 15 В |
|
Тип поставки |
Двойной |
|
Входное напряжение (VOS) |
5 мВ |
|
Усиление напряжения |
100 дБ |
|
Напряжение - входное смещение |
300 мкВ |
|
Двойное напряжение питания |
12 В |
|
Высота |
1,65 мм |
|
Длина |
5 мм |
|
Ширина |
4 мм |
|
Достичь SVHC |
Нет SVHC |
|
Радиационное упрочнение |
Нет |
|
Статус ROHS |
ROHS3 соответствует |
|
Свободно привести |
Свободно привести |



Stmicroelectronics является первопроходцем в полупроводниковых решениях, известных своими достижениями в технологиях системы на чипе (SOC).Благодаря богатому опыту в области проектирования и производства кремния, компания обеспечивает выдающееся место в инновациях в микроэлектронике.
Глубокое понимание силиконовых технологий STMicroElectronics подпитывает его путешествие.Этот глубокий опыт дает возможность развитию передовых полупроводниковых решений, обслуживая постоянно меняющуюся отраслевой ландшафт.Благодаря текущим инвестициям в исследования и разработки, компания способствует новым технологическим прорывам.Обширные производственные возможности компании обслуживают различные приложения для продуктов, предлагая точность и надежность.Это владение соответствует строгим качественным требованиям, особенно в секторах автомобильной и промышленной электроники.
Сотрудничество с ведущими технологическими фирмами и исследовательскими учреждениями вплетается в стратегическую ткань Stmicroectertics.Эти альянсы используют коллективные ресурсы и идеи, создавая решения для сложных технологических проблем.Stmicrolectronics значительно способствует прогрессированию микроэлектроники и технологий конвергенции.Внедряя функции IoT и ИИ в SOCS, компания усиливает подключение и функциональные возможности для интеллектуальных устройств.Эта стратегия активно формирует эволюцию интеллектуальных технологий и их приложений.
LM833 выделяется в аудио-приложениях благодаря его низкому напряжению шума 4,5 нВ/√hz, идеально подходящего для высокого уровня звука.Он может похвастаться продуктом ширины с усилением пропускания 15 МГц и скоростью множества 7 В/мкс, что обеспечивает производительность в сложных условиях.Благодаря уровню искажения 0,002%он обеспечивает четкую аудиовыход, улучшая слуховой опыт в оборудовании за счет нетронутого воспроизведения.
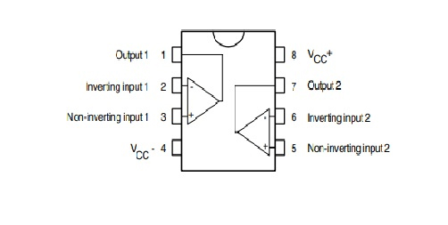
LM833 оснащен 8-контактным дизайном, что делает его адаптируемым для различных видов использования, таких как предварительная амплификация и амплификация микрофона.Понимание макета PIN используется для интеграции в сложные аудиосистемы, позволяя простую связь при сохранении качества звукового сигнала.Выбор компонентов в соответствии с этим макетом может значительно повлиять на эффективность системы и превосходство.
Варианты TI имеют много функций с LM833, обращаясь к аудиофилам с их слуховыми качествами.Обе модели приоритет стабильности и ясности изображения, обеспечивая высокое качество сигнала.Выбор часто зависит от потребностей, специфичных для проекта, когда тонкие различия могут повлиять на результаты.В сложных настройках эти усилители предлагают надежную производительность, взаимозаменяемые с минимальным компромиссом.
OPA2134 сильно конкурирует, но ON LEMI LM833 превосходит в снижении шума и стереоизображениях, предпочитаемой в таких настройках, как студии записи или высококлассные домашние аудиосистемы.Вы предпочитаете LM833 за его превосходное воспроизведение звука, обеспечивая богатый слуховой опыт.Тонкие различия появляются там, где каждая деталь влияет на окончательное качество звука.
Пожалуйста, отправьте запрос, мы ответим немедленно.
на 2024/10/24
на 2024/10/24
на 8000/04/17 147713
на 2000/04/17 111758
на 1600/04/17 111324
на 0400/04/17 83638
на 1970/01/1 79298
на 1970/01/1 66793
на 1970/01/1 62957
на 1970/01/1 62844
на 1970/01/1 54038
на 1970/01/1 52018