
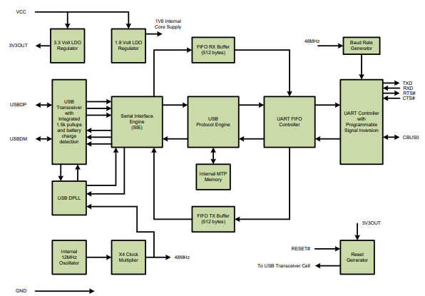
А FT234XD-R Целью упрощения USB с серийным взаимодействием UART, отличиясь его впечатляющей компактностью в 12-мм-пакете DFN 3 мм x 3 мм, что выгодно для плотных макетов печатной платы.В соответствии со спецификацией USB 2.0 это устройство заработало USB-IF Test-ID (TID) 40001465 (Rev D), демонстрируя свою соблюдение строгих отраслевых стандартов.Лидер в своей категории, FT234XD-R предлагает высокую производительность в сочетании с низким энергопотреблением.Поддержка последних протоколов связи.Надежная передача данных в различных аппаратных средах.
На практике FT234XD-R оказывается неоценимым в сценариях, требующих эффективного USB в конверсию UART.Его компактная конструкция обеспечивает бесшовное включение в многочисленные устройства, улучшая функциональность без компромисса.Фактические приложения охватывают промышленные системы управления, потребительскую электронику и инструменты разработки.Его интеграционная среда, которые требуют непоколебимой надежности и эффективности пространства.Когда вы интегрируете FT234XD-R в их конструкции, вам необходимо рассмотреть план PCB, тепловое управление и целостность сигнала.

|
Штифт № |
Имя |
Тип |
Описание |
|
4 |
Венчурной |
ВЛАСТЬ
Вход |
5 В
(или 3,3 В) поставка в IC |
|
9 |
Vccio |
ВЛАСТЬ
Вход |
1,8 В.
- 3,3 В. |
|
3 |
3.3vout |
ВЛАСТЬ
Выход |
3,3 В.
Выход при 50 мА.Может использоваться для питания vccio.Когда VCC составляет 3,3 В;PIN 3 - это
входной штифт и должен быть подключен к контакту 4. |
|
5,
13 |
Гнездо |
ВЛАСТЬ
Вход |
0 В
Земля ввода. |
|
1 |
USBDM |
Ввод/Вывод |
USB
Сигнал данных минус. |
|
12 |
USBDP |
Ввод/Вывод |
USB
Данные сигнал плюс. |
|
2 |
ПЕРЕЗАГРУЗИТЬ# |
ВХОД |
Перезагрузить
Вход (активный минимум). |
|
7 |
Txd |
Выход |
Передавать
Асинхронные данные данных. |
|
10 |
Rxd |
Вход |
Получение
Асинхронный ввод данных. |
|
8 |
RTS# |
Выход |
Запрос
отправить выход управления выводом / сигнал рукопожатия. |
|
11 |
CTS# |
Вход |
Прозрачный
Чтобы отправить вход управления / сигнал рукопожатия. |
|
6 |
Cbuso |
Ввод |
Настраивается
CBUS I/O PIN.Функция этого вывода настроена в памяти MTP устройства. |




FT234XD-R находит отличное использование в преобразовании USB в RS232, RS422 или RS485, преодолевая разрыв между устаревшими системами и современными USB-интерфейсами.Это позволяет более старым системам взаимодействовать с современными USB -технологиями.
Интегрируя USB-связь в более старые периферийные устройства, FT234XD-R вдыхает новую жизнь в эти устройства.Это не только повышает их функциональность, но и повышает юзабилити, экономит необходимость в обширных пересмотрах.
При проектировании модульных систем FT234XD-R привносит гибкость и масштабируемость в уравнение.Эта функция становится необходимой в сценариях разработки, где прототипирование Swift и строгое тестирование прокладывает путь для инноваций.
FT234XD-R играет активную роль в телекоммуникационных устройствах, от клеточных до беспроводных телефонов.Его способность управлять эффективными передачами данных USB поддерживает как разработку, так и приложения, способствуя достижениям в области коммуникационных технологий.
Включение FT234XD-R в единицы микроконтроллера (MCU), программируемые логические устройства (PLDS) или полевые массивы затвора (FPGAS) упрощает процесс обмена данными.Эта интеграция снижает сложность дизайна и повышает общую эффективность системы.
Для приложений, нуждающихся в точной передаче аудиоданных, таких как цифровые аудио интерфейсы, FT234XD-R предлагает надежные решения на основе USB.Он также поддерживает видеоданные с низкой пропускной способностью, подходящие для простых требований потоковой передачи видео.
FT234XD-R поддерживает считыватели смарт-карт USB, необходимые для безопасных транзакций данных и надежных систем управления доступом.Это добавляет существенный уровень безопасности в различные приложения.
Служив интерфейсом для USB-инструментов, FT234XD-R СПИД в задачах сбора и анализа данных.Эта функциональность неоценима в технических и научных исследованиях, обеспечивая точную и надежную обработку данных.
Вы можете использовать сложные возможности FT234XD-R для продвижения границ эффективности и инноваций в своих проектах и приложениях.Он действует как катализатор, превращая идеи в функциональные, упорядоченные решения.

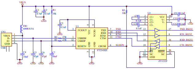
Иллюстративный пример, как показано на прилагаемой фигуре, демонстрирует использование FT234XD в качестве преобразователя USB в RS232.В этой настройке IC уровня 3V3 TTL в RS232 используется для перехода логических уровней FT234XD 3V3 в стандарт RS232.Различные устройства, такие как линейные драйверы Zywyn, могут эффективно обрабатывать этот уровень смещения, используя PIN -код SHDN# для минимизации энергопотребления в режиме приостановки USB.Примечательно, что Zywyn ZT3222F, который совместим с этой конфигурацией, поддерживает коммуникацию RS232 по скоростям данных до 1000K бод.
Реализация FT234XD-R обеспечивает беспрепятственное преобразование между интерфейсами USB и RS232, предлагая несколько преимуществ в электронных конструкциях.Интегрируя IC уровня 3V3 TTL в RS232, например, предоставленный Zywyn, конструкции могут поддерживать совместимость с широким спектром устройств RS232.Кроме того, современные конструкции схемы часто требуют энергоэффективных компонентов;Функция SHDN# PIN -кода в драйверах Zywyn Line требуется для удовлетворения этих потребностей.Это значительно способствует снижению общего энергопотребления, в основном, когда устройство входит в режим приостановки USB, тем самым продлевая срок службы батареи в портативных приложениях.

Вот хорошо структурированная таблица для FTDI (Future Technology Devices International Ltd) FT234XD-R с его техническими спецификациями, атрибутами и параметрами, а также аналогичными частями.
|
Тип |
Параметр |
|
Фабрика
Время выполнения |
11
Недели |
|
Устанавливать |
Поверхность
Устанавливать |
|
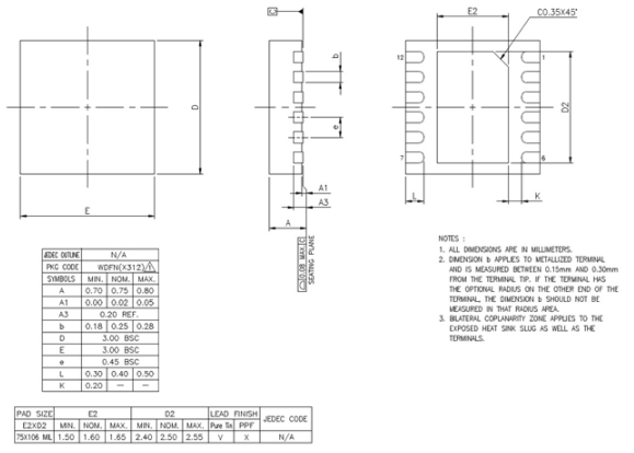
Упаковка
/ Случай |
12-VFDFN
Открытая площадка |
|
Число
булавки |
12 |
|
Работа
Температура |
-40 ° C.
до 85 ° C. |
|
Упаковка |
Лента
И катушка (TR) |
|
Опубликовано |
2006 |
|
Часть
Статус |
Активный |
|
Влага
Уровень чувствительности (MSL) |
3
(168 часов) |
|
Число
терминаций |
12 |
|
Напряжение
- Поставлять |
2,97 В.
до 5,5 В. |
|
Терминал
Позиция |
Двойной |
|
Терминал
Форма |
Нет
Вести |
|
Пик
Температура отвоз (° C) |
260 ° C. |
|
Поставлять
Напряжение |
5 В |
|
Терминал
Подача |
0,45 мм |
|
Время
@ Peak Reflow Temp-Max (ы) |
40 |
|
Функция |
Мост,
USB для UART |
|
Квалификация
Статус |
Нет
Квалифицированный |
|
Работа
Напряжение снабжения |
5 В |
|
Интерфейс |
Uart |
|
Работа
Ток снабжения |
8 мА |
|
Число
портов |
1 |
|
Номинальный
Ток снабжения |
8 мА |
|
мкс/мкс/периферические
Тип ICS |
Автобус
Контроллер, универсальная серийная шина |
|
Данные
Ставка |
3
Мбит / с |
|
Протокол |
USB |
|
USB
Стандартный |
USB
2.0 |
|
Автобус
Совместимость |
I2c |
|
Окружающий
Температурный диапазон высокий |
85 ° C. |
|
Высота |
800 мкм |
|
Длина |
3 мм |
|
Ширина |
3 мм |
|
ДОСТИГАТЬ
SVHC |
Нет
SVHC |
|
Rohs
Статус |
Rohs
Соответствие |
|
Без свинца |
Без свинца |
Пожалуйста, отправьте запрос, мы ответим немедленно.
на 2024/10/15
на 2024/10/15
на 8000/04/17 147711
на 2000/04/17 111665
на 1600/04/17 111314
на 0400/04/17 83579
на 1970/01/1 79220
на 1970/01/1 66750
на 1970/01/1 62925
на 1970/01/1 62798
на 1970/01/1 54020
на 1970/01/1 51937