
А двухсторонний переключатель Позволяет управлять одним светом или электрической нагрузкой из двух разных мест.В нем используются два переключателя SPDT (однополюдного двойного броска), соединенных вместе в одной цепи.Каждый переключатель имеет три терминала: L1В L2, и Компонент (общий).Переключив либо переключение, вы можете заполнить или разбить цепь, позволяя включить или выключить свет из любого места.

Рисунок 2. Двусторонний переключатель с терминалами
На изображении задняя часть переключателя показывает три клеммы ключевых: L1 и L2 (используется для подключения проводов путешественника) и com (который подключается к живым проводам или нагрузке).Когда переключатели работают правильно, переворачивая любой из них изменяет путь тока, управляя светом с обоих концов.Хотя интеллектуальные системы освещения становятся все более популярными, двусторонние переключатели остаются широко используемыми.Они просты, надежны и не требуют программного обеспечения или подключения.
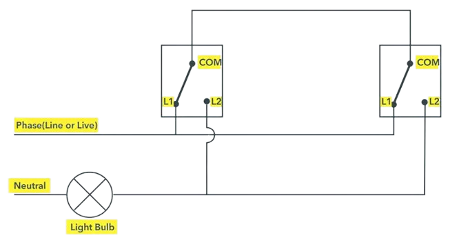
Двухсторонняя система переключателей позволяет управлять одним светом из двух мест.Каждый переключатель имеет три терминала: один общий (com) и два путешественника (L1 и L2).Два переключателя подключены проводами путешественника (L1 до L1, L2 до L2).Провод Live (фаза) подключается к общему терминалу переключателя 1, а общий терминал переключателя 2 подключается к лампе.Другая сторона лампы идет нейтральной.Свет включается, когда оба переключателя подключаются к одному и тому же проводе путешественника (L1 - L1 или L2 - L2), завершая цепь.Он выключается, когда переключатели подключаются к разным путешественникам, разбивая цепь.Это означает, что либо переключатель может включить или выключить свет, независимо от положения другого.

Рисунок 3: Двухсторонняя диаграмма переключения
Эта настройка работает как затвора Xor: свет включен, когда переключатели отличаются, когда они соответствуют.Это полностью механическая, нет электроники или программного обеспечения.Это просто, надежно и широко используется в таких местах, как лестницы и коридоры.Диаграмма показывает фазу, подключенную к общему переключателю 1, путешественники, связанные между коммутаторами, и выходной сигнал с общего переключателя 2 на лампе.Нейтральный завершает цепь с другой стороны лампы.
Существует два основных способа подключения двухсторонней цепи переключателя: 3-проводной метод и более старый 2-проводной метод.
Это предпочтительный метод проводки для новых установок.В этой настройке фазовая (живая) провода подключается к общему (Com) клемме на первом переключателе, в то время как общий клемм второго переключателя подключается к лампочке.Нейтральный провод подключается непосредственно от источника питания к другой стороне лампы.Два переключателя связаны с двумя проводами путешественников, соединяющих L1 к L1 и L2 к L2 на обоих коммутаторах.
Этот метод удерживает всех проводников в одной цепи, обеспечивая постоянное напряжение и более безопасную работу.Это также соответствует современным электрическим кодам и уменьшает помехи.Поскольку компоновка проводки является чистой и логичной, она облегчает будущее обслуживание и обновления, такие как установка интеллектуальных переключателей.
Диаграмма показывает современную 3-проводную установку.Живой провод вступает в Com Switch 1, два провода путешественников работают между L1 и L2 обоих коммутаторов, и выходной сигнал Switch 2 Com выходит на свет.Нейтральный провод работает прямо к другой стороне лампочки.Когда оба переключателя выровняются, схема завершается, а свет включается;Изменение либо переключения прерывает, либо восстанавливает поток.

Рисунок 4. Современный 3-проводной метод
Метод Legacy 2-Wire-это старый стиль проводки, все еще встречающийся во многих старых домах.В этой настройке терминалы путешественника (L1 и L2) подключены между двумя переключателями, как и в современном методе.Тем не менее, общие терминалы подключены по -разному: один соединяется с живым (фазовым) проводом, а другой подключается к нагрузке (лампочка).
Этот метод функционирует так же с точки зрения переключения: свет включается или выключен в зависимости от положения переключателей.Но поскольку мощность и нагрузка могут поступать из разных цепей, эта установка может ввести риски безопасности.Он может создавать токи цикла, дисбаланс напряжения или помехи, особенно опасные во время технического обслуживания или обновления.Диагностировать неисправности тоже сложнее, так как проводка не является частью унифицированной схемы.
На диаграмме живой провод подключается к общему терминалу первого переключателя, в то время как общий клемм второго переключателя подключается к свету.Два провода путешественников работают между L1 и L2 от обоих переключателей.Нейтральный провод идет прямо от источника питания к лампе.Хотя этот макет может сэкономить, он увеличивает сложность и проблемы безопасности.

Рисунок 5: Наследие 2-проводной метод
Двухсторонний переключатель с одним Gang представляет собой компактную версию коммутатора SPDT, часто используемой в модульных стеновых пластинах.Он имеет три терминала: com (общий), L1 и L2.Внутренне он переключает связь между COM и L1 или L2.
В сочетании с другим переключателем SPDT он работает так же, как и стандартная двусторонняя цепь.Он часто используется в трудных помещениях, таких как квартиры или модернизации, где приспособление ограничена.Переключатель также может функционировать в односторонней настройке, используя только два терминала (Com и L1).
Установка должна быть сделана тщательно.Неверное использование терминала может помешать переключателю должным образом или даже вызвать короткие цирки.Несмотря на небольшой размер, этот переключатель предлагает полный двухсторонний управление, обеспечивая модульность и легкую интеграцию панели.

Рисунок 6. Двусторонние переключатели с одним Gang
Когда освещение нужно контролировать из более чем двух мест, в игру вступает многочастотное переключение.Эта система добавляет один или несколько промежуточных переключателей между двумя основными переключателями SPDT.
Промежуточные переключатели обычно представляют собой типы DPDT (двойной полюс двойной бросок).Эти переключатели либо пересекают, либо поддерживают пути проволоки путешественника, в зависимости от их положения.Полная система создает путь, который остается закрытым или открывается на основе выравнивания всех задействованных переключателей.
Этот подход распространен в больших пространствах, таких как склады, длинные коридоры или комнаты с несколькими входами.Хотя он более сложный для провода, он предлагает гибкий контроль с любой точки.Требуются точные схемы подключения и четкая маркировка, так как ошибка на любом этапе может помешать системе работать полностью.

Рисунок 7. Multiay Switching
|
Особенность |
Односторонний переключатель |
Двухсторонний переключатель |
|
Контрольные точки |
Управляет светом из одного места |
Управляет светом из двух разных мест |
|
Тип переключения |
SPST (одиночный полюсный бросок) |
SPDT (один полюс двойной бросок) |
|
Количество терминалов |
2 |
3 (Com, L1, L2) |
|
Конфигурация схемы |
Простой;Одна строка подключает или отключает питание
нагрузка |
Провода путешественников образуют петлю;Оба переключателя влияют на
схема |
|
Сложность проводки |
Низкий;меньше проводов и прямых соединений |
Выше;требует больше проводки и планирования между
переключатели |
|
Переключить поведение позиции |
Фиксированное положение/выключение легко идентифицируется |
Не зафиксировано или выключено;зависит от состояния другого
выключатель |
|
Стоимость установки |
Ниже;меньше компонентов и меньше труда
|
Выше;Больше материалов и времени установки |
|
Время установки |
Быстро установить;Требуются минимальные шаги |
Больше трудоемкого из-за дополнительной проводки |
|
Требования к пространству |
Минимально;Стандартная коробка коммутатора подходит |
Может потребоваться маршрутизация для проводов путешественников между местами |
|
Электрическая нагрузка |
Управляет одной нагрузкой из одной точки |
Управляет одной нагрузкой из двух отдельных точек |
|
Простота использования |
Очень просто;Flip Up включен, Flip вниз отключено (или вице -
Верса) |
Все еще прост в использовании, но включение/выключение может варьироваться в зависимости от обоих
переключить позиции |
|
Точки сбоя |
Меньше;Простой дизайн уменьшает ошибки проводки |
Более сложный;неправильно проводящие провода или терминалы путешественников могут
разрушить функцию |
|
Гибкость и масштабируемость |
Ограничен;не может быть расширен на более чем один пункт
контроль |
Гибкий;может расширить 3 или более контрольных точек, используя
промежуточные переключатели |
Двусторонние переключатели обеспечивают гибкий контроль освещения из двух разных мест, что делает их идеальными как в жилых, так и в коммерческих условиях.Общие примеры включают:
Лестницы являются одним из лучших мест для использования двусторонних переключателей.Если у вас есть лестница дома, вы знаете, что это может быть раздражающим и даже опасно подняться или вниз в темноте.С двусторонним выключателем вы можете включить свет в нижней части лестницы, прежде чем подняться, а затем выключить его сверху.Или, если вы спускаетесь вниз, вы можете включить свет сверху и выключить его внизу.Это намного безопаснее ходить по лестнице, особенно ночью, когда дом темный.
В гостиничных номерах двусторонние переключатели значительно облегчают ситуацию для гостей.Один переключатель обычно у двери, когда вы входите, а другой находится рядом с кроватью.Это означает, что вы можете включить свет, когда входите в комнату, а затем выключить их, не вставая с постели.Это действительно полезно, когда вы устали или готовы спать.Это также дает комнате более удобный и вдумчивый дизайн, заставляя гостей чувствовать себя как дома.
Дома открытого плана имеют большие помещения, где подключены кухня, столовая и жилые помещения.Эти комнаты часто имеют более одного входа, поэтому полезно контролировать свет из разных мест.Например, вы можете включить свет из коридора, а затем выключить их возле кухни.Двусторонние переключатели позволяют легко управлять освещением, независимо от того, в каком вы входите или выходите.Это добавляет много комфорта и может даже помочь вам сэкономить электричество, поскольку вам не нужно оставлять свет, когда вы их не используете.
Гаражи и мастерские - это занятые места, где люди хранят инструменты, работают над проектами или паркуют свои автомобили.У них часто есть более одной двери, как одна изнутри дома, и одна, которая открывается во двор.Двусторонние переключатели позволяют легко включить свет от любого входа.Это очень полезно, если ваши руки полны или если пространство темно и трудно пройти через себя.Для тех, кто часто использует свой гараж или мастерскую, этот тип контроля освещения может сделать их работу проще и намного безопаснее.
На открытом воздухе, такие как проходы, садовые дорожки и проезжие дороги, нуждается в хорошем освещении ночью для обеспечения безопасности.С двусторонними выключателями вы можете управлять этими огнями как из дома, так и в другом месте, как ворота или гараж.Например, вы можете включить свет, прежде чем покинуть дом, а затем выключить их, как только вы снаружи.Или, если вы возвращаетесь домой ночью, вы можете включить свет у ворот и выключить их, когда попадаете внутрь.Это помогает вам не ходить в темноте, а также обеспечивает безопасность вашего дома, следя за тем, чтобы внешние участки были хорошо освещены.
Чтобы безопасно установить систему двухсторонней коммутации:
1. Соберите все инструменты и материалы
Прежде чем начать, убедитесь, что у вас есть все, что вам нужно.Вам понадобятся два переключателя SPDT (однопочечный двойной бросок), светильник, длина трехъядерного кабеля (это включает в себя живые, нейтральные и земные провода, а также два провода путешественников), а также базовые защитные снаряжения, такие как изолированные перчатки и защитные очки.Приготовление всех ваших материалов поможет вам оставаться сосредоточенным и избежать ненужных ошибок или задержек.
2. Выключите основную мощность на выключателе с цепи
Всегда начинайте с выключения электричества из основного источника питания.Это самый важный шаг безопасности.Работа с живыми проводами опасна и может привести к серьезным травмам.Убедитесь, что схема, над которой вы будете работать, полностью отключена в ящике выключателя и используйте тестер напряжения, чтобы дважды проверить, что питание не течет.
3. Подключите живой (горячий) провод к общему терминалу первого переключателя
Возьмите живой провод из источника питания и подключите его к общему терминалу (com) на первом переключателе.Общий терминал отмечен или окрашен в отличие от двух других терминалов (L1 и L2).Это провод, который переносит питание в систему, и он должен быть надежно подключен для обеспечения рабочей цепи.
4. Запустите два провода путешественников между терминалами L1 и L2 обоих переключателей
Теперь возьмите два провода, которые часто называют проводами путешественников, и подключите терминал L1 на первом переключении к терминалу L1 на втором переключателе, и сделайте то же самое для терминалов L2.Эти провода образуют путь, который позволяет двум переключателям «разговаривать» друг с другом и управлять светом с обоих концов.Убедитесь, что эти соединения твердые, и что нет свободных пряди проволоки.
5. Подключите общий терминал второго переключателя к живым входу света светильника
Затем подключите общий терминал на втором переключении к живой терминалу на свете.Этот провод носит питание на свет, когда любой переключатель завершает цепь.Без этого соединения свет не получит электричества, даже если провода путешественника правильно установлены.
6. Подключите нейтральный провод светильника непосредственно к нейтральному источнику питания
Запустите нейтральный провод от нейтрального клемма светильника обратно до нейтрального провода из источника питания.Это завершает цепь, давая электричеством возвратный путь.Схема рабочего света всегда нуждается в живом и нейтральном проводе.
7. Заземляйте все металлические коробки и крышки переключения, используя проволоку Земли (заземления)
Для безопасности важно заземлить все металлические ящики и крышки, используя землю.Заземление защищает вас в случае электрического разлома, давая бездомный электричество безопасным пути к выходу.Это также помогает предотвратить удары электрическим током и потенциальную пожарную опасность.Обязательно надежно подключите Земную проволоку к любым заземляющим винтам или клеммам, предоставленным в коробках.
8. Используйте мультиметр для проверки непрерывности перед восстановлением питания
Прежде чем включить электричество, используйте мультиметр, чтобы проверить непрерывность вашей проводки.Это означает проверку, может ли электричество проходить должным образом через цепь.Вы хотите убедиться, что нет перерывов или неправильных соединений.Этот шаг может поймать ошибки проводки, которые в противном случае могли бы привести к неработающему свету или, что еще хуже, короткий замыкание.
9. Проверьте переключатели из обоих мест, чтобы подтвердить правильную работу
Как только вы уверены, что все будет правильно подключено, включите питание на выключатель.Затем протестируйте два переключателя, включив и выключив свет в обоих местах.Свет должен включать или выключить, независимо от того, какой переключатель вы используете.Это подтверждает, что ваша двусторонняя система работает так же, как и должна.
10. Подключения проволоки с двойной проверкой, если свет не работает должным образом
Если свет не работает, как и ожидалось, как только включать от одного выключателя или вообще не включать, вернитесь назад и дважды проверьте подключения проволоки Traveler.Это наиболее распространенные точки ошибки в двухсторонней настройке коммутатора.Убедитесь, что L1 подключается к L1 и L2 к L2 на обоих переключателях.Кроме того, убедитесь, что Commons правильно подключено к источнику питания и свету.Маркировка каждого провода во время установки может помочь предотвратить ошибки и облегчить устранение неполадок, если что -то пойдет не так.
Двухсторонние переключатели могут показаться небольшой функцией, но они предлагают много практических преимуществ.
• Удобный контроль освещения: Двусторонние переключатели позволяют вам управлять светом из двух разных мест.Это облегчает повседневную жизнь, особенно в таких местах, как лестницы, коридоры и большие комнаты.Вы можете включить свет, когда вы входите и выключите, когда вы уходите с другого места, не возвращаясь к первому выключателю.
• Энергетическая экономия: Позволяя выключению огней из более чем одного места, двусторонние переключатели помогают уменьшить потраченное впустую электричество.Вы с меньшей вероятностью оставите свет только потому, что переключатель далеко, что полезно в домах с несколькими этажами или длинными коридорами.
• Идеально подходит для больших пространств: Эти переключатели идеально подходят для больших домов, офисов и общественных зданий.В пространствах с более чем одним входом или выходом возможность управлять огнями из разных точек добавляет удобство и повышает безопасность для всех, использующих пространство.
• Простая и надежная технология: Двухсторонние переключатели механические, а не цифровые.Это означает, что они не зависят от программного обеспечения, приложений или интернет -подключений для работы.Они очень надежны и редко терпят неудачу, что делает их долгосрочным решением с небольшим необходимым обслуживанием.
• Работает с интеллектуальными системами: Несмотря на то, что это простые устройства, двусторонние переключатели все еще могут использоваться вместе с современными системами умного дома.Они могут работать с датчиками движения, таймерами или модулями автоматизации, что дает вам большую гибкость, если вы обновите свой дом в будущем.
• Низкая стоимость, высокая стоимость: Двухсторонние переключатели доступны по цене и просты в установке, но они добавляют большую ценность к вашему освещению.Для таких небольших инвестиций они обеспечивают лучший контроль освещения, повышение безопасности и поддерживают энергосберегающие привычки с течением времени.
В то время как двусторонние переключатели предлагают много преимуществ, есть некоторые недостатки и проблемы, которые следует учитывать.
• Требуется больше проводки: Двухсторонние настройки переключателей нуждаются в дополнительных проводах по сравнению с отдельными переключателями.Это может быть проблемой в более старых домах, где электрические коробки и каналы не были предназначены для обеспечения дополнительной проводки.В некоторых случаях, возможно, потребуется открыть стены для установки новых кабелей, которые могут увеличить стоимость и труд.
• Не всегда совместим с умными переключателями: Многие умные переключатели нуждаются в нейтральном проводе, чтобы правильно функционировать.У более старых двухсторонних настройки коммутатора часто нет этого провода, что затрудняет установку интеллектуальных устройств без повторного завода.Это может ограничить ваши варианты обновления, если вы не готовы к более сложной электрической работе.
• Может быть сложным в старых или пользовательских установках: В более старых зданиях или системах с пользовательской проводкой существующий макет может не следовать современным стандартам.Это может усложнить установку или модернизацию двусторонних коммутаторов более сложными.
• Региональные различия кода: Электрические коды и правила проверки могут варьироваться в зависимости от страны или даже по городу.Установка, которая является законной в одной области, может не пройти проверку в другой.Это добавляет сложность, особенно в коммерческих проектах или при продаже дома, где все должно соответствовать официальным стандартам.
• Устранение неполадок занимает больше времени: Когда что-то идет не так в двухсторонней системе, может быть сложнее выяснить проблему.Это потому, что оба переключателя влияют на то, как ведет себя свет.Диагностика проблемы часто требует проверки как коммутаторов, так и для путешественников и использования таких инструментов, как мультиметр для тестирования соединений.
• Требуется тщательное планирование и маркировку : Поскольку проводка более вовлечена, легко допустить ошибки во время установки, если провода не четко помечены или шаги не выполняются правильно.Плохое планирование может привести к путанице или даже угрозам безопасности, поэтому очень важно, чтобы время наметить систему очень важно.
Двухсторонние переключатели делают его проще и безопаснее управлять огнями более чем на одном месте.Они отлично подходят для таких мест, как лестницы, длинные коридоры или комнаты с более чем одним входом.Вы можете включить свет при входе и выключении при уходе, не возвращаясь назад.Они просты, дешевые и не нужны приложения или Wi-Fi.Хотя им нужно немного больше проводки и тщательной настройки, они хорошо работают как для обычных домов, так и для умных домов.Просто спланируйте проводку четко, выполните шаги безопасности и проверьте все с помощью тестера, прежде чем включить питание.
Пожалуйста, отправьте запрос, мы ответим немедленно.
Один коммутатор управляет светом или устройством только из одного места.Вы можете включить или выключить его, используя этот один переключатель, который хорошо для небольших комнат, таких как ванные комнаты или шкафы.Однако двухсторонний переключатель позволяет управлять одним и тем же светом из двух разных мест.Это полезно на лестницах, коридорах или в больших комнатах с несколькими дверями.Он использует два переключателя, подключенных вместе, чтобы перевернуть любой, кто может включить или выключить свет.Основное отличие состоит в том, что один переключатель дает управление с одним местом, в то время как двусторонний переключатель дает управление с обоих концов.
Чтобы проверить, является ли переключатель двусторонней (3-й проезд в Северной Америке), посмотрите на заднюю часть терминальных винтов.Двухсторонний переключатель имеет три терминала: один распространенный и два путешественника.Если вы видите три винта (за исключением земли), это, вероятно, двусторонний или трехсторонний переключатель.Если есть четыре терминала, это промежуточный или 4-направленный переключатель, который используется в системах с более чем двумя контрольными точками.Вы также можете проследить проводку: двусторонние переключатели подключаются друг к другу с двумя проводами путешественников и имеют общее на каждом коммутаторе.Если это часть настройки с несколькими переключателями и имеет четыре терминала, то это не двусторонняя.
Если двусторонний переключатель неверно проводка, свет может не работать, как и ожидалось.Он может оставаться все время, вообще не включать или ответить только на один из переключателей.Наиболее распространенной ошибкой является смешивание проводов путешественника или подключение питания или светового провода с неправильным терминалом.Это нарушает логику переключения и разбивает поток схемы.В некоторых случаях это также может создать короткий замыкание или вызвать мерцание, если созданы петли питания.Чтобы избежать этого, всегда следуйте правильной терминальной маркировке (Com, L1, L2) и подтверждайте непрерывность перед включением.
Чтобы подключить двухсторонний коммутатор 12 В, запустите с подключения положительного провода от источника питания 12 В к общему клемме первого выключателя SPDT.Затем запустите два провода из L1 и L2 первого переключателя на L1 и L2 второго переключателя.Затем подключите общий терминал второго переключателя к положительной стороне устройства 12V, как светодиод.Наконец, подключите отрицательный терминал устройства обратно к отрицательной стороне питания.Эта настройка позволяет включить или выключить устройство с любого переключателя, как и в проводке переменного тока, но с помощью низковольтного постоянного тока.
Общим проводом на двухстороннем переключателе является терминал, который либо получает питание, либо отправляет его на свет, в зависимости от положения коммутатора в настройке.На первом переключении общее соединение подключено к живым проводам из источника питания.Во втором переключателе общий подключается к живым входу света.Провода путешественника (L1 и L2) просто подключите два переключателя.Если общее неверно, система не будет работать должным образом, либо свет не включается, либо будет работать только один переключатель.Правильная проводка общих терминалов важна для функциональной двусторонней системы.
на 2025/06/3
на 2025/06/2
на 8000/04/18 147758
на 2000/04/18 111946
на 1600/04/18 111349
на 0400/04/18 83722
на 1970/01/1 79508
на 1970/01/1 66916
на 1970/01/1 63075
на 1970/01/1 63012
на 1970/01/1 54081
на 1970/01/1 52143