
А L7812CV является трехконцонным регулятором положительного напряжения, предназначенным для обеспечения стабильной мощности в электронных цепях.Это помогает обеспечить плавное регулирование напряжения непосредственно на плате, решая потенциальные задачи распределения, которые могут возникнуть при регулировании мощности с одной точки.Этот компонент оснащен внутренней защитой, такими как ограничение тока и тепловое отключение, которые способствуют его долговечности и надежной работе в различных условиях.Он может поставлять более 1 ампер выходного тока, при условии, что существует достаточное рассеяние тепла.В то время как L7812CV в основном используется для регулирования фиксированного напряжения, его также можно объединить с дополнительными компонентами, чтобы обеспечить регулируемое напряжение и выходы тока, что дает ему гибкость в различных приложениях.




Выходной ток до 1,5 А
Выходные напряжения 5;6;8;8,5;9;12;15;18;24 В
Защита от термической перегрузки
Защита короткого замыкания
Выходной переход SOA защита
2 % выходного напряжения допуска (версия)
Гарантированно в расширенном температурном диапазоне (версия)
L7812CV из Stmicroelectronics включает в себя его технические характеристики, функции и параметры, а также сравнение с другими компонентами, которые имеют сходные характеристики с L7812CV.
| Тип | Параметр |
| Статус жизненного цикла | Активный (последний обновлен: 7 месяцев назад) |
| Время выполнения завода | 24 недели |
| Контакт | Олово |
| Устанавливать | Через дыру |
| Монтажный тип | Через дыру |
| Пакет / корпус | До 220-3 |
| Количество булавок | 3 |
| Масса | 2.299997G |
| Рабочая температура | 0 ° C ~ 125 ° C. |
| Упаковка | Трубка |
| Терпимость | 5% |
| Код JESD-609 | E3 |
| Статус частично | Активный |
| Уровень чувствительности влаги (MSL) | 1 (неограниченный) |
| Количество терминаций | 3 |
| Терминальная позиция | ОДИНОКИЙ |
| Количество функций | 1 |
| Базовый номер детали | 19812 |
| Подсчет штифтов | 3 |
| Напряжение - вход (макс) | 35 В. |
| Выходное напряжение | 12 В |
| Вывод типа | Зафиксированный |
| Максимальный выходной ток | 1,5а |
| Выходная конфигурация | Положительный |
| Крыжительный ток | 8 мА |
| Выходное напряжение 1 | 12 В |
| Количество регуляторов | 1 |
| Мин входное напряжение | 14 В |
| Особенности защиты | Над температурой, короткий замыкание |
| Отступие напряжения (макс) | 2V @ 1A тип |
| PSRR | 55 дБ (120 Гц) |
| Отметное напряжение | 2 В |
| Обратное напряжение1-ном | 2 В |
| Мин выходной напряжение | 12 В |
| Коэффициент отклонения источника питания (PSRR) | 55 дБ |
| Номинальное выходное напряжение | 12 В |
| Высота | 9,15 мм |
| Длина | 10,4 мм |
| Ширина | 4,6 мм |
| Достичь SVHC | Нет SVHC |
| Радиационное упрочнение | Нет |
| Статус ROHS | ROHS3 соответствует |
| Свободно привести | Свободно привести |





| Номер части | Описание | Производитель |
| MC7815Actg | Линейный регулятор напряжения, 1a, от 5 до 24 В, положительный Vout: 15,0 В;TJ: от 0 ° C до +125 ° C, до 220, одноиметральный, 3-листь, 50 трубочек | На полупроводнике |
| BA178M15CP | Фиксированный положительный стандартный регулятор, 15 В биполярный, MSFM3, TO-220, 3 PIN | ROHM Semiconductor |
| MC7812AECTBU | 12 В фиксированный положительный регулятор, PSFM3, ROHS COMPARINT, TO-220, 3 PIN | Rochester Electronics LLC |
| P1406-15-883B | Фиксированный положительный стандартный регулятор, 15 В MSFM3, TO-257, 3 PIN | TT Electronics резисторы |
| OM7812AIH | Фиксированный положительный стандартный регулятор, 12 В биполярный, MSFM3, TO-257A, 3 PIN | Infineon Technologies Ag |
| UPC7815AHF | Фиксированный положительный стандартный регулятор, 15 В биполярный, MSFM3, изолированный, пластиковый, до-220, SIP-3 | NEC Electronics America Inc |
| UPC7812AHF-AZ | UPC7812AHF-AZ | Renesas Electronics Corporation |
| P7815AG-883B | 15 В фиксированный положительный регулятор, MSFM3, TO-257A, 3 PIN | |
| P7815AG-BS2S | Фиксированный положительный стандартный регулятор, 15 В MSFM3, TO-257A, 3 PIN | TT Electronics резисторы |
| SHD5158B | Фиксированный положительный стандартный регулятор, 15 В, SHD-5B, 3 PIN | Sensitron Semiconductors |
Постоянный регулятор выходного обеспечения +12 В для микроконтроллеров и датчиков Power Power в большинстве проектов
Регулируемый выходной регулятор
Ограничитель текущего для определенных приложений
Регулируемый двойной поставка
Выходная схема защиты полярности
Фиксированный выходной регулятор


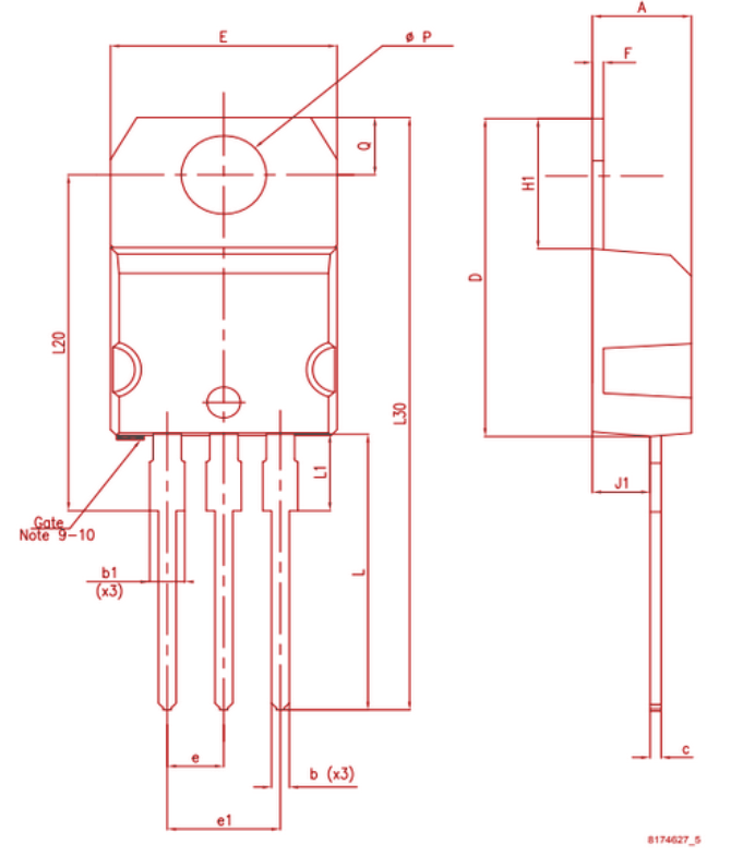
| Тусклый | Мин(мм) |
| А | 4.4 |
| беременный | 0,61 |
| B1 | 1.14 |
| в | 0,48 |
| Дюймовый | 15.25 |
| Эн | 10 |
| эн | 2.4 |
| E1 | 4.95 |
| Фон | 0,51 |
| H1 | 6.2 |
| J1 | 2.4 |
| Л | 13 |
| L1 | 3.5 |
| L20 | - |
| L30 | - |
| Øp | 3.75 |
| Q. | 2.65 |

STMicroElectronics является мировым лидером в полупроводниковой промышленности, известный тем, что производит широкий спектр электронных компонентов и решений.Они объединяют опыт в области кремния и проектирования систем, а также передовые производственные возможности, которые позволяют им обеспечивать инновационные продукты, которые отвечают потребностям современной электроники.Их работа охватывает многочисленные применения, включая микроэлектроника, и они признаны за их способность адаптироваться к быстро меняющемуся технологическому ландшафту.Благодаря стратегическому сотрудничеству и сильному портфелю интеллектуальной собственности, Stmicroelectronics продолжает формировать будущее электроники, помогают устройствам стать более эффективными, подключенными и удобными для пользователя.Их продукты играют центральную роль в обеспечении конвергенции технологий, что облегчает совместную работу различным системам в повседневных приложениях.
L7812CV представляет собой трехкомнатный регулятор положительного напряжения.Это помогает обеспечить стабильное регулирование напряжения непосредственно на плате, что устраняет проблемы управления напряжением с одной точки.Он включает в себя встроенные функции, такие как ограничение тока и тепловое отключение, что делает его очень долговечным и способным обрабатывать различные условия.
Регулятор с фиксированным напряжением практически не требует внешних компонентов, помимо возможно, для работы, возможно, несколько байпад -конденсаторов.С другой стороны, регулируемому регулятору напряжения требуется несколько внешних компонентов для правильного функционирования.С помощью регулируемого типа вы можете иметь более широкий диапазон опций напряжения и тока, предлагая большую гибкость для различных потребностей.
Как L78S12CV, так и L7812CV имеют аналогичную производительность с точки зрения выходного напряжения в зависимости от температуры соединения.Тем не менее, диапазон рабочих температур немного отличается: L7812CV работает от 0 ° C до 125 ° C, в то время как L78S12CV может увеличиваться до 150 ° C.Несмотря на это, оба чипа имеют одинаковое тепловое сопротивление, а это означает, что L78S12CV не обязательно будет работать охладеем под одной и той же нагрузкой, но при необходимости он может обрабатывать более высокие температуры.
Нихромовый провод создает резистивную нагрузку.Скорее всего, ваш провод обладает очень низким сопротивлением, возможно, менее 100 Ом или даже 1 Ом.Когда сопротивление так низко, оно может провести высокий ток через регулятор.Если вы кормите 17 В в регулятор и получаете 12 В, разница в 5 В рассеивается как тепло.Для каждого усилителя тока эта падение на 5 В приводит к 5 Вт тепла.Поскольку нихромовая проволока может нарисовать много тока, ваш регулятор, вероятно, выпускает много тепла.
Если вы используете пакет TO-220, самый простой способ определить выводы-это посмотреть на сторону с маркировкой и указать выводы вниз.Слева направо, контакт 1 - это вход, вывод 2 - земля, а контакт 3 - выход.Убедитесь, что вы предоставили вход DC, потому что, если вы отмените вход и вывод, чип может сгореть.Кроме того, убедитесь, что входное напряжение не слишком высока для обработки чипа.
L7812CV является регулятором фиксированного напряжения, который обеспечивает стабильный выход 12 В.Он может обрабатывать до 1А тока, а входное напряжение может варьироваться от 14 В до 35 В.
Пожалуйста, отправьте запрос, мы ответим немедленно.
на 2024/10/16
на 2024/10/16
на 8000/04/18 147758
на 2000/04/18 111948
на 1600/04/18 111349
на 0400/04/18 83722
на 1970/01/1 79508
на 1970/01/1 66916
на 1970/01/1 63075
на 1970/01/1 63012
на 1970/01/1 54081
на 1970/01/1 52144