
А LA4440 выделяется как универсальный двухканальный усилитель звука, похвалив за его эффективную производительность как в конфигурациях стерео и усилителя моста.Он получает признательность в многочисленных аудиоположениях, обеспечивая до 6 Вт на канал для стандартного использования.Для ситуаций с повышенными требованиями звука это увеличивает выход до 19 Вт в режиме моста.Работа в режиме моста LA4440 полезна для ситуаций, требующих более высокой выходной мощности.Объединяя выходные каналы, этот режим эффективно усиливает мощность, достигая до 19 Вт.Это делает его идеальным для более крупных аудио установков или сценариев, требующих существенной звуковой проекции, таких как системы общенациональных адресов и живые события.

|
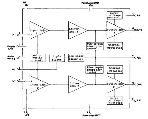
Штифт № |
Название вывода |
|
1 |
NF1 |
|
2 |
В 1 |
|
3 |
Предусилитель.Гнездо |
|
4 |
Звук приглушение |
|
5 |
Ток |
|
6 |
В 2 |
|
7 |
Nf2 |
|
8 |
Power Amp GND2 |
|
9 |
B.S2 |
|
10 |
Out2 |
|
11 |
Венчурной |
|
12 |
Out1 |
|
13 |
B.S1 |
|
14 |
Power Amp GND1 |



Технические детали, характеристики и спецификации LA4440, включая компоненты с эквивалентными спецификациями для полупроводника LA4440J-E.
|
Тип |
Параметр |
|
Время выполнения завода |
10 недель |
|
Пакет / корпус |
14-sip |
|
PBFREE CODE |
да |
|
Уровень чувствительности влаги (MSL) |
1 (неограниченный) |
|
Напряжение - поставка |
13.2V |
|
Вывод типа |
2-канальный (стерео) |
|
Монтажный тип |
Через дыру |
|
Рабочая температура |
-20 ° C ~ 75 ° C TA |
|
Статус частично |
Активный |
|
Тип |
Класс AB |
|
Достичь кода соответствия |
соответствие |
|
Максимальная выходная мощность x каналы @ нагрузка |
6 Вт x 2 @ 4 ω |

• Двухканальные возможности для режимов стерео (6 Вт каждый) или моста (19 Вт).
• Необходимы минимальные внешние компоненты.
• Низкий поп -шум при включении/выключении питания и стабильном запуска.
• Хорошее отверстие в 46 дБ.
• Эффективное разделение канала.
• Низкий остаточный шум.
• Низкие искажения на различных частотах.
• Упрощенная конструкция радиатора.
• Встроенная функция звука.
• Особенности безопасности включают тепловую, перенапряжение и штифтую короткую защиту.
В системах домашнего кинотеатра IC LA4440 обогащает звук, издавая высокий звук.Он увеличивает глубину и богатство звука, беспрепятственно выравнивая его визуальными, чтобы усилить погружение зрителя.Это создает очаровательную среду, где яркий саундтрек усиливает эмоциональное воздействие визуального повествования.Для этих персонализированных домашних театров интеграция схемы с динамиками и усилителями необходимо для достижения оптимальной производительности звука.Возможность IC минимизировать искажения в повышенных объемах помогает сохранить целостность звука, преодолевая общие проблемы в настройках домашнего аудио.
На автомобильной арене LA4440 отмечается своей надежностью и производительностью в условиях разнообразных условий окружающей среды, включая температурные сдвиги и вибрации транспортных средств.Этот надежный дизайн обеспечивает последовательный аудиовыход в сложных ограничениях автомобильного интерьера.Успешное использование IC в автомобильных аудиосистемах включает в себя стратегическое размещение динамиков, чтобы максимизировать распределение звука.IC LA4440 является неотъемлемой частью достижения превосходного качества звука.

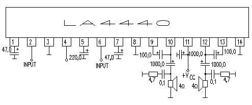
Стерео -усилитель 6W+6W использует IC LA4440 для усиления аудио для двух динамиков (слева и справа), каждый из которых обеспечивает 6 Вт мощности.Схема питается с помощью питания DC +12 В, подключенного к контакту 11 IC, с помощью фильтрующего конденсатора (C12) для стабилизации напряжения.Левый динамик (LS1) подключен к контакту 10 через конденсатор C8, а правый динамик (LS2) подключен к контакту 12 через конденсатор C9.Аудио вход подается через 3-контактный разъем, с конденсаторами C1 и C2, связывающими левые и правые аудиоу входы с контактами 6 и 2 IC соответственно.Эти конденсаторы блокируют сигналы постоянного тока, позволяя пройти только аудиосигналы.IC усиливает сигналы и выводит их на динамики для воспроизведения стерео звука.

IC LA4440 при использовании в режиме моста производит 19 Вт выходной мощности и совместим с динамиками 4–8 Ом.В режиме моста два канала IC работают вместе, чтобы управлять одним динамиком с более высокой мощностью.Для Stereo Sound (19W + 19W) вам нужно использовать две идентичные схемы LA4440, каждая из которых управляет своим собственным динамиком.Резисторы R3 и R4 в цепи управляют усилением напряжения усилителя и сбалансируйте входной сигнал для конфигурации инвертирующего усилителя, обеспечивая правильное усиление без искажения.Эта установка идеально подходит для создания компактных, мощных аудиосистем.

По полупроводнику известен своими инновациями в разработке энергоэффективных решений по управлению энергетикой и сигналами, обслуживая различные отрасли.Усилия компании охватывают такие области, как автомобильные и высокопроизводительные вычисления, предоставляя надежные решения, такие как LA4440, что является отражением их преданности качеству и устойчивому развитию.По мере того, как жажда обработки мощности в высокопроизводительных вычислениях увеличивается, на полупроводнике соответствует этой проблеме продуктами, которые достигают пиковой энергоэффективности наряду с превосходными показателями скорости и производительности.
Пожалуйста, отправьте запрос, мы ответим немедленно.
IC LA4440 выделяется своей способностью достигать 19 Вт при работе в простом режиме усилителя моста.Эта функция привлекает, которые хотят баланс сил и высокой верности.Эффективность LA4440 делает его привлекательным вариантом, который ищет мощную аудиопроизводительность в ограниченных пространствах.
Работая в двухканальном режиме, LA4440 обеспечивает 6 Вт на канал, предоставляя ему мастерство, чтобы впечатляюще управлять существенными динамиками.Эта функция доказывает для тех, кто лелеет богатый звук, будь то дома или в аудио -среде.Выбор компонентов, которые соответствуют конкретному стилю прослушивания, может улучшить динамические настройки звука.
IC LA4440 демонстрирует свою гибкость благодаря широкому использованию в различных сценариях.В домашних аудиосистемах его способность производить четкий и контролируемый звук делает его идеальным для создания вовлеченных слуховых сред.В автомобильных приложениях аудио он обеспечивает мощный бас и точный звук, повышая опыт вождения.Эти характеристики ценны, когда желательно эффективный бас и четкий звук.Кроме того, его универсальная природа отражает растущий интерес к многофункциональным электронным компонентам, которые эффективно удовлетворяют различные потребности в аудио.
на 2024/11/16
на 2024/11/16
на 8000/04/18 147758
на 2000/04/18 111958
на 1600/04/18 111349
на 0400/04/18 83726
на 1970/01/1 79510
на 1970/01/1 66929
на 1970/01/1 63078
на 1970/01/1 63019
на 1970/01/1 54086
на 1970/01/1 52155