




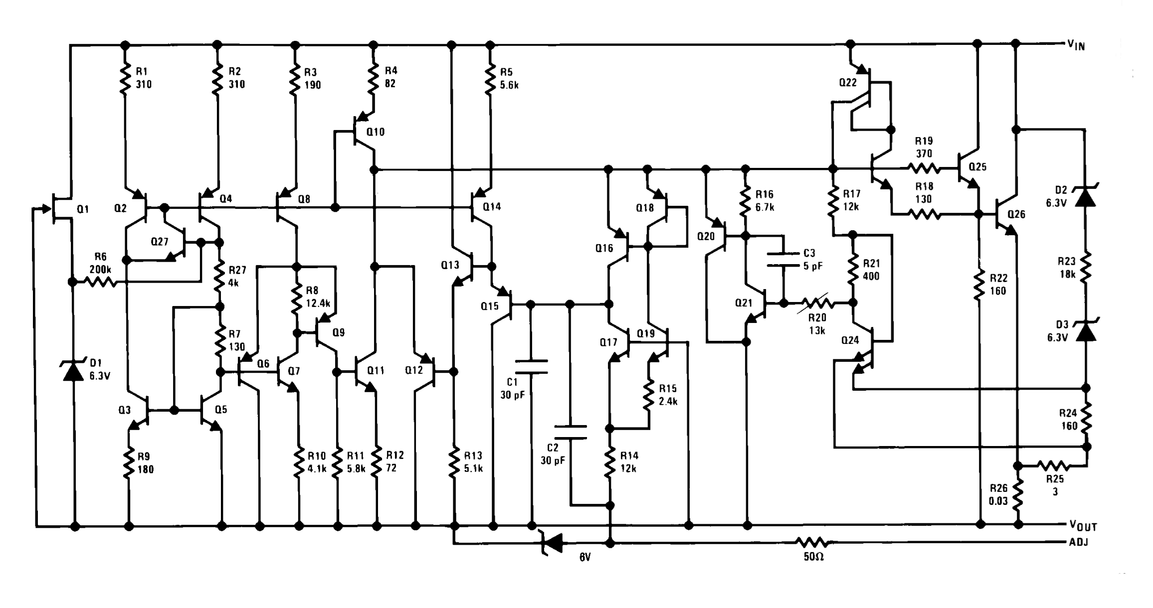
А LM338K Навигает по широкому напряжению спектра от 1,2 В до 32 В, способствуя управления токами, превышающие 5 A. его адаптивность представлена путем простого использования двух резисторов для регулировки выходной системы, что облегчает его включение в различные системы.
Промышленные системы извлекают выгоду из его дизайна, эффективность смешивания, сродни передовым источникам питания.Телекоммуникационные системы считают его подходящими из -за его универсальности.Домашняя электроника ценет свою бесшовную интеграцию.
В областях управления питанием вы можете часто включать LM338K в их системы.Его стабильность и простота использования делают его предпочтительным выбором для тех, кто ищет надежные решения в области энергетики.Его прочный дизайн противостоит колебаниям нагрузки с изяществом, что делает его исключительно полезным.
|
Тип |
Параметр |
|
Устанавливать |
Через дыру |
|
Монтажный тип |
Через дыру |
|
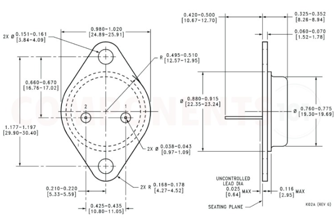
Пакет / корпус |
TO-204AA, TO-3 |
|
Количество булавок |
2 |
|
Масса |
6.40101G |
|
Рабочая температура |
0 ° C ~ 125 ° C. |
|
Упаковка |
Трубка |
|
Терпимость |
5% |
|
Код JESD-609 |
E3 |
|
Статус частично |
Устаревший |
|
Уровень чувствительности влаги (MSL) |
1 (неограниченный) |
|
Количество терминаций |
2 |
|
Код ECCN |
Ear99 |
|
Терминальная отделка |
Олово (SN) |
|
Рейтинг питания |
50 Вт |
|
Терминальная позиция |
НИЖНИЙ |
|
Терминальная форма |
PIN/PEG |
|
Количество функций |
1 |
|
Базовый номер детали |
LM338 |
|
Подсчет штифтов |
2 |
|
Количество выходов |
1 |
|
Напряжение - вход (макс) |
35 В. |
|
Выходное напряжение |
32V |
|
Вывод типа |
Регулируемый |
|
Максимальный выходной ток |
5A |
|
Выходная конфигурация |
Положительный |
|
Максимальное выходное напряжение |
32V |
|
Количество регуляторов |
1 |
|
Мин входное напряжение |
4,2 В. |
|
Особенности защиты |
Над током, выше температуры |
|
PSRR |
75 дБ ~ 60 дБ (120 Гц) |
|
Справочное напряжение |
1,29 В. |
|
Отметное напряжение |
3В |
|
Обратное напряжение1-ном |
3В |
|
Мин выходной напряжение |
1,2 В. |
|
Коэффициент отклонения источника питания (PSRR) |
75 дБ |
|
Мин тока |
7A |
|
Нагрузка по регулированию-макс (%) |
1% |
|
Высота |
8,7 мм |
|
Длина |
39,5 мм |
|
Ширина |
26,2 мм |
|
Достичь SVHC |
Нет SVHC |
|
Радиационное упрочнение |
Нет |
|
Статус ROHS |
ROHS3 соответствует |
|
Свободно привести |
Свободно привести |
|
Особенность |
Описание |
|
Пик выходного тока |
Гарантированно 7 а |
|
Выходной ток |
Гарантированно 5 а |
|
Регулируемое выходное напряжение |
До 1,2 В |
|
Линейное регулирование |
Обычно 0,005 %/v |
|
Регулирование нагрузки |
Обычно 0,1 % |
|
Тепловая регуляция |
Гарантированно |
|
Ток |
Постоянно с температурой |
|
Тип пакета |
Стандартный транзисторный пакет с 3 лидами |

LM338K служит для создания регулируемых источников питания, обеспечения точного постоянного тока и эффективной зарядки батарей.Его широкое применение связано с его прочной сборкой и универсальным регулированием напряжения.
LM338K является главным в создании универсальных систем питания.Его способность управлять высоким напряжением и током повышает стабильность при минимизации шума, повышая производительность электронной системы.Эти системы, обычно используемые в лабораториях и семинарах, извлекают выгоду из надежности оборудования.Вы можете оценить точные настройки напряжения, отражая точность и надежность устройства.
В таких контекстах, как светодиодное освещение и управление двигателем, регулирование постоянного тока активна.LM338K обеспечивает стабильный ток, защищает чувствительные компоненты и повышение эффективности системы.Надежное регулирование тока помогает обеспечить долгосрочную стабильность, предотвращая колебания, которые могут привести к сбоям системы.
Системы зарядки аккумулятора используют регулируемые возможности LM338K для точного управления цикла зарядки.Это оптимизирует эффективность зарядки аккумулятора и безопасность, повышая срок службы батареи.Advanced Systems интегрирует функции, чтобы обнаружить изменения состояния в зарядке, значительно повышая эффективность и здоровье батареи.
Прочная прочная конструкция и регулируемость LM338K делает его подходящим для различных применений.Он хорошо функционирует в различных условиях окружающей среды, ценной чертой в отраслях, требующих устойчивости.Его гибкость привела к широкому использованию в областях, которые требуют высокой производительности и надежности, вы часто можете назвать эти функции в качестве причин отбора в различных проектах.

|
Части |
Описание |
Производитель |
|
LM138AKSTEEL |
1,2 V-32V Регулируемый положительный регулятор, MBFM2, Металл
Can, TO-3, 2 PIN |
Техасские инструменты |
|
LM138K/883 |
IC VREG 1,2 V-32 V Регулируемый положительный регулятор, MBFM2,
Металлическая банка, 3, 2 контакта, регулируемый положительный стандартный регулятор с положительным выходным выходом |
Национальная полупроводниковая корпорация |
|
LM338K Сталь/NOPB |
1.2 V-32V Регулируемый положительный регулятор, MBFM2, Green,
Металлическая банка, 3, 2 штифта |
Техасские инструменты |
|
LM138K-MIL/NOPB |
1.2 V-32V Регулируемый положительный регулятор, MBFM2, ROHS
Соответствующий, металлический банки, 3, 3 штифта |
Техасские инструменты |
|
M38510/11706SYA |
Регулируемый положительный регулятор IC VRG, регулируемый
Положительный единый выходной регулятор |
Линейная технология |
|
FT138AK |
Регулируемый положительный стандартный регулятор, 1,2 В мин, 32 В
Max, mbfm2, металлическая банка, 3, 2 пинга |
Force Technologies Ltd |
|
FT338K |
Регулируемый положительный стандартный регулятор, 1,2 В мин, 32 В
Max, mbfm2, металлическая банка, 3, 2 пинга |
Force Technologies Ltd |
|
LT338AK |
IC VREG 1,2 V-32 V Регулируемый положительный регулятор, MBFM2,
Металлическая банка, 3, 3 контакта, регулируемый положительный стандартный регулятор с положительным выходным выходом |
Линейная технология |
|
SG138AK/883B |
Регулятор, 1 выход, биполярный |
Microsemi Corporation |
|
LM338MWC |
1,2 V-32V Регулируемый положительный регулятор, UUC, пластина |
Техасские инструменты |

Stmicrolectronics переплетает свою основную философию дизайна с устойчивостью в полупроводниковых решениях, сплетая экологическое управление с безопасностью продукта и эффективностью, отражая ценности и стремления к устойчивому будущему.
Доминирующим для инноваций STMicroelectronics является стремление к эко-сознательной технологии для минимизации вреда окружающей среде.Подчеркивая энергоэффективность, компоненты создаются для снижения потребления энергии в разных приложениях.Промышленные отрасли, такие как автомобильная и потребительская электроника, от просмотра снижения углеродных следов.Эта тенденция отражает более широкую миграцию отрасли в сторону зеленых решений, требуя постоянной адаптации и изобретательности.
LM338K процветает при температурах в диапазоне от 0 ° C до 125 ° C.Эта гибкость удовлетворяет множеству использования, от повседневных гаджетов потребителей до строгих промышленных контекстов.Поддержание постоянной температуры устройства является ключевым, формируя как производительность, так и срок службы, что предлагает вам достаточные возможности.
LM338K является устойчивым трехкомнатным регулятором положительного напряжения, который обеспечивает более 5 A от 1,2 до 32 В. С двумя резисторами, он упрощает управление напряжением, отражая эффективность передовых энергетических систем.Эта простая обращена привлекает приоритетные приоритеты надежного производства, особенно в пространстве и чувствительных к бюджету средам.
Закладывается в транзисторный пакет стали, LM338K построен для прочности и эффективного управления тепла.Эта упаковка предпочтительнее для мощных задач из-за ее превосходной тепловой регуляции, обеспечения стабильности и длительной надежности.Правильный выбор упаковки используется для повышения безопасности и производительности любого электронного компонента.
Пожалуйста, отправьте запрос, мы ответим немедленно.
на 2024/10/22
на 2024/10/22
на 8000/04/18 147758
на 2000/04/18 111948
на 1600/04/18 111349
на 0400/04/18 83722
на 1970/01/1 79508
на 1970/01/1 66916
на 1970/01/1 63075
на 1970/01/1 63012
на 1970/01/1 54081
на 1970/01/1 52144