
А LM393N изготовлен как гибкий двойной независимый низковольтный компаратор, подходящий для сценариев, которые выигрывают от операций с одним положением в широком диапазоне напряжений.Его дизайн вмещает использование сплит -питания, предлагая универсальное решение для различных электрических конфигураций.Его входной диапазон напряжений общего мода, в частности, растягивается, чтобы включить уровень земли, даже в среде с одним предложением, иллюстрируя его способность адаптироваться к требовательным силовым ситуациям.
В рамках своего структурного дизайна LM393N поддерживает многочисленные применения.Они простираются от устройств с батарейным батарейным батареем до более сложных систем, где при изменении условий мощности требуется стабильность.В реальных контекстах вы можете часто испытывать чувство доверия с такими компонентами, полагаясь на них, чтобы обеспечить надежность во встроенных системах среди нестабильных источников питания.
Серия LM393 включает LM393DRВ LM393MВ LM393dВ LM331N, и LM393MX варианты, каждый служит различным функциональным возможностям.Эти модели удовлетворяют конкретные потребности, повышая эффективность проектирования и адаптацию к специфическим проектам требованиям.Выбор правильного варианта может оказать замечательное влияние на процесс интеграции и общую производительность электронной конфигурации.




|
Особенность |
Спецификация |
|
Диапазон напряжения питания |
От +2 В до +36 В (однообладание) или ± 1 В до ± 18 В (двойной
поставлять) |
|
Ток снабжения |
0,45 млн. Лет независимо от напряжения питания (1 МВт/компаратор при
+5 В) |
|
Входной смещение ток |
20 Na (типичный) |
|
Входной ток смещения |
± 3 Na (типично) |
|
Входное напряжение |
± 1 мВ (типично) |
|
Входной диапазон напряжения общего режима |
Включает землю |
|
Выходное напряжение насыщения |
80 мВ (типично, ISINK = 4 мА) |
|
Дифференциальный диапазон входного напряжения |
Равное напряжению питания |
|
Совместимость вывода |
TTL, DTL, ECL, MOS, CMOS совместим |
|
Тип |
Параметр |
|
Монтажный тип |
Через дыру |
|
Пакет / корпус |
8-DIP (0,300, 7,62 мм) |
|
Поверхностное крепление |
НЕТ |
|
Количество элементов |
2 |
|
Рабочая температура |
0 ° C ~ 70 ° C. |
|
Упаковка |
Трубка |
|
Код JESD-609 |
E3 |
|
Статус частично |
Устаревший |
|
Уровень чувствительности влаги (MSL) |
1 (неограниченный) |
|
Количество терминаций |
8 |
|
Код ECCN |
Ear99 |
|
Тип |
Общее назначение |
|
Терминальная отделка |
Матовая олова (SN) - отожжен |
|
Терминальная позиция |
Двойной |
|
Пиковая температура отвоз (CEL) |
НЕ УКАЗАН |
|
Количество функций |
2 |
|
Напряжение снабжения |
5 В |
|
Время@Пиковой температуру (я) |
НЕ УКАЗАН |
|
Базовый номер детали |
LM393 |
|
Подсчет штифтов |
8 |
|
Код JESD-30 |
R-PDIP-T8 |
|
Квалификационный статус |
Не квалифицирован |
|
Вывод типа |
CMOS, DTL, ECL, MOS, Open-Collector, TTL |
|
Питания |
5 В |
|
Время ответа |
1300 нс |
|
Напряжение - подача, одно/двойной (±) |
2 В ~ 36 В ± 1 В ~ 18 В |
|
Средний предвзятый ток-макс (IIB) |
0,4 мкА |
|
Предел напряжения питания |
36 В |
|
Ток - покоя (максимум) |
2,5 мА |
|
Напряжение - входное смещение (макс) |
5 мВ @ 30 В. |
|
Ток - входной смещение (макс) |
0,25 мкА при 5 В |
|
Ток - выход (тип) |
18ma @ 5V |
|
Высота сидя (максимум) |
5,33 мм |
|
Статус ROHS |
ROHS3 соответствует |

Координатор LM393N выделяется как сложный и эффективный компонент, используемый в различных практических областях, в частности, в средах, характеризующихся требованиями энергоносителей и промышленных систем.
Подход LM393N к потреблению энергии и точности прекрасно обслуживает устройства, управляемые аккумулятором.В мире портативной электроники достижение деликатной гармонии между энергоэффективностью и производительностью может глубоко повлиять на ваше удовлетворение и привлекательность устройства.LM393N превосходит точное сравнение напряжений с минимальным источником энергии, тем самым расширяя долговечность аккумулятора.Вы часто можете использовать его возможности для проектирования цепей, которые бдительно следят за состоянием батареи, вызывая своевременные пополнения и защиту от чрезмерного истощения.Эта ключевая роль лежит в основе стойкой надежности устройства в течение длительных периодов использования.
В рамках промышленного ландшафта LM393N ценится за его надежность и постоянные показатели, используемые для поддержания операций на фоне требовательных условий.Его интеграция в автоматизированные системы помогает в обработке сигналов и улучшает функциональные возможности принятия решений.Например, в системах управления температурой LM393N искусно сравнивает показания температуры с установкой критериев, запуская процессы управления для поддержания желаемых условий окружающей среды.Его способность постоянно выполнять различные экологические обстоятельства обеспечивает стабильность и эффективность работы в автоматизированных рамках.Фактические приложения подчеркивают значение надежных компонентов, таких как LM393N, в поддержке непрерывности промышленной системы.


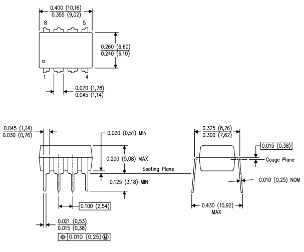
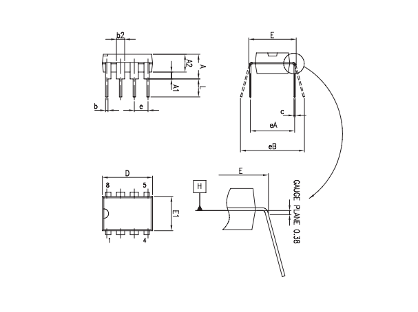
Механические данные


Stmicrolectronics выделяется в мире полупроводников, пионеруя разнообразным спектром сложных решений, адаптированных для различных микроэлектронических применений.Компания превосходна в Silicon Technologies, и ее обширные навыки производства делают ее лидером в области инноваций в системе на чипе, домену, которая переплетается с современными технологическими достижениями.Опираясь на обширный хранилище интеллектуальной собственности, Stmicroelectronics способствует стратегическим партнерским отношениям, улучшая его след на рынке.
Знание глубоко укоренившихся в кремниевых технологиях STMicroelectronics служит ядром его мастерства проектирования и производства.Эта основа подтверждает разработку высокоэффективных чипов, как и содействие сложным параметрам разнообразных приложений.Экспертиза в кремнии позволяет создавать потребительскую электронику, которая обеспечивает надежность и энергоэффективность, тем самым поощряя внедрение современных устройств, которые трансформируют повседневные переживания.
LM193, A LM293, A-LM393, A.Pdf
Пожалуйста, отправьте запрос, мы ответим немедленно.
LM393N и LM393P демонстрируют последовательную производительность в разных приложениях.Основное отличие заключается в их упаковке: LM393N заключен в двойной встроенный пластиковый формат, в то время как LM393P поставляется в одном встроенном пакете.Решение о упаковке может повлиять на пространственные и проектные соображения, влияя на выбор приложений.
Помимо упаковки, их различия минимальны, так как оба требуют упаковки DIP-8.Выбор часто зависит от конкретных потребностей применения, когда упаковка становится замечательным определяющим фактором.
LM393N работает в качестве двухвольного компаратора.Когда (-) вход составляет 2,5 В, выход остается низким, если вход (+) ниже 2,5 В, но выше 2 мВ.Он остается низким, когда (+) вход более чем на 2 мВ ниже, чем (-) вход.Если (+) вход превышает (-) более чем на 2 мВ, выходной выход высокий.Этот механизм часто используется в сценариях, требующих точного сравнения напряжения, что отражает точную природу электронного дизайна.
Рынок LM393N недавно поддерживал стабильные цены, которые поддержали широкие запасы и текущие транзакции.Поставщики предоставляют последовательные цитаты, сигнализируя о надежном присутствии на рынке.Понимание этих тенденций помогает создавать эффективные стратегии закупок.
LM193, LM293 и LM2903 стоят как жизнеспособные замены для LM393N.Они работают в качестве двухвольных компараторов и могут быть включены без заметных изменений в проектирование системы.Эти альтернативы предлагают гибкость проектирования при сохранении стандартов производительности, отражая понимание точных требований выбора компонентов.
на 2024/11/8
на 2024/11/8
на 8000/04/18 147757
на 2000/04/18 111931
на 1600/04/18 111349
на 0400/04/18 83719
на 1970/01/1 79508
на 1970/01/1 66892
на 1970/01/1 63010
на 1970/01/1 62986
на 1970/01/1 54081
на 1970/01/1 52111