
А LTC6957HMS-3#TRPBFРазработанный с помощью линейных технологий/аналоговых устройств, служит сложным буфером часовых часов.Его работа простирается эффективно до 300 МГц, размещая типы вводов, такие как CML, CMOS, LVDS и LVPECL.С напряжением питания, обслуживаемом от 3,15 до 3,45 В, он хорошо адаптируется к различным приложениям.Многие ценят его способность управлять различными форматами ввода.Эта адаптивность облегчает интеграцию в различные системы, экономит необходимость обширного редизайна и способствуя бесшовной совместимости с существующей технологической средой.
Работа до 300 МГц выравнивает IC с высокочастотными приложениями.Это делает его подходящим для современных систем связи, где точное время и синхронизация повышает надежность системы и повышает производительность в практическом использовании.Используя диапазон поставок от 3,15 в 3,45 В, IC поддерживает функциональность в разных условиях, стабильность кредитования и потенциально продлевая срок службы устройства.Эта гибкость может дать возможность приложениям процветать в динамических настройках.
Внедрение этого IC в систему требует понимания ее электрических характеристик и взаимодействия с существующими компонентами.Часто необходим баланс между ограничениями дизайна и целями производительности, и выбор буфера часов, такой как LTC6957HMS-3#TRPBF, может упростить эти проблемы.LTC6957HMS-3#TRPBF воплощает в себе гармонию гибкости, частоты и совместимости напряжения.Его продуманное соображение дизайна позволяет различным вариантам использования, что делает его ценным компонентом в высокопроизводительных электронных конструкциях.Интегрируя этот IC, операции могут быть оптимизированы, возможно, снижение затрат за счет снижения сложности системы.
LTC6957HMS -3#TRPBF построен для выдержания температур от -40 ° C до 125 ° C, в которых можно провести проекты, которые проверяют пределы выносливости температуры.Его устойчивость обеспечивает непоколебимую производительность как в промышленных, так и в автомобильных условиях, резонируя с теми, кто ориентируется на требовательных средах, где колебания температуры являются постоянной проблемой.
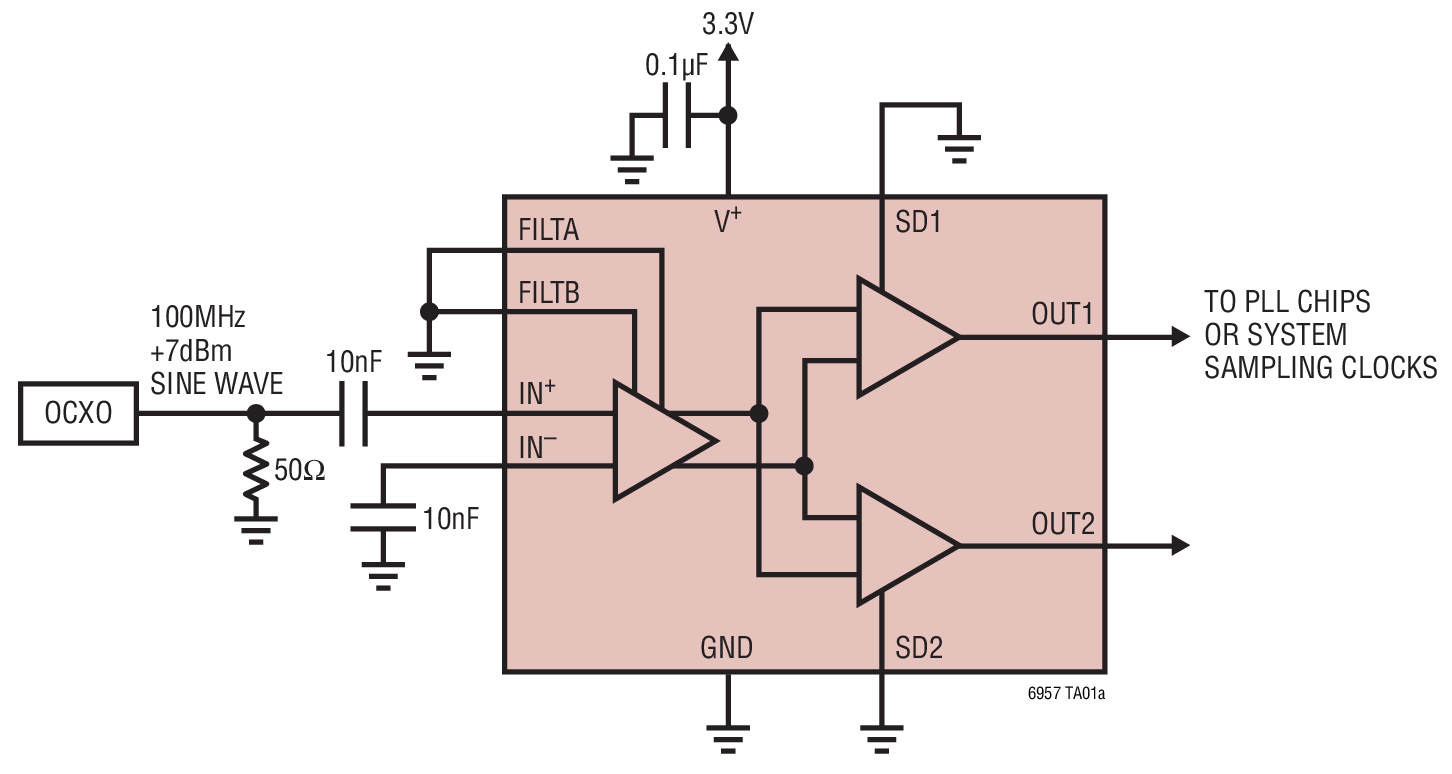
Это устройство предлагает выходы в настройке CMOS, оцененной за его энергосберегающие преимущества и минимальные помехи.Коэффициент входа 1: 2 к выходу в сочетании с дифференциальным входом/выходом повышает целостность сигнала и сопротивление шума.Эти аспекты используются, когда высокочастотные приложения требуют безупречной ясности сигнала, обусловленной потребностями предотвращения системных сбоев.
Затраченный в пакете 12-дасопов, LTC6957HMS-3#TRPBF предоставляет элегантное решение для конструкций с ограниченным пространством, беспрепятственно интегрируя в более мелкие платы без ущерба для возможностей.Его приверженность стандартам ROHS3 подчеркивает преданность экологически чистым практикам, отражая растущий сдвиг в отрасли к устойчивости.
Работая на поставке 3,3 В, устройство выравнивается с современными нормами низкого напряжения, способствуя энергоэффективности и бесшовной интеграции с системами тока.Этот выбор напряжения отражает современные тенденции в направлении оптимизации энергопотребления, сохраняя при этом высокую производительность.
Включение LTC6957HMS-3#TRPBF в конструкции может привести к существенным преимуществам, особенно при приоритетных приоритетах эффективности и надежности в строгих условиях.Синергия между его компактной сборкой, передовыми возможностями сигнала и экологической осознанностью представляет это устройство как гибкий актив в сегодняшнем электронном ландшафте дизайна.
LTC6957HMS-3#TRPBF играет роль в распределении часов для систем связи, сетевого оборудования и настройки промышленной автоматизации.Эти сценарии требуют точного времени для облегчения эффективной передачи и обработки данных.В практических условиях достижение высокого распределения часов может повысить надежность системы и общую производительность.
Этот компонент также используется в медицинских устройствах, автомобильной электронике, аэрокосмических и защитных системах.В области медицины точные временные инструменты помогают визуализации и диагностическим инструментам, что приводит к точным измерениям и лучшим результатам пациента.Автомобильная электроника выигрывает от надежного распределения часов, которое поддерживает передовые системы для современных транспортных средств, влияя как на безопасность, так и инновации.Аэрокосмические и оборонительные сектора зависят от точного времени для операций, где могут быть важны даже незначительные ошибки.
LTC6957HMS-3#TRPBF интегрируется с микроконтроллерами, FPGA и ASIC, отвечающим высокоскоростным потребностям распределения часов.Его включение в эти системы облегчает обработку данных и улучшает синхронизацию.Безусловная интеграция в сложных системах напрямую влияет на эффективность и функциональность системы.

В высокоскоростных системах сбора данных справочные конструкции повышают эффективность и точность, обеспечивая целостность данных и минимизируя задержку.Эти конструкции используют усовершенствованные алгоритмы обработки сигналов для большей пропускной способности и улучшения разрешения.Принимая методы адаптивной фильтрации, системы эффективно снижают шум, повышая производительность.
Достижение точной синхронизации часов в беспроводных сетях связи опирается на справочные проекты.Эта синхронизация обеспечивает плавную передачу данных, смягчение потери пакетов и дрожание.Использование петлей с фазовым блоком (PLL) и аналогичные методы синхронизации позволяют стабильному связующему участку даже в самых требовательных средах.Реализации городской сети показывают, что тщательное управление переменными задержки времени повышает эффективность передачи.
В радиолокационных системах приложения PLL в пределах эталонных конструкций поддерживают точный синтез и модуляцию точного частоты.Эти конструкции улучшают обнаружение и отслеживание цели с помощью когерентной обработки сигналов.Полевая операция по работе подчеркивает оптимизацию параметров фильтра петли для достижения быстрого времени блокировки и сохранения стабильности системы для быстрого отклика и приложений высокой надежности.
|
Тип |
Параметр |
|
Время выполнения завода |
16 недель |
|
Пакет / корпус |
12 фунтов (0,118, ширина 3,00 мм) |
|
Частота (макс) |
300 МГц |
|
Упаковка |
Лента и катушка (TR) |
|
Код JESD-609 |
E3 |
|
Уровень чувствительности влаги (MSL) |
1 (неограниченный) |
|
Код ECCN |
Ear99 |
|
Терминальная отделка |
Матовая олова (SN) |
|
Терминальная позиция |
Двойной |
|
Пиковая температура отрабатывания (Цельсия) |
260 |
|
Напряжение снабжения |
3,3 В. |
|
Temp@Пик температуры отрабатывания (ы) (ы) |
30 |
|
Выход |
CMOS |
|
Количество схем |
1 |
|
Соотношение - вход/вывод |
1:02 |
|
Длина |
4,039 мм |
|
Статус ROHS |
ROHS COMPARINT |
|
Монтажный тип |
Поверхностное крепление |
|
Поверхностное крепление на |
Да |
|
Рабочая температура |
-40 ° C -125 ° C. |
|
Опубликовано |
2013 |
|
Статус частично |
Активный |
|
Количество терминаций |
12 |
|
Буфер фаната (распределение) |
Да |
|
Напряжение - поставка |
1,5 В.3,45 В. |
|
Терминальная форма |
Крыло Печата |
|
Количество функций |
1 |
|
Терминал |
0,65 мм |
|
Базовый номер детали |
LTC6957 |
|
Подсчет штифтов
|
12 |
|
Вход |
CML, CMOS, LVDS, LVPECL |
|
Дифференциал - Вход/Вывод |
Да/нет |
|
Ширина |
3 мм |
• LTC6957HMS-2#TRPBF: буфер часов с соотношением ввода к выходу 1: 1.
• LTC6957HMS-4#TRPBF: буфер часов с соотношением ввода к выходу 1: 4.
• LTC6957HMS-5#TRPBF: буфер часов, разработанный с соотношением ввода к выходу 1: 5.
Комплексный анализ LTC6957HMS-3#TRPBF, предоставленного в этой статье, предлагает глубокое погружение в его возможности, спецификации и обширные применения в различных отраслях с высоким спросом.От надежного распределения часов в системах связи до точных требований к времени в аэрокосмической промышленности и защите, этот буфер часов иллюстрирует гибкость и эффективность.Исследование его справочных конструкций и альтернативных частей не только подчеркивает адаптивность компонента к развивающимся технологическим потребностям, но и гарантирует, что у вас есть необходимая информация для принятия обоснованных решений при интеграции этого IC в сложные системы.По мере развития технологий LTC6957HMS-3#TRPBF выделяется в качестве основного компонента в повышении производительности и надежности системы, демонстрируя ее значение как в текущих, так и в будущих ландшафтах электронных проектов.
Mut Dev Mark Chg 4/февраль/2020.pdf
Это устройство управляет частотами до 300 МГц, что делает его универсальным для таких приложений, как системы связи и обработка сигналов.Обработка высоких частот означает надежный дизайн, использование в точных средах.На практике это означает последовательную, надежную производительность, особенно в условиях высокого спроса.
Да, он поддерживает входы LVPECL, среди других типов сигналов.Поддержка высокоскоростной передачи данных пользуется высокоскоростной передачей данных, повышение шумовой маржи и целостности сигнала.Эта совместимость выгодно в сложных системах, помогая в уменьшении ошибок.Такие особенности практичны в сокращении времени простоя и обеспечении плавных операций в различных сценариях.
Работая при подаче 3,3 В, устройство может похвастаться низким энергопотреблением, привлекательным в чувствительном к энергии контекстам.Эта эффективность снижает эксплуатационные расходы и уменьшает тепло, продлевая срок службы и надежность.В сценариях, где эффективность электроэнергии влияет на бюджеты, эта черта способствует устойчивой практике с течением времени.
Пожалуйста, отправьте запрос, мы ответим немедленно.
на 2024/10/28
на 2024/10/28
на 8000/04/18 147758
на 2000/04/18 111946
на 1600/04/18 111349
на 0400/04/18 83722
на 1970/01/1 79508
на 1970/01/1 66916
на 1970/01/1 63075
на 1970/01/1 63012
на 1970/01/1 54081
на 1970/01/1 52143