



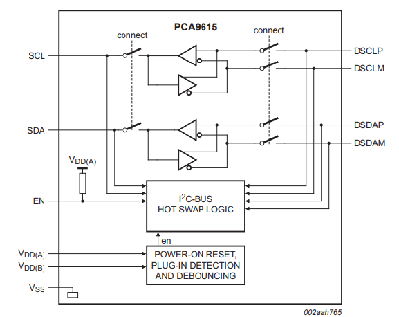
АPCA9615 служит неотъемлемым буфером для SMBUS/I2C-BUS, существенно улучшая передачу данных в электрически шумных средах.Используя дифференциальный физический слой (DI2C), который поддерживает прозрачность на слое протокола, он искусно смягчает коррупцию данных.Эта возможность обеспечивает надежную связь между различными приложениями, включая промышленную автоматизацию, автомобильные системы и сложные взаимосвязанные устройства.
PCA9615 оснащен двумя односторонними каналами дифференциального драйвера, адаптированными для линии SCL.Расширяет диапазон и скорость сигналов SMBU/I2C.Сохраняет целостность сигнала.Конвертируя односторонние сигналы в дифференциальные сигналы, PCA9615 эффективно уменьшает электромагнитные помехи (EMI) и перекрестные помехи, которые распространены в средах с высоким шумом.
Дифференциальная передача сигналов в PCA9615 предлагает множество преимуществ и обеспечивает превосходное отторжение шума по сравнению с односторонними сигналами.В основном полезные в промышленных и автомобильных настройках, где электрический шум угрожает целостности данных.Поддерживает более длинные длины кабеля и более высокие показатели передачи данных.Включает более гибкие проекты системы.В реальных приложениях PCA9615 легко интегрируется в системы, требующие надежной связи на расширенных расстояниях.Дифференциальная передача сигналов обеспечивает надежную передачу данных датчика между компонентами, такими как блок управления двигателем и различные датчики, рассеянные по всему транспортному средству.PCA9615 поддерживает четкую связь между несколькими контроллерами и полевыми устройствами, расположенными через большой производственный этаж.

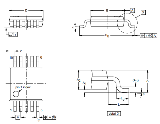
Вот формат таблицы с техническими спецификациями, атрибутами и параметрами NXP USA Inc. PCA9615DPJ , наряду с частями с аналогичными спецификациями.
|
Тип |
Параметр |
|
Фабрика
Время выполнения |
7
Недели |
|
Монтаж
Тип |
Поверхность
Устанавливать |
|
Упаковка
/ Случай |
10-tfsop,
10-мс (0,118, ширина 3,00 мм) |
|
Поверхность
Устанавливать |
Да |
|
Работа
Температура |
-40 ° C.
~ 85 ° C. |
|
Упаковка |
Лента
И катушка (TR) |
|
Опубликовано |
2010 год |
|
Часть
Статус |
Активный |
|
Влага
Уровень чувствительности (MSL) |
1
(Неограниченное) |
|
Число
терминаций |
10 |
|
Тип |
Буфер,
Redriver |
|
Приложения |
I2c |
|
Напряжение
- Поставлять |
2,3 В.
~ 5,5 В. |
|
Терминал
Позиция |
Двойной |
|
Терминал
Форма |
Чайка
Крыло |
|
Пик
Температура откомплектования (CEL) |
Нет
Указано |
|
Число
функций |
1 |
|
Поставлять
Напряжение |
3,3 В. |
|
Терминал
Подача |
0,5 мм |
|
Время@Пик
Температура срабатывания (ы) температуры. |
Нет
Указано |
|
База
Номер части |
PCA9615 |
|
Выход |
2-й провод
Автобус |
|
Приколоть
Считать |
10 |
|
JESD-30
Код |
S-PDSO-G10 |
|
Число
каналов |
2 |
|
Текущий
- Поставлять |
16 мкА |
|
Вход |
2-й провод
Автобус |
|
Данные
Скорость (макс) |
400 кГц |
|
Поставлять
Voltage1-nom |
5 В |
|
Емкость
- Вход |
7pf |
|
Длина |
3 мм |
|
Высота
Сидя (максимум) |
1,1 мм |
|
Ширина |
3 мм |
|
Rohs
Статус |
Rohs3
Соответствие |
Конструкция PCA9615 включает в себя надежную возможность горячей замены, которая позволяет подключать и отключать модули, не вызывая прерывания потока данных.Эта функция особенно выгодна в сложных системах, где доминируют время безотказной работы и надежность, например, в телекоммуникациях и центрах обработки данных.Включая бесшовную замену и расширение модуля, функция горячей замены обеспечивает постоянную производительность системы и минимальное время простоя, удовлетворяя постоянную потребность в стабильности и эффективности в таких требовательных средах.
• EN EN Signal вход: Вход сигнала EN (включить) играет решающую роль в управлении процедурой горячей замены.Когда новый модуль подключен, сигнал EN гарантирует, что процедура выполняется упорядоченным образом.Этот механизм предотвращает ошибки связи, которые могут возникнуть, если модули были добавлены или удалены произвольно.Во многих практических приложениях точное управление сигналами поддерживает целостность данных, что особенно ценно в средах, где потеря данных неприемлема, а ставки высоки.
Механизм обнаружения на холостом ходу автобуса дополнительно расширяет функциональность горячей замены, гарантируя, что соединения выполняются только тогда, когда автобус простаивает.Эта функция помогает избежать потенциальных столкновений с данными и коррупции, таким образом защищая точность передаваемой информации.Обнаружение холостого хода автобуса работает прозрачно, работая за кулисами, чтобы обеспечить стабильную общение даже в динамических условиях.
• Системные гарантии: Взаимодействие этих компонентов в PCA9615 демонстрирует, как современные технологии интегрируют несколько уровней гарантий, чтобы обеспечить как эффективность работы, так и безопасность данных.Гармоничная координация между входом сигнала EN и обнаружением простоя шины образует основу надежного обжарения в опасных системах.Эти элементы в совокупности вносят вклад в устойчивую и надежную систему, что с точностью и уходом удовлетворяет точные потребности среды с высокими ставками.
PCA9615 представляет универсальные решения для множества технических препятствий, рассматривая различия конкретных применений.К ним относятся мониторинг дистанционных датчиков в шумных средах, управление источниками питания, подверженных высоким помехам, связывание автобусов I2C по различным типам оборудования и контроль сложных промышленных систем, таких как освещение, отопление и охлаждение.
В средах изобилует шумом, достоверность данных датчиков может ухудшаться.PCA9615 поддерживает постоянную связь между удаленными датчиками и доминирующими обработками.Такие варианты использования, как станции промышленной автоматизации и мониторинга окружающей среды, интенсивно иллюстрируют его преимущества.Поддержание целостности данных становится менее азартной игрой, аналогично методологиям в телекоммуникационных инфраструктурах, где используется точность сигнала на больших расстояниях.Вы можете использовать дифференциальные методы передачи сигналов, аналогичные методам PCA9615, чтобы эффективно облегчить проблемы, связанные с шумом.
Сложным доминированием является управление источниками электроэнергии в условиях высокой интерференции.PCA9615 воспитывает целостность сигнала, несмотря на электромагнитный шум, частая дилемма в питании с переменными нагрузками.Фактические приложения часто объединяют PCA9615 с тактикой экранирования и заземления, что еще больше снижает помехи.Это напоминает практики аэрокосмического производства, где системы создаются для надежности среди заметного электронного шума.
Сложная системная интеграция часто требует подключения шин I2C между различным оборудованием.PCA9615 сглаживает это соединение, расширяя диапазон связи и обеспечивая иммунитет на потенциальные различия.Например, в автомобильных контекстах соединение связи между несколькими электронными блоками управления (ECU) с PCA9615 смягчает проблемы, связанные с смещением наземных и целостности сигнала.Этот аспект демонстрирует свою практичность в гармонизации разнообразных электронных компонентов.
В рамках промышленных настроек контролирующие системы, такие как освещение, нагревание и охлаждение, влечет за собой точность и надежность.Возможность PCA9615 поддерживать стабильную связь в различных условиях увеличивает его очарование.Управление интеллектуальным зданием отражает важность последовательной, надежной передачи данных для обеспечения энергоэффективности и эксплуатационной эффективности.Здесь PCA9615 иллюстрирует свою роль в организации бесшовного контроля.
Коммуникация и системы I2C на расстоянии с несколькими расходами на питание вносят уникальные проблемы, главным образом из-за заметных смещений наземных.PCA9615 противоречит этим вопросам, используя дифференциальную передачу сигналов, защищая целостность данных на расширенных расстояниях.Эта стратегия сопоставима с практикой в управлении центрами обработки данных, где сохранение качества сигнала в течение длинных кабельных растяжек полезно для надежности сети.Техника укрепляет связь, обеспечивая надежную связь в требовательных условиях.



NXP Semiconductors N.V., выдающаяся сила в Secure Speciality Solutions, индивидуальные для встроенных приложений, последовательно движут инновациями в различных секторах, включая автомобильные, промышленные и IoT, мобильные и коммуникационные инфраструктуры.Их бессмертные амбиции-создать более умные, более безопасные и более подключенные решения.
Достижения NXP в автомобильном секторе значительно выделяются.Их сложные микроконтроллеры и процессоры значительно повысили безопасность транспортных средств, улучшенные информационно -развлекательные системы и расширенные возможности автономного вождения.Интеграция этих высокоуровневых технологий обогащает опыт вождения, обеспечивая при этом безопасность и эффективность автомобиля.Ведущие производители автомобилей, включающие свои решения, подчеркивают стремление для удовлетворения современных транспортных требований.
В доминионах промышленных и IoT решения NXP способствовали серьезным изменениям в автоматизации заводов, интеллектуального измерения и сенсорных сетей.Их продукция направлена на оптимизацию производительности и надежности, динамика в промышленных условиях с высоким уровнем стресса.Непрерывная уточнение и реализация их решений IoT способствует взаимосвязанным экосистемам, способствуя плавному обмену данными, эффективным управлением ресурсами и превосходным оперативным управлением.
Присутствие NXP на рынке мобильных устройств значительно повышает конфиденциальность, обеспечивает платежные механизмы и облегчает бесконтактные взаимодействия.Используя технологию вблизи полевой коммуникации (NFC), они революционизируют взаимодействие потребительских домов, осуществляя более быстрые и более безопасные транзакции.Постоянные инновации в этой сфере сосредоточены на поддержке безопасности данных, одновременно повышая удобство пользователей на фоне растущего цифрового ландшафта.
В инфраструктуре коммуникации высокопроизводительные радиочастотные решения и процессоры NXP необходимы для продвижения сетевых возможностей.Эти вклады позволяют разработать более эффективные и надежные системы связи, основные для глобального расширения подключения.Благодаря повышению эффективности и масштабируемости сети, NXP лежит в основе инфраструктуры, необходимой для развития современных методов связи, таких как 5G.
PCA9615 служит для отключения буфера шины, доказывая инструментальные в поисках неисправностей, секвенировании мощности и выделении сегмента в больших автобусных системах.Помогая в поисках неисправностей и изоляции сегмента, это усиливает реконфигурацию и позволяет определять разделы быть неактивными, когда они не требуются.В условиях, где оперативная эффективность имеет приоритет, PCA9615 облегчает стратегическое управление системными ресурсами.Временно отключение неиспользованных сегментов шины оптимизирует общую производительность системы.В сложных промышленных средах, где требуется непрерывная эксплуатация и минимальное простоя, роль PCA9615 становится необходимой для крупномасштабных производственных предприятий, изолируя сегменты шин для технического обслуживания, не останавливая всю систему, повышает производительность и снижает риски.Динамическая реконфигурация сегментов шины создает более адаптивную и устойчивую инфраструктуру.Что касается секвенирования питания, PCA9615 обеспечивает контролируемую активацию различных частей системы шины.Этот подход способствует стабильности и предотвращает перегрузку потенциальной запуска в средах данных высокой плотности, таких как центры обработки данных, он обеспечивает синхронизированную активацию компонентов, избегая узких мест и обеспечивая плавную инициализацию.
Пожалуйста, отправьте запрос, мы ответим немедленно.
на 2024/10/14
на 2024/10/14
на 8000/04/18 147757
на 2000/04/18 111931
на 1600/04/18 111349
на 0400/04/18 83718
на 1970/01/1 79506
на 1970/01/1 66875
на 1970/01/1 63010
на 1970/01/1 62960
на 1970/01/1 54080
на 1970/01/1 52101