
Рис. 1. Тренажерный модуль усилителя с RC-связью
Усилитель с RC-связью — это тип усилителя, в котором несколько каскадов усиления соединены с помощью цепей резистор-конденсатор.Каждая ступень увеличивает уровень сигнала, а RC-сеть передает сигнал от одной ступени к другой, не нарушая условий их работы.Эта конфигурация обычно используется, когда слабый входной сигнал необходимо постепенно усиливать, чтобы достичь приемлемого уровня.
Основная роль RC-связи заключается в том, чтобы позволить части сигнала переменного тока (AC) проходить между каскадами, блокируя при этом постоянный ток (DC).Конденсатор связи обеспечивает путь для сигнала переменного тока, но предотвращает попадание напряжения постоянного тока в следующий каскад, позволяя каждому каскаду независимо поддерживать стабильное смещение.
Изолируя уровни постоянного тока, RC-связь помогает предотвратить сдвиги рабочих точек, которые могут привести к искажениям или нестабильному поведению.Каждый каскад остается правильно смещенным, что обеспечивает постоянное усиление напряжения с использованием простых и экономичных компонентов.
Схема усилителя с RC-связью обычно состоит из двух или более каскадов усилителя, соединенных последовательно, причем каждый каскад работает в конфигурации с общим эмиттером.Каждый каскад усиливает принимаемый им сигнал, а разделительные конденсаторы образуют связи резистор-конденсатор, которые передают сигнал между каскадами, не влияя на условия их работы.

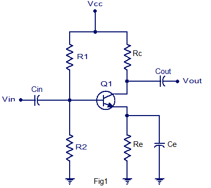
Рисунок 2. Схема однокаскадного RC-связанного усилителя.
В однокаскадном усилителе с RC-связью входной сигнал подается на базу транзистора через входной конденсатор, как показано на схеме.Этот конденсатор позволяет переменному сигналу поступать в усилитель, блокируя при этом постоянный ток, что помогает поддерживать стабильную рабочую точку транзистора.Резисторы смещения устанавливают необходимое напряжение базы, обеспечивая правильную работу транзистора при усилении.
Как только сигнал достигает транзистора, он усиливается и появляется на коллекторе.Усиленный выходной сигнал затем проходит через выходной конденсатор, который передает сигнал в следующую цепь или нагрузку, не позволяя постоянному току течь наружу.Несмотря на то, что присутствует только один каскад усиления, эта схема ясно показывает, как работает RC-связь, и обычно используется в приложениях, где достаточно умеренного усиления сигнала.

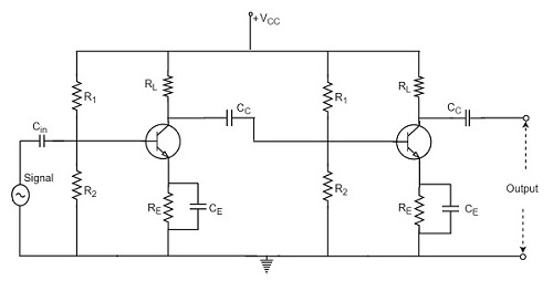
Рисунок 3. Схема двухкаскадного RC-связанного усилителя.
В двухкаскадном усилителе с RC-связью сигнал, усиленный первым каскадом, передается на второй каскад через разделительный конденсатор, расположенный между коллектором первого транзистора и базой второго транзистора, как показано на схеме.Этот конденсатор пропускает вперед только переменную часть сигнала, блокируя постоянный ток, поэтому условия работы каждого каскада остаются независимыми.
Второй этап использует ту же схему с общим эмиттером, что и первый этап, и дополнительно усиливает входящий сигнал.Резисторы смещения на каждом этапе устанавливают правильную рабочую точку для транзисторов, а эмиттерные резисторы и развязывающие конденсаторы обеспечивают стабильную работу и эффективное усиление.Конечный выходной сигнал снимается с коллектора второго каскада через выходной конденсатор, который выдает усиленный сигнал без прохождения постоянного тока.
Эта двухкаскадная схема увеличивает общий коэффициент усиления по напряжению по сравнению с однокаскадной схемой.Дополнительные каскады могут быть подключены таким же образом, если требуется большее усиление, в то время как сеть резисторов и конденсаторов продолжает плавно направлять сигнал от входа к выходу и поддерживать стабильную производительность на всех каскадах.

Рисунок 4. Поток сигналов в каскадах усилителя с RC-связью
Усилитель с RC-связью состоит из нескольких каскадов усилителя, имеющих аналогичную структуру, где каждый каскад способствует увеличению уровня сигнала.Сигнал подается на первый этап, усиливается, передается через сеть связи, а затем дополнительно усиливается на следующем этапе.Такое расположение позволяет сигналу плавно проходить по схеме, сохраняя при этом единообразное поведение на всех этапах.
Конденсатор связи расположен между коллектором одной ступени и базой следующей ступени, образуя электрическую связь между ними.Он позволяет переменной части усиленного сигнала проходить вперед, блокируя постоянный ток.Предотвращая протекание постоянного тока между ступенями, конденсатор связи гарантирует, что условия работы одной ступени не мешают условиям работы следующей.
Резисторы смещения подключены к базе каждого транзистора и обеспечивают стабильное напряжение базы, необходимое для правильной работы.Эти резисторы удерживают каждый транзистор в заданном рабочем диапазоне, что обеспечивает последовательное и контролируемое усиление.Аналогичное расположение резисторов на каскадах помогает поддерживать одинаковые характеристики по всей схеме.
На эмиттере каждого транзистора эмиттерный резистор и развязывающий конденсатор работают вместе.Эмиттерный резистор повышает стабильность за счет снижения чувствительности к изменениям температуры и изменениям в поведении транзистора.Развязывающий конденсатор, подключенный параллельно, обеспечивает путь с низким сопротивлением для переменного сигнала, позволяя каскаду достигать более высокого коэффициента усиления по напряжению, сохраняя при этом стабильные условия постоянного тока.

Рисунок 5. Частотная и фазовая характеристика усилителя с RC-связью.
В усилителе с RC-связью сигнал проходит через схему по одному каскаду за раз, при этом каждый каскад увеличивает уровень сигнала перед его передачей вперед.Входной сигнал подается на базу первого транзистора, где происходит усиление и усиленный сигнал появляется на коллекторе.С коллектора сигнал через разделительный конденсатор передается на следующий каскад.Этот метод позволяет сигналу плавно проходить через последовательные этапы, сохраняя при этом рабочие условия каждого этапа электрически независимыми, что обеспечивает стабильную и предсказуемую работу.
Каждый каскад усиления в усилителе с RC-связью обычно использует конфигурацию с общим эмиттером.В этой схеме выходной сигнал, принимаемый с коллектора, инвертируется относительно входного сигнала, подаваемого на базу.Эта инверсия вносит фазовый сдвиг на 180 градусов на каждом этапе.Поскольку сигнал проходит через несколько этапов, каждый этап добавляет еще одно обращение фазы.Когда общее количество ступеней четное, переключение фаз отменяется, и конечный выходной сигнал остается синфазным с входным.Когда количество ступеней нечетное, остается одно изменение фазы, вызывающее сдвиг выходного сигнала на 180 градусов.
Частотная характеристика описывает, как коэффициент усиления напряжения усилителя меняется в зависимости от частоты сигнала.На низких частотах усиление снижается, поскольку конденсаторы в схеме ограничивают медленные изменения сигнала, что ослабляет передачу сигнала между каскадами.По мере увеличения частоты в среднечастотный диапазон усилитель достигает стабильных рабочих условий и обеспечивает почти постоянный коэффициент усиления.Эта область представляет собой нормальный рабочий диапазон усилителя с RC-связью.На более высоких частотах коэффициент усиления снова снижается, поскольку эффекты нагрузки между каскадами и внутренней емкостью становятся более заметными, что ограничивает способность усилителя реагировать на быстрые изменения сигнала.
Усиление напряжения усилителя с RC-связью достигается за счет каскадного подключения нескольких каскадов усиления, причем каждый каскад вносит свой вклад в общий коэффициент усиления.В идеальных условиях общий коэффициент усиления по напряжению равен произведению коэффициентов усиления отдельных каскадов.Однако в практических схемах фактический коэффициент усиления немного ниже из-за эффектов нагрузки, когда каждая ступень потребляет ток от предыдущей ступени.Это взаимодействие снижает эффективный коэффициент усиления и накладывает практические ограничения на степень усиления напряжения, которую можно достичь с помощью RC-связи.
| Преимущества | Ограничения |
| Простая схема | Плохой низкочастотный отклик |
| Недорогие компоненты | Усиление падает на очень высоких частотах |
| Компактный и легкий | Ограниченный прирост мощности |
| Хорошее усиление напряжения | Не подходит для усиления мощности |
| Стабильная работа для слабых сигналов | Согласование импеданса плохое |
| Широкая полоса средних частот | Чувствителен к шуму и старению компонентов. |
| Легко спроектировать и собрать | Значения конденсаторов влияют на производительность |
| Подходит для аудио и сигнальных каскадов | На производительность влияют изменения температуры |
| Трансформатор не требуется | Выходное сопротивление относительно высокое |

Рисунок 6. Настройка приложений RC-связанного усилителя
Усилители с RC-связью широко используются в электронных системах, где небольшие сигналы необходимо четко и надежно усиливать.Одно из наиболее распространенных применений — предварительные усилители звука, где слабые аудиосигналы от микрофонов, датчиков или источников звука усиливаются перед отправкой на последующие этапы.В этих системах RC-связь обеспечивает стабильное усиление напряжения и сохраняет качество сигнала во всем диапазоне звуковых частот.
В схемах связи усилители с RC-связью используются для усиления сигналов низкого уровня перед обработкой или передачей.Они хорошо подходят для этой роли, поскольку обеспечивают стабильное усиление в широком диапазоне средних частот и могут быть легко интегрированы в многокаскадные конструкции без использования сложных компонентов.Это делает их практичными для использования в оборудовании проводной связи и схемах формирования сигнала.
Усилители с RC-связью также часто встречаются в радио- и телевизионных приемниках, где они служат каскадами усиления слабого сигнала.В этих приемниках слабые сигналы, принимаемые антеннами, требуют первоначального усиления перед обнаружением и дальнейшей обработкой.RC-связь позволяет подключать несколько каскадов усиления, сохраняя при этом стабильную работу и минимизируя помехи между каскадами.
В целом, усилители с RC-связью подходят для этих приложений, поскольку они просты, экономичны и обеспечивают надежное усиление напряжения для небольших сигналов.Их способность поддерживать стабильное смещение между каскадами при работе в широком диапазоне частот делает их практичным выбором во многих повседневных электронных системах.
Усилители с RC-связью предлагают практический способ усиления слабых сигналов с использованием простых и доступных компонентов.Понимая, как устроена схема, как сигналы проходят через каждый каскад и как ведут себя частота и коэффициент усиления, вы сможете лучше понять, какой тип усилителя соответствует вашим потребностям.Их стабильная работа и широкий диапазон средних частот делают их полезными во многих повседневных электронных системах, где важно четкое усиление напряжения.
Пожалуйста, отправьте запрос, мы ответим немедленно.
Усилитель с RC-связью используется для усиления слабых сигналов. сохраняя каждый каскад усиления электрически независимым и стабильным.
Конденсаторы позволяют переменным сигналам проходить между каскадами, в то время как блокировка постоянного тока, что помогает поддерживать правильную работу условия.
На низких частотах конденсаторы противодействуют медленным изменениям сигнала, что снижает эффективную передачу сигнала и снижает усиление.
Они в основном подходят для усиления слабых сигналов по напряжению и не идеальны для подачи высокой мощности на нагрузки.
Их часто можно встретить в предварительных усилителях звука, средствах связи. схемы и слабосигнальные каскады радио- и телеприемников.
на 2025/12/22
на 2025/12/22
на 8000/04/18 147757
на 2000/04/18 111931
на 1600/04/18 111349
на 0400/04/18 83719
на 1970/01/1 79508
на 1970/01/1 66892
на 1970/01/1 63010
на 1970/01/1 62987
на 1970/01/1 54081
на 1970/01/1 52111