
А STM32F303CCT6 Микроконтроллер превосходит в высокопроизводительных встроенных приложениях, объединяя надежные возможности обработки с гибкими периферическими выборами.Его пакет LQFP-48 поддерживает операции до 72 МГц, размещая 40 КБ ОЗУ на 48 булавках.Это делает его адаптируемым к различным требовательным настройкам.Его обширный массив аналоговых и цифровых функций может похвастаться низкопроизводительными RTC, двойными каналами DAC, специализированными таймерами моторного контроля, операционными усилителями, быстрыми АЦП и ассортиментом таймеров и компараторов.Такой разнообразный инструментарий позволяет ему процветать в полях от промышленной автоматизации до потребительской электроники.

|
Атрибут продукта |
Значение атрибута |
|
Производитель |
Ул
Микроэлектроника |
|
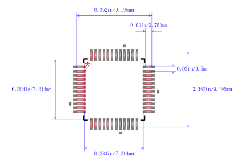
Упаковка
/ Случай |
LQFP-48 |
|
Упаковка |
Поднос |
|
Длина |
10
мм |
|
Ширина |
7.2
мм |
|
Высота |
1.45
мм |
|
Основной |
РУКА
Кора M4 |
|
Поставлять
Напряжение |
2 V.
~ 3,6 В. |
|
Данные
Ширина автобуса |
32
кусочек |
|
Программа
Размер памяти |
256
кб |
|
Данные
Размер оперативной памяти |
40
кб |
|
Работа
Температура |
-40 ° C.
~ 85 ° C. |
|
Данные
ОЗУ тип |
Шрам |
|
Монтаж
Стиль |
SMD/SMT |
|
Число
I/OS |
37
Ввод |
|
Число
каналов АЦП |
1
Канал |
|
Число
таймеров/счетчиков |
8
Таймер |
|
Продукт
Тип |
РУКА
Микроконтроллеры - MCU |
Микроконтроллер STM32F303CCT6 демонстрирует замечательное знание управления данными благодаря 12-канальному прямой памяти (DMA) и адаптируемой межконтактной матрице.Эта настройка эффективно облегчает обмен данными между периферийными устройствами, облегчает нагрузку ЦП и повышает отзывчивость системы.При работе с обработкой данных в реальном времени такие улучшения могут привести к заметным улучшениям в стабильности производительности и эффективности работы.
Этот микроконтроллер включает в себя широкую систему управления часами с несколькими генераторами.Он включает в себя кристаллический генератор 32 кГц, идеально подходящий для точного времени и внутренний генератор 40 кГц, идеально подходящий для задач с низкой мощью.Бесполезное переключение между этими осцилляторами позволяет обеспечить гибкие стратегии власти, особенно ценные в энергетических приложениях, таких как портативные устройства.
Оснащенные 87 высокоскоростными портами ввода-вывода, которые переносят сигналы 5V, STM32F303CCT6 легко подключается к разнообразным внешним компонентам.Его память варьируется от 128-256 КБ вспышки и 40 КБ SRAM, приспосабливая сложные приложения со значительными потребностями хранения и быстрым требованиями доступа к данным.Эти конфигурации ввода -вывода и памяти являются активами в сценариях, которые определяют достоверную пропускную способность данных и быстрая обработка.
Микроконтроллер может похвастаться сложными функциями синхронизации, такими как таймеры сторожевого вещества для надежности системы и основные таймеры для планирования задач.Эти функциональные возможности обеспечивают точность в операциях, требующих строгих последовательностей синхронизации и безопасных мер, которые поддерживают работу и эффективность работы.
Интегрированные операционные усилители включают обработку аналоговых сигналов в рамках диапазона напряжения от 2,4 до 3,6 В. Эта емкость для гибкости варьируется в варьированных электрических средах, обслуживающие такие приложения, как получение данных датчика и кондиционирование сигнала, где необходимо адаптивность в напряжении.
Чип поддерживает емкостное зондирование на 24 каналах, способствуя способностям сенсорного ввода.Этот аспект выгоден в создании пользовательских интерфейсов и интерактивных устройств, способствующих отзывчивому и привлекательному обращению.Внедрение этой способности к сенсорному сигналу упрощает проектирование, минимизируя необходимость дополнительных компонентов.

STM32F303CCT6 поставляется в 64-контактном пакете LQFP, разработанный для современных электронных потребностей.Этот выбор создан для его способности максимизировать пространство, повысить долговечность и эффективно управлять теплом.Плоский дизайн LQFP превосходит в проектах, подчеркивающих компактность и эффективность, что позволяет плавно интегрировать в различные схемы.
Выбор упаковки на лотках в массовом производстве соответствует стремлению отрасли к эффективности и экологичности.Этот метод не только сохраняет пространство, но и повышает устойчивость продукта по отношению к факторам окружающей среды.Он значительно улучшает теплопроводность, используется для высокопроизводительных применений и поддерживает автоматизированные производственные линии, предлагая последовательное размещение и обработку, что облегчает производственные процессы.
При разработке энергосберегающих систем использование мощности часто становится центральной темой.Как правило, метрики устанавливаются, предполагая, что периферические компоненты остаются неактивными, если не указано иное, что позволяет тщательно оценить потребности системы в рамках различных сценариев.
Настройки поэтапного блокировки (PLL), тактовые частоты и конфигурации PIN -вывода ввода/вывода являются одними из тех, кто влияет на энергопотребление.Стратегические корректировки в этих настройках могут привести к заметному сокращению использования энергии.Выбор тактовых тарифов, которые соответствуют требованиям задачи, помогает избежать расточительного потребления энергии.
Паттерны доступа к памяти, особенно те, которые выровнены с частотой FHCLK, используются для эффективности питания.Такие методы, как использование режимов с низким энергопотреблением и выборочная активация памяти, могут резко сократить использование энергии.Фактические примеры подчеркивают связь между подробным управлением памяти и длительным сроком службы батареи в переносных устройствах.
STM32F303CCT6 может похвастаться 512 КБ вспышки и 80 КБ SRAM, созданного для скорости и чувствительных к энергии применений.Он превосходит в режимах с низким энергопотреблением, идеально подходит для устройств с батареей.Этот баланс предлагает инновации в портативных технологиях, что позволяет расширить использование и надежность устройства.Он часто фокусируется на продлении продолжительности жизни устройства и обеспечении постоянной производительности.
Оснащенный сердечником коры Arm Cortex-M4 и блоком с плавающей точкой (FPU), STM32F303CCT6 эффективно поддерживает сложные вычисления.Эта возможность повышает обработку цифровых сигналов и сложные математические задачи.Промышленность извлекает выгоду из такой мощности в продвижении систем автоматизации и управления, демонстрируя ее полезность в развертывании сложных алгоритмов.
Гибкий статический контроллер памяти (FSMC) поддерживает различные типы статических памяти, предлагая различные решения для хранения.Эта универсальность помогает оптимизировать конфигурации памяти для приложений на заказ.Поля, требующие индивидуальных аппаратных решений, используют эту адаптивность, чтобы соответствовать конкретным требованиям применения.
Clocking на уровне 72 МГц, STM32F303CCT6 обеспечивает быструю обработку данных и реагирование системы.Его дизайн включает в себя функции, которые защищают от сбоев, сохраняя целостность системы.Эта надежность ценится в серьезных настройках, где время простоя системы не может произойти.Механизмы безопасности подчеркивают акцент на поддержании оперативной последовательности и надежности.
Умечно подключите встроенный макроселл для отладки задач.Этот инструмент помогает раскрыть проблемы с программным обеспечением путем отслеживания путей выполнения и сбора динамических данных сигнала.Для вас нужен острый разум и рассчитанный подход для интерпретации больших трасс.
При обработке усилий защита данных с помощью безопасных резервных копий является разумной мерой предосторожности.Автоматизированные решения резервного копирования могут значительно снизить риск потери данных в средах, где целостность данных имеет огромный вес.Избыточность и облачные решения часто используются профессионалами для облегчения быстрого и надежного восстановления данных.
Тесная настройка синхронизации источника часов помогает избежать расхождений.Смешенные часы могут вызывать сбои с волновым воздействием на зависимые системы.Лучшие практики включают в себя непрерывный мониторинг с использованием инструментов и процедур точности точности для поддержания гармонии синхронизации, беспрепятственной интеграции компонентов и уменьшения проблем с задержкой.
Установка разрешений на доступ к твердому доступу памяти блокирует несанкционированные изменения данных и роль безопасности в защите в защите конфиденциальных данных.Такие стратегии, как списки контроля доступа и шифрование, регулярно применяются в контекстах высокой безопасности для поддержания целостности данных.
Правильная инициализация периферических интерфейсов используется для стабильной связи.Неправильные конфигурации могут привести к непредсказуемому поведению устройства и нарушениям связи.Эксперты в полевых условиях рекомендуют структурированный подход к настройке интерфейса, охватывая строгое тестирование и тщательную документацию.Это не только способствует совместимости устройств, но и упрощает устранение неполадок.
STM32F303CCT6 эффективно работает между -40 ° C до 85 ° C.Этот температура поддерживает надежность в различных средах и способствует адаптивности и долговечности системы посредством различных условий.
Подумайте о таких моделях, как MK20DN32VLF5 и MK20DX64VLF5.Выбор этих вариантов включает в себя оценку конкретных потребностей проекта, понимание бюджетных воздействий и планирование доступности компонентов, чтобы соответствовать специфике проекта.
Эта модель включает в себя вспышку для памяти программ и SRAM для хранения данных.Двойное использование Flash и SRAM обеспечивает гармоничную смесь скорости и удержания, динамика для вас, чтобы сосредоточиться на поддержании целостности данных и оптимизации производительности программы.
STM32F303CCT6 превосходит промышленную автоматизацию, медицинские устройства, потребительскую электронику и системы связи.Его надежная производительность и эффективное взаимодействие признаются в практических развертываниях, подчеркивая необходимость использования этих функций для повышения эффективности системы и повышения опыта пользователя.
Пожалуйста, отправьте запрос, мы ответим немедленно.
на 2024/09/30
на 2024/09/30
на 8000/04/17 147721
на 2000/04/17 111803
на 1600/04/17 111330
на 0400/04/17 83662
на 1970/01/1 79398
на 1970/01/1 66817
на 1970/01/1 62972
на 1970/01/1 62871
на 1970/01/1 54052
на 1970/01/1 52034