
А TCMT4100 Гениально интегрирует оптическую логическую систему, умело объединяя фототранзистор с диодом с арсенидом галлия в гладкий 4-контактный пакет.Этот вдумчивый дизайн обеспечивает гарантированное разделение между входом и выходом, согласуясь со строгими стандартами безопасности, обнаруженными в различных промышленных секторах.Этот компонент делает больше, чем просто подключает;Он образует основу, которая поддерживает как энергоэффективность, так и повышенное качество сигнала.
В областях, где спокойствие безопасности и достоверности формирует операционный дух, прочный дизайн TCMT4100 оказывает большое влияние.Насущное расстояние между фототранзистором и ИК-излучающим диодом устанавливает щит для избежания неприятных вмешательств сигнала и поддержки целостности данных.Этот подход оказался бесценным в таких отраслях, как автомобильная и аэрокосмическая, но нормами безопасности и эксплуатационных уязвимостей не подлежат обсуждению.
Воспользуемый его широко распространенными приложениями, проект TCMT4100 входит в жизнь, особенно в системах контроля, контролирующих и направляя механические и электрические функции.Наблюдения из фактических развертываний подчеркивают стойкие характеристики компонента в высокотемпературных условиях и его упорство в отношении электромагнитного вторжения.
Хотя цель TCMT4100 остается довольно ясной, ее сложные приложения раскрывают его умение развиваться среди новых технологических потребностей.Его важность обогащается в различных условиях, таких как системы, требующие точности, когда тонкие сдвиги сигнала должны быть точно захвачены и оценены.Эта адаптивность означает более широкий прогресс в отношении универсальных компонентов, созданных для столкновения с сложными проблемами.
Optocoupler TCMT4100 различает себя с смесью изысканных признаков, служащей незаменимым объектом в различных условиях.Заложенные в компактном, низкопрофильный полпоток, он выступает за эффективное использование пространства, обслуживая современные электронные конструкции, стремящиеся повысить возможности в пределах ограниченных измерений.Особый интерес представляет его впечатляющую изоляцию переменного тока, подтвержденная испытательным напряжением 3750 VRM, защита электрической целостности и безопасность в сложных системах.
Производившийся для снижения емкости связи до приблизительно 0,3 пФ, этот Optocoupler превосходит в высокочастотных сценариях, чтобы сохранить чистоту сигнала и уменьшить интерференцию компонентов.Его текущий коэффициент переноса (CTR), охватывающий от 50% до 600%, представляет собой гибкое решение различных требований схемы, предлагая различные преимущества в разных операционных спектрах.
Производительность TCMT4100 особенно устойчива в широком диапазоне температур, поддерживая надежность в колеблющихся тепловых условиях.Его скромный температурный коэффициент для CTR обеспечивает стабильные скорости переноса тока в условиях сдвигов температуры, воплощая надежность, особенно в таких секторах, как автомобильная и промышленная электроника, где часто бывают тепловые изменения.



Optocoupler TCMT4100 попадает во множество промышленных применений, развивая свои функции из обычных пионерских коммуникационных снарядов.Это устройство играет роль в достижении бесшовной передачи данных в средах, где точность и автоматизация глубоко укоренились.Например, на производственных предприятиях он поддерживает целостность и изоляцию сигнала, непосредственно влияя на непрерывность процесса и соблюдение протоколов безопасности.Аналогичным образом, аэрокосмический сектор видит повышенные вознаграждения из -за его принятия, удовлетворяя растущий спрос на системы связи, которые являются надежными и безопасными.Когда точность и достоверность занимают центральное место, эта технология часто становится представленным решением.
В сегодняшнем динамическом ландшафте личных гаджетов TCMT4100 значительно повышает производительность и долговечность устройства, что повышает удовлетворенность потребителей.Такие продукты, как персональные компьютеры и ноутбуки, используют Optocoupler для эффективной обработки электрического шума, что приводит к стабильной работе устройства.Он нежно повышает повседневное взаимодействие, уменьшая вероятность отказов устройства из-за электромагнитных помех.Поскольку плавное цифровое взаимодействие становится более встроенным в современный образ жизни, надежность электронных устройств напрямую влияет на уровни взаимодействия и удовлетворения.
В рамках медицинской электроники TCMT4100 играет важную роль в развитии оборудования, которое требует точной и заслуживающей доверия передачи данных в условиях строгих условий безопасности.Такие устройства, как мониторы пациентов и диагностическое оборудование, получают выгоду от его превосходных возможностей шумоподавления, обеспечивая постоянный и точный поток данных.Это порождает среду, в которой эксперты в области здравоохранения могут зависеть от технологических инструментов без риска компромисса целостности данных пациента или стандартов безопасности.
Добавление TCMT4100 в потребительскую электронику обеспечивает эффективность управления питанием, что минимизирует время простоя устройства.Это поддерживает стремление потребителей к гаджетам, которые уравновешивают высокую производительность с энергосбережением, отражая социальное сдвиг в сторону экологически чистых технологий без течения качества.Поскольку ожидания склонны к интеллектуальным и устойчивым решениям, влияние этой технологии становится более заметным.
|
Тип |
Параметр |
|
Контакт |
Олово |
|
Монтажный тип |
Поверхностное крепление |
|
Количество булавок |
16 |
|
Напряжение разбивки коллекционера-эмиттер |
70В |
|
Количество элементов |
4 |
|
Упаковка |
Вырезать ленту (CT) |
|
Статус частично |
Активный |
|
Код ECCN |
Ear99 |
|
Напряжение - рейтинг DC |
1,25 В. |
|
Напряжение - изоляция |
3750vrms |
|
Вывод типа |
Транзистор |
|
Рассеяние власти |
250 МВт |
|
Вперед |
60 мА |
|
Устанавливать |
Поверхностное крепление |
|
Пакет / корпус |
16 Soic (0,173, ширина 4,40 мм) |
|
Масса |
477.009076mg |
|
Коэффициент передачи тока |
50% @ 5MA |
|
Рабочая температура |
-40 ° C ~ 100 ° C. |
|
Опубликовано |
2009 |
|
Уровень чувствительности влаги (MSL) |
1 (неограниченный) |
|
Дополнительная функция |
Одобрен UL, одобрен VDE |
|
Максимальная диссипация власти |
250 МВт |
|
Выходное напряжение |
70В |
|
Количество каналов |
4 |
|
Тип ввода |
Ток |
|
Максимальное выходное напряжение |
70В |
|
Выходной ток на канал |
50 мА |
|
Время падения (тип) |
4,7 мкс |
|
Макс Коллекторный ток |
50 мА |
|
Обратное напряжение разбивки |
6 В |
|
Входной ток |
50 мА |
|
Включите / выключите время (тип) |
6 мкс, 5 мкс |
|
Обратное напряжение (DC) |
6 В |
|
Высота |
1,9 мм |
|
Ширина |
4,4 мм |
|
Радиационное упрочнение |
Нет |
|
Свободно привести |
Свободно привести |
|
Время подъема |
3 мкс |
|
Напряжение излучателя коллекционера (VCEO) |
70В |
|
Время подъема / падения (тип) |
3 мкс / 4,7 мкс |
|
Максимальный входной ток |
60 мА |
|
Коэффициент передачи тока (макс) |
600% @ 5MA |
|
Vce насыщение (макс) |
300 мВ |
|
Темный ток-макс |
100NA |
|
Длина |
10,4 мм |
|
Достичь SVHC |
Неизвестный |
|
Статус ROHS |
ROHS3 соответствует |
|
Номер части |
Производитель |
Пакет / корпус |
Количество булавок |
Количество каналов |
Напряжение - изоляция |
Коэффициент передачи тока (макс) |
Коэффициент переноса тока (мин) |
Максимальное выходное напряжение |
Выходное напряжение |
|
TCMT4100T0 |
Полупроводник Vishay Semiconductor Division |
16 Soic (0,173, ширина 4,40 мм) |
16 |
4 |
3750vrms |
600% @ 1MA |
- |
35 В. |
35 В. |
|
TCMT4600 |
Полупроводник Vishay Semiconductor Division |
16 Soic (0,173, ширина 4,40 мм) |
16 |
4 |
3750vrms |
300% @ 5MA |
80% @ 5MA |
70 В. |
70 В. |
|
TCMT4106
|
Полупроводник Vishay Semiconductor Division |
16 Soic (0,173, ширина 4,40 мм) |
16 |
4 |
3750vrms |
300% @ 5MA |
100% @ 5MA |
70 В. |
- |
|
TCMD4000 |
Полупроводник Vishay Semiconductor Division |
16 Soic (0,173, ширина 4,40 мм) |
16 |
4 |
3750vrms |
600% @ 5MA |
50% @ 5MA |
70 В. |
- |

Vishay Intertechnology, Inc. работает на переднем крае полупроводникового и пассивного производства электронных компонентов.Их операции охватывают земной шар, создавая их как краеугольный камень в секторе электронных применений Power.Достигание Вишая простирается далеко за пределы региональных границ, с присутствием, которое касается нескольких континентов.Влияние Вишая на отрасль глубоко из -за их приверженности удовлетворению возникающих технологических потребностей.Роль Vishay Intertechnology в электронике в силовых приложениях разнообразно и далеко идущей.Их постоянные инновации и преданность качеству укрепляют их статус лидерства, предоставляя решения, которые соответствуют как техническим спецификациям, так и практическим потребностям.
Цилиндрические держатели батареи.pdf
Цилиндрические держатели батареи.pdf
OMV-795-2014-REV-0 03/MAR/2014.PDF
OMV-795-2014-REV-0 03/MAR/2014.PDF
Пожалуйста, отправьте запрос, мы ответим немедленно.
TCMT4100 является высокопроизводительным выводом фототранзистора, который умело объединяет фототранзистор с инфракрасным диодом арсенида галлия.Сложное выравнивание этих компонентов тщательно создано для обеспечения превосходной безопасности и функциональности в множестве применений.Эта конфигурация решает проблемы с насущными в устройствах, чувствительных к безопасности, особенно в тех случаях, когда электрическая изоляция имеет существенное значение.
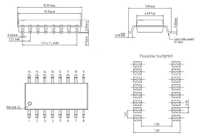
Это устройство оснащено комплексным 16-контактным расположением.Такая настройка обеспечивает дополненные возможности подключения, упрощая процесс для системы при внедрении Optocoupler в сложные схемы.Практичность этих контактов, основанных на конструкции цепи, демонстрирует свою гибкость в взаимодействии с различными платами и системами.Эта адаптивность поддерживает обширный спектр приложений, от электроники до промышленных условий, подчеркивая вдумчивое рассмотрение проектирования PIN -кода в инженерных усилиях.
Да, TCMT4100 постоянно работает в рамках температуры от -40 ° C до 100 ° C.Этот обширный температурный диапазон гарантирует, что компонент сохраняет свою эффективность производительности в экстремальных условиях окружающей среды.Такие сектора, как автомобильная и аэрокосмическая промышленность, которые требуют устойчивости оборудования, часто фокусируются на компонентах с такими атрибутами из -за частого воздействия колеблющихся температур.Эта оперативная особенность подчеркивает преимущество выбора компонентов, способных поддерживать надежность в различных условиях, повышая долговечность систем.
Физические размеры TCMT4100 определены как длина: 10,4 мм, ширина: 4,4 мм, высота: 9 мм.Эти подробные измерения упрощают его интеграцию в компактные схемы, аспект, когда ограничения пространства являются основным фактором.Многие регулярно сталкиваются с препятствиями в подходящих компонентах на плотно занятых досках, что делает понимание и применение точных спецификаций размерных в рамках конструктивных ограничений для достижения желаемых результатов.
TCMT4100 производится Vishay Intertechnology, выдающейся организацией в секторе американского производства электроники.Вишай, известный своими надежными и передовыми компонентами, межтехнология Vishay влияет на развитие электронных систем.Обширный портфель компании и обширное производство подчеркивают ценность выбора авторитетных производителей при закупке компонентов для применений с высоким спросом.
на 2024/11/4
на 2024/11/4
на 8000/04/18 147760
на 2000/04/18 111961
на 1600/04/18 111351
на 0400/04/18 83729
на 1970/01/1 79513
на 1970/01/1 66930
на 1970/01/1 63078
на 1970/01/1 63019
на 1970/01/1 54088
на 1970/01/1 52160