
А TIP142 Transistor построен из передовых технологий и оснащен уникальным дизайном, который улучшает его производительность.Он использует так называемую структуру «базового острова» и конфигурацию Дарлингтона, которая работает вместе, чтобы обеспечить сильное усиление и поддерживать низкую потерю мощности.Благодаря своему расширенному дизайну TIP142 стабилен и надежным, что делает его отличным выбором для задач, которые нуждаются в постоянной производительности в разных средах.Плата «Остров Базового острова» помогает создать более плавный электрический поток, сокращая помехи и энергетические отходы.Со временем этот дизайн доказал, что продлевает продолжительность жизни и эффективность компонента в различных применениях.Конфигурация Дарлингтона объединяет два транзистора в одном пакете, что позволяет повысить выходные данные и повышение эффективности.Эта настройка упрощает конструкцию схемы, уменьшая количество деталей, что часто приводит к меньшему количеству сбоев и экономит пространство в дизайне.Благодаря его высоким способностям усиления TIP142 может повысить ток с очень небольшим вводом, что делает его полезным для тех, кто хочет эффективных схем.Низкое напряжение насыщения TIP142 помогает ему уменьшить потерю мощности, что важно для энергоэффективных применений.Это хорошо согласуется с растущим акцентом на устойчивость, поскольку эффективное использование мощности в настоящее время является ключевой целью в разработке технологий.




• Напряжение: Может обрабатывать до 100 В между коллекционером и эмиттером и 5 В между эмиттером и базой.Это делает его надежным для высоковольтных приложений.
• Текущий: Поддерживает до 10А, что полезно для цепей высокого тока, таких как усилители мощности и управление двигателем.
• Рассеяние власти: Может рассеять мощность 125 Вт, поэтому ему нужно правильное охлаждение (например, радиатор), чтобы избежать перегрева.
• Температурная диапазон: Работает при температуре от -65 ° C до +150 ° C, поэтому он подходит для суровых сред.
• Дизайн и усиление: Поставляется в пакете TO-247 для легкого монтажа и имеет высокий прирост тока (1000), что эффективно усиливает сигналы.
При обработке сигнала системы часто требуют компонентов, которые, как и при управлении колебаниями, напряжениями и токами.TIP142 превосходит здесь, играя роль в усилителях и устройствах модуляции сигналов, где эффективная обработка является искусством для производительности.
Системы управления питанием - это области, где TIP142 сияет в ее эффективности при преобразовании и регулировании электроэнергии.Этот транзистор не просто обеспечивает стабильную производительность;Он действует как опекун единиц питания.Системы крафта, которые требуют устойчивых потоков мощности в разнообразных и постоянно меняющихся условиях.
Смартфоны, планшеты и другие портативные гаджеты получают вознаграждения возможностей для управления энергопотреблением TIP142.Этот компонент помогает продлить срок службы батареи и повысить долговечность устройств.Другие передают такие достижения, чтобы раздвинуть границы компактной энергетической управления, охватывая как проблемы, так и острые ощущения инноваций, основанных на миниатюризации.
TIP142 занимается потребительской электроникой, от телевизоров до домашних приборов.Его долговечность способствует снижению частоты отказов компонентов, внедряя гармонию производительности и экономической эффективности.
Когда дело доходит до промышленного механизма, устойчивость является ключевой, так как эти компоненты сталкиваются с сложными условиями и требовательными циклами.TIP142-это выбор для цепей управления двигателем и регулирования питания.Это дает представление о повышении эффективности машин и минимизации простоя, переживших промышленные требования.
• 2SD1197
• 2SD2390
• 2SD2390-O
• 2SD2390-P
• 2SD2390-y
• BDV65B
• BDV65BG
• BDV67B
• BDV67C
• Bdv67d
• TIP142G

Создание простой тестовой схемы для переключения нагрузки с помощью транзистора TIP142 NPN - это хороший способ начать проверить, как будет работать цепь.Чтобы собрать эту настройку теста, вам понадобится транзистор TIP142, резистор, который соответствует ожидаемым уровням тока и мощности, источника питания и инструментами, такими как осциллограф и мультиметр.Начните с тщательного следования схемы, чтобы собрать все.Затем постепенно увеличивайте нагрузку, чтобы увидеть, как реагирует транзистор, моделируя условия.Этот подход помогает вам найти пределы схемы и выяснить любые проблемы, которые могут привести к тому, что она пройдет.После тестирования просмотрите результаты, сосредоточившись на таких вещах, как усиление тока, напряжение насыщения и тепло.Это поможет вам увидеть шаблоны, которые могут повлиять на то, как вы проектируете схему.

Усилитель мощности обеспечивает сильную производительность, обеспечивая 100 Вт непрерывной мощности при 8 Ом и 150 Вт при 4 Ом.Он может управлять 12-дюймовыми динамиками, подходящими для звуков среднего уровня, среднего баса и сабвуфера.Усилитель использует транзисторы TIP142 и TIP147 в специальной установке NPN/PNP Darlington для повышения мощности.В разделе буфера и драйверов он использует PNP -транзистор BC556AP и транзистор TIP41 NPN.Для достижения наилучших результатов предлагается соединить транзистор TIP41 с радиатором и тепловым переключателем.
|
Тип |
Параметр |
|
Время выполнения завода |
8 недель |
|
Монтажный тип |
Через дыру |
|
Количество булавок |
3 |
|
Материал транзистора |
Кремний |
|
Количество элементов |
1 |
|
Рабочая температура |
150 ° C TJ |
|
Код JESD-609 |
E3 |
|
Уровень чувствительности влаги (MSL) |
1 (неограниченный) |
|
Завершение |
Через дыру |
|
Терминальная отделка |
Олово (SN) |
|
Максимальная диссипация власти |
125 Вт |
|
Базовый номер детали |
TIP142 |
|
Полярность |
Npn |
|
Рассеяние власти |
125 Вт |
|
Тип транзистора |
NPN - Дарлингтон |
|
Устанавливать |
Через дыру |
|
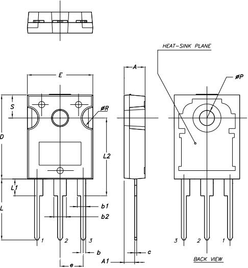
Пакет / корпус |
До 247-3 |
|
Масса |
6.500007G |
|
Напряжение разбивки коллекционера-эмиттер |
100 В |
|
Hfe Min |
500 |
|
Упаковка |
Трубка |
|
Статус частично |
Активный |
|
Количество терминаций |
3 |
|
Код ECCN |
Ear99 |
|
Напряжение - рейтинг DC |
100 В |
|
Текущий рейтинг |
10а |
|
Подсчет штифтов |
3 |
|
Конфигурация элемента |
Одинокий |
|
Приложение транзистора |
Переключение |
|
Напряжение излучателя коллекционера (VCEO) |
100 В |
|
Макс Коллекторный ток |
10а |
|
Ток - срез коллекционера (макс) |
2MA |
|
Базовое напряжение коллекционера (VCBO) |
100 В |
|
VCESAT-MAX |
3 В |
|
Длина |
15,75 мм |
|
Достичь SVHC |
Нет SVHC |
|
Статус ROHS |
ROHS3 соответствует |
|
DC ток усиление (HFE) (min) @ IC, VCE |
1000 @ 5a 4v |
|
Vce saturation (max) @ ib, ic |
3v @ 40ma, 10a |
|
Напряжение базового излучения (Vebo) |
5 В |
|
Высота |
20,15 мм |
|
Ширина |
5,15 мм |
|
Радиационное упрочнение |
Нет |
|
Свободно привести |
Свободно привести |

STMICROELECTRONICS является ведущей фигурой в полупроводниковой сфере, известной разработкой передовых решений для микроэлектроники.Используя передовые технологии наряду с существенными производственными возможностями, компания предлагает широкий спектр новаторских продуктов.Его стремление к технологическому улучшению и превосходной инженерии продвигает развитие полупроводников, глубоко встроенных в современную электронику.Отведение этой компании очевидно в разработке сложных полупроводниковых решений для многочисленных электронных видов использования.Благодаря значительным инвестициям в исследования и разработки, STMicroelectronics последовательно расширяет границы микроэлектроники, предоставляя клиентам возможность оптимизировать эффективность, скорость и производительность в различных секторах.Элегантная смесь передовых материалов и методологий проявляется в повседневных гаджетах, тонко, но повышая удовлетворение.Производственность STMicroelectronics производства связана с мировой сетью средств, оснащенных современными технологиями производства.Эта настройка обеспечивает масштабируемость, адаптивность и стойкость, обеспечивая однородность и высокие стандарты между продуктами.
Уведомление о материалах Mult Dev Adv 8/Apr/2019.pdf
Пожалуйста, отправьте запрос, мы ответим немедленно.
TIP142 выделяется как высокопроизводительный транзистор NPN Power Darlington, интегрируя передовые технологии для усиления усиления тока при уменьшении напряжения насыщения.Такие транзисторы блаженно вписываются в сценарии, где желательна эффективность и искусственное управление энергетикой.Они обычно встроены в проектирование аудио -усилителей, регуляторов питания и контроллеров двигателя.Принятие TIP142 может заметно сократить потери энергии, напоминающие практики в секторах, которые стремятся оптимизировать использование энергии.В ходе своего применения деликатный баланс между производительностью и экономической эффективностью элегантно создается с помощью подробного инженерного понимания.
TIP147 действует как аналог PNP к TIP142, идеально дополняя его для расположения усилителя, которые повышают выходную мощность и эффективность.Кроме того, TIP142G, который является версией без свинца, адаптирован для настройки, которые требуют приверженности строгим правилам, касающимся опасных материалов.Эта альтернатива привлекает внимание экологически чистых отраслей, подчеркивая устойчивость и экологическую ответственность.При выборе компонентов, таких как TIP142G, необходимо ориентироваться в сложности как нормативных требований, так и в нюансированных деталях материальной науки.
на 2024/11/14
на 2024/11/14
на 8000/04/18 147757
на 2000/04/18 111931
на 1600/04/18 111349
на 0400/04/18 83719
на 1970/01/1 79508
на 1970/01/1 66892
на 1970/01/1 63010
на 1970/01/1 62985
на 1970/01/1 54081
на 1970/01/1 52111