



В качестве выдающегося члена MegaAVR® 0-й серии, ATMEGA4809 выделяется, включив процессор AVR® с аппаратным множителем, который может работать на частотах до 20 МГц.Этот микроконтроллер доступен в различных конфигурациях, включающих вспышку до 48 КБ, 6 КБ SRAM и 256 байт EEPROM в пакетах от 28 до 48 пинтов.Его дизайн сосредоточен на гибкой архитектуре с низким энергопотреблением, которая интегрирует сложные функции, такие как система событий, лунатинг, точные аналоговые функции и современные периферийные устройства, отражающие последние инновации Microchip.
• AVR процессор и множитель аппаратного обеспечения: Оснащенный процессором AVR®, дополненным аппаратным множителем, ATMEGA4809 обеспечивает заметную вычислительную эффективность и производительность.Работая со скоростью до 20 МГц, этот дуэт повышает скорость выполнения для сложных математических операций.Такие возможности делают микроконтроллер хорошо подходящим для приложений, требующих высокой точности и быстрой обработки.Дизайн привлекает тех, кто стремится найти баланс между энергопотреблением и производительностью, предлагая гармоничное соответствие для различных технических потребностей.
•Конфигурации памяти: Благодаря гибкой параметрах памяти ATMEGA4809 предоставляет конфигурации до 48 КБ флэш -памяти, 6 КБ SRAM и 256 байтов EEPROM.Эта адаптивность удовлетворяет широкому диапазону потребностей применения, от простых задач, требующих минимальной памяти до более сложных приложений, требующих существенного хранилища.Сценарии реального мира показывают, что сбалансированная настройка памяти может значительно повысить производительность и отзывчивость системы.
• Система событий: Система событий ATMEGA4809 обеспечивает прямую периферическую до периферийную связь, устраняя необходимость вмешательства процессора.Эта функция снижает энергопотребление и повышает эффективность, позволяя выполнять задачи с минимальными пробуждениями процессора.Сокращая нагрузку на ЦП, он продлевает срок службы батареи в переносных устройствах и повышает общую эффективность системы.Эта философия дизайна подчеркивает смесь производительности и энергосбережения, резонируя с приложениями, которые определяют приоритеты в области низкого энергопотребления.
• Технология лунатизма: Технология лунатизма позволяет периферийным устройствам работать независимо, в то время как процессор остается в режиме спящего спящего режима.Эта возможность обеспечивает выполнение основных задач с минимальным рисованием мощности, оптимизируя долговечность устройства и эффективность работы.Опыт различных реализаций подчеркивает важность таких методов экономии власти в приложениях, где энергоэффективность является яркой.
ATMEGA4809 может похвастаться точной аналоговой функциональностью, включающими аналого-цифровые преобразователи (ADC), цифровые в аналоговые преобразователи (DAC) и компараторы.Эти аналоговые периферийные устройства обеспечивают точную обработку аналогового сигнала, используемая в приложениях, включающих получение данных датчиков, обработку аудиосигналов и другие сценарии, где требуются точные аналоговые измерения.Практическое использование часто демонстрирует, что поддержание высокой аналоговой точности является основным для достижения надежной и последовательной производительности системы.
Атмга4809, наделенная расширенными периферийными устройствами, поддерживает широкий спектр приложений.Эти периферийные устройства расширяют возможности микроконтроллера с интерфейсами для протоколов связи, таймеров и модуляции импульсной ширины (ШИМ).Такой комплексный периферийный набор позволяет ATMEGA4809 адаптироваться к разнообразным и сложным проектам, способствуя инновационным решениям благодаря его гибкости и расширению.
Вот таблица технических спецификаций для технологии Microchip ATMEGA4809-AFRАнкет
|
Тип |
Параметр |
|
Фабрика
Время выполнения |
13
Недели |
|
Монтаж
Тип |
Поверхность
Устанавливать |
|
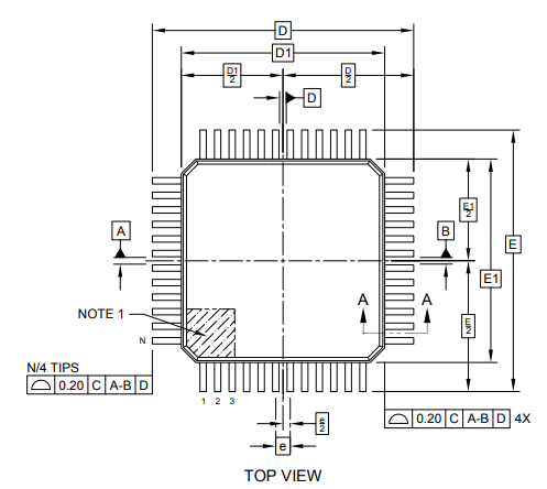
Упаковка
/ Случай |
48-TQFP
Открытая площадка |
|
Поверхность
Устанавливать |
ДА |
|
Данные
Конвертеры |
ОБЪЯВЛЕНИЕ
16x10b |
|
Число
I/OS |
41 |
|
ПЗУ
(слово) |
24 576 |
|
Работа
Температура |
-40 ° C.
до 125 ° C TA |
|
Упаковка |
Лента
И катушка (TR) |
|
Ряд |
Megaavr®
0 |
|
Часть
Статус |
Активный |
|
Влага
Уровень чувствительности (MSL) |
3
(168 часов) |
|
Число
терминаций |
48 |
|
HTS
Код |
8542.31.00.01 |
|
Терминал
Позиция |
Квадратный |
|
Терминал
Форма |
Гулл |
|
Поставлять
Напряжение |
3В |
|
Терминал
Подача |
0,5 мм |
|
База
Номер части |
Atmega4809 |
|
JESD-30
Код |
S-PQFP-G48 |
|
Поставлять
Напряжение-макс (vsup) |
5,5 В. |
|
Поставлять
Напряжение-мимин (vsup) |
1,8 В. |
|
Генератор
Тип |
Внутренний |
|
Скорость |
20 МГц |
|
БАРАН
Размер |
6K x
8 |
|
Напряжение
- Поставка (VCC/VDD) |
1,8 В.
до 5,5 В. |
|
UPS/UCS/PERIFERAL
Тип ICS |
Микроконтроллер,
Рис |
|
Основной
Процессор |
Авр |
|
Периферийные устройства |
Коричневый
Обнаружение/сброс, POR, PWM, WDT |
|
Часы
Частота |
20 МГц |
|
Программа
Тип памяти |
ВСПЫШКА |
|
Основной
Размер |
8-битный |
|
Программа
Размер памяти |
48 КБ
(48 тыс. Х 8) |
|
Подключение |
I2c,
SPI, UART/USART |
|
Кусочек
Размер |
16 |
|
Имеет
Адвокат |
ДА |
|
DMA
Каналы |
НЕТ |
|
Шир
Каналы |
НЕТ |
|
Цем
Каналы |
НЕТ |
|
Eeprom
Размер |
256
x 8 |
|
На Chip
Ширина ПЗУ программы |
16 |
|
Граница
Сканирование |
НЕТ |
|
Формат |
Фиксированная точка |
|
Интегрированный
Кеш |
НЕТ |
|
БАРАН
(слова) |
512 |
|
Число
серийного I/OS |
4 |
|
Число
таймеров |
5 |
|
Число
внешних прерываний |
41 |
|
На Chip
Данные Ширина ОЗУ |
16 |
|
Длина |
7 мм |
|
Высота
Сидя (максимум) |
1,2 мм |
|
Ширина |
7 мм |
|
Rohs
Статус |
Rohs3
Соответствие |

ATMEGA4809 может похвастаться высокопроизводительным аппаратным множителем, который значительно ускоряет арифметические операции.Это в основном выгодно для применений, связанных с интенсивной математической обработкой, тем самым повышая эффективность вычислительной техники.Примеры включают криптографию, обработку сигналов и фактический анализ данных, где аппаратный множитель может значительно сократить время обработки, оптимизировать производительность системы.
Микроконтроллер поддерживает три режима сна.
• Режим холостого хода: сохраняет активность процессора, одновременно снижая мощность до периферийных устройств, идеально подходит для сценариев, которые требуют быстрого отклика.
• Режим ожидания: сохраняет больше энергии, останавливая процессор и поддерживая полезные операционные состояния, подходящие для применений с периодической активностью.
• Режим питания: предлагает максимальную экономию питания, останавливая все действия, подходящие для устройств с батарейным питанием с спорадическим использованием.
Примечательным атрибутом является система событий, позволяющая периферийным устройствам напрямую взаимодействовать без участия ЦП.Это снижает задержку и поддерживает общую реакцию системы за счет перегрузки периферической координации.Такой механизм неоценим в фактических системах управления, где время и точность активны.Архитектура системы событий, аналогичная методам прямого доступа к памяти, сводит к минимуму узкие места процессора, повышение эффективности.
Интегрированный таймер сторожевого пса поддерживает надежность системы, мониторинг и восстановление после эксплуатационных икот.WDT действует как механизм сбоя, сбрасывая микроконтроллер при обнаружении нереактивности, тем самым предотвращающую систему сбои.Этот уровень надежности в основном используется в системах промышленного управления и потребительской электронике, обеспечивая повышенную безопасность и стабильность.
Для безопасного запуска и надежной работы ATMEGA4809 включает в себя.
• Сброс включения (POR): инициирует микроконтроллер при восстановлении мощности, обеспечивая постоянное состояние запуска.
• Обнаружение коричневого цвета (BOD): защищает от колебаний напряжения, которые могут поставить под угрозу стабильность устройства, автоматически сбрасывая систему, когда напряжение падает ниже установленного порога.
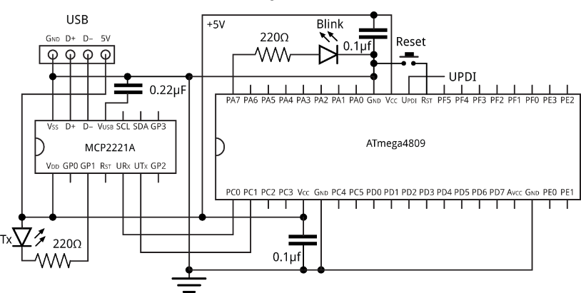
Однополосный интерфейс Unified Program Debug (UPDI) значительно облегчает процессы разработки и отладки.Этот интерфейс уменьшает физические и процедурные сложности, обычно связанные с программированием микроконтроллера и отладкой, повышая производительность разработчиков.Простота Uddi в основном полезна в итеративных циклах разработки, где быстрое тестирование и отладка являются основными для своевременного завершения проекта.
По сути, атрибуты ATMEGA4809 предоставляют универсальную и эффективную платформу, подходящую для широкого спектра применений, включая потребительскую электронику и промышленную автоматизацию.Интеграции расширенного управления питанием, быстрых вычислительных возможностей и надежных функций надежности, он обеспечивает грозную основу для разработки высокопроизводительных, надежных систем.

Оба Atmega4809 и ATMEGA328 доставить сопоставимые уровни производительности.ATMEGA328, обычно встречающийся в досках Arduino, выделяется в эффективности энергетики.Этот микроконтроллер интегрирует технологию PicoPower Atmel, обеспечивая более низкое энергопотребление, не жертвуя производительностью.
Изучая архитектуры более внимательно, ATMEGA4809 обеспечивает определенные улучшения по сравнению с ATMEGA328.ATMEGA4809 предлагает гибкую систему периферийной конфигурации.Эта гибкость обеспечивает лучшую общую производительность системы.Система более адаптируется, особенно в приложениях, включающих несколько датчиков или периферийных устройств.
С точки зрения программирования и разработки, обратная совместимость ATMEGA4809 с ATMEGA328 выгодна.Эта совместимость упрощает процесс миграции существующих проектов, первоначально разработанных для Atmega328.Расширенные инструменты отладки, поддерживаемые ATMEGA4809, могут быть очень полезными в сложных проектах, что позволяет получить раннюю идентификацию и разрешение выпуска.
Различия в потреблении мощности становятся в основном очевидными в реальных приложениях.Для устройств с батарейным питанием возможности PicoPower ATMEGA328 могут продлить рабочие периоды между платами.Усовершенствованные функции экономения ATMEGA4809 могут дальше оптимизировать использование энергии, особенно полезное в приложениях сверхнизкой силовой силы.
Принимая во внимание будущее, многие расширенные функциональные возможности ATMEGA4809 делают его более универсальным вариантом.Его более широкая поддержка периферийных устройств и улучшенного управления памятью активна для сложных, развивающихся приложений.Эти функции обеспечивают надежную основу для будущих инноваций и расширений, что делает его идеальным для планирования обновлений.


Microchip Technology Inc., базирующаяся в Чендлере, штат Аризона, превосходит широкий спектр микроконтроллеров и аналоговых полупроводников.Эта компания славится снижением рисков развития, сокращении затрат на систем и ускорении времени на рынок.Благодаря своей высококачественной поддержке и надежной продукции Microchip прочно установил свое лидерство в отрасли.
ATMEGA4809 выделяется среди предложений Microchip из -за его расширенных возможностей и адаптируемой архитектуры, что делает его подходящим для различных приложений, требующих надежных и эффективных решений.Этот микроконтроллер поддерживает широкий спектр функциональных возможностей, что делает его легкой интеграцией в различные системы.
ATMEGA4809-это сложный микроконтроллер, который использует 8-битный процессор AVR®.Это усовершенствованное оборудование поставляется с интегрированным множителем и работает со скоростью до 20 МГц.Он предлагает значительное 48 КБ флэш-памяти, 6 КБ SRAM и включает в себя 256 байт EEPROM, все аккуратно размещенные в 48-контактном пакете.С его надежным дизайном он обслуживает различные сложные приложения и команды.
8-битный микроконтроллер Microchip Technology Atmega4809 планируется оптимизировать высококремсивые приложения команд и управления.Это значительно улучшает функциональность фактических систем управления.Его универсальная природа позволяет использовать его в комплексных архитектурах на основе микропроцессоров или в качестве независимых процессоров в рамках командования и контроля.Использование этого микроконтроллера может повысить производительность разнообразных проектов.
ATMEGA4809 рассматривает растущие требования к скорости и эффективности в реальных системах.Аппаратный множитель и высокая рабочая частота (до 20 МГц) обеспечивают быструю обработку и быстрое время отклика.Эти преимущества приложения, требующие немедленной обратной связи и точного контроля, таких как системы робототехники и автоматизации.Включив ATMEGA4809, вы можете удовлетворить требовательные потребности фактических приложений.
Действительно, ATMEGA4809 оснащен многочисленными периферийными особенностями, которые дополняют его удобство использования.К ним относятся несколько интерфейсов связи, таких как UART, SPI и I2C, которые облегчают интеграцию с другими цифровыми устройствами.Кроме того, он может похвастаться надежными аналоговыми функциями, включая ADC и ЦАП, что делает его очень подходящим для взаимодействия датчиков и обработки аналоговых сигналов.Эти функции объединяются, чтобы сделать ATMEGA4809 универсальным инструментом для широкого спектра цифровых и аналоговых задач.
По сравнению с другими микроконтроллерами в своем классе ATMEGA4809 выделяется благодаря своей сбалансированной комбинации емкости памяти, скорости обработки и периферических интеграций.Его 8-битная архитектура, дополненная эффективными функциями управления питанием, делает ее оптимальным выбором для приложений, где энергопотребление является серьезным фактором.Этот баланс гарантирует, что он обеспечивает надежную производительность без ущерба для эффективности.
ATMEGA4809 служит отличной платформой для образовательных целей.Его простая архитектура и всеобъемлющая документация делают его подходящим для обучения и экспериментов.Взаимодействуя с этим микроконтроллером, вы можете получить ценную информацию о разработке, командовании и логике управления встроенными системами, а также на фактической конструкции системы.ATMEGA4809 создает практическую среду для вас, чтобы исследовать и вводить новшества.
Пожалуйста, отправьте запрос, мы ответим немедленно.
на 2024/10/11
на 2024/10/11
на 8000/04/18 147748
на 2000/04/18 111864
на 1600/04/18 111347
на 0400/04/18 83699
на 1970/01/1 79466
на 1970/01/1 66845
на 1970/01/1 62994
на 1970/01/1 62901
на 1970/01/1 54064
на 1970/01/1 52067