
А BC107 является популярным биполярным переходным транзистором NPN, используемым во многих схемах для переключения и усиления.Он поставляется в металлическом корпусе до 18 и имеет три основных терминала: эмиттер, основание и коллекционер.Когда вы применяете небольшой ток к основанию, он управляет большим током, протекающим между эмиттером и коллекционером, что облегчает управление потоком тока в электронных цепях.
Имиттер предназначен для впрыскивания электронов в основание, в то время как само основание тонкое и слегка легированное, что позволяет вам с точностью управлять потоком электронов.Регулировка базового напряжения позволяет влиять на общее поведение транзистора, что делает его хорошим выбором для проектов, которые требуют точного контроля тока.
Коллекционер, который работает при более высоком напряжении, чем основание, захватывает электроны, движущиеся через транзистор.Эта настройка помогает поддерживать качество сигнала, особенно в задачах усиления.Конструкция BC107, которая использует взаимодействие между соединениями из эмиттер-базы и базовыми корпольторами, поддерживает эффективное переключение и четкое усиление сигнала.
Другой особенностью BC107 является его сильная термостабильность, которая обеспечивает постоянную производительность даже при изменении температуры.Это делает его надежным в разных средах и помогает поддерживать общую стабильность вашей схемы.

База транзистора BC107 играет ключевую роль в управлении его поведением и определением его на или вне его состояний.Он действует как привратник, решая, когда будет провести транзистор.Когда вы применяете правильное количество тока к базе, транзистор начинает работать в соответствии с предполагаемой функцией.
При практическом использовании необходимо точно установить базовый ток, чтобы транзистор хорошо работал в своих пределах.Вы можете использовать резисторы или смешивающие сети, чтобы настроить базовый ток и тонкую настройку того, как транзистор реагирует на сигналы.
Имиттер транзистора BC107 - это то, что текущие выходы.Он часто подключается к заземлению в типичных настройках схемы, таких как конфигурации общего эмиттера.Эмиттер играет важную роль в достижении усиления напряжения в этих цепях.
То, как вы подключаетесь и заземляете, излучение может значительно повлиять на стабильность и производительность цепи.Поэтому стоит обратить внимание на эти детали на этапе проектирования.
Коллекционер BC107 - это то, где ток входит в транзистор.Обычно он подключается к нагрузке в цепи, работая вместе с базой и излучателем, чтобы усилить или переключать электронные сигналы.
Чтобы надежно поддерживать функционирование транзистора, вам необходимо рассмотреть возможность напряжения коллекционера, обработки тока и возможности рассеяния мощности.Правильное тепловое управление, такое как использование радиаторов, может помочь поддерживать стабильную производительность и предотвратить перегрев в различных условиях.


BC107 классифицируется как небольшой транзистор NPN-сигнала, который позволяет ему усиливать или переключать сигналы низкого уровня в электронных цепях.Этот тип транзистора идеально подходит для таких приложений, как аудио амплификация, обработка сигналов и задачи переключения в цифровых целях.
BC107 предлагает максимальное усиление тока (HFE) 450, что позволяет ему усилить небольшой базовый ток в гораздо больший ток коллектора.Эта характеристика полезна для схем, где важно поддерживать целостность и силу сигналов.
BC107 может обрабатывать непрерывный ток коллектора (IC) до 100 мА, что делает его надежным выбором для цепей, которые имеют умеренные потребности тока.Это делает его подходящим для хобби -проектов, прототипов и для питания компонентов, таких как светодиоды или небольшие двигатели.
BC107 имеет четко определенные рейтинги напряжения, которые устанавливают его эксплуатационные пределы: напряжение коллекционера-эмиттер (VCEO) 45 В, напряжение коллекторной базы (VCB0) 50 В и напряжение базовой базы излучателя (VBE0) 6V.Эти оценки обеспечивают твердую структуру для проектирования цепей, которые являются стабильными и могут обрабатывать различные электрические условия.
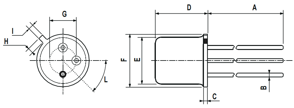
BC107 заключен в металлическом металле до 18, предлагая сильную физическую защиту и усиление термического рассеяния.Этот тип упаковки предпочитается в средах, где долговечность и управление теплом являются приоритетами, например, в промышленной электронике или аэрокосмическом приложениях.
| Тип | Параметр |
| Контакт | Олово |
| Устанавливать | Через дыру |
| Монтажный тип | Через дыру |
| Пакет / корпус | До 206aa, до 18-3 металла банка |
| Количество булавок | 3 |
| Материал транзистора | Кремний |
| Напряжение разбивки коллекционера-эмиттер | 45 В. |
| Количество элементов | 1 |
| Hfe Min | 200 |
| Рабочая температура | 175 ° C TJ |
| Упаковка | Трубка |
| Код JESD-609 | E3 |
| Статус частично | Устаревший |
| Уровень чувствительности влаги (MSL) | 1 (неограниченный) |
| Количество терминаций | 3 |
| Завершение | Через дыру |
| Код ECCN | Ear99 |
| Напряжение - рейтинг DC | 45 В. |
| Максимальная диссипация власти | 300 МВт |
| Терминальная позиция | НИЖНИЙ |
| Пиковая температура отрабатывания (Цельсия) | НЕ УКАЗАН |
| Текущий рейтинг | 100 мА |
| Время @ | НЕ УКАЗАН |
| Базовый номер детали | BC107 |
| Подсчет штифтов | 3 |
| Квалификационный статус | Не квалифицирован |
| Конфигурация элемента | Одинокий |
| Рассеяние власти | 300 МВт |
| Приложение транзистора | Усилитель |
| Полярность / тип канала | Npn |
| Тип транзистора | Npn |
| Напряжение излучателя коллекционера (VCEO) | 45 В. |
| Макс Коллекторный ток | 100 мА |
| DC ток усиление (HFE) (min) @ IC, VCE | 110 @ 2MA 5V |
| Ток - срез коллекционера (макс) | 15NA ICBO |
| Vce saturation (max) @ ib, ic | 600 мВ @ 5ma, 100 мА |
| Частота перехода | 150 МГц |
| Базовое напряжение коллекционера (VCBO) | 50 В |
| Напряжение базового излучения (Vebo) | 6 В |
| Высота | 5,3 мм |
| Длина | 5,8 мм |
| Ширина | 5,8 мм |
| Достичь SVHC | Нет SVHC |
| Статус ROHS | ROHS3 соответствует |
| Номер части | Описание | Производитель |
| Jantxv2n5581transistors | Небольшой сигнальный биполярный транзистор, 0,8A I (C), 50 В V (BR) генеральный директор, 1-элемент, NPN, кремний, TO-46, герметичный герметичный, металлический Can-3 | Полупроводники |
| 2N706 Трансляр | Небольшой сигнальный биполярный транзистор, 0,05A I (C), 15 В V (BR) генеральный директор, 1-элементный, NPN, кремний, до 18, до 18, 3 контакта | Microsemi Corporation |
| 2n2369ztransistors | 15V, NPN, SI, Small Signal Transistor, TO-18 | Stmicroelectronics |
| BCW65ALT1TRANSISTORS | Биполярный транзистор с небольшим сигналом, 0,8A I (C), 32 В V (BR) генеральный директор, 1-элементный, NPN, кремний, до 236AB | Motorola полупроводниковые продукты |
| MPSL51TRETRANSISTORS | Биполярный транзистор с небольшим сигналом, генеральный директор 100 В (BR), 1-элементный, PNP, кремний, до-92 | Central Semiconductor Corp |
| MPSL51/D27ZTransistors | 600 мА, PNP, SI, небольшой сигнальный транзистор, TO-92 | Техасские инструменты |
| BCW65ATRTRANSISTORS | Биполярный транзистор с небольшим сигналом, генеральный директор 32V V (BR), 1-элемент, NPN, кремний | Central Semiconductor Corp |
| MPSL51/D75ZTransistors | 600 мА, PNP, SI, небольшой сигнальный транзистор, TO-92 | Техасские инструменты |
| BCW65ATR13LeadFreeTransistors | Биполярный транзистор с небольшим сигналом, генеральный директор 32V V (BR), 1-элемент, NPN, кремний | Central Semiconductor Corp |
| MPSL51TRELEADFREETRANSISTORS | Биполярный транзистор с небольшим сигналом, генеральный директор 100 В (BR), 1-элементный, PNP, кремний, до-92 | Central Semiconductor Corp |
Транзистор BC107 хорошо подходит для приложений с низким сигналом, что делает его популярным выбором в системах конфиденциальных систем обработки сигналов и телевизионных приемниках.Его характеристики с низким шумом помогают поддерживать ясность сигнала, что делает его идеальным для средств, где необходим выходной сигнал.Даже при наличии многих новых транзисторов BC107 оставался в использовании благодаря своей последовательной и надежной производительности за эти годы.
При обработке сигналов низкий уровень шума BC107 сохраняет целостность и качество сигналов, что делает ее эффективным в цепях, где необходимо минимальное искажение.Его использование в телевизионных приемниках демонстрирует его способность поддерживать стабильные сигналы и предотвращать потерю сигнала, обеспечивая плавную и непрерывную производительность.
BC107 также хорошо работает в аналоговых схемах, особенно тех, которые требуют точного усиления сигнала низкого уровня.Его конкретные характеристики делают его сильным претендентом в аналоговых приложениях, часто превосходя новые альтернативы, которые могут не соответствовать уникальным требованиям аналоговых технологий как эффективно.
| Символ | Параметр | Ценить | Единица |
| VCBO | Напряжение базы коллекционера (т.е. = 0) | 50 | V. |
| Vceo | Напряжение коллекционера-эмиттера (IB = 0) | 45 | V. |
| Вебо | Напряжение из эмиттера (IC = 0) | 6 | V. |
| IC | Ток коллекционера | 100 | магистр |
| Ptot | Общее рассеяние при танца ≤ 25 ° C / при TC ≤ 25 ° C | 0,3 / 0,75 | W / w |
| TSTG | Температура хранения | -55 до 175 | ° C. |
| TJ. | МаксимумРабочая температура соединения | 175 | ° C. |
Транзистор BC107 широко используется в различных приложениях драйверов, таких как реле и светодиодные драйверы.Во многих электронных системах он играет роль в функциях переключения и управления.При использовании в ретрансляционных драйверах BC107 позволяет привлекать коммутаторов, не требуя высокого ввода мощности.В схемах светодиодных водителей это помогает регулировать ток, чтобы обеспечить стабильное и эффективное освещение.Например, в современных транспортных средствах и потребительской электронике надежные транзисторы, такие как BC107, часто используются для оптимизации яркости и производительности светодиода.
BC107 эффективно работает в схемах усилителей, где он усиливает слабые сигналы для улучшенного качества звука и сигнала.Он обычно встречается в домашних аудиосистемах и приложениях звука, где поддержание звуковой верности и четкой передачи сигнала имеет решающее значение для обеспечения высококачественного слухового опыта.
BC107 часто интегрируется в конфигурации пары Дарлингтона для достижения более высокого тока.Эта настройка очень эффективна для приложений с высокой нагрузкой, что делает ее полезным в системах промышленной автоматизации, которые требуют надежного и эффективного переключения транзистора.
BC107 превосходит в задачах обработки сигналов, таких как фильтрация, модуляция и амплификация.Его возможности особенно полезны в устройствах связи, где это обеспечивает ясность и прочность сигнала, которые необходимы для эффективной передачи и приема.
В схемах управления питанием BC107 играет роль в регуляции напряжения и тока, чтобы устройства работали в безопасных пределах.Это особенно полезно для устройств, управляемых аккумулятором, так как помогает продлить их эксплуатационный срок службы, используя мощность эффективно.Такие устройства, как инструменты и компактная электроника, часто полагаются на такие механизмы регулирования мощности.
Адаптивность BC107 делает его подходящим для использования в портативных гаджетах, которые нуждаются в легких и эффективных компонентах.Из -за своего компактного размера и надежной производительности он часто используется в портативных медицинских устройствах, обеспечивая функциональность и надежность даже в различных условиях мощности.
BC107 широко используется в потребительской электронике, от смартфонов до бытовых приборов.Это способствует стабильной и эффективной работе этих устройств, демонстрируя ее надежность и последовательность в поддержке плавных производительности современных технологий.
В промышленных приложениях BC107 ценится за его надежность и надежность.Промышленные машины и системы управления используют его для различных задач, начиная от базового переключения до сложной модуляции сигнала и усиления.Его способность противостоять требовательным условиям делает его важным компонентом в этих настройках.

Transistor BC107 производится Stmicroelectronics, крупным глобальным игроком в полупроводниковой индустрии.Штаб-квартира в планах-странах вблизи Женевы, Швейцария, компания была сформирована в 1987 году посредством слияния полуконтрактеров Thomson (Франция) и SGS Microelettronica (Италия).Это слияние объединило их опыт, создавая STMicroelectronics в качестве лидера в области полупроводниковых технологий.
Stmicrolectronics обладает сильным глобальным присутствием, а его основные административные центры расположены стратегически по всему миру.Штаб-квартира EMEA (Европа, Ближний Восток и Африка) находится в Женеве, штаб-квартира США находится в Техасе, штаб-квартира APAC (Азиатско-Тихоокеанский регион) находится в Сингапуре, а штаб-квартира Японии и Кореи находятся в Токио.Его штаб -квартира China находится в Шанхае, что еще больше распространяет его на ключевые рынки.Этот глобальный след помогает компании эффективно удовлетворять потребности клиентов в разных регионах.
Будучи лучшим производителем полупроводников по доходам, Stmicroelectronics предоставляет решения, которые обслуживают широкий спектр отраслей, включая автомобильную, промышленную, личную электронику и телекоммуникации.Известно, что их продукты повышают эффективность и производительность, ведут инновации в этих областях.
Успех компании основан на ее сильной приверженности исследованиям и разработкам.С значительными инвестициями в НИОКР, Stmicroelectronics последовательно разрабатывает передовые решения в таких областях, как аналоговая и смешанная технология, цифровая электроника, MEMS (микроэлектромеханические системы) и управление питанием.
Заглядывая в будущее, Stmicroelectronics планирует продолжать лидировать на рынке, адаптируясь к новым технологиям и тенденциям.Их акцент на устойчивое развитие соответствует глобальным экологическим целям, содействуя решениям возобновляемых источников энергии и интеллектуальной мобильности.Этот дальновидный подход позиционирует компанию для решения будущих проблем, сохраняя при этом свое влияние в полупроводниковой промышленности.
«B» означает кремниевый транзистор, а «C» представляет, что он работает в аудиочастотном диапазоне.
BC107 и BC547 являются биполярными транзисторами NPN.BC547 является современной заменой BC107, причем основное отличие - в их упаковке.Они имеют сходные электрические характеристики, в том числе такое же напряжение разбивки, а BC547 имеет немного лучшую частоту отсечения.Диапазоны актуальных усилений почти одинаковы, что делает BC547 вероятным заменой одного к одному на BC107.
«107» - это серийный номер, который помогает идентифицировать конкретные параметры, найденные в таблице данных для транзистора BC107.
Пожалуйста, отправьте запрос, мы ответим немедленно.
на 2024/10/10
на 2024/10/10
на 8000/04/18 147758
на 2000/04/18 111946
на 1600/04/18 111349
на 0400/04/18 83722
на 1970/01/1 79508
на 1970/01/1 66916
на 1970/01/1 63072
на 1970/01/1 63012
на 1970/01/1 54081
на 1970/01/1 52142