
А LM340T5, 3-концевой регулятор положительного напряжения, разработан в виде единой, сплоченной единицы, подчеркивающей надежность и надежность.Они охватывают ограничение внутреннего тока, тепловое отключение и компенсацию в безопасности, обеспечивающие противодействие напряженному эксплуатационным сценариям.Несмотря на то, что он может поставлять более 1,0А тока, эта возможность зависит от опытных стратегий рассеивания тепла.Хотя это в основном предназначено для поддержания фиксированного напряжения, он позволяет модификациям с использованием вспомогательных компонентов для регулировки напряжения и выходов тока.
LM340T5 демонстрирует устойчивость посредством различных встроенных защитных мер.Он защищает цепь от условий перегрузки и активно предотвращает ущерб из -за перегрева.Он поддерживает целостность производительности в рамках назначенных рабочих параметров.Эти интегрированные функции значительно оптимизируют процессы проектирования, сводя к минимуму потенциальные сбои и время простоя, оказавшись бесценными в требовательных отраслевых сценариях.
В рамках эксплуатационных приложений LM340T5 обслуживает разнообразный диапазон электронных цепей, характеризующихся несколькими факторами.Способность цепи поддерживать стабильное напряжение является основным аспектом ее полезности на различных устройствах.Достижение оптимальной производительности в значительной степени зависит от эффективного управления теплом с помощью таких методов, как радиаторы и системы охлаждения, используемые для максимизации эффективности регулятора во время активных операций.Несмотря на свою неотъемлемая конструкция для фиксированных выходов, LM340T5 предлагает универсальность посредством настройки путем интеграции компонентов, таких как переменные резисторы, вы можете адаптировать напряжение и выходы тока к конкретным потребностям.
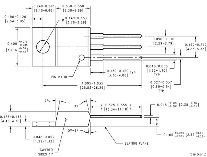
Регулятор напряжения LM340T5, заключенный в широко используемый пакет-220, отмечен своими исключительными тепловыми атрибутами и простотой установки.Эти характеристики делают его предпочтительным выбором в ситуациях регулирования власти.Конструкция пакета способствует эффективному рассеянию тепла, ценной функции во многих приложениях.
|
Штифт № |
Название вывода |
Функция |
|
1 |
Вход |
Получает нерегулируемое входное напряжение, которое может диапазон
от 7 В до 35 В.Этот штифт обычно подключен к источнику питания. |
|
2 |
Земля |
Служит общей контрольной точкой для ввода и
Выходные напряжения.Это должно быть подключено к земле системы. |
|
3 |
Выход |
Обеспечивает регулируемое выходное напряжение 5 В.Это связано
к нагрузке, требующей стабильного питания напряжения. |
Особенности LM340T5
|
Особенность |
Описание |
|
Внутренняя защита от тепловой перегрузки |
Предотвращает перегрев, выключив регулятор. |
|
Ограничение тока короткого замыкания |
Защищает регулятор и подключенные устройства от повреждения
из -за условий перегрузки. |
|
ВЫХОДА |
Обеспечивает надежную работу при всех условиях. |
|
Высокая способность рассеивания мощности |
Эффективно обрабатывает высокие уровни мощности. |
|
Фиксированное выходное напряжение |
Обеспечивает стабильный выход 5 В с минимальным внешним
компоненты. |
Спецификации LM340T5
|
Спецификация |
Подробности |
|
Точность выходного напряжения |
± 2% при TJ = 25 ° C, ± 4% по различным температурам |
|
Линейное регулирование |
0,01% vout на вольт ∆VIN при нагрузке 1А |
|
Регулирование нагрузки
|
0,3% vout на ампер |
|
Защита от термической перегрузки |
Встроенный |
|
Ограничение тока короткого замыкания |
Интегрированный |
|
Безопасная защита площади для выходного транзистора |
Включен |
|
P+ Тестирование улучшения продукта |
Завершенный |
Регулятор напряжения LM340T5 предлагает стабильный выход 5 В и широко используется в различных электронных цепях.Несмотря на свою достоверность, бывают случаи, когда LM340T5 может быть недоступным, что вызвало потребность в подходящей замене.В таких сценариях несколько аналогичных компонентов предлагают сопоставимую функциональность.
• 7805
• L7805CV
• LM7805
Регулятор напряжения LM340T5 играет важную роль в активизационных устройствах, таких как микроконтроллеры и датчики, обеспечивая стабильный вывод +5V.Точный контроль над уровнями напряжения поддерживает бесшовное функционирование цифровых гаджетов, где точность питания часто связана с оптимальной производительностью.Это тщательное регулирование напряжения помогает эволюции компактной электроники, распространенной как в потребительской технологии, так и в автомобильной технике, создавая ландшафт, где надежный поток энергии всегда используется.
Выдающаяся функция LM340T5 заключается в ее регулируемых возможностях выходных данных, предоставляя ему гибкость, чтобы выйти за рамки простого регулирования напряжения.Эта адаптивность означает, что регулятор может быть точно настроен для выполнения множества электрических ролей, приспосабливая оборудование с различными потребностями напряжения без усилий.Он может умело обрабатывать операции электроснабжения в различных областях, таких как телекоммуникации и промышленное оборудование, тем самым способствуя как эффективности, так и адаптивности.
Регулятор линейного напряжения LM340T5 играет важную роль в поддержании стабильных уровней напряжения и эффективном ускорении более высоких напряжений.Он функционирует до 1А с током с выбором вариантов фиксированного напряжения, что делает его надежным выбором в различных сценариях, требующих последовательной доставки мощности.Тем не менее, имея дело с теплом, генерируемым в операциях, таких как преобразование входа 12 В в выход 5 В при 1А, представляет собой заметную проблему.Реализация эффективных подходов к тепловым управлению становится властным, поскольку чрезмерное тепло может препятствовать производительности и снизить срок службы электронных компонентов.
LM340T5 сияет в обеспечении точного контроля напряжения, в основном в средах, требующих надежного источника питания.Его варианты фиксированного напряжения предлагают вам удобство согласованности, устраняя необходимость постоянного мониторинга или регулировки.Вы можете часто выбирать этот регулятор для приложений, где стабильность напряжения является серьезным фактором, тем самым повышая общую надежность системы, выбрав соответствующий вариант фиксированного выхода.
При использовании LM340T5, адресование рассеивания тепла является заметным соображением.Расчет правого радиатора или стратегическое размещение регулятора на печатную плату может эффективно смягчить тепловое накопление.Таким образом, удаление баланса между тепловой эффективностью и оптимальным использованием пространства характеризует фазу проектирования.Кроме того, такие методы, как применение тепловой пасты или прокладки, усиливают теплопередачу, продление срока эксплуатации устройства.
Интеграция внешних компонентов с LM340T5 дает вам возможность адаптировать производительность к конкретным потребностям применения.Например, добавление конденсаторов может уменьшить пульсацию напряжения, способствуя более устойчивой мощности.Аналогичным образом, включение диодов может защищаться от обратной полярности, защищая всю цепь от потенциального вреда.

LM340T5 поставляется в универсальной инкапсуляции-220, часто ценится в сценариях, где управление теплом является основным фактором.Эта инкапсуляция обеспечивает несколько преимуществ благодаря его характеристикам проектирования.

• TO-3 Metal может упаковать
• До 263 пакет поверхности
• TO-220 Power Package
• Пакет SOT-223 с 3 лиами SOT-223
|
Параметр |
LM340T5 |
7805 |
|
Выходное напряжение |
Исправлено 5 В |
Исправлено 5 В |
|
Диапазон входного напряжения |
7 В до 35 В. |
Аналогично, с небольшими изменениями в терпимости |
|
Возможность выходного тока |
До 1,5А |
До 1,5А |
|
Тип пакета |
До-220 |
До-220 |
|
Ключевые вариации |
Стандартные спецификации с надежной производительностью |
Небольшие вариации напряжения отсева и термического
производительность |
|
Производительность и функциональность |
Предлагает стабильный вывод 5 В с аналогичной производительностью 7805 |
Подобные характеристики с специфичными для производителя
различия |
|
Применение пригодности |
Дизайн питания, потребительская электроника, промышленность
Автоматизация, системы связи |
Дизайн питания, потребительская электроника, промышленность
Автоматизация, системы связи |
|
Рассмотрение дизайна |
Выбор может зависеть от конкретных требований к проектированию и
Предпочтение производителя |
Выбор может зависеть от конкретных требований к проектированию и
Предпочтение производителя |
Регулятор напряжения LM340T5 подчеркивает важность стабильной подачи мощности в электронных системах.Его способность обеспечивать постоянный выход 5 В в сочетании с тепловым и перегрузочным защитом делает его надежным выбором для приложений, требующих надежной производительности.От потребительской электроники до промышленного механизма LM340T5 демонстрирует адаптивность в различных сценариях, обеспечивая как эффективность, так и долговечность.Включая передовые практики в тепловое управление и интеграцию компонентов, вы можете полностью использовать их возможности для разработки надежных и эффективных систем, которые соответствуют современным требованиям устойчивости и надежности.
Пожалуйста, отправьте запрос, мы ответим немедленно.
LM340T5 обычно размещает до 35 вольт в качестве максимального входного напряжения.Эта возможность позволяет ему эффективно функционировать в спектре условий.Поддерживая входное напряжение в этом диапазоне, можно повысить как стабильность, так и долговечность устройства.
LM340T5 выделяется своим надежным регулированием нагрузки и линии.Хотя это может не соответствовать компактности и энергоэффективности новых моделей, его доступность в сочетании с надежной конструкцией делает его благоприятной вариантом.Вы, кто приоритет простоте и долговечности в стабильных средах, часто считаете свою надежность привлекательной.
Действительно, LM340T5 достаточно универсален для гаджетов с аккумулятором.Внимательное управление его напряжением отсева и покоящегося тока является основным, так как эти факторы могут значительно повлиять на срок службы батареи.Это управление также определяет минимальное входное напряжение, необходимое для поддержания эффективной работы.
Типичные показатели потенциальной неисправности LM340T5 включают в себя ошибочный выход, проблемы перегрева, полное отсутствие выходного напряжения и нестабильность или шум.Проактивное наблюдение и обычная проверка могут помочь в выявлении этих признаков на раннем этапе, что предотвращает более серьезные проблемы и разбивки системы.
Чтобы максимизировать производительность LM340T5, рекомендуется интеграция радиаторов для опытного теплового регулирования.Выравнивание как входных, так и выходных конденсаторов с указанными требованиями повышает стабильность.Поддержание надлежащего входного напряжения и принятие шумоподавляемого макета печатной платы также предлагается.Регулярный мониторинг и обслуживание способствуют предотвращению непредвиденных осложнений и обеспечению устойчивой надежности в практических приложениях.
на 2024/11/27
на 2024/11/26
на 8000/04/18 147760
на 2000/04/18 111969
на 1600/04/18 111351
на 0400/04/18 83732
на 1970/01/1 79520
на 1970/01/1 66930
на 1970/01/1 63080
на 1970/01/1 63023
на 1970/01/1 54088
на 1970/01/1 52163