
А XC3S200-4TQG144I является частью семейства AMD Xilinx Spartan-3 FPGA, адаптированного для чувствительных к стоимости приложений, которые требуют высокой производительности.Эта модель имеет 200 000 системных ворот и использует 4320 логических ячеек, что обеспечивает надежные возможности обработки в компактном форм -факторе.Устройство может похвастаться существенными внутренними ресурсами, в том числе 480 настраиваемых логических блоков (CLB), 216 кбит блочной оперативной памяти для хранения данных и 12 выделенных множителей 18x18 для улучшенных арифметических операций.Он поддерживает до 97 контактов ввода -вывода пользователя, позволяя универсальному параметрам подключения.Управление часами эффективно обрабатывается четырьмя цифровыми управляющими часами (DCMS), что облегчает точное время и контроль в высокоскоростных цифровых средах.XC3S200-4TQG144I работает на напряжении ядра 1,2 В, с допустимым диапазоном от 1,14 до 1,26 В, и он предназначен для надежного выполнения в промышленных условиях с температурным диапазоном от -40 ° C до +100 ° C.Максимально достижимая тактовая частота для этой FPGA составляет до 630 МГц, что обеспечивает быструю обработку данных и отзывчивость в приложениях.
Если вы ведете бизнес и нуждаетесь в постоянном поставке надежных, высокопроизводительных FPGA, XC3S200-4TQG144I является умным выбором.Размещение своего массового заказа с нами повышает производительность вашей системы, и мы здесь, чтобы поддержать вас на каждом этапе.

XC3S200-4TQG144I Символ

XC3S200-4TQG144I

XC3S200-4TQG144I 3D модель
• Логическая емкость: XC3S200-4TQG144I предлагает значительную логическую мощность с 200 000 системных ворот и 4320 логических ячеек.Это позволяет вам реализовать сложные цифровые схемы и системы в одном чипе, что делает его идеальным для различных приложений, которые требуют вычислительной мощности и гибкости.
• Конфигурируемые логические блоки (CLBS): Эта FPGA оснащена 480 настраиваемыми логическими блоками, которые являются основным логическим ресурсом для реализации определенных пользовательских логических функций.Каждый CLB может быть запрограммирован на выполнение широкого спектра логических операций, обеспечивая гибкость, необходимую для оптимизации производительности и использования ресурсов.
• Ресурсы памяти: Он включает в себя 216 Kbits of Block Ram и до 520 Kbits распределенной оперативной памяти.Эта встроенная память важна для приложений, которые требуют быстрого и эффективного хранения данных и поиска данных, поддерживая все, от буферизации и кэширования данных до сложных состоятельных машин.
• Выделенные множители: Показывая 12 выделенных множителей 18x18, XC3S200-4TQG144I превосходны в приложениях, требующих интенсивных математических вычислений, таких как обработка цифровых сигналов, обработка видео и системы управления.
• Цифровые управляющие часами (DCMS): FPGA включает в себя четыре цифровых менеджера часов, которые предоставляют расширенные возможности для посадки.DCMs повышают гибкость и точность управления часами, обеспечивая синтез частоты, изменение фазы и снижение джиттера, которые необходимы для высокоскоростной цифровой связи и точных приложений времени.
• Возможности ввода/вывода : С 97 пользовательскими контактами ввода-вывода FPGA поддерживает различные односторонние и дифференциальные стандарты ввода-вывода, включая LVD и RSD.Эта обширная способность ввода/вывода обеспечивает легкую интеграцию с широким спектром периферийных устройств и систем, обеспечивая универсальность в развертывании в различных аппаратных средах.
• Условия эксплуатации: Разработанный для надежности в промышленных средах, XC3S200-4TQG144I работает в диапазоне температуры от -40 ° C до +100 ° C.Эта надежная температурная допуска делает его подходящим для развертывания в суровых условиях эксплуатации.
• Источник питания: Он работает на напряжении ядра 1,2 В, с допустимым диапазоном от 1,14 до 1,26 В.Эта работа с низкой мощностью отлично подходит для приложений, которые чувствительны к энергопотреблению, помогая снизить общие требования к энергии системы.
• Согласие: XC3S200-4TQG144I соответствует стандартам ROHS и REACH, обеспечивая соблюдение текущих правил окружающей среды и безопасности.Это соответствие поддерживает компании в поддержании устойчивой и ответственной практики производства.

Диаграмма распиновки для XC3S200-4TQG144I FPGA из семейства Xilinx Spartan-3 показывает конфигурацию физического штифта и назначение сигналов для пакета с 144-контактной плоской пакетом (TQFP).Диаграмма выложена в квадратном формате, представляющем вид верхнего вида чипа, с номерами выводов, помеченных по периметру.Каждая сторона соответствует конкретному банку (банк 0 до банка 7), который группирует контакты ввода/вывода с общими ссылками на напряжение.
Каждое цветное поле представляет собой тип сигнала или функцию напряжения, такую как сигналы ввода/вывода, контакты питания (VCCINT, VCCO), заземление (GND), конфигурационные контакты (например, init_b или выполнен) и спецназа специальной функции (такие как входные данные или JTAG).Конвенция о именовании IO_L идентифицирует дифференциальные пары ввода/вывода (например, IO_LXXN_PXXX или IO_LXXP_PXXX), полезное в высокоскоростных интерфейсах данных.Некоторые контакты зарезервированы для конфигурации, программирования или специальных функций часов, которые важны для настройки и работы устройства.

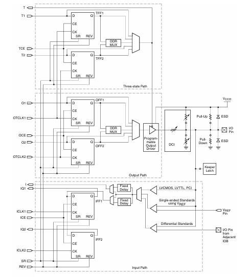
Блок-схема XC3S200-4TQG144I, Spartan-3 FPGA от AMD (ранее Xilinx), иллюстрирует внутреннюю архитектуру блока ввода/вывода (IOB), подробно описывая, как сигналы проходят между тканью FPGA и внешними контактами.Эта диаграмма представляет собой программируемую логику и настраиваемые пути, которые управляют входом, выводом и поведением Tristate для каждого вывода ввода/вывода.
Вверху, выходные пути с тремя государствамиШлетники (TFF1, TFF2) получают контрольные сигналы (T1, T2) и контрольные сигналы времени (TCE, TCK), чтобы определить, являются ли выходные драйверы активными или в состоянии высокого импеданса.Мультиплексор выбирает между различными источниками на основе программируемой конфигурации.
В середине выходной путь включает в себя триггеры (OFF1, OFF2), которые хранят сигналы выходных данных (O1, O2), синхронизированные с выходными часами (OTCLK1, OTCLK2).Мультиплексор и необязательная логика DDR (двойная скорость передачи данных) позволяют управлять данными как по повышению, так и на падении краев тактовых часов.Выходной драйвер подключается к различной логике для DCI (цифровой контролируемое импеданс) и поддерживает вытягивающие/выпущенные резисторы, защиту ESD и защелкивающиеся защелки, чтобы поддерживать состояние линии при неведении.
Внизу путь ввода показывает, как входные сигналы (IQ1, IQ2) зафиксированы в шлепанцах (IFF1, IFF2), используя входные часы (ICLK1, ICLK2).Дополнительные задержки программируются для точной настройки времени.Входные данные поддерживают несколько стандартов ввода/вывода, включая LVCMOS, LVTTL и дифференциальные сигналы с использованием VREF и соседних выводов.
|
Тип |
Параметр |
|
Производитель |
Амд |
|
Ряд |
Spartan®-3 |
|
Упаковка |
Поднос |
|
Статус частично |
Устаревший |
|
Количество лабораторий/CLBS |
480 |
|
Количество логических элементов/ячеек |
4320 |
|
Всего битов RAM |
221184 |
|
Номер в/вывода |
97 |
|
Количество ворот |
200000 |
|
Напряжение - поставка |
1,14 В ~ 1,26 В. |
|
Монтажный тип |
Поверхностное крепление |
|
Рабочая температура |
-40 ° C ~ 100 ° C (TJ) |
|
Пакет / корпус |
144-LQFP |
|
Пакет устройства поставщика |
144-TQFP (20x20) |
|
Базовый номер продукта |
XC3S200 |
Цифровая обработка сигнала (DSP)
XC3S200-4TQG144I превосходит в приложениях DSP из-за своих выделенных множителей и существенного блочного оперативной памяти.Это делает его идеальным для задач, требующих интенсивных математических вычислений, таких как обработка аудио и видео, где он может эффективно обрабатывать такие операции, как фильтрация, модуляция и сжатие.
Встроенные системы
Эта FPGA поддерживает процессоры с мягкими ядрами, такие как Microblaze и Picoblaze, которые позволяют разработать сложные встроенные системы.Он используется в пользовательских системах управления, интеллектуальных устройствах и пользовательских интерфейсах, где важна адантируемая функциональность.
Промышленная автоматизация
С его надежными возможностями ввода/вывода и способностью надежно работать при экстремальных температурах, XC3S200-4TQG144I идеально подходит для промышленной автоматизации.Он управляет системами управления двигателями, взаимодействием датчиков и мониторинга, помогая оптимизировать и автоматизировать сложные промышленные процессы.
Автомобильная электроника
В автомобильной электронике FPGA позволяет функциональности, начиная от информационно-развлекательных систем до сложных элементов управления панелью и передовых систем помощи водителям (ADAS).Его высокая надежность и адаптивность делают его выбором для производителей автомобилей.
Системы связи
XC3S200-4TQG144I играет важную роль в инфраструктуре связи, такой как маршрутизаторы, коммутаторы и беспроводные базовые станции.Его высокоскоростные возможности обработки обеспечивают эффективную обработку данных и связь между сетями.
Образовательные и прототипирующие платформы
Благодаря своей экономической эффективности и универсальности, FPGA широко используется в образовательных условиях для обучения цифровому дизайну и технологии FPGA.Он также предпочитается в прототипировании для тестирования и разработки новых цифровых и электронных концепций.
Медицинские устройства
Способность FPGA к обработке и способности обрабатывать сложные алгоритмы делает его подходящим для медицинских устройств, особенно для оборудования для визуализации и диагностики, которые требовали точности и скорости.
1. Установить аппаратные соединения: Начните с подключения кабеля программирования JTAG (например, Digilent JTAG3 или кабеля платформы Xilinx) к вашему ПК и к заголовку JTAG на плате FPGA.Убедитесь, что плата включена, и кабель правильно закреплен, чтобы обеспечить надежную связь.
2. Запустите ударный инструмент: Откройте на своем компьютере навигатор проекта Xilinx ISE.В рамках панели «процессов» перейдите и дважды щелкните «Настройка целевого устройства (IMPACT)», чтобы начать настройку программирования устройства.
3. Инициализировать цепь JTAG: После того, как воздействие будет открыто, установите его в режим «сканирование границ».Щелкните правой кнопкой мыши в области рабочей области и выберите «Инициализировать цепь».Инструмент автоматически обнаружит и перечисляет все устройства, подключенные через цепочку JTAG, которые включают FPGA и любые подключенные чипы PROM.
4. Назначьте файлы конфигурации: Для FPGA щелкните правой кнопкой мыши его значок в рабочей области Impact и выберите «Назначить новый файл конфигурации».Просмотрите свой ранее скомпилированный файл .bit и выберите его.Если вы также программируете PROM, назначьте соответствующий файл .mcs для устройства PROM таким же образом.
5. Установите параметры запуска: Щелкните правой кнопкой мыши «генерировать файл программирования» на панели «Процессы», а затем выберите «Свойства».На вкладке «Параметры запуска» убедитесь, что «часы запуска FPGA» установлены на «часы JTAG» для синхронизации часов запуска FPGA с часами программирования JTAG.Нажмите «ОК», чтобы сохранить эти настройки.
6. Программируйте устройства: Чтобы запрограммировать FPGA, щелкните правой кнопкой мыши его значок по Impact и выберите «Программу».В диалоговом окне программирования вы можете снять «проверку», чтобы ускорить процесс.Нажмите «ОК», чтобы начать программирование.В случае программирования выпускного продукта выполните аналогичное действие, но убедитесь, что для тщательности выбираются варианты «стирания перед программированием» и «проверки».
7. Проверьте конфигурацию : После завершения программирования убедитесь, что конфигурация FPGA была успешной, наблюдая за статусом светодиода «сделано» на плате FPGA.Это должно осветить, указывая на то, что устройство было правильно запрограммировано.Кроме того, вы можете использовать инструменты проверки IMPACT, чтобы подтвердить, что программирование было успешным.
Экономическая эффективность
XC3S200-4TQG144I предназначен для того, чтобы быть очень доступным, предлагая надежную производительность, что делает его идеальным для проектов, требующих бюджетных ограничений.Эта FPGA сочетает в себе функциональность и экономическую эффективность, обеспечивая конкурентное преимущество на рынках с большим объемом.
Адекватные логические ресурсы
Эта FPGA, оснащенный 4320 логическими ячейками и 480 настраиваемыми логическими блоками (CLBS), может обрабатывать сложные цифровые конструкции, предлагая универсальное решение для средних приложений.Его ресурсов достаточны для широкого спектра использования, от электроники до промышленной автоматизации, без необходимости более дорогих, высококлассных альтернатив.
Универсальные параметры ввода/вывода
С 97 пользовательскими контактами ввода-вывода, XC3S200-4TQG144I поддерживает многочисленные односторонние и дифференциальные стандарты ввода/вывода, что делает его чрезвычайно адаптируемым для различных требований к интеграции.Эта гибкость полезна для систем, которые взаимодействуют с диапазоном периферийных устройств.
Промышленная температурная диапазон
FPGA действует надежно в широком диапазоне температур от -40 ° C до +100 ° C, что делает его подходящим для использования в суровых условиях.Эта функция полезна для приложений в автомобильных и промышленных условиях, где условия работы могут быть экстремальными.
Зрелая поддержка инструмента
Семейство Spartan-3, в том числе XC3S200-4TQG144I, поддерживается XILINX Design Suite, который предоставляет надежные инструменты для программирования FPGA и оптимизации дизайна.Кроме того, существует обширная документация и поддерживающее сообщество, которое может ускорить время разработки и уменьшить проблемы с проектированием.
• Тип пакета: TQFP-144 (также называется LQFP-144)
• Размер тела: 20 мм × 20 мм
• Сидячий высота (макс): 1,6 мм
• Терминал: 0,5 мм
• Стиль упаковки: Flatpack, с низким профилем, тонкий шаг
• Терминальная форма: Крыло Печата
XC3S200-4TQG144I производится Амд, глобально признанный лидер в области высокопроизводительных вычислений и полупроводниковых технологий.После приобретения Xilinx AMD расширила свой портфель, чтобы включить широкий спектр программируемых логических устройств, таких как семейство Spartan-3, к которому принадлежит эта FPGA.AMD продолжает поддерживать XC3S200-4TQG144I под его унифицированным брендом, обеспечивая надежность, долгосрочную доступность и доступ к зрелым инструментам разработки, таким как ASE Design Suite.Эта интеграция отражает приверженность AMD предоставлению масштабируемых и эффективных программируемых решений как для устаревших, так и для современных электронных систем.
XC3S200-4TQG144I-умный и доступный выбор для многих электронных проектов.Он хорошо работает в жестких средах, предлагает гибкие соединения и поддерживает быструю обработку данных.Независимо от того, работаете ли вы над промышленными машинами, автомобильной электроникой, обработкой сигналов или студенческими проектами, этот чип дает вам то, что вам нужно, не стоимость слишком дороги.При надежной поддержке AMD и простых в использовании инструментов дизайна, это отличный вариант для всех.
Пожалуйста, отправьте запрос, мы ответим немедленно.
Да, он поддерживает интеграцию процессоров мягких ядер, таких как Microblaze, позволяя внедрять индивидуальную логику обработки в FPGA для сложных задач управления и обработки сигналов.
Да, XC3S200-4TQG144I полностью поддерживается набором дизайна Xilinx ISE, позволяя плавно настройку проекта, моделирование, синтез и аппаратное программирование.
Да.XC3S200-4TQG144I поддерживает несколько дифференциальных стандартов ввода/вывода, включая LVD, что делает его подходящим для высокоскоростной передачи данных с низким шумом.
Основные различия заключаются в типе пакета, оценке скорости и количестве выводов.«-4TQG144I» представляет собой более низкую версию промышленного класса с 144-контактным пакетом TQFP, в то время как -5PQ208C »имеет более высокую скорость и более 208-контактный пакет PQFP.
В большинстве приложений достаточны стандартной компоновки и естественной конвекции.Тем не менее, для высокоскоростного или высокого использования I/O в горячих средах для поддержания тепловой стабильности рекомендуется небольшой радиатор или воздушный поток.
на 2025/04/22
на 2025/04/22
на 8000/04/18 147758
на 2000/04/18 111946
на 1600/04/18 111349
на 0400/04/18 83722
на 1970/01/1 79508
на 1970/01/1 66916
на 1970/01/1 63072
на 1970/01/1 63012
на 1970/01/1 54081
на 1970/01/1 52141