
А XCV600E-7FG680C является высокопроизводительным FPGA из семейства Virex-E в Xilinx, предназначенной для приложений, которые требуют превосходных программируемых логических решений.Эта модель имеет приблизительно 985 882 системных ворот и 15 552 логических ячеек, обеспечивая надежные возможности для сложных цифровых вычислений.Он оснащен 3456 настраиваемыми логическими блоками (CLBS) и в общей сложности 294 912 ОЗУ, что обеспечивает достаточно места для хранения и манипуляций с данными.Расположенный в пакете сетки с тонкой шариковой матрицей с помощью 680 пинтов (FBGA), XCV600E-7FG680C имеет компактный след 40x40 мм, подходящий для применений, ограниченных пространством.Он работает на напряжении ядра 1,8 В и изготавливается с использованием процесса CMOS 0,18 мкм, который повышает его эффективность и стабильность производительности.FPGA поддерживает 16 высокопроизводительных стандартов интерфейса, что делает его универсальным для различных периферических интеграций.FPGA включает в себя четыре петли с задержкой (DLL) для точного управления часами и выделенную логику переноса, которая облегчает высокоскоростные арифметические операции, необходимость в приложениях, требующих быстрой обработки и математической функции.
Мы рекомендуем вам разместить массовые заказы для XCV600E-7FG680C с нами, чтобы воспользоваться надежными и масштабируемыми решениями.

XCV600E-7FG680C Символ

XCV600E-7FG680C Сноильная площадь

XCV600E-7FG680C 3D модель
Конфигурируемые логические блоки (CLBS): FPGA содержит 3456 CLB, предлагая в общей сложности 15 552 логических ячеек.Этот высокий счет логических ячеек облегчает сложные цифровые вычисления и реализацию машины состояния, подходящую для передовых цифровых приложений.
Системные ворота: Устройство обеспечивает до 985 882 системных ворот, что позволяет построить крупномасштабные интегрированные цепи с обширной логической функциональностью.
Всего ОЗУ: Оснащенная 294 912 битами общего количества ОЗУ, эта FPGA позволяет хранить и манипулировать данными в устройстве для приложений, включающих буферизацию данных, удержание состояния и задачи динамической обработки.
Пользовательские булавки ввода/вывода: Поддерживает до 512 контактов ввода -вывода пользователя, обеспечивая обширное взаимодействие с широким спектром периферийных устройств и других цифровых систем.
Selectio+™ Technology: Эта технология поддерживает 20 высокопроизводительных стандартов интерфейса, включая LVD, BLVD и LVPECL.Это обеспечивает как одностороннюю, так и дифференциальную передачу сигналов, обеспечивая гибкость и совместимость с различными стандартами цифровой связи.
Задержка петли (DLL): Содержит восемь полностью цифровых DLL, которые предлагают расширенные функции управления часами, такие как умножение часов, деление и буферизация с нулевой задержкой.Эта возможность лучше всего подходит для управления временем в нескольких тактовых областях в сложных проектах.
Внутренняя производительность: FPGA может достичь внутренней скорости производительности до 130 МГц с четырьмя уровнями логических ячеек (уровни LUT), что обеспечивает быстрые скорости обработки, необходимые для высокоскоростных цифровых приложений.
Selectram+™ иерархия памяти : Особенности иерархической системы памяти, которая включает в себя до 1 МБ настраиваемой распределенной оперативной памяти и до 832 КБ синхронного внутреннего блочного ОЗУ.Этот слоистый подход памяти повышает скорость доступа к данным и эффективность.
Гибкая архитектура: Включает выделенную логику переноса для высокоскоростной арифметики, поддержку множителей, каскадные цепочки для функций с широким входом и многочисленные регистры/защелки с параметрами для включения часов, двойного синхронного/асинхронного набора и сброса.Эти атрибуты способствуют универсальному и эффективному архитектурному дизайну.

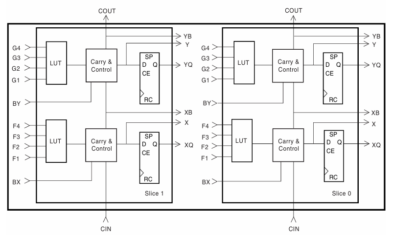
А Блок-схема XCV600E-7FG680C FPGA показывает структуру логического среза.Каждый ломтик содержит Поиск таблиц (LUTS), носите логику и шлепанцы, которые важны для построения цифровых цепей.У каждого кусочка есть два Латс, которые принимают входные данные (G1-G4 и F1-F4) и генерировать логические выходы.Эти выходы можно использовать напрямую или храниться в шлепанцах (D-тип регистров) для последовательных операций.Логика переноса помогает выполнять быстрые арифметические операции, такие как дополнение.Шлепанцы хранят данные с включением часов (CE) и сбросить (Дольдо) функции.Цепь переноски (Cin to cout) связывает несколько срезов, улучшая скорость в арифметических операциях.Выходы (Х и У) Помогите подключить различные логические элементы.Эта структура делает FPGA эффективной, гибкой и способной обрабатывать сложные цифровые конструкции.

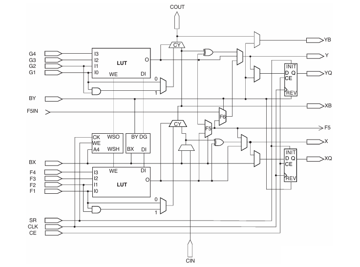
Вторая диаграмма обеспечивает более подробное представление о архитектуре логического среза в FPGA XCV600E-7FG680C, показывая внутреннюю связь Латс, носите логику и шлепанцы.Каждый ломтик содержит два Поиск таблиц (LUTS), которые получают несколько входов (G1-G4 и F1-F4) для создания логических выходов.Эти выходы могут быть использованы непосредственно в комбинационной логике или храниться в шлепанцах (D-тип регистров) для последовательных операций.Шлепанцы имеют часы (CLK), давать возможность (CE), перезагрузить (Старший), и инициализация (Инициатор) входы, позволяющие контролировать хранилище данных.А носить логику (Сай) отвечает за арифметические операции, распространяя сигнал переноса между соседними срециями через Пронзительный и Кут соединения.Мультиплекторы и логика управления позволяют выбирать различные сигналы, оптимизируя производительность для арифметических и логических операций.Эта структура обеспечивает быстрые арифметические вычисления, последовательный логический управление и эффективную маршрутизацию данных, что делает FPGA очень адаптируемой для различных цифровых приложений.
|
Тип |
Параметр |
|
Производитель |
AMD XILINX |
|
Напряжение - поставка |
1,71 В ~ 1,89 В. |
|
Всего битов RAM |
294912 |
|
Пакет устройства поставщика |
680-фтебга (40x40) |
|
Ряд |
VIRTEX®-E |
|
Пакет / корпус |
680-LBGA PAD |
|
Упаковка |
Поднос |
|
Рабочая температура |
0 ° C ~ 85 ° C (TJ) |
|
Количество логических элементов/ячеек |
15552 |
|
Количество лабораторий/CLBS |
3456 |
|
Номер в/вывода |
512 |
|
Количество ворот |
985882 |
|
Монтажный тип |
Поверхностное крепление |
|
Базовый номер продукта |
XCV600E |
Встроенные системы и приложения IoT
Реконфигурируемость и надежные возможности обработки FPGA хорошо подходят для встроенных систем и устройств IoT.Это позволяет создавать специальные аппаратные решения, которые могут эффективно управлять конкретными задачами и функциональными возможностями, необходимыми в интеллектуальных устройствах и подключенной технологии.
Обработка изображений и машинное обучение
Благодаря существенным логическим ресурсам и памяти, эта FPGA может выполнять требовательные задачи обработки изображений и выполнять алгоритмы машинного обучения.Эта возможность позволяет ему выполнять анализ данных и принятие решений для таких приложений, как автоматизированное наблюдение и передовые системы помощи водителям (ADAS).
Высокоскоростная передача данных
FPGA, оснащенный поддержкой нескольких высокопроизводительных стандартов интерфейса, таких как LVD и LVPECL, идеально подходит для высокоскоростных систем связи с передачей данных.Это включает в себя приложения, которые требуют быстрой и надежной передачи данных, таких как телекоммуникационная инфраструктура и высокоскоростная сеть.
Промышленные системы управления
Надежная архитектура FPGA и гибкие варианты ввода -вывода делают ее подходящим для систем промышленного управления.Он может быть интегрирован для мониторинга и управления механизмами и промышленными процессами, повышая эффективность работы и безопасность.
Медицинское оборудование для визуализации
Способность устройства обрабатывать большие объемы данных для приложений для медицинской визуализации.Он поддерживает сложные вычислительные задачи, необходимые в таких системах, как ультразвук и МРТ, которые требовали скорости обработки и разрешения изображений.
Инфраструктура беспроводной коммуникации
FPGA можно использовать в основе систем беспроводной связи, включая новые технологии, такие как 5G.Он управляет сложными задачами обработки сигналов, необходимых для поддержки высокой пропускной способности данных и динамических требований современных беспроводных сетей связи.
Потребительская электроника
Его адаптивность и высокопроизводительные возможности делают FPGA подходящей для потребительской электроники.Он обеспечивает эффективные решения для обработки данных и взаимодействие, необходимые для таких устройств, как игровые консоли, интеллектуальные телевизоры и системы домашней автоматизации.
Высокая производительность
FPGA может работать со скоростью до 130 МГц на четырех уровнях LUT.Эта высокоскоростная возможность обеспечивает обработку данных и быстрые вычислительные операции для приложений, которые требуют быстрого времени отклика и высокой пропускной способности данных.
Высокая логическая плотность
Этот FPGA поддерживает комплексные цифровые конструкции в одном чипе до 985 882 системных ворот и 15 552 логических ячеек.Эта высокая логическая плотность позволяет интегрировать множество функций и процессов, снижая необходимость в дополнительных компонентах и упрощающую конструкцию системы.
Универсальная поддержка ввода/вывода
Устройство включает в себя 512 контактов ввода/вывода пользователей и поддерживает 20 высокопроизводительных стандартов интерфейса, таких как LVD и LVPECL.Эта универсальная способность ввода/вывода обеспечивает совместимость с широким диапазоном цифровых и аналоговых входов и выходов, облегчая гибкую системную интеграцию и расширения.
Усовершенствованное управление часами
FPGA, оснащенный восемью полностью цифровыми цифровыми петлями (DLL), предоставляет расширенные функции управления часами, включая умножение часов, деление и буферизацию с нулевой задержкой.Эти функции повышают точность и гибкость контроля времени в сложных системах для поддержания синхронизации и производительности.
Эффективная иерархия памяти
Иерархия памяти Selectram+™ включает в себя до 1 МБ настраиваемой распределенной оперативной памяти и до 832 КБ синхронного внутреннего блока ОЗУ.Эта структурированная и доступная система памяти поддерживает высокоскоростное хранение данных и поиск данных, необходимость в приложениях с интенсивными памятью, таким как обработка видео и большие манипуляции с наборами данных.
Низкое энергопотребление
Работая с основным напряжением 1,8 В, FPGA предназначена для энергоэффективности, что полезно для чувствительных к электроэнергии.Это низкое энергопотребление помогает в снижении общей стоимости энергии и теплового следа, повышая пригодность устройства для портативных и удаленных применений.
Реконфигурируемость
Конфигурация на основе FPGA на основе SRAM в системе обеспечивает неограниченную перепрограммируемость.Эта функция позволяет обновлять и оптимизировать обновления и оптимизации без необходимости физических изменений аппаратного обеспечения, обеспечивая гибкое и экономически эффективное решение для развития требований применения.
А XCV600E-7FG680C, xilinx virtex-e FPGA, поставляется в FG680 Пакет, что Массив сетки с тонкой шарикой (FBGA) с 680 шаровПолемНиже приведены размеры упаковки:
|
Параметр |
Символ |
Мин (мм) |
Номинальный (мм) |
Макс (мм) |
|
Размер тела |
А |
31 |
31 |
31 |
|
Шарик |
Беременный |
1.27 |
1.27 |
1.27 |
|
Диаметр мяча |
В |
0,5 |
0,6 |
0,7 |
|
Высота упаковки |
Дюймовый |
2.7 |
3.2 |
3.7 |
|
Размерная сетка |
Эн |
26 × 26 |
26 × 26 |
26 × 26 |
XCV600E-7FG680C-это полевой программируемый массив ворот (FPGA), первоначально изготовленный Xilinx, ведущим поставщиком программируемых логических устройств.Xilinx разработал серию Virtex-E, включая эту модель, чтобы предложить высокоэффективные логические решения для расширенных приложений для вычислений и обработки сигналов.В 2022 году, Амд Приобрел Xilinx, что делает AMD текущим производителем и владельцем линейки продуктов Xilinx FPGA.В то время как Xilinx был известен своими инновациями в FPGA, AMD продолжает интегрировать эти технологии в свой портфель, сосредоточившись на высокопроизводительных решениях и адаптивной обработке.Тем не менее, XCV600E-7FG680C в настоящее время устарел, что означает, что AMD больше не активно производит или поддерживает эту конкретную модель FPGA.
XCV600E-7FG680C-это высокоскоростная, гибкая и энергоэффективная FPGA, идеально подходящая для многих передовых цифровых проектов.Несмотря на то, что он больше не производится, он по -прежнему имеет ценность в существующих системах, которые нуждаются в надежной производительности.Его способность перепрограммировать делает его полезной для долгосрочных применений.Это руководство содержит все ключевые подробности об этом FPGA, помогая вам решить, является ли это правильным выбором или найти альтернативы для их дизайна.
Пожалуйста, отправьте запрос, мы ответим немедленно.
Вы можете запрограммировать XCV600E-7FG680C с использованием Xilinx ISE (интегрированная программная среда).Это программное обеспечение позволяет разработать HDL с использованием VHDL или Verilog, Synthesis и Bitstream Generation.Поскольку ISE устарел, вам могут понадобиться устаревшие аппаратные инструменты и программные кабели для совместимости.
Максимальная внутренняя скорость производительности XCV600E-7FG680C составляет 130 МГц на четыре уровня логики (LUT).В то время как достаточно для многих применений, современные FPGA превышают 500 МГц и лучше подходят для сверхскоростных дизайнов.
Поскольку XCV600E-7FG680C работает при 1,8 В и основан на процессе CMOS 0,18 мкм, он потребляет большую мощность по сравнению с современными FPGA, в которых используется расширенная технология FINFET 28 нм или 16 нм для повышения эффективности энергоэффективности.Если энергопотребление является проблемой, рассмотрим Xilinx Kintex UltraScale+ FPGA.
Основное отличие заключается в типе пакета и количестве выводов.XCV600E-7FG680C поставляется в 680-контактном пакете шариковых сетей (FBGA), подходящего для конструкций печатных плат высокой плотности.XCV600E-7BG432C расположен в 432-контактном шариком сетке (BGA), что делает его более компактным, но с меньшим количеством вариантов ввода-вывода.
Да, XCV600E-7FG680C может выполнять основные задачи ИИ и машинного обучения, особенно в приложениях обработки изображений и распознавания образцов.Тем не менее, новые FPGA, такие как Xilinx Zynq Ultrascale+ или Versal AI Core, лучше подходят для высокопроизводительных рабочих нагрузок AI.
на 2025/03/14
на 2025/03/13
на 8000/04/18 147758
на 2000/04/18 111960
на 1600/04/18 111349
на 0400/04/18 83726
на 1970/01/1 79510
на 1970/01/1 66929
на 1970/01/1 63078
на 1970/01/1 63019
на 1970/01/1 54086
на 1970/01/1 52156