
А EPF10K30AQI240-3N является гибким и надежным FPGA из семейства Intel Flex-10Ka®.Эта часть, созданная для обработки широкого спектра цифровых приложений, предлагает 30 000 типичных ворот и легко поддерживает сложные логические функции.Его встроенная структура массива сочетает в себе логику и ресурсы маршрутизации, что делает ее хорошим выбором как для пользовательских, так и для высокопроизводительных конструкций.240-контактный пакет QFP помогает сэкономить пространство, сохраняя при этом макет простой для вашей платы.Он также поддерживает программируемость внутри системы, позволяя обновления без удаления устройства.
Эта модель хорошо работает в телекоммуникационных, промышленных и потребительских системах, предлагая стабильные и последовательные результаты.Если вы ищете надежную часть, которая может адаптироваться к вашим потребностям в дизайне, стоит рассмотреть EPF10K30AQI240-3N.
Хотите купить оптом?Свяжитесь с нами сегодня, чтобы узнать о лучших ценах и быстрой доставке.



EPF10K30AQI240-3N поставляется со встроенным встроенным массивом, который позволяет более эффективно использовать блоки памяти и пользовательские логические функции.Эта настройка помогает вам сэкономить место на вашей доске, сохраняя при этом производительность.Вы можете выполнять задачи памяти и специализированные операции, не отказываясь от логического пространства.
Вы получаете поддержку Multivolt ™ ввод/вывода, то есть он может легко работать с различными уровнями напряжения.Входные контакты устойчивы к 5,0 В, что делает их полезным для среда смешанного напряжения.Он также предлагает такие функции, как опции с горячим корпусом, открытый уход и управление Tri-State для каждого PIN-кода-сдерживая системы проектирования с лучшим контролем и меньшим риском повреждения во время питания.
Эта модель предназначена для использования меньшего количества мощности, с резервным потреблением в большинстве случаев в режиме 0,5 мА.Это делает его отличным вариантом, если вы создаете систему, в которой важна эффективность электроэнергии.
С Interconnect FastTrack® вы получаете быстрые и последовательные пути маршрутизации.Существует также специальная цепочка переноса для быстрой математической функции и каскадная цепочка для высокоскоростных логических операций.Они автоматически обрабатываются программными инструментами, поэтому вам не нужно выполнять дополнительную работу.
EPF10K30AQI240-3N поддерживает спецификацию локальной шины PCI Rev. 2.2, что облегчает использование в системах на основе PCI.Он также включает в себя встроенные функции испытаний по границе JTAG, так что вы можете протестировать свою плату, не используя никаких логических ресурсов.
Эта часть поставляется в нескольких размерах пакетов, от 84 до 600 контактов, с совместимостью выводов в серии Flex 10K.Вы также получаете полную поддержку дизайна с помощью удобного программного обеспечения, которое помогает вам быстро разместить и направлять свои проекты в Windows или Workstation Systems.
Технические спецификации Intel, EPF10K30AQI240-3N.
| Продукт Атрибут | Значение атрибута |
| Производитель | Intel |
| Напряжение - Поставлять | 3 В ~ 3,6 В. |
| Общий Биты барана | 12 288 |
| Поставщик Пакет устройства | 240-pqfp (32x32) |
| Ряд | Flex-10Ka® |
| Упаковка / Случай | 240-bfqfp |
| Упаковка | Поднос |
| Работа Температура | -40 ° C ~ 85 ° C (TA) |
| Число логических элементов/ячеек | 1728 |
| Число лабораторий/CLBS | 216 |
| Число I/O. | 189 |
| Число ворот | 69 000 |
| Монтаж Тип | Поверхностное крепление |
| База Номер продукта | EPF10K30 |

Эта диаграмма показывает, как строится чип EPF10K30AQI240-3N и как его детали связаны.В центре есть логические блоки, которые обрабатывают различные функции, и они сгруппированы в строки и столбцы для лучшего макета.Синие блоки в середине - это разделы памяти, которые помогают в хранении данных во время операций.По краям есть элементы ввода/вывода, которые обрабатывают соединения с другими частями схемы.Все связано вместе с рядами и столбцами проводки, которые позволяют данным плавно перемещаться по всему чипу.

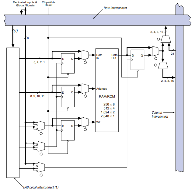
Эта диаграмма показывает, как работает встроенный блок памяти внутри чипа.Он подключается к остальной части чипа, используя локальную и глобальную проводку, позволяя легко отправлять и получать данные.Блок памяти может использоваться как ОЗУ или ПЗУ, в зависимости от того, как она настроена, и поддерживает разные размеры для гибкости.Данные тещают и выходят через специальные шлепанцы, и есть линии управления, чтобы решить, куда идут данные или когда они должны быть записаны.Все работает вместе, чтобы помочь хранить чипсы и быстро перемещать данные во время операций.
EPF10K30AQI240-3N хорошо работает в телекоммуникационных настройках, где требуется быстрая обработка данных и стабильная производительность.Вы можете использовать его для обработки сигналов, переключения и управления протоколами связи, не беспокоясь о задержках или нестабильности.Его гибкая логика и параметры ввода -вывода позволяют легко вписаться в разные телекоммуникационные платформы.
В автомобильной электронике эта часть поддерживает такие функции, как расширенные системы драйверов, управления панелью панели и автомобиль.Его низкое использование мощности и сильные функции ввода/вывода помогают сохранить надежную работу даже в сложных системах транспортных средств.
Для потребительских устройств EPF10K30AQI240-3N приносит скорость и гибкость в такие продукты, как интеллектуальные приборы, развлекательные системы и интерактивные дисплеи.Это помогает вам управлять пользовательскими функциями, логикой управления и пользовательскими интерфейсами с меньшими пределами дизайна.
Эта модель также хорошо вписывается в автоматизацию заводов, робототехнику и интеллектуальные контрольные единицы.Вы можете рассчитывать на это для точного времени, обработки сигналов и плавной интеграции в управляющие платы, которые требуют устойчивой производительности в длительное рабочее время.
Если вы создаете проект, который требует настройки логики, обработки памяти или быстрой обработки данных, эта FPGA дает вам место для формирования дизайна на вашем пути.Это солидный выбор для создания умных компактных систем с нуля.
• Высокое количество ворот для сложных логических задач
• Хороший размер памяти для гибкого использования
• Многие контакты ввода/вывода для простого системного соединения
• Работает в широком температурном диапазоне (от -40 ° C до 85 ° C)
• Низкое использование мощности в режиме ожидания
• Старая серия, может не поддерживать последние инструменты
• Не идеально для очень компактных или ограниченных космических плат
• Медленнее, чем более новые модели FPGA в некоторых задачах
| Часть Число | Производитель | Ключевые функции | Использовать вариант/примечания |
| EPF10K30AQC240-3 | Intel | 69 000 ворот, пакет 240-bfqfp, поверхностное крепление, 3 В ~ 3,6 В. 12,288 биты ОЗУ, серия Flex-10KA. | Подходит для коммерческого Электронные приложения, требующие умеренной температуры. |
| EPF10K30ATC144-1 | Intel | 69 000 ворот, 144-LQFP пакет, поверхностное крепление, 3 В ~ 3,6 В. 12,288 биты ОЗУ, серия Flex-10KA. | Компактный дизайн для Периоды, ограниченные пространством, обычно используемые в встроенных системах. |
| EPF10K30ATC144-2 | Альтерна | Пакет 144-LQFP, поверхностное крепление, 3 В ~ 3,6 В. ряд. | Лучше всего подходит для приложений требует более низкого количества выводов при сохранении функциональности FPGA. |
Если вы ищете часть, которая может справиться с сложными дизайнами, не доставляя вам неприятностей, EPF10K30AQI240-3N является сильным выбором.С высокой логической плотностью, встроенной памятью и множеством вариантов ввода/вывода, это дает вам место для создания и отрегулирования вашей системы так, как вам нужно.Он также построен для того, чтобы хорошо работать в разных условиях, с рабочим диапазоном от -40 ° C до 85 ° C -сдерживая вашу установку, оставаясь надежными даже в жестких условиях.
В Allelcoelec мы предлагаем эту часть с надежной поддержкой и быстрой доставкой.Независимо от того, начинаете ли вы новый дизайн или вам нужно пополнить запасы, мы здесь, чтобы помочь вам получить то, что вам нужно без промедления.Обратитесь к нам в любое время, если у вас есть вопросы или хотите массовые цены - мы позаботимся о том, чтобы вы получили правильную сделку для вашего проекта.
Intel известна тем, что производит надежные и высокопроизводительные технологические продукты, используемые по всему миру.Вы, вероятно, слышали о них через их процессоры, но они также создают мощные решения, такие как FPGA, для более продвинутых цифровых дизайнов.Когда вы выбираете такую часть Intel, как EPF10K30AQI240-3N, вы получаете продукт, поддерживаемый многолетним опытом и доверенным качеством.Их инструменты и поддержка также помогают сделать ваш процесс проектирования более плавным от начала до конца.
EPF10K30AQI240-3N предлагает интеллектуальное сочетание логики, памяти и поддержки ввода-вывода для всех видов цифровых систем.Это просто использовать и вписывается в различные настройки без необходимости много дополнительных инструментов или времени.От быстрого маршрутизации до программируемости внутри системы, он дает вам то, что вам нужно для создания надежных и гибких дизайнов.Независимо от того, работаете ли вы над телекоммуникационным снаряжением, автомобильной техникой или интеллектуальными устройствами, это солидный выбор, который обеспечивает стабильную производительность.Благодаря поддержке дизайна и различным вариантам пакета, это помогает вам двигаться вперед с меньшими хлопотами.
Пожалуйста, отправьте запрос, мы ответим немедленно.
EPF10K30AQI240-3N-это FPGA, которая может обрабатывать как логические функции, так и задачи памяти в цифровых системах.
Да, он поддерживает программируемость внутри системы, поэтому вы можете обновить ее, не удаляя ее с доски.
Он работает с различными уровнями напряжения и имеет 5 В, толерантные входы, что делает его отличным для смешанных систем.
Он используется в телекоммуникационных системах, автомобильной электронике, потребительских устройствах, промышленном управлении и пользовательских цифровых проектах.
Да, это все еще полезно для многих дизайнов, особенно если вам нужна надежная и гибкая FPGA с хорошей логикой и поддержкой ввода -вывода.
на 2025/03/31
на 2025/03/28
на 8000/04/18 147758
на 2000/04/18 111958
на 1600/04/18 111349
на 0400/04/18 83725
на 1970/01/1 79510
на 1970/01/1 66928
на 1970/01/1 63078
на 1970/01/1 63017
на 1970/01/1 54086
на 1970/01/1 52153