
Рисунок 1.
А Общий излучатель Усилитель - один из самых популярных транзисторных цепей, с которыми вы столкнетесь.Он используется во многих электронных устройствах, потому что предлагает Хорошая выгода и довольно просто собрать вместе.Хорошая новость - вам не нужно быть экспертом, чтобы спроектировать его.Имея всего несколько четких шагов и небольшого понимания, вы можете разработать надежную и эффективную схему, которая хорошо работает для многих приложений.
Что делает этот дизайн усилителя доступным, так это то, насколько прост математика.Вы не будете перегружены сложными формулами.Несколько простых расчетов с использованием Закон Ома и основные свойства транзистора могут привести вас к правильным значениям резистора и конденсаторов.После того, как вы получите подвеску процесса, выбор деталей станет намного проще, тем более что вы часто можете выбрать стандартные значения резистора, не выбросив схемы.
Также есть большая гибкость с этим типом усилителя.Вы можете начать с очень простой версии - основной логический буфер или Выходной драйвер- Использование только транзистора, резистора на входе и один у коллекционера.Даже в этой основной форме схема может быть полезна, особенно если вам нужно преобразовать сигнал с высокого в низкий или наоборот.Это потому, что схема инвертирует сигнал: Когда вход выходит высоко, выход падает низко.
Если вы хотите сделать вещи на шаг вперед, вы можете добавить несколько дополнительных деталей.К ним относятся конденсаторы для обработки сигналов и резисторов переменного тока, чтобы помочь установить правильную рабочую точку для транзистора.Анонца Эмиттер обходной конденсатор Также можно добавить, чтобы улучшить прирост сигналов переменного тока.Эти дополнения не делают схему намного сложнее, но они дают вам лучший контроль над тем, как работает усилитель.С немного практики и настройки, вы сможете разработать версию, которая хорошо подходит для ваших конкретных потребностей.
Этот тип Общая схема излучения вероятно, один из Самые простые транзисторные цепи Вы можете построить.Это часто используется как простой логический буфер или сигнал инвертор, и это отличная отправная точка, если вы просто попадаете в электронику на основе транзистора.Установка минимальна - вам нужно только транзистор, один резистор подключен к входу (основание транзистора), а другой резистор подключен к коллекционеруПолемДаже с этими несколькими частями, схема делает что -то довольно полезное.
А входной резистор Помогает, контролируя количество тока, которое входит в основание транзистора.Это предотвращает слишком много тока от повреждения транзистора или влияния на другие части вашей схемы.Тем временем Коллекционный резистор играет другую роль.Это где Выходное напряжение разработаноПолемКогда транзистор включается, ток протекает через него, а напряжение коллекционера падает, создавая Низкий сигнал на выходеПолем
То, как работает схема, простой, но умный.Когда Входной сигнал высокий- Сказ, если от логического затвора или микроконтроллера - он толкает небольшой ток в основание транзистора.Этот небольшой базовый ток позволяет больший ток для течь От коллекционера до излучателя, включив транзистор ".Когда это произойдет, напряжение в коллекционере падает около нуля, и вы получаете Низкий выходПолемДругими словами, высокий вход дает вам Низкий выход, который называется инверсия или Изменение фазыПолемЭто Ключевая функция общего усилителя эмиттера.

Рисунок 2. Основной усилитель общего эмиттера транзистора для логического использования
Такая схема очень удобна, когда вы хотите управлять устройством с низким сигналом или нужно уровни сдвига между разными частями цифровой системы.Например, его можно использовать для контролировать светодиод или действовать как простой Интерфейс между логическими ICSПолемЕго быстро строитьВ легко понять, и не занимает много места или властьПолемПоэтому, если вы проектируете цепь на уровне логики и нуждаетесь в надежный этап переключения, эта распространенная настройка эмиттера Умный и простой вариантПолем
Создание общего усилителя логики излучения легко, как только вы разбиваете его на простые шаги.Эта часть руководства помогает вам выбрать правильные части и выяснить их значения, поэтому ваша схема работает так, как должна.Каждый шаг фокусируется на одной части установки, что позволяет легко следовать.
Начните с выбора транзистора, который подходит вашему проекту.Подумайте о том, сколько тока будет использовать ваша схема и как быстро транзистор должен включать и выключать.Для логических схем важно быстрое переключение, поэтому лучший выбор транзистора, как правило, является лучшим выбором.Убедитесь, что он может обрабатывать напряжение между коллекционером и излучателем.Кроме того, проверьте его текущий усиление (показано как β или HFE).Это говорит вам, сколько базового тока необходимо для управления транзистором.Более высокое усиление означает, что вам понадобится меньший базовый ток, но всегда безопаснее планировать более низкую прибыль на всякий случай.
Резистор коллектора устанавливает выходное напряжение, когда транзистор включен или выключен.Чтобы выяснить его значение, вам сначала нужно знать, какой ток нуждается в вашей нагрузке.Затем, используя закон OHM (r = V / i), вы можете рассчитать значение резистора.Например, если у вас есть источник питания 5 В и вы хотите 5MA тока, вам понадобится резистор 1 кОм (5 В ÷ 0,005A).Это нормально, чтобы обойти его до ближайшего стандартного значения резистора.
Чтобы полностью включить транзистор, ему нужно достаточно тока на основе.Разделите ток коллекционера на усиление (β), чтобы найти базовый ток.Затем используйте разность напряжения между вашим входом и напряжением базового эмиттера (обычно около 0,6 В для кремниевых транзисторов), чтобы найти значение резистора.Например, если ваш вход составляет 5 В, и вы хотите 0,25 мА у основания, резистор должен быть (5 В - 0,6 В) ÷ 0,00025A = 17,6 кОм.Вы можете окружить это до ближайшего стандартного значения, например, 18 кОм.
Прежде чем закончить, вернитесь и проверьте все свои номера.Убедитесь, что транзистор может обрабатывать ток и напряжение.Убедитесь, что выходное напряжение падает достаточно низко, когда оно включено, и что ваш входной источник может обеспечить необходимый базовый ток.Кроме того, подтвердите, что ваши резисторы являются стандартными значениями и могут обрабатывать мощность без слишком много нагревания.Если что -то кажется выключенным, отрегулируйте и пересчитывайте.Быстрая проверка теперь может сэкономить много времени позже.
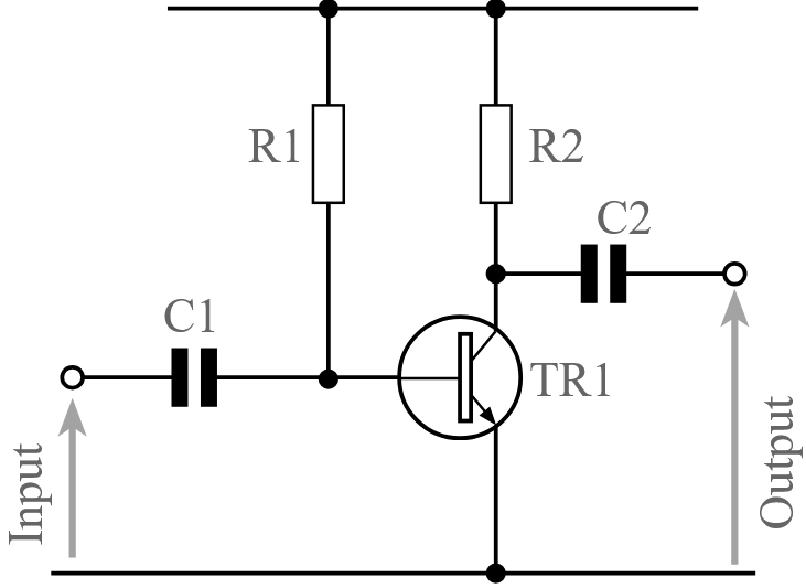
Эта версия общего усилителя эмиттера включает Связанный конденсатор, что делает его более подходящим для работы с Сигналы переменного тока как аудио или другие изменения входов напряжения.Конденсатор помещается на вход Заблокировать любое напряжение постоянного тока это может произойти с предыдущего этапа, позволяя только Переменная часть сигнала пройти через.Эта настройка помогает, когда вы хотите Увеличить сигналы, которые различаются со временем, не влияя на Отказ от постоянного тока транзистора.
Однако этот дизайн использует только один резистор, чтобы сметить основание транзистора.Хотя это делает вещи простыми, это также означает транзистор операционная точка, или Предвзятость DC, не очень стабиленПолемЭто потому, что смещение в значительной степени зависит от транзистора ток усиление (β), который может сильно варьироваться от одного транзистора к другому - даже в том же типе.В результате усилитель может не всегда работать так же, если Транзистор заменяется или если изменения температуры, поскольку оба могут влиять на β.
Тем не менее, эта схема может быть полезна, если вам не нужна идеальная стабильность и просто хотите Быстрый, простой усилитель переменного токаПолемЕго Хорошая отправная точка для изучения как AC Coupling Работает и как транзисторы ведут себя в усилитель.Как только вы поймете основы здесь, вы будете лучше подготовлены к созданию более стабильные и гибкие версии добавив больше резисторов и других компонентов позже.

Рисунок 3. AC-связанный усилитель общего эмиттера с одним базовым резистором
Создание базового усилителя, связанного с AC, является простым процессом, когда вы выполняете несколько четких шагов.Этот вид усилителя часто используется для сигналов, которые меняются со временем, как аудио.Следующие шаги помогут вам выбрать правильные части и проверить, что все работает, как и ожидалось.
Начните с выбора транзистора, который соответствует потребностям вашей схемы.Подумайте о том, сколько напряжения он будет обрабатывать между коллекционером и эмиттером, сколько энергии он может обрабатывать, и в каком частотном диапазоне он должен работать. Для усилителей общего назначения основной транзистор NPN, такой как 2N3904, часто работает хорошо, но вы можете выбрать другие на основе вашего конкретного проекта.
Коллекционный резистор помогает установить выходное напряжение.Хорошей отправной точкой является установка коллекционера примерно на половину напряжения питания.Это дает вашей сигнальной комнате качаться как вверх, так и вниз.Используйте закон OHM (r = V / i), чтобы найти значение.Просто решите, сколько тока вы хотите протекать через резистор, и разделите напряжение на него на этот ток.
Чтобы правильно работать транзистор, вам необходимо подавать правильное количество тока в его базу.Во -первых, разделите ток коллектора на усиление транзистора (β), чтобы найти базовый ток.Затем используйте напряжение питания и тот факт, что основание обычно будет сидеть примерно на 0,6 В над землей, чтобы найти базовый резистор.Закон Ома снова пригодится здесь.
Конденсаторы используются для блокировки DC и передачи сигналов переменного тока.Чтобы выбрать правильный размер, посмотрите на самую низкую частоту, которую будет использовать ваш сигнал, и входное сопротивление, которое он пройдет.Используйте формулу XC = 1 / (2πfc), чтобы убедиться, что реактивное сопротивление конденсатора соответствует импедансу на этой частоте.Это сохраняет ваш сигнал сильным, не отрезая нижний конец.
Как только вы выбрали все детали, найдите время, чтобы дважды проверить все.Посмотрите на значения резистора, уровни тока и выбор конденсаторов.Убедитесь, что транзистор работает в правом диапазоне, и путь сигнала ясен.Небольшие изменения на этом этапе могут сделать ваш усилитель намного лучше после его построения.
Когда вы хотите более надежно и Более эффективный усилительЭта версия общей схемы излучения - путь.Добавив несколько дополнительных компонентов - например, больше резисторов и конденсаторы- Вы делаете схему более стабильный и улучшить его прирост, особенно для Сигналы переменного токаПолемЭти добавленные детали помогают усилителю остаться последовательный, даже если свойства транзистора слегка изменяются или температуру сдвигаются.
Одним из ключевых улучшений в этом дизайне является использование разделитель напряжения Сделано с двумя резисторами в предвзято основаниеПолемЭто делает базовое напряжение гораздо более предсказуемо, что означает, что транзистор остается в правильной операционной области более надежно.Схема также включает эмиттер резистор это устанавливает напряжение излучения и помогает с стабильностьПолемЭтот резистор делает транзистор менее чувствителен к изменениям тока усиления (β), Что важно, если вы стремитесь к последовательной производительности.
К повысить прирост переменного тока, а Конденсатор добавляется через резистор излучателяПолемЭтот обход конденсатор позволяет сигналам AC «пропустить» резистор, Увеличение общей прибыли схемы для этих сигналов, сохраняя при этом постоянную стабильную стабильную.Результатом является схема, которая не только более надежный но также дает вам более прочный, более чистый выходной сигналПолем
Эта версия особенно полезна, когда вы что -то создаете более постоянный или когда ваш усилитель должен подключиться к другим этапам без потери качества сигналаПолемЭто может выглядеть немного сложнее, чем основная версия, но преимущества, которые он приносит в производительность и надежность Сделайте его отличным шагом вперед, как только вы чувствуете себя комфортно с более простыми дизайнами.

Рисунок 4. Улучшенный усилитель общего эмиттера с большим количеством компонентов
Эта версия усилителя включает в себя больше компонентов, что дает вам лучшую производительность, особенно когда речь идет о усилении и стабильности постоянного тока.Следующие шаги разрушают процесс выбора значений и четкого и простого проектирования вашей схемы.
Выберите транзистор, основываясь на том, что требует вашей схемы с точки зрения напряжения, тока и типа сигнала.Транзистор NPN общего назначения хорошо подходит для многих случаев, но убедитесь, что он может обрабатывать ваше напряжение и ток питания без каких-либо проблем.
Решите, сколько тока необходимо вашей схеме, чтобы продлиться в следующем этапе.Затем выберите напряжение коллекционера, которое составляет около половины напряжения питания - это дает вашей комнате для движения вверх и вниз.Используйте закон Ом (r = V / i), чтобы выяснить правильное значение резистора.
Для лучшей стабильности установите напряжение излучения примерно на 1 В или около 10% от вашего напряжения питания.Поскольку ток излучателя почти такой же, как и ток коллектора, вы можете рассчитать резистор излучателя, делит напряжение излучателя на ток.
Чтобы найти базовый ток, разделите ток коллектора на усиление транзистора (β или HFE).Если усиление варьируется, безопаснее использовать нижний конец диапазона, чтобы убедиться, что транзистор все еще включается должным образом.
Базовым напряжением является напряжение эмиттера плюс напряжение соединения базового эмиттера.Для кремниевых транзисторов это около 0,6 В.Таким образом, если излучатель находится на 1 В, база должна быть около 1,6 В.
Используйте два резистора в разделителе напряжения (R1 и R2), чтобы получить правильное напряжение у основания.Хорошее правило состоит в том, чтобы ток протекал через них примерно в десять раз больше базового тока.Это помогает сохранить базовое напряжение стабильным.Выберите значения резистора на основе необходимого напряжения и вашего напряжения питания.
Чтобы улучшить усиление переменного тока, добавьте конденсатор через резистор излучателя.Это позволяет сигналам переменного тока обходить резистор, увеличивая усиление.Выберите конденсатор с реактивным сопротивлением, равным резистору излучателя на самой низкой частоте вашей цепи.
Входной конденсатор должен иметь реактивное сопротивление, которое соответствует входному сопротивлению на самой низкой частоте вашего сигнала.Это удерживает низкочастотные сигналы от блокировки.Вы можете оценить входное сопротивление, так как усиление транзистора времена увеличивается от значения резистора эмиттера.
Этот конденсатор передает усиленный сигнал на следующую стадию при блокировании DC.Выберите значение, которое соответствует сопротивлению нагрузки (следующей части схемы) на самой низкой частоте, с которой вы работаете.
Как только ваш дизайн будет завершен, найдите время, чтобы вернуться и проверить все.Убедитесь, что транзистор все еще может обрабатывать ток и напряжение, значения вашего резистора имеют смысл, и все ваши конденсаторы поддерживают правильные частоты.Быстрый обзор помогает избежать проблем позже.
Когда вы строите общий усилитель излучателя, он помогает узнать, как он обрабатывает другой сигнал частотыПолемНекоторые сигналы проходят легко, в то время как другие могут стать слабее в зависимости от части, которые вы используете, особенно Конденсаторы и резисторыПолем
Диапазон частот, который ваш усилитель может хорошо обрабатывать, называется его пропускная способностьПолемВ очень низкий частоты, конденсаторы могут вести себя как блоки, потому что их сопротивление (называемое реактивным веществом) поднимается.В Высокие частоты, они позволяют сигналам проходить легче.Вот почему важно выбрать ценности конденсаторов на основе самая низкая частота Ваша схема должна работать с.Например, если ваш сигнал переходит на 20 ГцВаши конденсаторы должны быть достаточно большими, чтобы пропустить это без особых потерь.
Конденсатор через резистор эмиттера, известный как Обходной конденсатор—А также имеет большое значение.Это помогает Увеличьте усиление усилителя для сигналов переменного токаПолемЕсли этот конденсатор слишком мал, ваша схема может терять усиление на более низких частотахПолемНо с правильным значением это повышает производительность, не влияя на настройку DC.
Понимание этого поможет вам выбрать детали, которые делают ваш усилитель работать лучше Для сигналов, которые вы используете, будь то для аудио, датчики или другие источники переменного токаПолемКак только вы получите его, настройка вашего дизайна для различных частотных диапазонов становится намного проще.
После составления схемы усилителя, это хорошая идея Убедитесь, что все является Работая, как и ожидалосьПолемВам не нужны сложные инструменты - простые мультиметр часто достаточно, чтобы начать, и осциллограф Полезно, если вы хотите посмотреть на сигнал более подробно.
Начните с использования мультиметра, чтобы проверить напряжение снабжения и подтвердите, что он достигает цепи.Затем измерьте напряжение в Коллекционер, база, и излучатель транзистора.В большинстве случаев Коллекционер должен быть где -то около половины напряжения питания, в то время как излучатель будет немного над землей.А база должно быть около На 0,6 вольт выше, чем эмиттер Если вы используете кремниевый транзистор.Эти показания помогают вам знать, если транзистор правильно предвзято и готов усилить.
Если у вас есть Генератор сигналов и осциллограф, Вы можете проверить, как усилитель обрабатывает небольшой сигнал переменного тока.Подключить а низкочастотная синусоидальная волна к вводу и проверьте выход на область.Вы должны увидеть Большая версия входного сигнала, перевернутая вверх дномПолемЕсли вывод выглядит Слишком слабый или искаженный, дважды проверьте значения резистора или конденсатора.
Даже без объема вы можете попробовать использовать аудиосигнал- как от телефона или музыкального проигрывателя - и подключить маленький оратор к выводу через конденсаторПолемЕсли вы слышите звук, это означает, что усилитель работает.
Тестирование Помогает убедиться, что ваша схема делает то, что должна, и дает вам Лучше чувствовать, как это ведет себяПолемЭто простой, но полезный шаг, который делает ваш проект более надежно.
Когда вы проводите больше времени на работу с транзисторные цепи, особенно распространено усилители излучателя, выбор Правильный транзистор становится проще и более естественным.Сначала может показаться, что есть слишком много вариантов, но со временем вы получите лучшее представление о том, что лучше всего подходит для разных типов.Вы начнете распознавать шаблоны, например, для того, чтобы транзисторы хороши для Усилители общего назначения и какие из них больше подходят для переключениеПолем
Для Схемы усилителей, вам обычно захотите транзистор, который предлагает достойная выгода, обрабатывает ваш напряжение снабжения комфортно, и хорошо работает в частота Вы работаете с.Вам не всегда нужно что-то высококачественное-много Общие, доступные транзисторы работать отлично для Основные усилители звука или сигналаПолем
С другой стороны, если вы строите цепь, где транзистор действует больше как выключатель- такой как контроль Светодиод, мотор или реле- Лучше выбрать Переключение транзистораПолемОни предназначены для быстро включаться и выключаться и ручка резкие изменения в токе без отставания.Даже если у транзистора есть высокий рейтинг или Быстрое время отклика (Как высокий фут), это не всегда означает, что он будет хорошо работать в цепи переключения. Переключение транзисторов сделаны, чтобы справиться быстрые переходы и внезапные нагрузки более эффективно.
Итак, как правило, постарайтесь Сопоставьте транзистор на работу это должно сделать.С практикой вы найдете несколько варианты перейти Это работает в большинстве ваших цепей.Будь то для Усиление сигнала или действует как цифровой коммутатор, используя Правильный тип транзистора Поможет вашим цепям работать более надежно и выполнить то, как вы ожидаете.
Теперь, когда вы изучили, как работает общий усилитель излучателя и как построить один шаг за шагом, вы должны чувствовать себя более уверенно объединять свою собственную схему.Независимо от того, работаете ли вы с простыми логическими сигналами или усиливающимися входами переменного тока, такими как аудио, этот тип схемы является твердым выбором.Просто не забывайте не торопиться с расчетами и дважды проверить значения компонентов.С небольшой практикой вам будет легче создавать усилители, которые хорошо работают для любого проекта, над которым вы работаете.
Пожалуйста, отправьте запрос, мы ответим немедленно.
Общий усилитель излучателя принимает небольшой входной сигнал и делает его больше.Он часто используется для повышения аудио или других сигналов, чтобы они могли управлять другим этапом или устройством.
Вывод инвертируется из -за того, как транзистор работает в этой настройке.Когда вход выходит высоко, транзистор включается и тянет выходной сигнал, создавая противоположный сигнал.
Вам не нужно использовать один, но добавление обходного конденсатора через резистор излучателя помогает увеличить усиление переменного тока.Он позволяет проходить сигналы переменного тока, сохраняя при этом стабильность постоянного тока.
Используйте закон OHM для расчета значений резистора на основе вашего напряжения питания и желаемого тока.Стандартные значения резистора, близкие к вашему результату, обычно работают нормально.
Вы можете использовать наиболее общих транзисторов NPN общего назначения, но лучше выбрать тот, который соответствует вашим потребностям напряжения, тока и скорости.Для логического переключения используйте транзистор, созданный для переключения.
на 2025/04/1
на 2025/03/31
на 8000/04/18 147758
на 2000/04/18 111948
на 1600/04/18 111349
на 0400/04/18 83722
на 1970/01/1 79508
на 1970/01/1 66916
на 1970/01/1 63075
на 1970/01/1 63012
на 1970/01/1 54081
на 1970/01/1 52144