
Рисунок 1: Счетчик звонков
Кольцевой счетчик — это особый вид сдвигового регистра, разработанный в формате с обратной связью, где выходной сигнал последнего триггера отправляется обратно на первый.Именно такое циклическое расположение отличает его от стандартных регистров сдвига, в которых поток данных останавливается после последнего триггера.Работа кольцевого счетчика вращается вокруг набора триггеров.Количество состояний, которые может удерживать счетчик, напрямую зависит от того, сколько триггеров используется в схеме.Например, 4-битный кольцевой счетчик содержит четыре триггера.С практической точки зрения, каждый триггер следует определенной последовательности, что позволяет кольцевому счетчику выполнять важные задачи, такие как синхронизация и последовательность в цифровых системах.
В типичном кольцевом счетчике тактовый импульс (CLK) управляет работой всех триггеров одновременно, что делает его синхронной системой.Каждый триггер также имеет два специальных входа — предустановленный (PR) и сброс (CLR), которые имеют приоритет над другими входами.Когда вход предустановки получает низкий сигнал, он переводит выход триггера в высокий уровень.Аналогично, когда вход очистки получает низкий сигнал, он сбрасывает выход триггера в низкий уровень.Эти предустановленные и четкие команды гарантируют, что выходы остаются стабильными и не подвержены влиянию других входов или тактовых сигналов.

Рисунок 2: 8-битный кольцевой счетчик
8-битный кольцевой счетчик представляет собой цифровую схему, состоящую из восьми триггеров D-типа, расположенных в непрерывном цикле.Выходной сигнал восьмого триггера подается обратно на вход первого, создавая непрерывный цикл.Эта конструкция с замкнутым контуром позволяет счетчику проходить через ряд различных состояний, причем каждое состояние соответствует одному из активных триггеров.8-битная конфигурация может обрабатывать в общей сложности восемь уникальных состояний, что увеличивает сложность счетчика по сравнению с меньшими конфигурациями.
Работа 8-битного кольцевого счетчика начинается с перевода первого триггера в активное состояние, в то время как остальные триггеры неактивны.Затем тактовый сигнал равномерно подается на все триггеры, гарантируя, что переходы состояний происходят одновременно по всей схеме.По мере тактового импульса активное состояние меняется от одного триггера к другому в предсказуемом цикле.Это последовательное переключение продолжается до тех пор, пока последний триггер не передаст свой выход обратно первому, завершая цикл.

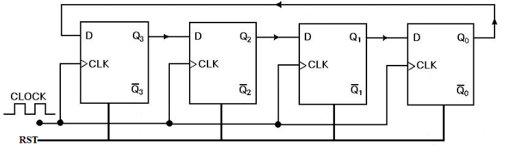
Рисунок 3: 4-битный кольцевой счетчик
Для работы 4-битного кольцевого счетчика его обычно инициализируют начальным состоянием «0001».В этой настройке первый триггер (FF0) устанавливается на выход «1», а остальные три триггера (FF1, FF2 и FF3) сбрасываются на «0».Эта первоначальная конфигурация гарантирует, что только один триггер удерживает состояние «1», которое затем будет циркулировать через остальные триггеры с каждым тактовым циклом.
По мере тактового импульса «1» смещается от FF0 к FF1, затем к FF2, FF3 и, в конечном итоге, обратно к FF0, создавая повторяющийся цикл.Эта прогрессия продолжается, когда каждый триггер по очереди удерживает состояние «1», в то время как остальные остаются в состоянии «0».Этот шаблон изменения состояний формирует основную операцию кольцевого счетчика, обеспечивая предсказуемую последовательность циклического прохождения всех четырех триггеров.
Чтобы лучше понять поведение кольцевого счетчика, может оказаться полезным моделирование формы сигнала с использованием таких инструментов, как Verilog HDL, на таких платформах, как Xilinx.Эти симуляции создают графическое представление переходов состояний счетчика, позволяя вам увидеть, как «1» перемещается от одного триггера к другому с каждым тактовым импульсом.Например, в течение одного тактового цикла «1» переходит от FF0 к FF1, а в следующем цикле — к FF2, продолжая до тех пор, пока не вернется к FF0 после достижения FF3.Эти визуальные инструменты полезны не только для наблюдения за последовательными изменениями, но и для подтверждения точности синхронизации и переходов в проекте.Они дают четкое представление о том, как работает счетчик звонков, что позволяет проверить правильность работы устройства в реальных приложениях.
Таблица истинности — это серьезный инструмент, используемый для отображения входных и выходных состояний кольцевого счетчика, дающий четкое представление о том, как счетчик работает в цифровых схемах.Для 4-битного кольцевого счетчика в таблице показано, как состояние «1» проходит через каждый выход триггера (Q0, Q1, Q2, Q3) в повторяющемся цикле.Входы, такие как переопределяющий вход (ORI) и тактовый импульс (CLK), также перечислены, чтобы показать, как они влияют на переходы состояний.В этой таблице отражено циклическое поведение счетчика, когда «1» переходит от одного триггера к другому и в конечном итоге возвращается к начальной точке.
В каждом такте «1» переходит от одного выхода к другому, перемещаясь от Q0 к Q1, от Q1 к Q2, от Q2 к Q3 и, наконец, обратно к Q0.Это последовательное движение является сутью функционирования кольцевого счетчика и напрямую удовлетворяет потребности систем, которые полагаются на повторяющиеся, предсказуемые последовательности.Такие устройства, как цифровые часы, датчики вращения и энкодеры положения, извлекают выгоду из этой циклической операции, в которой используются точность и синхронизация.

Рисунок 4. HDL-программа Verilog для счетчика звонков.
Следующая программа Verilog HDL предназначена для моделирования поведения кольцевого счетчика с использованием модульного подхода.Каждый модуль в коде соответствует триггеру в кольцевом счетчике, при этом выходной сигнал одного модуля поступает непосредственно на вход следующего.Эта цепочка соединений контролируется нарастающими тактовыми импульсами, которые синхронизируют переходы состояний всех триггеров, обеспечивая скоординированную работу системы.
Кольцевые счетчики бывают двух основных типов, каждый из которых имеет свои уникальные эксплуатационные характеристики: счетчик с прямым кольцом и счетчик с витым кольцом.Оба служат разным целям в зависимости от потребностей цифровой системы.

Рисунок 5. Прямой кольцевой счетчик (счетчик One-Hot).
Прямой кольцевой счетчик, часто называемый «горячим» счетчиком, работает путем передачи одной единицы через серию триггеров в цикле.С каждым тактовым импульсом «1» перемещается к следующему триггеру, в то время как все остальные триггеры остаются в состоянии «0».Эта простая циклическая конструкция идеально подходит для приложений, которым одновременно требуется только одно активное состояние, таких как базовые генераторы последовательностей или сдвиговые регистры.Простота прямого кольцевого счетчика обеспечивает простоту использования и надежность в системах, где требуется простой повторяющийся шаблон.

Рисунок 6. Счетчик витого кольца (счетчик Джонсона)
Счетчик с витыми кольцами, также известный как счетчик Джонсона, вносит существенные изменения в базовую конструкцию.В этой версии выход последнего триггера инвертируется перед тем, как он подается обратно на вход первого триггера.Эта инверсия создает последовательность, в которой за серией единиц следует серия нулей, что фактически удваивает количество различных состояний по сравнению с прямым кольцевым счетчиком.В результате счетчик Джонсона может решать более сложные задачи, что делает его лучшим выбором для приложений, требующих более широкого диапазона состояний, таких как цифровые энкодеры положения или более сложные операции последовательности.
Основное различие между кольцевым счетчиком и счетчиком Джонсона заключается в том, как они обрабатывают цикл обратной связи, который влияет на количество состояний и общее поведение каждого счетчика.
Кольцевой счетчик. В кольцевом счетчике выходной сигнал последнего триггера подается непосредственно обратно на вход первого триггера без каких-либо изменений.Из-за этого прямого цикла общее количество состояний равно количеству триггеров в счетчике.Например, если имеется четыре триггера, счетчик будет циклически проходить через четыре состояния.Каждый триггер удерживает высокий уровень («1») в течение одного тактового цикла и остается низким («0») в остальное время, создавая простую повторяющуюся последовательность состояний.
Счетчик Джонсона. Счетчик Джонсона, с другой стороны, вводит инвертированную обратную связь с выхода последнего триггера обратно на вход первого.Эта инверсия позволяет счетчику генерировать больше состояний, чем кольцевому счетчику, что удваивает это число.Каждый триггер проходит два этапа: сначала он удерживает высокий уровень («1»), а затем низкий уровень («0»), прежде чем переключиться в противоположное состояние.Это означает, что счетчик Джонсона с четырьмя триггерами будет проходить через восемь состояний.Кроме того, такая конструкция снижает выходную частоту, при этом выходная частота составляет половину входного тактового сигнала.
Кольцевые счетчики имеют определенные преимущества и недостатки, которые влияют на их пригодность для проектирования цифровых схем.
Простой дизайн: Одним из основных преимуществ кольцевого счетчика является его простая конструкция.В отличие от других счетчиков, он не требует дополнительных компонентов, таких как декодеры.Эта простота делает реализацию более простой и экономически эффективной, особенно в системах, которым требуется базовое кодирование или декодирование без сложного оборудования.
Меньше компонентов: Структура петли обратной связи кольцевого счетчика позволяет ему функционировать с меньшим количеством компонентов по сравнению со счетчиками других типов.Такое сокращение количества деталей не только снижает затраты, но и повышает надежность, поскольку меньшее количество компонентов означает меньший риск отказа оборудования.
Ограниченное количество государств: Основным ограничением кольцевого счетчика является то, что количество состояний напрямую связано с количеством триггеров.Если вам нужно больше состояний, вам придется добавить больше триггеров, что может оказаться непрактичным в приложениях, требующих большего количества состояний.
Нет возможности самозапуска: Кольцевые счетчики обычно не могут начинаться с любого произвольного состояния.Для начала работы им необходимы определенные заданные условия, что может быть недостатком в системах, где требуются гибкость и быстрый запуск.Это означает, что для обеспечения правильной инициализации счетчика могут потребоваться дополнительные действия или компоненты.
Кольцевые счетчики играют ключевую роль в различных цифровых системах благодаря своей простой, но эффективной циклической работе.Их способность проходить через фиксированное количество состояний в контролируемой последовательности делает их очень полезными в ряде приложений.

Рисунок 7: Подсчет частоты и цифровые часы
Кольцевые счетчики часто используются в счетчиках частоты и цифровых часах, поскольку они могут циклически проходить заданное количество состояний с точностью и надежностью.Это делает их идеальными для задач, требующих точного отслеживания времени или частоты, обеспечивая стабильную и предсказуемую работу.

Рисунок 8: Таймеры
В приложениях синхронизации кольцевые счетчики используются для измерения интервалов и запуска определенных событий.Проходя через свои состояния синхронно с тактовым сигналом, они обеспечивают простой способ управления синхронизацией, гарантируя, что события происходят в нужный момент на основе текущего состояния счетчика.

Рисунок 9: Конечные автоматы (FSM)
Кольцевые счетчики обычно интегрируются в конечные автоматы, особенно в таких средах, как ASIC (интегральная схема для конкретных приложений) и FPGA (программируемая пользователем вентильная матрица).Предсказуемые переходы состояний делают их идеальными для управления потоком операций в этих системах, гарантируя, что каждое изменение состояния обрабатывается плавно и точно.

Рисунок 10: Временные сигналы
Кольцевые счетчики также полезны для генерации сигналов синхронизации, которые полезны для координации работы более сложных схем.Создавая эти сигналы регулярным и циклическим образом, они помогают обеспечить синхронизацию различных частей схемы.

Рисунок 11: Генерация псевдослучайных чисел
В криптографических системах кольцевые счетчики используются для генерации псевдослучайных чисел, опасных для алгоритмов шифрования.Способность счетчиков предсказуемо переключаться между состояниями, сохраняя при этом случайность выходных данных, делает их полезными в этом чувствительном приложении.

Рисунок 12: Управление циклическим хранилищем
В системах памяти кольцевые счетчики помогают управлять циклическими очередями, обеспечивая эффективное хранение и извлечение данных.Их циклический характер позволяет им контролировать повторяющуюся цикличность данных, что делает их идеальными для управления буферами и другими системами хранения, которые полагаются на непрерывный поток данных.
Кольцевые счетчики представляют собой совершенный, но универсальный компонент в проектировании цифровых схем, характеризующийся простой конструкцией и эффективной работой во множестве приложений.Несмотря на свои ограничения, такие как фиксированное количество состояний и отсутствие возможности самозапуска, простота и надежность кольцевых счетчиков делают их необходимыми при разработке современных цифровых систем.
Счетчики Джонсона, также известные как счетчики со витыми кольцами, в основном используются в цифровой электронике для создания таймеров задержки и генерации симметричных прямоугольных сигналов.Эти счетчики находят практическое применение в цифровых часах для определения временной последовательности, в системах управления в качестве счетчиков деления на N, где они управляют операциями последовательности, а также в управлении числовыми дисплеями, где они циклически создают набор двоичных значений.Операторы часто полагаются на счетчики Джонсона из-за их простоты и надежности при создании большого количества состояний с меньшим количеством триггеров, чем у других счетчиков.
Кольцевые счетчики классифицируются по принципу их оперативной синхронизации:
Синхронный счетчик звонков: Все триггеры управляются общим тактовым сигналом, благодаря чему переходы происходят одновременно на всех триггерах.
Асинхронный (или пульсирующий) счетчик звонков: Выход одного триггера становится тактовым входом для следующего, что приводит к последовательным переходам, которые пульсируют через счетчик.
Чтобы эффективно использовать кольцевой счетчик:
Инициализация: Начните с установки всех триггеров на 0, кроме одного, который должен быть установлен на 1. Эта настройка создает одну «1», которая циркулирует по кольцу.
Вход часов: Примените тактовый импульс.С каждым импульсом «1» последовательно переходит от одного триггера к следующему.
Выходы мониторинга: Каждый выход триггера можно контролировать, чтобы отслеживать положение «1» в схеме, что полезно для управления временем и последовательностью.
Кольцевые счетчики могут быть как синхронными, так и асинхронными, в зависимости от их конструкции:
Синхронный счетчик звонков: Все триггеры меняют состояние одновременно с тактовым сигналом.
Асинхронный счетчик звонков: Триггеры меняют состояние последовательно после активации предыдущего триггера, вызывая волновой эффект.
Ключевые различия между кольцевым счетчиком и счетчиком Джонсона:
Использование памяти: Кольцевой счетчик с n триггерами может представлять n состояний, а счетчик Джонсона может представлять 2n состояний, что делает счетчики Джонсона более эффективными с точки зрения представления состояний на триггер.
Сложность схемы: Счетчики Джонсона более сложны, поскольку требуют дополнительной проводки и настройки по сравнению с кольцевыми счетчиками.
Выходные сигналы: Счетчики Джонсона генерируют более сложный набор выходных сигналов, что может быть полезно в приложениях, требующих детальных временных схем, например, при генерации сигналов в системах связи.
Пожалуйста, отправьте запрос, мы ответим немедленно.
на 2024/09/19
на 2024/09/18
на 8000/04/18 147758
на 2000/04/18 111948
на 1600/04/18 111349
на 0400/04/18 83722
на 1970/01/1 79508
на 1970/01/1 66918
на 1970/01/1 63076
на 1970/01/1 63012
на 1970/01/1 54081
на 1970/01/1 52145