
А Atmega168 это 8-битный микроконтроллер, который использует технологию CMOS и предназначен для низкого энергопотребления.Он работает на архитектуре AVR® RISC, которая позволяет выполнять инструкции в одном тактовом цикле.Эта конструкция помогает оптимизировать эффективность питания при сохранении скорости обработки, что позволяет устройству обрабатывать до одного миллиона инструкций в секунду на мегахерц.Микроконтроллер доступен в трех типах пакетов: PDIP, MLF и TQFP.Пакеты PDIP и MLF поставляются с 28 контактами, в то время как пакет TQFP включает 32 вывода.
ATMEGA168 имеет 16 КБ флэш-памяти для хранения программ, 1 КБ ОЗУ и 512 байтов EEPROM, что обеспечивает долгосрочное удержание данных около 20 лет.Он также включает в себя встроенный 10-битный модуль ADC, который предоставляет 8 каналов для преобразования аналоговых сигналов в цифровые, используемые для интерфейсов датчиков.
Одним из выдающихся аспектов ATMEGA168 является то, что он поддерживает протоколы связи SPI, I2C и USART, что делает его гибким с точки зрения связи с устройством к устройству.Эта функция делает его универсальным выбором для проектов, которые требуют связи с несколькими внешними компонентами.
Другие полезные функции включают в себя таймер сторожевого пса, таймер питания, таймер запуска генератора и обнаружение Brown-Out.Эти встроенные функции помогают гарантировать, что ваша система работает плавно без неожиданных перерывов.
ATMEGA168 отличается от других микроконтроллеров, таких как серия PIC, потому что он выполняет большинство инструкций в одном тактовом цикле, тогда как микроконтроллеры PIC могут принимать несколько циклов для аналогичных задач.Кроме того, микроконтроллер AVR поставляется с 32 регистрами общего назначения, в отличие от реестра «W».Это помогает ускорить задачи обработки и повышать гибкость в программировании.




ATMEGA168 принадлежит к семейству микроконтроллеров, предназначенных для обеспечения высокой производительности, потребляя минимальную мощность.Этот баланс позволяет вам использовать его в приложениях, где требуются как эффективность, так и мощность обработки, не жертвуя временем автономной работы или использованием энергии.
• 131 Инструкция: При наличии 131 инструкции, большинство из которых можно выполнить в одном тактовом цикле, ATMEGA168 обеспечивает отзывчивый опыт, что делает вашу систему быстрее.
• 32 x 8 Рабочие регистры: вы можете воспользоваться 32 регистрами общего назначения, позволяя вам более эффективно хранить и обрабатывать данные в своих программах.
• Пропускная способность 20 MIPS: при 20 МГц ATMEGA168 может предоставить до 20 миллионов инструкций в секунду, что дает вам достаточно скорости для ваших задач.
• Встроенный 2-цифровой множитель: эта функция помогает вам быстрее выполнять умножения, улучшая обработку в сложных расчетах.
• Флэш -память: вы можете выбрать из 4 КБ, 8 КБ, 16 КБ или 32 КБ флэш -памяти, в зависимости от потребностей вашего приложения.Это позволяет программировать в системе, поэтому вы можете обновить программное обеспечение микроконтроллера, не удаляя его из схемы.
• EEPROM: с 512 байтами до 1 КБ EEPROM вы можете сохранить небольшие объемы данных, таких как значения калибровки, конфигурации или другие настройки, которые необходимо сохранять между циклами питания.
• SRAM: Внутренний SRAM, от 512 байтов до 2 кб, доступен для быстрого хранения данных во время выполнения вашей программы.
• Циклы записи/стирания: флэш -память поддерживает до 10000 циклов записи/стирания, а EEPROM поддерживает 100 000 циклов, что дает вам долговечность в хранении данных.
• Удержание данных: данные, хранящиеся в EEPROM, могут длиться до 20 лет при 85 ° C или 100 лет при 25 ° C, что делает их надежными для долгосрочных применений.
• емкостное прикосновение: ATMEGA168 поддерживает сенсорные датчики, такие как кнопки, ползунки и колеса, что позволяет интегрировать ввод сенсорного ввода в ваши проекты.
• Каналы чувств: у вас может быть до 64 каналов ощущения, что позволяет создавать сложные сенсорные интерфейсы для разных приложений.
• Таймер/счетчики: включает в себя два 8-битных таймера и один 16-битный таймер, что дает вам гибкость в управлении временными задачами или создания точных задержек.
• Шин -каналы: есть шесть каналов ШИМ (модуляция ширины импульса), полезные для таких приложений, как управление двигателями или светодиоды для затемнения.
• Каналы ADC: микроконтроллер поставляется с 10-битным АЦП (аналого-цифровой преобразователь) с 8 каналами в пакетах TQFP и QFN/MLF или 6 каналах в пакетах PDIP.Это идеально подходит для взаимодействия с датчиками.
• Серийная связь: вы можете использовать различные протоколы связи, такие как USART, SPI и I2C, позволяя легко общаться с другими устройствами.
• Сторонный таймер: эта функция помогает обеспечить надежность системы, сбросив микроконтроллер, если она перестает реагировать.
• Обнаружение сброса и сброса в мощности: эти функции гарантируют, что ваша система запускается правильно после цикла питания и что она может безопасно обрабатывать условия низкого напряжения.
• Режимы сна: ATMEGA168 предлагает шесть режимов сна, в том числе холостое время, мощность и резервное положение.Это позволяет сократить энергопотребление, когда полная производительность не требуется, экономя время автономной работы.
• Программируемые линии ввода -вывода: с 23 программируемыми вводами/выходными линиями вы можете легко подключить различные датчики, кнопки или другие периферийные устройства к вашей системе.
• Несколько вариантов пакета: ATMEGA168 доступен в нескольких пакетах, таких как 28-контактный PDIP и TQFP с 32 литерами, что позволяет выбрать наиболее подходящий пакет для вашего проекта.
Технология Microchip Technology ATMEGA168A-AU Технические характеристики, атрибуты, параметры и детали с аналогичными спецификациями с технологией Microchip Attega168a-Au.
| Тип | Параметр |
| Время выполнения завода | 8 недель |
| Контакт | Олово |
| Устанавливать | Поверхностное крепление |
| Монтажный тип | Поверхностное крепление |
| Пакет / корпус | 32-TQFP |
| Количество булавок | 32 |
| Преобразователи данных | A/D 8x10b |
| Количество I/OS | 23 |
| Сторожевые таймеры | Да |
| Рабочая температура | -40 ° C ~ 85 ° C TA |
| Упаковка | Поднос |
| Ряд | AVR® Atmega |
| Опубликовано | 1997 |
| Код JESD-609 | E3 |
| PBFREE CODE | да |
| Статус частично | Активный |
| Уровень чувствительности влаги (MSL) | 3 (168 часов) |
| Количество терминаций | 32 |
| Терминальная позиция | Квадратный |
| Терминальная форма | Крыло Печата |
| Пиковая температура отвоз (° C) | 260 |
| Напряжение снабжения | 5 В |
| Частота | 20 МГц |
| Время @ Пиковая температура отем (максимум) | 40 -е годы |
| Базовый номер детали | Atmega168a |
| Поставка напряжения-макс (VSUP) | 5,5 В. |
| Питания | 2/5 В. |
| Поставка напряжения мимин (VSUP) | 4,5 В. |
| Интерфейс | 2-Wire, I2C, SPI, сериал, UART, USART |
| Размер памяти | 16 КБ |
| Тип генератора | Внутренний |
| Размер оперативной памяти | 1k x 8 |
| Напряжение - Поставка (VCC/VDD) | 1,8 В ~ 5,5 В. |
| UPS/UCS/Периферический тип ICS | Микроконтроллер, RISC |
| Основной процессор | Авр |
| Периферийные устройства | Brown-Out Detect/Reset, POR, PWM, WDT |
| Тип памяти программы | ВСПЫШКА |
| Размер ядра | 8-битный |
| Размер памяти программы | 16KB 8K x 16 |
| Подключение | I2c, spi, uart/usart |
| Размер бита | 8 |
| Имеет АЦП | ДА |
| Каналы DMA | НЕТ |
| Ширина шины данных | 8B |
| Количество таймеров/счетчиков | 3 |
| Eeprom размер | 512 x 8 |
| Граница сканирование | НЕТ |
| Низкий режим питания | НЕТ |
| Формат | Фиксированная точка |
| Интегрированный кэш | НЕТ |
| Количество каналов ADC | 8 |
| Количество серийного я/ОС | 1 |
| Количество внешних прерываний | 2 |
| Количество каналов ШИМ | 6 |
| Количество каналов I2C | 1 |
| Высота | 1,05 мм |
| Длина | 7 мм |
| Ширина | 7 мм |
| Достичь SVHC | Нет SVHC |
| Радиационное упрочнение | Нет |
| Статус ROHS | ROHS3 соответствует |
| Свободно привести | Свободно привести |
Три части, перечисленные справа, имеют спецификации, аналогичные спецификациям технологии Microchip Atmega168a-Au.
| Номер части | ATMEGA168A-AU | Atmega88pa-au | Atmega48a-au | Atmega88a-au |
| Производитель | Технология микрочипа | Технология микрочипа | Технология микрочипа | Технология микрочипа |
| Пакет / корпус | 32-TQFP | 32-TQFP | 32-TQFP | 32-TQFP |
| Количество булавок | 32 | 32 | 32 | 32 |
| Ширина шины данных | 8 б | 8 б | 8 б | 8 б |
| Номер в/вывода | 23 | 23 | 23 | 23 |
| Интерфейс | 2-Wire, I2C, SPI, сериал, UART | I2c, spi, serial, uart, usart | 2-Wire, I2C, SPI, сериал, UART | I2c, spi, usart |
| Размер памяти | 16 КБ | 4 кб | 8 кб | 8 кб |
| Напряжение снабжения | 5 В | 5 В | 5 В | 5 В |
| Периферийные устройства | Brown-Out DeTect/RESET | Brown-Out DeTect/RESET | Brown-Out DeTect/RESET | Brown-Out DeTect/RESET |
| Посмотреть сравнение | ATMEGA168A-AU против ATMEGA88PA-AU | ATMEGA168A-AU против ATMEGA88PA-AU | ATMEGA168A-AU против ATMEGA48A-AU | ATMEGA168A-AU VS ATMEG |

AVR Core of the Atmega168 разработан с 32 регистрами общего назначения, которые напрямую взаимодействуют с арифметической логической единицей (ALU).Эта настройка позволяет одновременно доступна к двум независимым регистрам, выполняя инструкции всего за один тактовой цикл.Эта эффективность делает ATMEGA168 гораздо более эффективной по сравнению с традиционными микроконтроллерами CISC, обеспечивая скорость обработки в десять раз быстрее.
ATMEGA168 обеспечивает до 8 кбит программируемой флэш-памяти внутри системы, 1 кбайт SRAM и 1Kbytes EEPROM.Он также поставляется с 23 линии ввода-вывода общего назначения, три таймера/счетчика и ряд интерфейсов связи, таких как USART, SPI и I2C.Кроме того, микроконтроллер включает в себя 6-канальный 10-битный ADC для задач, которые требуют аналого-цифрового преобразования.
Устройство поддерживает различные режимы мощности для оптимизации производительности и продления времени автономной работы.В режиме холостого хода процессор выключается при сохранении активных периферийных устройств, таких как таймеры и интерфейсы связи.Режим питания отключает все функции, за исключением асинхронного таймера, который позволяет минимально энергопотребление.Режим мощности поддерживает таймер активным при помещении остальной части устройства во сне, а режим шума в АЦП уменьшает шум во время аналого-цифровых конверсий, отключив ненужные компоненты.Режим ожидания предлагает быстрый запуск, сохраняя низкое энергопотребление, позволяя генератору работать, пока остальная часть системы спит.
С поддержкой чтения, While Write, вы можете обновить память флэш-памяти приложения без прерывания операций Boot Flash.Это обеспечивает непрерывную работу при перепрограммировании памяти, что делает ATMEGA168 твердым выбором для встроенных систем управления.
Основное различие между ATMEGA168 и ATMEGA328 - это объем доступной флэш -памяти.ATMEGA168 имеет 16 КБ флэш -памяти, в то время как ATMEGA328 предлагает 32 КБ, что идеально подходит, если вы работаете над более крупными проектами, которые требуют большего пространства для хранения для данных программы.Однако для большинства приложений для любителей эта разница может быть не значительной.Оба микроконтроллера имеют сходные функции, конфигурации PIN и характеристики производительности, что делает их взаимозаменяемыми во многих случаях.
Если ваш проект требует большей памяти для хранения более крупной кодовой базы или более обширной обработки данных, вы можете выбрать ATMEGA328.В противном случае для небольших приложений или когда ограничения памяти не являются проблемой, ATMEGA168 будет работать так же хорошо.
| Номер части | Описание | Производитель |
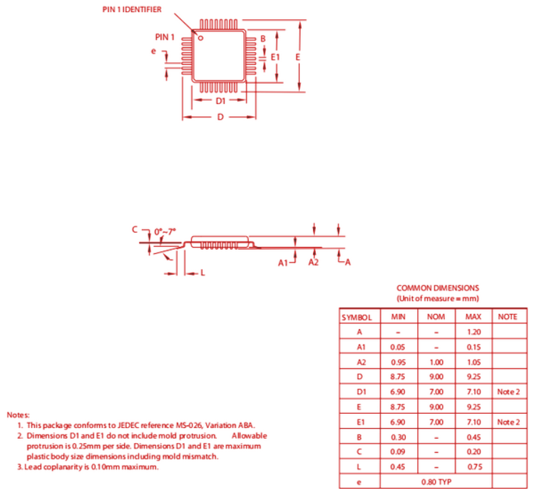
| Микроконтроллеры и процессоры Atmega168-24AI | Микроконтроллер RISC, 8-битный, вспышка, 24 МГц, CMOS, PQFP32, 7 x 7 мм, высота 1 мм, высоту 0,80 мм, пластик, MS-026ABA, TQFP-32 | Atmel Corporation |
ATMEGA168 - отличный выбор для образовательных проектов.Его простота использования и обширные функции делают его подходящим для различных мелких приложений, от простых систем управления до обучения, как взаимодействовать датчики и двигатели.
Если вы работаете над встроенными системами или робототехникой, ATMEGA168 предлагает все необходимые вам ключевые компоненты.Его эффективная архитектура и способность обрабатывать протоколы связи, такие как SPI и I2C, делают его отличным выбором для управления роботизированными руками, датчиками или автономными транспортными средствами.
В промышленной автоматизации ATMEGA168 часто используется для управления механизмом или процессами.Его таймеры, АЦП и интерфейсы связи позволяют создавать системы, которые автоматизируют повторяющиеся задачи или устройства управления в производственных средах.
Микроконтроллер идеально подходит для систем домашней безопасности, где его можно использовать для взаимодействия с датчиками, обнаружения вторжений или управления замками двери.Благодаря низкому энергопотреблению он идеально подходит для устройств с батарейным питанием, которые необходимо надежно работать в течение длительных периодов времени.
Если вы увлекаетесь дизайном дронов, ATMEGA168 может быть мозгом вашего квадрокоптера.Он может управлять управлением двигателем с помощью каналов PWM, данных датчика процесса с помощью ADC и общаться по беспроводным образом с другими устройствами, что делает его хорошим вариантом для легких, эффективных квадрокоптеров.

Microchip Technology Inc. является компанией Atmega168.Штаб-квартира MicroChip расположена в Чендлере, штат Аризона, известная тем, что производит надежные и экономичные микроконтроллеры и аналоговые полупроводниковые решения.Они сосредоточены на предоставлении продуктов, которые снижают риски для развития, снижают общие затраты на системные затраты и помогают ускорить время на рынке для различных отраслей.
ATMEGA168 предлагает полный набор инструментов, чтобы облегчить вашу разработку.К ним относятся компиляторы C, макросборщики, программные отладчики и симуляторы, эмуляторы в цикле и доски оценки.Эти инструменты помогают вам эффективно программировать, отлаживать и тестировать вашу систему.Сам микроконтроллер поставляется с 16-километровым программируемой вспышкой, 512 байтами EEPROM, 1K SRAM, 23 линии ввода-вывода общего назначения и множественными интерфейсами связи, таких как USART, SPI и 8-канальный 10-битный ADC.
ATMEGA48, ATMEGA88 и ATMEGA168 различаются в основном по размеру памяти, поддержке загрузчика и тем, как они обрабатывают прерывания.ATMEGA88 и ATMEGA168 поддерживают одновременные операции чтения и записи через независимую область загрузчика, тогда как ATMEGA48 - нет.ATMEGA8, с другой стороны, не хватает некоторых функций прерывания и имеет меньший размер памяти.Все четыре чипа имеют одну и ту же конфигурацию PIN -кода, поэтому вы можете легко обновить между ними, если упаковка одинакова.
ATMEGA168V-10PU представляет собой вариацию микроконтроллера ATMEGA168, предназначенного для работы при более низких напряжениях.Он часто используется в системах, где низкое энергопотребление является приоритетом, что делает его отличным выбором для приложений с батарейным питанием.
Пожалуйста, отправьте запрос, мы ответим немедленно.
на 2024/10/21
на 2024/10/21
на 8000/04/18 147757
на 2000/04/18 111931
на 1600/04/18 111349
на 0400/04/18 83718
на 1970/01/1 79508
на 1970/01/1 66881
на 1970/01/1 63010
на 1970/01/1 62973
на 1970/01/1 54081
на 1970/01/1 52107