
А 74LS93 это 4-битный двоичный счетчик, разработанный с двумя встроенными отслеживаниями.Он сочетает в себе отсчет Mode-2 с модным средством MOD-8, что делает его универсальным для таких приложений, как подсчет MOD-8 или разделение сигналов на 2 или 8. Этот IC включает в себя четыре шлепанца JK, которые реагируют на входные импульсы,который может быть предоставлен микроконтроллером или таймером.
Конструкция 74LS93 оснащена двумя штифтами, двумя булавками и четырьмя выходными терминалами, что позволяет ему считать от 0 до 15 в двоичном файле.Благодаря совместимости с различными микроконтроллерами и системами на основе TTL, этот счетчик является гибким выбором для различных цифровых проектов.Он обычно доступен в таких форматах, как DIP и SMD, всегда содержащий 14 булавок.Кроме того, IC создан для обработки высокоскоростных входов, обеспечивая надежную работу в динамических средах.

| PIN -код | Название вывода | Описание |
| 1, 2, 3, 6 | Северо -запад | Нет соединения |
| 4, 5, 8, 9 | Q0, Q1, Q2, Q3 | Выходные штифты |
| 7 | Земля | Подключен к земле системы |
| 10 | CP0 | Ввод часов - разделите на 2 |
| 11 | CP1 | Ввод часов - разделите на 8 |
| 12, 13 | МИСТЕР | Мастер -сброс - чистый ввод |
| 14 | Венчурной | Напряжение подачи - от 4,5 В до 5,5 В |
74LS93 представляет собой 4-битный двоичный счетчик, разработанный для широкого спектра приложений.Он предлагает надежную производительность в системах, которые требуют подсчета или частотного подразделения благодаря своей эффективной 4-битной архитектуре.
Этот IC легко работает при стандартном напряжении 5V, что делает его совместимым со многими цифровыми системами.Его способность постоянно выполнять это напряжение обеспечивает надежность в различных проектах.
IC поддерживает спектр напряжения от 4,5 В до 5,5 В.Эта гибкость позволяет использовать его в системах с небольшими изменениями в питании при сохранении стабильности.
Когда IC выводит высокое состояние, он обеспечивает 3,5 В, а когда оно находится в низком состоянии, он выводит 0,25 В.Эти уровни делают его совместимым с другими устройствами TTL, обеспечивая плавную интеграцию в ваши схемы.
IC обрабатывает -0,4 мА во время высокой мощности и 8 мА во время низкой мощности.Эти уровни тока позволяют IC эффективно взаимодействовать с другими компонентами, не вызывая перегрузки.
Такточная частота для входного штифта CP0 может достигать 32 МГц, в то время как CP1 поддерживает до 16 МГц.Эта высокоскоростная производительность делает IC подходящим для задач, требующих быстрого подсчета или частотного деления.
CP0 требует ширины импульса не менее 15 нс, в то время как CP1 нуждается в минимуме 30NS.Эти спецификации обеспечивают точную работу, предотвращая любые пропущенные сигналы во время быстрого переключения.
IC доступен в форматах, таких как 14-контактный PDIP, GDIP и PDSO, что делает его универсальным и легко интегрировать в различные конструкции.Эти форматы позволяют вам выбрать тот, который лучше всего соответствует вашему конкретному приложению.
Вы можете управлять входами в IC с помощью таких устройств, как 555 таймеров или микроконтроллеров.Эта гибкость позволяет легко использовать в различных приложениях, от простых таймеров до более сложных цифровых систем.
Выход IC находится в формате TTL, который обеспечивает совместимость с широким диапазоном систем ICS и микроконтроллеров.Эта функция упрощает интеграцию в ваши цифровые схемы.
IC хорошо работает по температуре от 0 до 70 градусов по Цельсию, что делает его подходящим для стандартных сред.Он обеспечивает постоянные результаты без влияния умеренных изменений температуры.
• 74HC19
• 74LS192
• 4516
• 74LS90
• CD4017
• 74LS02
• CD4020
• CD4060
• CD4022
• CD4026
• CD40102
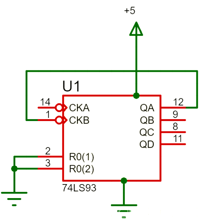
Чтобы получить работу двоичного счетчика 74LS93, начните с подключения питания.Прикрепите штифт VCC к положительному терминалу и штифту GND к земле вашей системы.Как только это будет сделано, подключите первый входной вход (вывод 1) к последнему битовому выходу (вывод 12).Это соединение является ключом к тому, чтобы обеспечить механизм подсчета.

Затем установите сбросы контактов (булавки 2 и 3).Осветите эти булавки, чтобы счетчик начался с нуля.Если вам нужно сброс, чтобы функционировать по -разному, вы можете подключить эти булавки к внешней логике на основе потребностей вашего приложения.Эта гибкость позволяет настроить счетчик в соответствии с требованиями схемы.
Для ввода часов подключите второй тактовой штифт (контакт 2) к внешнему генератору импульсов, например, IC таймера или любое устройство, способное генерировать сигналы тактовых сигналов.Этот таккологический импульс управляет выходной бинарной подсчетом IC, который отображается на контактах 8, 9, 11 и 12.
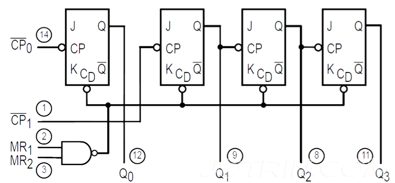
Внутренняя цепь 74LS93 делится на две основные части: счетчик мод 2 и счетчик мод 8.Счетчик MOD 2 управляет первым битом, переключаясь между 0 и 1 с каждым тактовым импульсом в качестве сигнала переходит от высокого к низкому.Этот вывод служит вводом тактового ввода для счетчика Mod 8, который использует три взаимосвязанных шлепанца JK для генерации оставшихся трех битов.
Каждый JK Шрегггер в счетчике Mod 8 получает свой тактовой сигнал от выхода предыдущего триггера.Вместе счетчики Mod 2 и Mod 8 производят 4-битный двоичный счет, который варьируется от 0000 до 1111. Этот двоичный выход отображается на четырех выводах, обеспечивая четкое представление об подсчете.
Чтобы понять счетчик 74LS93, он помогает изучить его внутренний дизайн и функциональность.Схема основана на шлепанцах JK, каждый из которых способен переключаться между двумя состояниями: 1 и 0. Эти состояния представляют двоичные значения, и счетчик прогрессирует, изменяя эти состояния в ответ на часовые импульсы.

В 74LS93 каждое состояние шлепанца изменяется, когда выходной выход предыдущих переходов триггера от высокого до низкого уровня.Тем не менее, первый триггер не подключен непосредственно ко второму.Чтобы создать функциональную последовательность, вы связываете первое тактовое вывод (CP1) с выходом первого шлепанца модного модуля.Это гарантирует, что последовательность течет должным образом.
С четырьмя шлепанцами, подключенными в последовательности, каждый из которых получает таксочный импульс от выхода предыдущего шлепанца, счетчик начинается с 0000 и считается до 1111, прежде чем сбросить обратно в 0000. Каждое состояние представляет собой уникальное двоичное число, прогрессируя взаказ.
Приведенная ниже таблица демонстрирует, как бинарный выход изменяется с каждым счетом:
| Считает | ВЫХОД | Q3 | Q2 | Q1 | Q0 |
| 0 | 0 | 0 | 0 | 0 | |
| 1 | 0 | 0 | 0 | 1 | |
| 2 | 0 | 0 | 1 | 0 | |
| 3 | 0 | 0 | 1 | 1 | |
| 4 | 0 | 1 | 0 | 0 | |
| 5 | 0 | 1 | 0 | 1 | |
| 6 | 0 | 1 | 1 | 0 | |
| 7 | 0 | 1 | 1 | 1 | |
| 8 | 1 | 0 | 0 | 0 | |
| 9 | 1 | 0 | 0 | 1 | |
| 10 | 1 | 0 | 1 | 0 | |
| 11 | 1 | 0 | 1 | 1 | |
| 12 | 1 | 1 | 0 | 0 | |
| 13 | 1 | 1 | 0 | 1 | |
| 14 | 1 | 1 | 1 | 0 | |
| 15 | 1 | 1 | 1 | 1 |
Кроме того, схема синхронизации показывает, как выходы от Q0 до Q3 ведут себя в ответ на сигнал входного тактового сигнала.Эта визуализация облегчает представление о том, как бинарный счетчик прогрессирует шаг за шагом:

74LS93-это универсальный обстановка, построенный с использованием четырех шлепанцев JK.Объединяя свои счетчики MOD-2 и MOD-8, он обычно используется для создания счетчика MOD-16.Он часто используется в цепях, которые требуют подсчета от 0 до 15 в двоичном файле или создания последовательностей для целей времени, что делает его простым и надежным выбором для таких приложений.
Этот IC также широко используется в схемах частотного деления, где он может делить частоты на 2, 8 или 16 с точностью.Его дизайн позволяет эффективно выполнять контролируемые задачи времени, что делает его подходящим для использования в цифровых системах, таких как цифровые часы или последовательные настройки управления событиями.
Кроме того, 74LS93 используется в приложениях для подсчета импульсов, где он подходит для входящих сигналов в бинарном.Его способность объединять функциональность MOD-2 и MOD-8 делает его эффективным и надежным компонентом в проектах, требующих точного бинарного подсчета.
Использование двоичного счетчика 74LS93 является простым и эффективным.Начните с питания IC через VCC и заземленные булавки, используя источник питания +5V.Это устанавливает необходимые условия эксплуатации для IC.74LS93 включает в себя два контакта MR (Master Reset), которые позволяют настроить желаемый режим работы.Для стандартной функциональности подсчета подключите оба штифта с сбросом к заземлению (минимум), как показано в таблице выбора режима.

Затем поставьте часы -импульсы в входные контакты CP0 и CP1, чтобы инициировать процесс подсчета.Каждый вход импульса в эти булавки увеличивает бинарное подсчет одним.PIN CP1 управляет выходом Q0, в то время как CP0 регулирует выходы Q1, Q2 и Q3.Чтобы активировать все четыре выходных бита, подключите тактовой импульс на CP1 к выходу Q0.
IC поддерживает пиковую тактовую частоту 32 МГц для CP0 и 16 МГц для CP1.Убедитесь, что ширина импульса составляет не менее 15 нс для CP0 и 30NS для CP1 для поддержания точной работы.Как правило, вы можете генерировать такточный сигнал, используя таймер 555 или аналогичную схему пульса.
|
СЧИТАТЬ |
ВЫХОД |
|||
|
Q0 |
Q1 |
Q2 |
Q3 |
|
|
0 |
Л |
Л |
Л |
Л |
|
1 |
ЧАС |
Л |
Л |
Л |
|
2 |
Л |
ЧАС |
Л |
Л |
|
3 |
ЧАС |
ЧАС |
Л |
Л |
|
4 |
Л |
Л |
ЧАС |
Л |
|
5 |
ЧАС |
Л |
ЧАС |
Л |
|
6 |
Л |
ЧАС |
ЧАС |
Л |
|
7 |
ЧАС |
ЧАС |
ЧАС |
Л |
|
8 |
Л |
Л |
Л |
ЧАС |
|
9 |
ЧАС |
Л |
Л |
ЧАС |
|
10 |
Л |
ЧАС |
Л |
ЧАС |
|
11 |
ЧАС |
ЧАС |
Л |
ЧАС |
|
12 |
Л |
Л |
ЧАС |
ЧАС |
|
13 |
ЧАС |
Л |
ЧАС |
ЧАС |
|
14 |
Л |
ЧАС |
ЧАС |
ЧАС |
|
15 |
ЧАС |
ЧАС |
ЧАС |
ЧАС |
Чтобы лучше понять его функциональность, рассмотрите возможность моделирования операции IC.Например, в режиме-0 (стандартный режим подсчета) заземляет как MR-контакты, так и вручную переключение логического состояния генерирует тактовые импульсы.С каждым переходом от высокого к низкому, IC увеличивает его количество.Ниже приведен пример моделирования, иллюстрирующего это поведение.

Для получения дальнейшей ясности вы можете обратиться к видеоурокам или дополнительным ресурсам.Практическое использование 74LS93 в различных цепях, включая приложения времени и подсчета, демонстрируют ее адаптивность и простоту использования в цифровых конструкциях.
Чтобы создать однозначный счетчик с использованием 74LS93, вам понадобятся компоненты, такие как 74LS20 (четыре входных ворота NAND) и 74LS04 (Три не ворота).Эти компоненты работают вместе с IC, чтобы управлять дисплеем с семью сегментами BCD, позволяя счетчику проходить через числа от 0 до 9.
Хотя 74LS93 представляет собой 4-битный счетчик, способный обрабатывать до 16 двоичных счетов, он должен сбросить после достижения 9, чтобы гарантировать, что дисплей остается в пределах десятичного диапазона.Если счетчик не сброшен на этом этапе, выход может показать неверные или неожиданные значения.Чтобы управлять этим, используется схема сброса обратной связи, объединяющая сигналы от NAND, а не ворота для автоматического сброса счетчика.

В этой схеме два не ворота подключены к выходам QA и QC, в то время как QB и QD напрямую связаны с входами GATE NAND.Вторник NAND производит высокий выход только тогда, когда все его входы равны нулю.При двоичном значении 1010 не ворота обращают сигналы от QA и QC, запуская высокий выход от затвора NAND.Этот вывод инвертируется 74LS04, сбросив счетчик до нуля.Эта конструкция обеспечивает последовательность счетчика последовательно и отображает правильные десятичные значения.
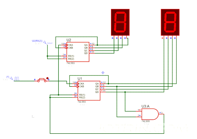
2-значная конфигурация счетчика расширяет концепцию однозначного счетчика, позволяя ему отображать числа от 00 до 99. Применяется та же самая основная логика, но в этом случае первый дисплей с семью сегментами прогрессирует, когда второй дисплей отправляетСигнал сброса часов.Эта конструкция обеспечивает плавное подсчет на двух цифрах, используя сигнал сброса одного дисплея, чтобы привести к входу часов другого.

Логика, стоящая за двухзначным счетчиком, остается в соответствии с однозначной настройкой, предлагая эффективный способ продемонстрировать большие числовые значения, используя два дисплея с семью сегментами.Связывая два счетчика с помощью их сброса и часов, дисплеи работают в тандеме, чтобы представлять цифры с 00 до 99.
74LS93 на базе двухзначных десятичных десятичных
Для двухзначного счетчика 74LS93 можно настроить для подсчета и отображения чисел с 00 до 99. Логика для двухзначного счетчика основана на тех же принципах, что и однозначный счетчик, но расширяет свои функции, каскадируя два счетчика BCDПолем
В этой настройке первый дисплей BCD с семью сегментами достигает своего подсчета на основе сигнала сброса со второго дисплея.По сути, такточный сигнал для первого дисплея получен из сброса второго дисплея.Это каскадное расположение гарантирует, что счетчик логически продвигается через две цифры, причем первый дисплей увеличивает только тогда, когда второй дисплей завершает свой цикл от 0 до 9.

Эта двухзначная схема счетчика позволяет подсчитать до 99 и обеспечивает четкий и читаемый дисплей, используя два дисплея с семью сегментами.Основные механизмы логики и обратной связи обеспечивают плавную работу, что делает ее идеальным для применений, требующих большего диапазона подсчета.
74LS93 хорошо подходит для получения расширенных синхронизации времени в цифровых цепях.Настройка его счетчиков, вы можете достичь длинных и последовательных задержек, которые полезны в приложениях, связанных с временем.
Этот IC действует как надежный делитель частоты.Он может уменьшить входные тактовые частоты на факторы 2, 8 или 16, что делает его надежным выбором для систем, где для синхронизированных операций необходимо стабильное частотное деление.
Когда необходимо точное время, 74LS93 предоставляет простое решение.Его предсказуемое поведение подсчета обеспечивает точность в таких задачах, как секвенирование и контроль на основе времени в цифровых проектах.
74LS93 идеально подходит для проектов, где использование микроконтроллера может быть не практичным.Он выполняет эффективные функции подсчета и синхронизации, снижая необходимость в более сложных и дорогостоящих компонентах.
Этот IC эффективен в приложениях, которые включают подсчет импульсов или распределение частоты.Его бинарный механизм подсчета позволяет легко отслеживать импульсы или разделить частоты без дополнительных схем.
74LS93 работает без проблем с семисегментами дисплеев, чтобы показать числовые выходы.Его совместимость с бинарными в десятью преобразователями упрощает процесс создания цифровых счетчиков и показаний.
Используя свои возможности подсчета, 74LS93 помогает в настройке цепей, которые требуют длительных интервалов.Это делает его особенно полезным для таких приложений, как цифровые часы и таймеры.
IC часто используется для проектирования надежных контурных цепей.Его надежная производительность и простота конфигурации делают его общим выбором для создания как автономных счетчиков, так и схем разделителей частот.
Когда потребности времени являются конкретными, 74LS93 может быть адаптирован для удовлетворения этих требований.Будь то для промышленных решений времени или проектов DIY, его гибкость гарантирует, что она соответствует различным задачам, связанным с синхронизацией.
74LS93 является универсальным и надежным бинарным счетчиком, который упрощает цифровые задачи и временные задачи.Благодаря своей способности разделять частоты, подсчет импульсов и управлять дисплеями, он легко вписывается в различные проекты.Независимо от того, строите ли вы счетчики, управляете временем или создаете частотные разделители, 74LS93 предлагает эффективное и простое решение.Его гибкость и простота использования делают его практическим выбором для многих приложений.
Пожалуйста, отправьте запрос, мы ответим немедленно.
Нет, 74LS93 спроектирован как обстановка, что означает только считается вверх в бинарном формате.Он не имеет возможности Считать значения обратного или уменьшения.
74LS93 удобен для использования и сводит к минимуму необходимость внешнего Проводка, позволяя интеграции в проекты.Однако один Ограничение состоит в том, что его шлепанцы не могут быть предустановлены, поэтому подсчет Всегда начинается с нуля, и вы не можете начать считать с другого число.
74LS93 содержит четыре шлепанца JK, которые реагируют на входные импульсы, Будь они из микроконтроллера или таймера.Это имеет два сбросить выводы, два часовых входа и четыре вывода, позволяющие им считать Бинарные числа эффективно в ответ на часовые импульсы.
74LS93 функционирует как частотный разделитель и счетчик.Это обычно используется для создания временных задержек или управления подсчетом задач в схемы.Этот IC особенно полезен в приложениях, где делятся на 2, 8 или 16 требуется.
74LS93N-это 4-битный бинарный счетчик, который использует четыре магистра-солека JK шлепки.Он поддерживает механизм подсчета разрыва за восемь, который запускается переходом от высокого к низкому входу.Каждый тактовой импульс, применяемый к его входным выводам, продвигает счет на один шаг.
на 2024/11/29
на 2024/11/29
на 8000/04/18 147757
на 2000/04/18 111931
на 1600/04/18 111349
на 0400/04/18 83718
на 1970/01/1 79508
на 1970/01/1 66881
на 1970/01/1 63010
на 1970/01/1 62973
на 1970/01/1 54081
на 1970/01/1 52107